SICROWBAR AC модуль защиты от перенапряжения используется для защиты силовых полупроводниковых элементов (тиристоров и диодов) в преобразователях от перенапряжений между фазами трехфазной сети питания. Спектр применения не ограничивается защитой преобразователя постоянного тока, а также может быть использован для питания / рекуперации блоков системы привода переменного тока, которые оснащены тиристорами. Перенапряжение, которое происходит на стороне переменного тока преобразователей в основном вызваны переключениями при отключении от сетевого питания на первичной обмотке трансформатора. Это относится как к оперативным переключениям (выключение в ненагруженном состоянии), а также в случае отказа (отключения под нагрузкой).
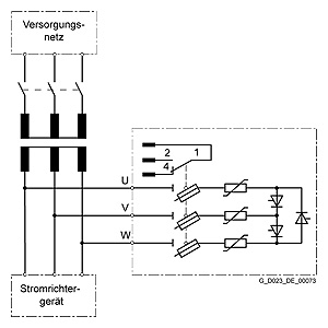
Защита от перенапряжения используется обычно в следующей конфигурации:
Существует три версии устройства в зависимости от номинального напряжения:
| Версия | Номинальное напряжение | Проектирование, монтаж |
|---|---|---|
| A | До 580 В | Монтируемые в корпус. Для установки в вертикальном положении на панелях в шкафах или на рамах машин. |
| B | До 725 В | Монтируемые на базовую плиту. Для установки в шкафы шириной 600 мм. |
| C | До 1 150 В | Монтируемые на базовую плиту. Для установки в шкафы шириной 600 мм. |
Силовая часть устройства ограничения перенапряжения имеет P3C соединения, 3-импульсное полностью контролируемое соединение "многоугольником". Кабели соединения "многоугольником" имеют металло-оксидные варисторы, которые поглощают энергию перенапряжения.
Полупроводниковые предохранители, включенные в устройство, размещаются в предохранителе-разъеденителе со встроенным контролем предохранителей.
Пороговые диоды и RC-цепочки для тиристоров и варисторов размещены на печатной плате, вместе с последовательными резисторами в цепи затвора и диодами, передающими напряжение на пороговые диоды.
При возникновении перенапряжения, которое достигает порога срабатывания цепи поджига, срабатывают пороговые диоды и открывают соответствующие тиристоры. В результате варисторы подключаются к сети. и поглощают энергию перенапряжения. RC цепочки защищают тиристоры от чрезмерно быстрого изменения тока, когда ток прерывается.
Следующие подробности должны быть приняты во внимание:
Подробные замечания по конфигурированию, стандарты и подключение защиты описаны в инструкции по эксплуатации, на DVD-ROM, поставляемом с каталогом D 23.1 или в интернете по ссылке: http://support.automation.siemens.com/WW/view/en/18260008/130000.
| Основные технические данные | SICROWBAR AC ограничитель перенапряжения |
|---|---|
| Степень защиты | IP00 согласно EN 60529 |
| Класс защиты | I согласно EN 50178 |
| Категория перенапряжения | III, соответствует EN 60664 |
| Измерение трека и воздушного зазора | Степень загрязнения 2 согласно EN 50178 |
| Номинальное напряжение изоляции (для установки на высоте до 2 000 м над уровнем моря) 1) | 725 V AC номинального напряжения питания 400 ... 725 V 1 200 V AC номинального напряжения питания 850 ... 1 150 V |
| Высота установки | ≤ 2 000 м над уровнем моря |
| Допустимая температура окр.среды |
|
| +5 ... +55 °C |
| -40 ... +70 °C |
| Климатический класс | 3K3 согласно EN 60721-3-3 |
| Контроль предохранителей (микровыключатель на предохранителе-разъединителе, 1 переключающий контакт) | Плоский коннектор 6.3 mm × 0.8 mm |
| 1/2 закрыт, 1/4 открыт |
| 1/4 закрыт, 1/2 открыт |
| 1/4 закрыт, 1/2 открыт |
| 50 Hz 250 V AC, 3 A30 V DC, 3 A |
1) Установка выше 2 000 м по требованию.
|
|
| SICROWBAR AC ограничитель перенапряжения | |||
|---|---|---|---|---|---|
|
|
| 7VV3002‑3CD20 | 7VV3002‑3AD20 | 7VV3002‑3BD20 | 7VV3002‑3GD20 |
| Макс.допустимое напряжение питания VN | В | 460 |
| 550 |
|
| Номинальное напряжение срабатывания BOD элемента VAN | В | 1 000 | 1 200 | 1 400 | 1 600 |
| Миним. предел напряжения элемента BOD при 5 °CVRRM_05 | В | 864 | 1 056 | 1 248 | 1 440 |
| Макс.предел напряжения BOD при 55 °CVRRM_55 | В | 1 166 | 1 378 | 1 590 | 1 802 |
| Максимально допустимый ток, Imax | A | 200 | 1 000 |
| 2 000 |
| Номинальное напряжение по изоляции (напряжение по изоляции определяется наиболее высоким напряжением питания соответствующего типа конструкции) VISO | В | 550 |
|
|
|
| Напряжение варистора (напряжение пробоя) при TA = 25 °C, 1 mA (значение спецификации × 2 на 2 последовательно соединенных варисторов) VV | В | 720 |
| 860 |
|
| Макс. энергия (для 2 ms) при TA = 85 °C (значение спецификации × 2 на 2 последовательно соединенных варисторов) W0 | Ws | 600 |
| 720 |
|
| Energy that can be absorbed 100 times (determined from the derating data) W2 | Ws | 350 |
| 419 |
|
| Energy that can be absorbed 10 000 times (determined from the derating data) W4 | Ws | 42 |
| 50 |
|
| Версия |
| A |
|
|
|
| Размеры |
|
|
|
|
|
| мм | 265 |
|
|
|
| мм | 385 |
|
|
|
| мм | 237 |
|
|
|
| Приблиз.вес | кг | 7 |
|
|
|
|
|
| SICROWBAR ограничение перенапряжений AC | ||||
|---|---|---|---|---|---|---|
|
|
| 7VV3002‑3DD20 | 7VV3002‑3ED20 | 7VV3002‑3JD20 | 7VV3002‑3KD20 | 7VV3002‑3LD20 |
| Максимально допустимое номинальное напряжение питания VN | V | 770 | 920 |
| 1 100 |
|
| Номинальное напряжение срабатывания элемента BOD VAN | V | 1 900 | 2 400 | 2 600 | 2 800 | 3 000 |
| Мин.предел напряжения элемента BOD при 5 °CVRRM_05 | V | 1 728 | 2 208 | 2 400 | 2 592 | 2 784 |
| макс.предел напряжения элемента BOD при 55 °CVRRM_55 | V | 2 120 | 2 650 | 2 862 | 3 074 | 3 286 |
| Макс. допустимый ток, Imax | A | 300 | 800 | 1 000 | 400 | 1 000 |
| Номинальное напряжение по изоляции (напряжение по изоляции определяется наиболее высоким напряжением питания соответствующего типа конструкции) VISO | V | 770 | 1 100 |
|
|
|
| Напряжение варистора(напряжение пробоя ) при TA = 25 °C, 1 mA (значение спецификации × 2 для 2х последовательно соединенных варисторов) VV | V | 1 240 | 1 500 |
| 1 820 |
|
| Max. энергия (за 2 ms) at TA = 85 °C (значение спецификации × 2 для 2х последовательно соединенных варисторов) W0 | Ws | 2 400 | 3 300 |
| 3 000 |
|
| Энегрия, которая может быть поглощена 100 раз(определена из расчета) W2 | Ws | 986 | 1 196 |
| 1 027 |
|
| Энегрия, которая может быть поглощена 10000 раз(определена из расчета) W4 | Ws | 145 | 176 |
| 214 |
|
| Версия |
| B | C |
|
|
|
| Размеры |
|
|
|
|
|
|
| mm | 580 |
|
|
|
|
| mm | 305 |
|
|
|
|
| mm | 205 | 245 |
|
|
|
| Приблиз.вес | kg | 11 | 12 |
|
|
|
Зап.части можно посмотреть в интернете http://workplace.automation.siemens.de/sparesonweb.
Цена на сайте указана розничная в ЕВРО без учета НДС.Для уточнения цены и размера предоставляемой скидки - звоните или присылайте заявки
| Заказной номер | PG | Описание продукта | Цена |