0

Разделы

Скачать Дальнейшая информация 
Введение
GAMMA wave – мультифункциональная система

Новая система радиоуправления GAMMA wave позволяет пользоваться всеми преимуществами современнойэлектроустановочной техники для зданий без необходимости прокладки новых проводов.Датчики, исполнительные элементы и другие устройства не нуждаются в прокладке дополнительных проводов.Радиоуправляемые системы особенно удобны для ремонта, расширения имеющихся систем, но, естественно, и для любогорода новых электроустановок. И все это при абсолютной помехозащищённости и не внушающей опасения надежностипередачи сигналов.

Изюминка в том, что система GAMMA wave представляет собой единственную в своём роде двунаправленную системурадиоуправления – это значит, что устройства и компоненты могут быть как передатчиками, так и приемниками.УслугиСфера деятельности третьих лиц.Регистрация данных о потреблении и системы экстренного вызоваПродукты других отделов фирмы Siemens либо другихпроизводителей на базе стандарта KNX−Standards

.

Было

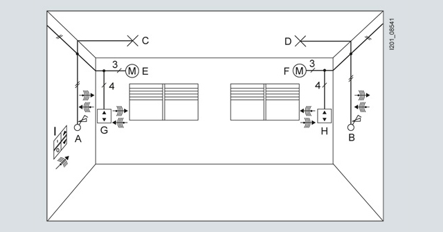
управление освещением и жалюзи обычными электроустановочными приборами

Example of a conventional installation with lighting and electrically operated shutters/blinds.

  • Пример электроинсталляции, включающей освещение ижалюзи с электроприводом с электроприводом.• светильник (C) может включаться только выключателем (A)• светильник (D) может включаться только выключателем (B)• жалюзи (E) могут управляться только выключателем (G)• жалюзи (F) могут управляться только выключателем (H)

Недостатки

• отсутствие гибкости• низкая комфортность (каждый источник обслуживаетсяотдельно)

Стало

управление освещением и жалюзи средствами GAMMA wave („двунаправленной“ системы радиоуправления)

Переоснащение электроустановки для совместного управления освещением и жалюзи с различных точек управления.

Замена электрических частей обычных выключателей (A, B) на• электрическую часть sys универсального диммера• клавишу Taste wave UP 210Замена обычных жалюзийных выключателей (G, H) на• электрическую часть sys устройства управления жалюзи• клавишу Taste wave жалюзи UP 211В результате этого• световой поток светильников C и D может регулироваться из точек A и/или B• жалюзи E и F могут управляться из точек G и/или HДля создания дополнительных возможностей управления светильниками и жалюзи можно инсталлировать• настенный передатчик с автономным питанием Batterie wave UP 110 (I) с насаженным на него• двойном кнопочным выключателем instabus KNX/EIB.

 

Преимущества• гибкость• высокая комфортность• возможность создания групп• небольшое количество устройств• простое и чистое дооснащение без долбежных работ

Семейство устройств wave, созданное на базе передовых технологий, можно прекрасно использовать при переоборудовании и расширении управляющих функций в помещениях существующих зданий. Эти устройства позволяют максимально удобно реализовать беспроводное дистанционное управление функциями коммутации, регулирования уровня освещенности, управления жалюзи и сценариями.Система работает в помехозащищённом диапазоне частот 868 МГц, который во многих странах зарезервирован для охранных систем и системных приложений. В одном сооружении (например, в отдельной квартире) друг с другом могут взаимодействовать до 64 устройств. При этом каждым радиоканалом исполнительного устройства могут управлять до10 датчиков в различных группах.К семейству устройств принадлежат: клавиша Taste wave UP 210 для управления освещением, клавиша Taste waveжалюзи UP 211 для управления жалюзи, а также настенный передатчик с автономным питанием Batterie wave UP 110.

Клавиша Taste wave UP 210 и Клавиша Taste wave жалюзи UP 211 применяются в комбинации с электрическими частями sys универсальных диммеров и устройств управления жалюзи. Таким образом, возможно местное и дистанционное управление их электрическими частями, а также дистанционное управление связанными по радиоканалу дополнительными электрическими частями sys универсальных диммеров и устройств управления жалюзи. На настенный передатчик с автономным питанием Batterie wave UP 110 в качестве панели управления надевается одно- или двойной кнопочный выключатель instabus KNX/EIB. Клавишами кнопочных выключателей электрические части sys универсальных диммеров и устройств управления жалюзи, накоторые надеты клавиши Taste wave UP 210, могут дистанционно управляться в соответствии с предусмотренным применением.Электрические части оснащены крепежными распорками, максимальная глубина монтажа составляет 32 мм. Это значительно облегчает монтаж в стандартную монтажную коробку для скрытой установки..

Семейство устройств GAMMA wave для скрытой установки

Панели управления

клавиша Taste sys

клавиша Tastewave UP 210.

клавиша Taste sysжалюзи

клавиша Tastewave жалюзиUP 211

instabus кнопочные выключатели одинарные, двойные

Электрические части

 

 

 

 

 

электрическая часть sys универсального светорегулятора

x

x

-

-

-

электрическая часть sys устройствауправления жалюзи

-

-

x

x

-

настенный передатчик с автономнымпитанием Batterie wave UP 110

-

-

-

-

x

электрическая часть sys выключателя

-

x

-

-

-

настенный передатчик 230 В wave UP 110

-

-

-

-

x

настенный передатчик, исполнительныйэлемент 230 В wave UP 560

-

-

-

-

x