0

Разделы

Встроенные функции безопасности

Встроенные функции безопасности SINAMICS G120 и SINAMICS G120 обеспечивают очень эффективную защиту персонала и оборудования. Текущие версии SINAMICS G120 и SINAMICS G120 предлагают следующие функции безопасности (названия определены в IEC 61800 5 2):

  • Безопасное снятие вращающего момента (STO)
  • Безопасный стоп 1 (SS1)
  • Безопасная ограниченная скорость (SLS)
  • Безопасное управление тормозом (SBC) (только SINAMICS G120)

Функции безопасности полностью интегрированы в систему приводов. Они могут быть активизированы следующим образом:

  • Через безопасные цифровые входы на Блоке управления (только SINAMICS G120) without the need for an additional safety switching device
  • Через PROFIBUS with PROFIsafe
  • Через PROFINET with PROFIsafe

Интегрированные функции безопасности реализованы в электронной форме, поэтому обеспечивают короткое время срабатывания по сравнению с внешними функциями мониторинга.

Функции STO и SBC fмогут использоваться без ограничений для любых применений.

Функции SS1 и SLS могут использоваться, если нагрузка никогда не ускоряется при отключении преобразователя частоты. Тем не менее функции не применимы к тяговым приводам, таким как подьёмники или намотчики. 

Правовые рамки

Изготовители станка и проектанты должны гарантировать, что их оборудование не будет служить источником опасности, а также риска поражения электрическим током, высокой температурой и излучением.

В Европе, например, законодательно требуется соответствие директиве промышленной безопасности ЕС. Согласно этой директивой, рекомендуются применеие соответствующих согласованных европейских стандартов. Это обеспечивает "предположение о соответствии" изготовителей станков и операторов и юридическая безопасность с точки зрения соответствия национальными правилам и директивам ЕС. Изготовитель станка использует специальную маркировку, чтобы показать соответствие всем директивам.

Связанные с безопасностью стандарты

Функциональная безопасность определена в различных стандартах. Международная организация по стандартизации EN 12100 и EN 1050, например, занимается оценкой степени риска для станков и производственных машин. EN 62061 (относится только к электрическим и электронным системам управления) и EN 13849.1, который замещает ранее соответствующий стандарт EN 954.1 с конца 2009, определяют связанные с безопасностью функциональные требования и систем управления с повышенными требованиями к безопасности.

Вышеупомянутые стандарты определяют различные требования, которым машина должна удовлетворить в соответствии со степенью опасности, частотой опасных ситуаций, вероятности отказов и возможности устранения опасности.

  • EN 954‑1: категории B, 1 … 4
  • EN ISO 13849‑1: Performance Level PL a … e
  • EN 62061: Safety Integrity Level SIL 1 … 3
Тенденция к внутренним системам безопасности

Тенденция к усложнению машин и переходу к модульным конструкциям заставила изменить подход и к функциям безопасноси - от классических централизованных функций безопасности (например, деактивация машины с помощью магистрального выключателя) к системам децентрализованного управления станком и приводами. Это часто сопровождается существенным увеличением производительности, потому что сокращается время переналадки. В зависимости от типа машины возможно даже продолжать работать на одной части установки, в то время как другая часть отключается.

Внутренние функции безопасности действуют намного быстрее чем аналогичные в централизованной системе управления. Безопасность машины увеличивается еще более с Интегрированной Безопасностью. Кроме того внутренние системы обеспечения безопасности меньше подвержены воздействию оператора машины, таким образом значительно снижается риск сознательного обхода функций безопасности.

 


Функции

Встроенные функции безопасности
SINAMICS G120 и SINAMICS G120D имеют ряд встроенных в привод функций безопасности

SINAMICS G120 и SINAMICS G120D отличаются встроенными функциями безопасности.

Функции отвечают следующим требованиям

  • Категория 3 в соответствии с EN 954‑1
  • Уровень общей безопасности (SIL) 2 в соответствии со стандартом EN 6150

Встроенные функции безопасности G120 и SINAMICS G120D сертифицированы независимыми учреждениями. Соответствующие сертификаты, выданные по результатам внешних проверок, и описание продукта изготовителя можно получить у представителей компании Siemens, а также на веб-сайте

http://support.automation.siemens.com/WW/view/en/23158850

и адрес для SINAMICS G120D:

http://support.automation.siemens.com/WW/view/en/25021636/134200

Перечень встроенных функций безопасности, имеющихся в SINAMICS G120 и SINAMICS G120D на данных момент, представлен ниже (в соответствии со стандартом IEC 61800 5 2):

Безопасное отключение крутящего момента (STO)

Описание функции

Данная функция позволяет предотвратить случайный запуск привода в соответствии с требованиями EN 60204-1, Часть 5.4. Функция «Безопасное отключение крутящего момента» позволяет остановить импульс управления привода и прервать подачу питания на двигатель (в соответствии со стандартом EN 60204-1 категории останова 0). Крутящий момент двигателя отключается. Состояние контролируется встроенными системами привода.

Область применения и преимущества использования

Благодаря функции STO незамедлительно прекращается подача питания на двигатель, в результате чего привод останавливается. Функция «Безопасное отключение крутящего момента» может использоваться в случаях, когда привод следует остановить достаточно быстро или вращение привода по инерции может оказаться небезопасным.

Безопасный останов 1 (SS1)

Описание функции

Функция «Безопасный останов 1» используется для остановки оборудования в соответствии с требованиями стандарта EN 60204-1, категория останова 1. При выборе функции «Безопасный останов 1» привод и рампа OFF3 останавливаются, и автоматически активируются функции «Безопасное отключение крутящего момента» и «Безопасное управление тормозной системой» (если активированы) после истечения времени безопасной задержки, установленного на соответствующем таймере.

Область применения и преимущества использования

Если после активации функции останова привода он не прекращает работу в скором времени в связи с моментом интеграции нагрузки, работа может быть резко остановлена преобразователем. Встроенная функция быстрого останова позволяет избежать возникновения механических поломок в связи с износом оборудования, которые могут привести к большим финансовым расходам.

Безопасное ограничение скорости (SLS)

Описание функции

Функция «Безопасное ограничение скорости» используется для мониторинга скорости привода с учетом максимальной программируемой скорости. Можно задать четыре предельных значения. Если активирована функция SOS, установка скорости не изменяется автоматически. После активации функции SLS система управления высшего порядка должна снизить скорость привода до допустимых значений.

Область применения и преимущества использования

При настройке большого количества станков операторы работают станках в действии. Это типичная ситуация во время запуска. Также оператор, работая на действующем станке, подвержен большому риску. Благодаря функции SLS экономится большое количество времени и гарантируется безопасность персонала. Скорость привода может быть снижена в целях безопасности.Время регулируемой задержки до активации функции SLS позволяет приводу постепенно снизить скорость осей. Такая процедура применяется для предотвращения повреждения продукта.

Безопасное управление тормозной системой (SBC)

Описание функции

Функция «Безопасное управление тормозной системой (SBC)» применяется для активации тормозов, которые работают на нулевой точке тока, например, тормоза удержания двигателя. Система управления тормозами защищена от сбоев и оснащена двумя каналами.Функция «Безопасное управление тормозной системой» активируется при выборе функции «Безопасное отключение крутящего момента» и при отключении мониторов безопасности с безопасным импульсом.

  • Примечание 1: функция «Безопасное управление тормозной системой» не определяет неисправности самой тормозной системы (например, износ тормозов).
  • Примечание 2: в модулях двигателя небольшого размера терминалы тормозной системы двигателя являются встроенными. В модулях блочного формата требуется дополнительное безопасное реле тормоза (см. Раздел SINAMICS S120).
  • The Safe Brake Relay is only capable of controlling 24 V motor brakes.

Область применения и преимущества использования

Функция SBC может быть активирована вместе с функциями STO и SSI. Функция SBC позволяет активировать тормоза удержания двигателя после прекращения подачи питания на двигатель, что предотвращает внезапное падение осей, работа которых была приостановлена.

PROFIsafe

PROFIsafe представляет собой стандарт открытого взаимодействия, поддерживающий стандартную безопасную связь, обеспечиваемую через тот же самый кабель передачи данных (проводная или беспроводная связь). Таким образом, отпадает необходимость в системе отдельных шин. Для обеспечения безопасности связи осуществляется постоянный мониторинг кадров переданных сообщений. Возможные ошибки, такие как потеря повторяющихся сообщений или нарушение последовательности сообщений, не возникают в сообщениях, связанных с обеспечением безопасности, поскольку они последовательно нумеруются, осуществляется контроль их получения, а также передается информация об отправителе и получателе данного сообщения. Также используется механизм защиты данных CRC (циклический контроль избыточности).

PROFIsafe на оборудовании SINAMICS G120 и SINAMICS G120D в настоящее время доступен только на PROFIBUS. Вскоре PROFIsafe будет доступен и на PROFINET.

Лицензирование

Интегрированные основные функции безопасности не требуют лицензирования.

Что касается дополнительных интегрированных функций безопасности, на все оси, которые использую эти функции, требуется лицензия. В данном случае не представляет большой важности то, какие функции безопасности и сколько из них используются.

Обзор интегрированных функций безопасности SINAMICS G120 и SINAMICS G120D и пограничных состояний представлен в следующей таблице:

Функции

Активация

Базовая функция

Реакция на превышение предельного значения

Внешняя установка эфф. ввода

Необходимая лицензия

STO

  • PROFIsafe через PROFIBUS или PROFINET
  • Fail-safe digital inputs (with SINAMICS G120 only)

SBC (если активирована)

Нет

Нет

SS1

  • PROFIsafe через PROFIBUS или PROFINET
  • Fail-safe цифровые входы (только с SINAMICS G120 )

STO по истечении параметризованной задержки, далее SBC (если активирована)

Активация STO

Активация SBC (если запараметрированно)

Нет

Нет

SLS

  • PROFIsafe через PROFIBUS или PROFINET
  • Fail-safe цифровые входы (только с SINAMICS G120 )

Активация STO или SS1

Активация SBC (если запараметрированно)

Да (зависит от режима)

Нет

SBC (with SINAMICS G120 only)

  • With STO
  • With SS1 when 2Hz is reached

Нет

Принцип эксплуатации опции интегрированной безопасности

Независимые тракты сигналов отключения

Доступны два независимых тракта сигналов отключения. Тракты сигналов отключения возбуждаются низким уровнем сигнала, что обеспечивает возможность переключения системы в безопасный режим в случае возникновения неисправности того или иного компонента или обрыва кабеля. В случае обнаружения ошибки в трактах сигналов отключения, активируются функции «Безопасное отключение крутящего момента» или «Безопасный останов 1» (в зависимости от настроек, см. предыдущую таблицу) и осуществляется повторный пуск системы.

Двухканальная система мониторинга

Все основные функции аппаратного и программного обеспечения опции интегрированной безопасности внедрены в независимые каналы для мониторинга (например, тракты сигналов отключения, управление данными, сравнение данных). Осуществляется цикличное перекрестное сравнение данных, имеющих отношение к безопасности, в двух каналах для мониторинга.

Функции мониторинга в каждом канале для мониторинга работают по принципу, при котором заданный статус должен иметь преимущество, прежде чем выполнится каждое действие, после чего будет выдано особое подтверждение. Если ожидания по поводу каналов для мониторинга не подтвердятся, привод останавливается (два канала), после чего выдается соответствующее сообщение.

Процедура вынужденной проверки с тестовой остановкой

С целью соответствия стандартам EN 954-1/ISO13859-1 и IEC 61508, как минимум один раз в течение заданного периода необходимо тестировать тракт сигналов останова на предмет правильного функционирования. Данная процедура осуществляется путем тестовой остановки вручную или автоматически. Процесс находится под наблюдением, по завершении выдается предупреждение.

Можно допустить, что работающий станок не представляет риск для персонала, если установлено соответствующее оборудование для обеспечения безопасности (например, защитные дверцы). Поэтому выдается только аварийное сообщение, информирующее пользователя о необходимости проведения проверки на предмет наличия скрытых ошибок, тем самым запрашивая разрешение на проведение проверки, когда это будет возможно.

Примеры случаев, когда необходима проверка на предмет наличия скрытых ошибок:

  • Если после включения системы приводы не запускаются
  • Перед открытием защитной дверцы
  • Через заданные временные отрезки (например, каждые 8 часов)
  • В автоматическом режиме, в зависимости от времени и события
STO function structure on the SINAMICS G120 and SINAMICS G120D drive systems
Структурная схема функций SS1 и SLS для приводных систем SINAMICS G120 и SINAMICS G120D
Сравнение между общепринятой и интегрированной системами безопасности

Осуществление функций безопасности на приводе требует сложных и дорогостоящих решений.

Функции безопасности, интегрированные в SINAMICS G120 и SINAMICS G120D значительно проще и дешевле, по сравнению с обычными решениями.

 

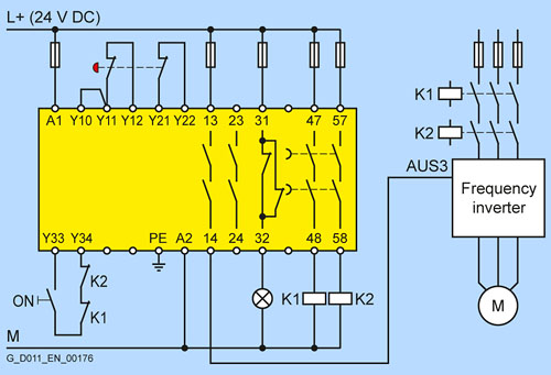
Safe Torque Off (STO)

Обычная схема

Интегрированные функции безопасности через устойчивые к отказам входы

Интегрированные функции безопасности через PROFIsafe

Безопасный останов 1 (SS1)

Обычная схема

Интегрированные функции безопасности через устойчивые к отказам входы

Интегрированные функции безопасности через PROFIsafe

Безопасное ограничение скорости (SLS)

Обычная схема

Интегрированные функции безопасности через устойчивые к отказам входы

Интегрированные функции безопасности через PROFIsafe