0

Разделы

Фланцевые регулирующие клапаны


grey line

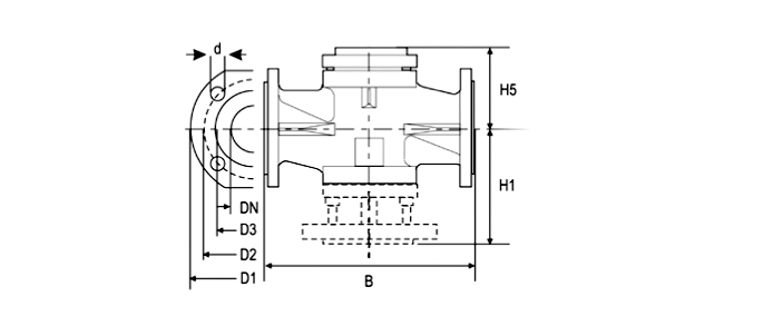
VG8000N

DN15...150, PN16


Серия клапанов c электрическим и пневматическим приводом, предназначенных для регулирования расхода воды и пара по управляющим сигналам контроллера в системах вентиляции, кондиционирования воздуха и отопления.

Клапаны VG8000N работают с различными электрическими и пневматическими приводами.





VG8000N


• Корпус из зернистого чугуна
• Коэффициент расхода Kvs = 0,1-350
• 2-ходовые клапаны PDTС (нормально открытые),
• 3-ходовые смесительные и 3-ходовые перепускные клапаны
• Температура жидкости: от 0 до 180 °С.
  - с глицериновым сальником: от -10 до 180 °С
• Фланцы DIN


plan