0

Разделы

Фланцевые регулирующие клапаны


grey line

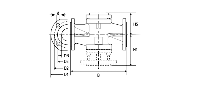
VG8000H

DN15...150, PN25


Серия клапанов, предназначенных для регулирования расхода воды и пара по управляющим сигналам контроллера в системах вентиляции, кондиционирования воздуха и отопления.

Клапаны VG8000Н работают с различными электрическими и пневматическими приводами.






VG8000H


• Корпус из зернистого чугуна
• Коэффициент расхода Kvs = 0,4-350
• 2-ходовые клапаны PDTС (нормально открытые),
• 3-ходовые смесительные и 3-ходовые перепускные клапаны
• Температура теплоносителя: от 2 до 200 °С.
  - с глицериновым сальником: от -20 до 200 °С
  - с охлаждающими рёбрами: до 280 °С
• Фланцы DIN

plan