Весоизмерительная ячейка на базе изгибной кольцевой пружины, для эксплуатации в резервуарных, ленточных, платформенных и рольганговых весах.
В качестве измерительного элемента выступает изгибная кольцевая пружина из нержавеющей стали. На верхней и нижней торцевой поверхности кольца расположены по две расширительных измерительных спирали (DMSp). За счет центрически воздействующей нагрузки в направлении измерения пружина наклоняется, т.е. диаметр верхней торцевой поверхности уменьшается, а диаметр внутренней - увеличивается. При этом пружина и динамически связанные с ней DMSp эластично деформируются. При этом вырабатывается измерительное напряжение, пропорциональное нагрузке.
Весоизмерительные ячейки с номинальной нагрузкой до 13 т оснащены внутренней защитой от перегрузки.
Весоизмерительные ячейки SIWAREX R, серия RN
| возм. области применения | резервуарные весы, ленточные, платформенные, рольганговые весы | ||||
|---|---|---|---|---|---|
| Конструктивное исполнение | изгибная кольцевая пружина | ||||
| Ном. нагрузка/макс. нагрузкаEmax. | 60/130/280 кг | 0,5/1/2/3,5/5/10 т | 13/28/60 т | ||
| класс точности по OIML R60 | C3 | C3 | C3 | ||
| Макс. цена деления nLC | 3000 | 3000 | 3000 | ||
| Мин. цена деления Vmin | E макс./17500 | E макс./10000 | E макс./17500 | ||
| Мин. диапазон применения Rmin(LC) | 17 % | 30 % | 17 % | ||
| Комбинированная погрешность Fcomb | ≤ ± 0,018 % Cn | ≤ ± 0,023 % Cn | ≤ ± 0,018 % Cn | ||
| Переменность Fv | ≤ ± 0,01 % Cn | ≤ ± 0,01 % Cn | ≤ ± 0,01 % Cn | ||
| Возврат нулевого сигнала | ≤ ±0,0167 % Cn1) | ≤ ±0,0167 % Cn1) | ≤ ±0,0167 % Cn1) | ||
| Погрешность ползучести Fcr | |||||
| ≤ ±0,0120 % Cn1) | ≤ ±0,0245 % Cn1) | ≤ ±0,0120 % Cn1) | ||
| ≤ ±0,0053 % Cn1) | ≤ ±0,0053 % Cn1) | ≤ ±0,0053 % Cn1) | ||
| Температурный коэффициент | |||||
| ≤ ± 0,004 % Cn/5K | ≤ ± 0,007 % Cn/5K | ≤ ± 0,004 % Cn/5K | ||
| ≤ ± 0,004 % Cn/5K | ≤ ± 0,005 % Cn/5K | ≤ ± 0,004 % Cn/5K | ||
| Минимальная предварительная нагрузка Emin | ≥ 0 % Emax. | ≥ 0 % Emax. | ≥ 0 % Emax. | ||
| Макс. рабочая нагрузка Lu | 200 % Emax. | 150 % Emax. | 150 % Emax. | ||
| Разрушающая нагрузка Ld | 500 % Emax. | 300 % Emax. | 300 % Emax. | ||
| Макс. поперечная нагрузка LIq | 75 % Emax. | 100 % Emax. | 75 % Emax. | ||
| Номинальный измерительный путь hn приEmax. | 0,07 мм | 0,1 ± 0,02 мм | 0,11 - 0,2 мм | ||
| Защита от перегрузки | интегрированная | интегрированная | интегрированная при13 т | ||
| Напряжение питания Usr (эталонное значение) | 15 В | 10 В | 15 В | ||
| Напряжение питания (диапазон) | 5 ... 30 В | 5 ... 30 В | 5 ... 30 В | ||
| Номинальный показательCn | 1 мВ/В | 2 мВ/В | 2 мВ/В | ||
| Допуск показателя Dc | ± 0,01 мВ/В | ± 0,1 мВ/В | ± 0,1 мВ/В | ||
| Допуск нулевого сигналаDo | ≤ ± 1,0 % Cn | ≤ ± 1,0 % Cn | ≤ ± 1,0 % Cn | ||
| Входное сопротивлениеRe | 1260 ± 100 Ω | 1110 ± 50 Ω | 13 т:1200 ± 100 Ω 28 т:1075 ± 100 Ω 60 т:1350 ± 100 Ω | ||
| Выходное сопротивлениеRa | 1020 ± 0,5 Ω | 1025 ± 25 Ω | 13 т:1000 ± 0,5 Ω 28 т:930 ± 0,5 Ω 60 т:1175 ± 0,5 Ω | ||
| Сопротивление изоляцииRis | ≥ 20 MΩ | ≥ 5000 MΩ | ≥ 20 MΩ | ||
| Номинальный диапазон температур Btn | -10 ... + 40 °C | -10 ... + 40 °C | -10 ... + 40 °C | ||
| Диапазон рабочих температур Btu | -30 ... + 85 °C | -30 ... + 70 °C | -30 ... + 85 °C | ||
| Диапазон температур хранения Bts | -50 ... + 95 °C | -50 ... + 80 °C | -50 ... + 95 °C | ||
| Материалы чувствительного элемента (DIN) | Нержавеющая сталь, заводской номер 14542 | Нержавеющая сталь, заводской номер 14542 | Нержавеющая сталь, заводской номер 14542 | ||
| Степень защиты по DIN EN 60 529; IEC 60 529 | IP66/IP68 | IP66/IP68 | IP66/IP68 | ||
| Рекомендуемый момент затяжки крепежных винтов | 8 Нм | 14 Нм (0,5 ... 5 т) | – | ||
| SC-калибровка током 2) | Стандарт | Стандарт | Стандарт | ||
| Взрывозащитное исполнение согласно ATEX (опция) | II 2 G EEx ib IIC T6/T4II 3 G EEx nA / nL IIC T6/T4II 1D / 2D / 3D T 70 °C | II 2 G EEx ib IIC T6/T4II 3 G EEx nA / nL IIC T6/T4II 1D / 2D / 3D T 70 °C | II 2 G EEx ib IIC T6/T4II 3 G EEx nA / nL IIC T6/T4II 1D / 2D / 3D T 70 °C | ||
| Кабельная разводка | |||||
| Принцип действия | Цвет | Цвет | Цвет | ||
| розовый | розовый | розовый | ||
| серый | серый | серый | ||
| коричневый | коричневый | коричневый | ||
| белый | белый | белый | ||
| прозрачный (подставка для экрана на корпусе на стадии разработки) | Экран соединен с корпусом ячейки.Экран не выведен из соединительного кабеля. | прозрачный (подставка для экрана на корпусе на стадии разработки) | ||
1) Для номинальной температуры от -10 до +40 °C.
2) “Калибрование потока”; номинальная характеристика и выходное сопротивление согласованы таким образом, что выходной ток компенсируется в пределах 0,05 % эталонного значения. Это упрощает параллельно подключение нескольких весоизмерительных ячеек.
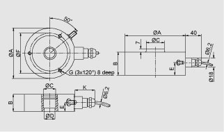
| Номинальная нагрузка | ØA | B | ØC | ØD | E | ØF | G | макс. момент | K |
|---|---|---|---|---|---|---|---|---|---|
| 60 кг, 130 кг, 280 кг | 63 | 22 | 15,1 | 3,2 | 15 | 55,5 | M5 | 8 Нм | 34 |
| 0,5 т, 1 т | 80 | 25 | 19 | M10 | - | 70 | M6 | 14 Нм | 17,5 |
| 2 т, 3,5 т, 5 т | 80 | 30 | 19 | 15H7 | - | 70 | M6 | 14 Нм | 17,5 |
| 10 т | 95 | 35 | 29,1 | 24,9 | - | - | - | - | 17,5 |
| 13 т | 95 | 35 | 29,1 | 24,9 | 20 | - | - | - | 40 |
| 28 т | 120 | 46 | 35,9 | - | 25 | - | - | - | - |
| 60 т | 140 | 62 | 47,9 | 34 | - | - | - | - |
Весоизмерительная ячейка SIWAREX R серии RN, размеры
Цена на сайте указана розничная в ЕВРО без учета НДС.Для уточнения цены и размера предоставляемой скидки - звоните или присылайте заявки
| Заказной номер | PG | Описание продукта | Цена |
| 7MH5101-2QD00 | 817 | SIWAREX R НАГРУЗОЧНЫЕ ЯЧЕЙКИ СЕРИИ RN - РАСЧЕТНАЯ НАГРУЗКА 60 KG . - 3 M КАБЕЛЬ - MAX. 3000 МАСШТАБНЫХ ИНТЕРВАЛОВ ДЛЯ ИСПОЛЬЗОВАНИЯ С КЛАССОМ 3 КОММЕРЧЕСКОЙ ШКАЛЫ | 857.54 |
| 7MH5101-2QD01 | 817 | SIWAREX R НАГРУЗОЧНЫЕ ЯЧЕЙКИ СЕРИИ RN - РАСЧЕТНАЯ НАГРУЗКА 60 KG - 3 M КАБЕЛЬ - MAX. 3000 МАСШТАБНЫХ ИНТЕРВАЛОВ - С ВЗРЫВОЗАЩИТОЙ EEX IB IIC T6 ДЛЯ ИСПОЛЬЗОВАНИЯ С КЛАССОМ 3 КОММЕРЧЕСКОЙ ШКАЛЫ | 960.36 |
| 7MH5101-3DD00 | 817 | SIWAREX R НАГРУЗОЧНЫЕ ЯЧЕЙКИ СЕРИИ RN - РАСЧЕТНАЯ НАГРУЗКА 130 KG - 3 M КАБЕЛЬ - MAX. 3000 МАСШТАБНЫХ ИНТЕРВАЛОВ ДЛЯ ИСПОЛЬЗОВАНИЯ С КЛАССОМ 3 КОММЕРЧЕСКОЙ ШКАЛЫ | 809.84 |
| 7MH5101-3DD01 | 817 | SIWAREX R НАГРУЗОЧНЫЕ ЯЧЕЙКИ СЕРИИ RN - РАСЧЕТНАЯ НАГРУЗКА 130 KG - 3 M КАБЕЛЬ - MAX. 3000 МАСШТАБНЫХ ИНТЕРВАЛОВ - С ВЗРЫВОЗАЩИТОЙ EEX IB IIC T6 ДЛЯ ИСПОЛЬЗОВАНИЯ С КЛАССОМ 3 КОММЕРЧЕСКОЙ ШКАЛЫ | 907.36 |
| 7MH5101-3JD00 | 817 | SIWAREX R НАГРУЗОЧНЫЕ ЯЧЕЙКИ СЕРИИ RN - РАСЧЕТНАЯ НАГРУЗКА 280 KG - 3 M КАБЕЛЬ - MAX. 3000 МАСШТАБНЫХ ИНТЕРВАЛОВ ДЛЯ ИСПОЛЬЗОВАНИЯ С КЛАССОМ 3 КОММЕРЧЕСКОЙ ШКАЛЫ | 809.84 |
| 7MH5101-3JD01 | 817 | SIWAREX R НАГРУЗОЧНЫЕ ЯЧЕЙКИ СЕРИИ RN - РАСЧЕТНАЯ НАГРУЗКА 280 KG - 3 M КАБЕЛЬ - MAX. 3000 МАСШТАБНЫХ ИНТЕРВАЛОВ - С ВЗРЫВОЗАЩИТОЙ EEX IB IIC T6 ДЛЯ ИСПОЛЬЗОВАНИЯ С КЛАССОМ 3 КОММЕРЧЕСКОЙ ШКАЛЫ | 907.36 |
| 7MH5101-3PD00 | 817 | SIWAREX R НАГРУЗОЧНЫЕ ЯЧЕЙКИ СЕРИИ RN - РАСЧЕТНАЯ НАГРУЗКА 500 KG - 3 M КАБЕЛЬ - MAX. 3000 МАСШТАБНЫХ ИНТЕРВАЛОВ ДЛЯ ИСПОЛЬЗОВАНИЯ С КЛАССОМ 3 КОММЕРЧЕСКОЙ ШКАЛЫ | 891.46 |
| 7MH5101-3PD01 | 817 | SIWAREX R НАГРУЗОЧНЫЕ ЯЧЕЙКИ СЕРИИ RN - РАСЧЕТНАЯ НАГРУЗКА 500 KG - 3 M КАБЕЛЬ - MAX. 3000 МАСШТАБНЫХ ИНТЕРВАЛОВ - С ВЗРЫВОЗАЩИТОЙ EEX IB IIC T6 ДЛЯ ИСПОЛЬЗОВАНИЯ С КЛАССОМ 3 КОММЕРЧЕСКОЙ ШКАЛЫ | 907.36 |
| 7MH5101-4AD00 | 817 | SIWAREX R НАГРУЗОЧНЫЕ ЯЧЕЙКИ СЕРИИ RN - РАСЧЕТНАЯ НАГРУЗКА 1 T - 3 M КАБЕЛЬ - MAX. 3000 МАСШТАБНЫХ ИНТЕРВАЛОВ ДЛЯ ИСПОЛЬЗОВАНИЯ С КЛАССОМ 3 КОММЕРЧЕСКОЙ ШКАЛЫ | 809.84 |
| 7MH5101-4AD01 | 817 | SIWAREX R НАГРУЗОЧНЫЕ ЯЧЕЙКИ СЕРИИ RN - РАСЧЕТНАЯ НАГРУЗКА 1 T - 3 M КАБЕЛЬ - MAX. 3000 МАСШТАБНЫХ ИНТЕРВАЛОВ - С ВЗРЫВОЗАЩИТОЙ EEX IB IIC T6 ДЛЯ ИСПОЛЬЗОВАНИЯ С КЛАССОМ 3 КОММЕРЧЕСКОЙ ШКАЛЫ | 907.36 |
| 7MH5101-4GD00 | 817 | SIWAREX R НАГРУЗОЧНЫЕ ЯЧЕЙКИ СЕРИИ RN - РАСЧЕТНАЯ НАГРУЗКА 2 T - 5 M КАБЕЛЬ - MAX. 3000 МАСШТАБНЫХ ИНТЕРВАЛОВ ДЛЯ ИСПОЛЬЗОВАНИЯ С КЛАССОМ 3 КОММЕРЧЕСКОЙ ШКАЛЫ | 809.84 |
| 7MH5101-4GD01 | 817 | SIWAREX R НАГРУЗОЧНЫЕ ЯЧЕЙКИ СЕРИИ RN - РАСЧЕТНАЯ НАГРУЗКА 2 T - 5 M КАБЕЛЬ - MAX. 3000 МАСШТАБНЫХ ИНТЕРВАЛОВ - С ВЗРЫВОЗАЩИТОЙ EEX IB IIC T6 ДЛЯ ИСПОЛЬЗОВАНИЯ С КЛАССОМ 3 КОММЕРЧЕСКОЙ ШКАЛЫ | 907.36 |
| 7MH5101-4LD00 | 817 | SIWAREX R НАГРУЗОЧНЫЕ ЯЧЕЙКИ СЕРИИ RN - РАСЧЕТНАЯ НАГРУЗКА 3.5 T - 5 M КАБЕЛЬ - MAX. 3000 МАСШТАБНЫХ ИНТЕРВАЛОВ ДЛЯ ИСПОЛЬЗОВАНИЯ С КЛАССОМ 3 КОММЕРЧЕСКОЙ ШКАЛЫ | 906.30 |
| 7MH5101-4LD01 | 817 | SIWAREX R НАГРУЗОЧНЫЕ ЯЧЕЙКИ СЕРИИ RN - РАСЧЕТНАЯ НАГРУЗКА 3.5 T - 5 M КАБЕЛЬ - MAX. 3000 МАСШТАБНЫХ ИНТЕРВАЛОВ - С ВЗРЫВОЗАЩИТОЙ EEX IB IIC T6 ДЛЯ ИСПОЛЬЗОВАНИЯ С КЛАССОМ 3 КОММЕРЧЕСКОЙ ШКАЛЫ | 1002.76 |
| 7MH5101-4PD00 | 817 | SIWAREX R НАГРУЗОЧНЫЕ ЯЧЕЙКИ СЕРИИ RN - РАСЧЕТНАЯ НАГРУЗКА 5 T - 5 M КАБЕЛЬ - MAX. 3000 МАСШТАБНЫХ ИНТЕРВАЛОВ ДЛЯ ИСПОЛЬЗОВАНИЯ С КЛАССОМ 3 КОММЕРЧЕСКОЙ ШКАЛЫ | 1009.12 |
| 7MH5101-4PD01 | 817 | SIWAREX R НАГРУЗОЧНЫЕ ЯЧЕЙКИ СЕРИИ RN - РАСЧЕТНАЯ НАГРУЗКА 3.5 T - 5 M КАБЕЛЬ - MAX. 3000 МАСШТАБНЫХ ИНТЕРВАЛОВ - С ВЗРЫВОЗАЩИТОЙ EEX IB IIC T6 ДЛЯ ИСПОЛЬЗОВАНИЯ С КЛАССОМ 3 КОММЕРЧЕСКОЙ ШКАЛЫ | 1105.58 |
| 7MH5101-5AD00 | 817 | SIWAREX R НАГРУЗОЧНЫЕ ЯЧЕЙКИ СЕРИИ RN - РАСЧЕТНАЯ НАГРУЗКА 10 T - 5 M КАБЕЛЬ - MAX. 3000 МАСШТАБНЫХ ИНТЕРВАЛОВ ДЛЯ ИСПОЛЬЗОВАНИЯ С КЛАССОМ 3 КОММЕРЧЕСКОЙ ШКАЛЫ | 1037.74 |
| 7MH5101-5AD01 | 817 | SIWAREX R НАГРУЗОЧНЫЕ ЯЧЕЙКИ СЕРИИ RN - РАСЧЕТНАЯ НАГРУЗКА 10 T - 5 M КАБЕЛЬ - MAX. 3000 МАСШТАБНЫХ ИНТЕРВАЛОВ - С ВЗРЫВОЗАЩИТОЙ EEX IB IIC T6 ДЛЯ ИСПОЛЬЗОВАНИЯ С КЛАССОМ 3 КОММЕРЧЕСКОЙ ШКАЛЫ | 1134.20 |
| 7MH5101-5DD00 | 817 | SIWAREX R НАГРУЗОЧНЫЕ ЯЧЕЙКИ СЕРИИ RN - РАСЧЕТНАЯ НАГРУЗКА 13 T - 10 M КАБЕЛЬ - MAX. 3000 МАСШТАБНЫХ ИНТЕРВАЛОВ ДЛЯ ИСПОЛЬЗОВАНИЯ С КЛАССОМ 3 КОММЕРЧЕСКОЙ ШКАЛЫ | 1317.58 |
| 7MH5101-5DD01 | 817 | SIWAREX R НАГРУЗОЧНЫЕ ЯЧЕЙКИ СЕРИИ RN - РАСЧЕТНАЯ НАГРУЗКА 13 T - 10 M КАБЕЛЬ - MAX. 3000 МАСШТАБНЫХ ИНТЕРВАЛОВ - С ВЗРЫВОЗАЩИТОЙ EEX IB IIC T6 ДЛЯ ИСПОЛЬЗОВАНИЯ С КЛАССОМ 3 КОММЕРЧЕСКОЙ ШКАЛЫ | 1415.10 |
Цена на сайте указана розничная в ЕВРО без учета НДС.Для уточнения цены и размера предоставляемой скидки - звоните или присылайте заявки
| Заказной номер | PG | Описание продукта | Цена |
| 7MH3701-1AA1 | 815 | ЗАЗЕМЛЯЮЩИЙ КАБЕЛЬ, ДЛИНА 400 MM | 38.16 |
| 7MH4710-2AA | 815 | КОРОБКА ДЛЯ УДЛИНЕНИЯ КАБЕЛЯ 4- ИЛИ 6-ПРОВОДНОГО, ЗАЩИТА IP66, РАЗМЕРЫ 80X75X57 MM. ВНИМАНИЕ: ЕСЛИ КАБЕЛЬ ОТ ТЕНЗОДАТЧКИОВ БУДЕТ УДЛИНЕН С ПОМОЩЬЮ SIWAREX- СИГНАЛЬНОГО КАБЕЛЯ И ЕСЛИ НЕСКОЛЬКОN IN EINE M SIWAREX ANSCHLUSSKASTEN PARAL LEL GESCHALTET MUESSEN DIE KABE LVERSCHRAUBUNGEN M16X1.5 DURCH M20X1.5 ERSETZT WERDEN. ES WIRD PRO ANZUSCHLIESSENDE WAEGEZELLE BENOETIGT: 1XEMV-KABELVERSCHRAU BUNG M20X1.... | 77.38 |