
Весоизмерительная ячейка, действующая на усилие сжатия, для эксплуатации в резервуарных и бункерных весах. |
ДизайнИзмерительный элемент представляет собой сплошной цилиндр нержавеющей стали, на которой расположены 4 расширительных измерительных полоски (DMS). За счет центрического воздействия нагрузки в измерительном направлении пружинное тело и связанные с ним DMS эластично деформируются. При этом вырабатывается измерительное напряжение, пропорциональное нагрузке. Номинальный измерительный путь ячейки зависит от номинальной нагрузки и находится в диапазоне от 0,23 до 2,67 мм. |
Технические данные | Весоизмерительные ячейки SIWAREX R, серия К | | возм. области применения | Резервуарные, бункерные весы | | Конструктивное исполнение | Сила сжатия | | Ном. нагрузка/макс. нагрузкаEmax. | 2,8/6/13/28/60/130/280 т | | Класс точности | 0,1% | | Комбинированная погрешность Fcomb | < 0,1% Cn | | Температурный коэффициент | | | | ≤ ± 0,25% Cn/5 K | | | ≤ ± 0,25% Cn/5 K | | Минимальная предварительная нагрузка Emin | ≤ 0% Emax. | | Макс. рабочая нагрузка Lu | 120% Emax. | | Разрушающая нагрузка Ld | 300% Emax. | | Макс. поперечная нагрузка LIq | 10% Emax. | | Номинальный измерительный путь hn приEmax. | 0,23 ... 2,67 мм | | Защита от перегрузки | – | | Напряжение питания Usr (эталонное значение) | 6 В | | Напряжение питания (диапазон) | 6 ... 12 В | | Номинальный показательCn | 1,5 мВ/В | | Допуск показателя Dc | ± 0,5% | | Допуск нулевого сигналаDo | ≤ ± 1,5% Cn | | Входное сопротивлениеRe | около 275 Ω | | Выходное сопротивлениеRa | 245 Ω ± 0,2 Ω | | Сопротивление изоляцииRis | ≥ 20 MΩ | | Номинальный диапазон температур Btn | -10 ... + 60 °C | | Диапазон рабочих температур Btu | -20 ... + 70 °C | | Диапазон температур хранения Bts | -30 ... + 80 °C | | Материалы чувствительного элемента (DIN) | Сталь, окрашенная | | Степень защиты по DIN EN 60 529; IEC 60 529 | IP65 | | Кабельная разводка | | | Принцип действия | Цвет | | | | | | | | | | | | | | | | |
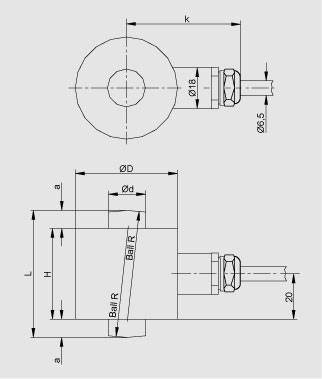
Чертеж | Номинальная нагрузка | а | Ød | ØD | H | k | L | R | | 2,8 т, 6 т | 8 | 16,7 | 45 | 40 | 54 | 56 | 50 | | 13 т | 12 | 24,5 | 55 | 44 | 59 | 68 | 66 | | 28 т | 14 | 36 | 64 | 46 | 63,5 | 74 | 72 | | 60 кг | 20 | 52,7 | 90 | 50 | 76,5 | 90 | 100 | | 130 т | 26 | 77,5 | 121 | 64 | 92 | 116 | 125 | | 280 т | 45 | 114 | 165 | 80 | 114 | 170 | 183 | Весоизмерительная ячейка SIWAREX R, серия К, размеры |
Заказные данные | Заказной № | Описание | Вес (кг) | Доставка | Мин. зак. (шт) | | 7MH3105-1BB0 | SIWAREX R НАГРУЗОЧНЫЕ ЯЧЕЙКИ СЕРИИ K - РАСЧЕТНАЯ НАГРУЗКА 13 T - 10 M КАБЕЛЬ - КЛАСС ТОЧНОСТИ 0.1 % ДЛЯ ИСПОЛЬЗОВАНИЯ С ПРОМЫШЛЕННЫМИ ШКАЛАМИ | 0.75 | по запросу (D) | 1 | | 7MH3105-1CB0 | SIWAREX R НАГРУЗОЧНЫЕ ЯЧЕЙКИ СЕРИИ K - РАСЧЕТНАЯ НАГРУЗКА 130 T - 10 M КАБЕЛЬ - КЛАСС ТОЧНОСТИ 0.1 % ДЛЯ ИСПОЛЬЗОВАНИЯ С ПРОМЫШЛЕННЫМИ ШКАЛАМИ | 5 | по запросу (D) | 1 | | 7MH3105-2AB0 | SIWAREX R НАГРУЗОЧНЫЕ ЯЧЕЙКИ СЕРИИ K - РАСЧЕТНАЯ НАГРУЗКА 2.8 T - 5 M КАБЕЛЬ - КЛАСС ТОЧНОСТИ 0.1 % ДЛЯ ИСПОЛЬЗОВАНИЯ С ПРОМЫШЛЕННЫМИ ШКАЛАМИ | 0.4 | по запросу (D) | 1 | | 7MH3105-2BB0 | SIWAREX R НАГРУЗОЧНЫЕ ЯЧЕЙКИ СЕРИИ K - РАСЧЕТНАЯ НАГРУЗКА 28 T - 10 M КАБЕЛЬ - КЛАСС ТОЧНОСТИ 0.1 % ДЛЯ ИСПОЛЬЗОВАНИЯ С ПРОМЫШЛЕННЫМИ ШКАЛАМИ | 1.15 | по запросу (D) | 1 | | 7MH3105-2CB0 | SIWAREX R НАГРУЗОЧНЫЕ ЯЧЕЙКИ СЕРИИ K - РАСЧЕТНАЯ НАГРУЗКА 280 T - 10 M КАБЕЛЬ - КЛАСС ТОЧНОСТИ 0.1 % ДЛЯ ИСПОЛЬЗОВАНИЯ С ПРОМЫШЛЕННЫМИ ШКАЛАМИ | 15 | по запросу (D) | 1 | | 7MH3105-3AB0 | SIWAREX R НАГРУЗОЧНЫЕ ЯЧЕЙКИ СЕРИИ K - РАСЧЕТНАЯ НАГРУЗКА 6 T - 5 M КАБЕЛЬ - КЛАСС ТОЧНОСТИ 0.1 % ДЛЯ ИСПОЛЬЗОВАНИЯ С ПРОМЫШЛЕННЫМИ ШКАЛАМИ | 0.4 | по запросу (D) | 1 | | 7MH3105-3BB0 | SIWAREX R НАГРУЗОЧНЫЕ ЯЧЕЙКИ СЕРИИ K - РАСЧЕТНАЯ НАГРУЗКА 60 T - 10 M КАБЕЛЬ - КЛАСС ТОЧНОСТИ 0.1 % ДЛЯ ИСПОЛЬЗОВАНИЯ С ПРОМЫШЛЕННЫМИ ШКАЛАМИ | 2 | по запросу (D) | 1 | |
Аксессуары | Заказной № | Описание | Вес (кг) | Доставка | Мин. зак. (шт) | | 7MH3701-1AA1 | ЗАЗЕМЛЯЮЩИЙ КАБЕЛЬ, ДЛИНА 400 MM | 0.26 | 6 - 8 недель (C) | 1 | | 7MH4710-2AA | КОРОБКА ДЛЯ УДЛИНЕНИЯ КАБЕЛЯ 4- ИЛИ 6-ПРОВОДНОГО, ЗАЩИТА IP66, РАЗМЕРЫ 80X75X57 MM. ВНИМАНИЕ: ЕСЛИ КАБЕЛЬ ОТ ТЕНЗОДАТЧКИОВ БУДЕТ УДЛИНЕН С ПОМОЩЬЮ SIWAREX- СИГНАЛЬНОГО КАБЕЛЯ И ЕСЛИ НЕСКОЛЬКОN IN EINE M SIWAREX ANSCHLUSSKASTEN PARAL LEL GESCHALTET MUESSENN IN EINE M SIWAREX ANSCHLUSSKASTEN PARAL LEL GESCHALTET MUESSEN DIE KABE LVERSCHRAUBUNGEN M16X1.5 DURCH M20X1.5 ERSETZT WERDEN. ES WIRD PRO ANZUSCHLIESSENDE WAEGEZELLE BENOETIGT: 1XEMV-KABELVERSCHRAU BUNG M20X1.... | 0.5 | 6 - 8 недель (C) | 1 | |
|