0

Разделы

Устройство плавного пуска >N< 5TT3 44, установочная глубина 55 мм - Электромеханические коммутационные аппараты

Устройство плавного пуска >N< 5TT3 44, установочная глубина 55 мм - Электромеханические коммутационные аппараты

  • 1-фазные 1.5 кВт
  • 3-фазные 5.5 кВт
  • Повышает срок службы асинхронных двигателей и механических узлов привода
  • Возможность последующей установки, втом числе и на существующее оборудование
  • Раздельная установка времени разгона и пускового крутящего момента
  • Со светодиодной индикацией разгона и установившегося вращения
  • Силовые полупроводники шунтируются после окончания разгона.

Особенности

Технические данные

Данные согласно IEC 60947.4-2, VDE 0660 Часть 109

   

5TT3 440

5TT3 441

Напряжение сети/двигателя

 

В AC

400

230

Рабочий диапазон × Uc

 

 

0.8 … 1.1

 

Номинальная мощность

 

ВA

3.5

1.4

Номинальная частота

 

Гц

50/60

 

Макс. номинальная мощность двигателя

при 400 В

ВA

5 500

1 500

Мин. номинальная мощность двигателя

при 400 В

ВA

300

100

Пусковое напряжение

 

%

30 … 70

20 … 70

Время запуска

 

s

0.1 … 10

 0.1 … 10

Время повторной готовности

 

мс

100

200

Частота включений

3 × IN, TAN = 10 с, vu = 20 %
3 × IN, TAN = 10 с, vu = 20 %

 

до 3 кВт:
36 циклов коммутации/ч от 3 кВт … 5.5 кВт:
20 циклов коммутации/ч

10 циклов коммутации/ч

Предохранитель силовых полупроводников

супербыстродействующий

A

35

20

Поперечное сечение проводов

жестких

гибких с оконцевателями

макс. мм2
мин. мм2

2 × 2.5
1 × 0.5

 

Допустимая температура окружающей среды

 

°C

-20 ... +60

-20 ... +55

Стойкость к климатическим воздействиям

согласно DIN EN 60068-1

 

20/60/4

20/55/4


 

Чертеж [PDF]

Загрузить PDF-файл.

Для просмотра информации в формате PDF необходимо установить Adobe Acrobat Reader.
Adobe Acrobat Reader

Чертеж

5TT3 440

5TT3 441

Схема подключения [PDF]

Загрузить PDF-файл.

Для просмотра информации в формате PDF необходимо установить Adobe Acrobat Reader.
Adobe Acrobat Reader

Схема подключения

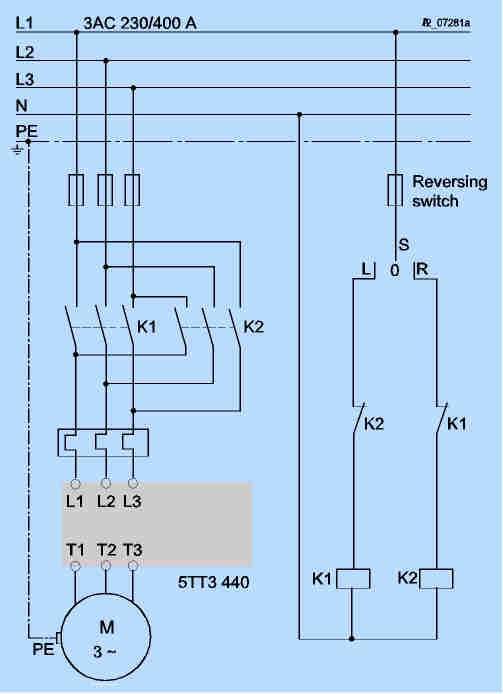
Пример принципиальной схемы 5TT3 440

Устройство плавного пуска представляет собой электронное управление для плавного пуска трехфазных асинхронных машин. Путем сдвига двух из трех фаз создаются условия для постоянного нарастания тока. При этом нарастает и крутящий момент двигателя и привод запускается без толчков.

Благодаря этому создается щадящий режим для элементов привода, который может быть выполнен более дешевым. Наряду с заметным уменьшением шума при запуске предотвращается опрокидывание или сползание транспортируемого груза. Пусковой ток сводится к минимуму.

Для снижения потерь в устройстве силовая электроника шунтируется после запуска контактами реле.

Указание:

Регулирование частоты вращения невозможно. При отсутствии механической нагрузки выраженного режима плавного пуска не возникает. При высокой частоте включения рекомендуется применение термисторной защиты для контроля допустимых температур двигателя.

Устройство плавного пуска не должно эксплуатироваться с емкостной нагрузкой.

Не допускается размещение источников тепла под устройством.

Однако устройства плавного пуска могут располагаться рядом друг с другом. 

Пример принципиальной схемы 5TT3 441

Устройство плавного пуска представляет собой электронное управление для плавного пуска однофазных асинхронных машин. Посредством фазового управления ток постоянно нарастает. При этом нарастает и крутящий момент двигателя привод запускается без толчков.

Благодаря этому создается щадящий режим для элементов привода, который может быть выполнен более дешевым. Наряду с заметным уменьшением шума при запуске предотвращается опрокидывание или сползание транспортируемого груза.

Для снижения потерь в устройстве силовая электроника шунтируется после запуска контактами реле.

Указание:

Регулирование частоты вращения невозможно. При отсутствии механической нагрузки выраженного режима плавного пуска не возникает. Если силовой полупроводник во время запуска должен быть защищен от короткого замыкания или короткого замыкания на землю, то необходимо использовать супербыстродействующие предохранители. В остальных случаях следует применять обычные меры по защите линий и двигателей. При высокой частоте включения рекомендуется применение термисторной защиты для контроля допустимых температур двигателя.

Устройство плавного пуска не должно эксплуатироваться с емкостной нагрузкой.

Чтобы обеспечить безопасность людей и оборудования, к работе с данным устройством должен допускаться только квалифицированный персонал.

Заказные данные

Заказной №ОписаниеВес (кг)ДоставкаМин. зак. (шт)
5TT3440УСТРОЙСТВО МЯГКОГО ПУСКА N-ТИП 300-5500W 3-ФАЗ.0.434 - 6 недель (B)1
5TT3441УСТРОЙСТВО МЯГКОГО ПУСКА N-ТИП 1600W 1-ФАЗ.0.1354 - 6 недель (B)1