0

Разделы

Скачать Область применения Скачать Дальнейшая информация 
Устройства плавного пуска SIRIUS 3RW40
SIRIUS 3RW40

 Устройства плавного пуска SIRIUS 3RW40 обладают такими же преимуществами, как и 3RW30/31. Однако данные модели оснащены функциями, уникальными в данном диапазоне мощности: полупроводниковая защита от перегрузки двигателя и встроенная защита устройства, регулируемые граничения тока и двухфазный метод управления (баланс полярности).

 Устройства плавного пуска SIRIUS 3RW40 являются частью модульной системы SIRIUS. В результате этого, они имеют идентичные размеры и схемы подключения. Благодаря свои особо компактным размерам, устройства плавного пуска SIRIUS 3RW40 в два раза меньше по сравнению с устройствами пуска «звезда-треугольник», поэтому они занимают минимальное пространство в шкафу управления. Конфигурация и монтаж производятся легко и просто благодаря 3-проводному подключению.

Применение SIRIUS для 3-фазного двигателя

Устройства плавного пуска мощностью до 250 кВт (при 400 В) подходят для стандартного применения в 3-фазных сетях. Очень маленький размер, низкие потери электроэнергии и простота в использовании – это только 3 из многих преимуществ применения устройств плавного пуска SIRIUS 3RW40.

 


Область применения

Скачать Область применения Скачать Дальнейшая информация 
Устройства плавного пуска SIRIUS 3RW40

Полупроводниковые устройства плавного пуска SIRIUS 3RW40 подходят для плавного пуска/остановки 3-фазных асинхронных двигателей. Благодаря 2-фазному управлению, ток поддерживается на минимальных величинах во всех 3 фазах в течение всего процесса пуска. Кроме того, исключаются являющиеся нежелательными составляющие постоянного тока. В итоге, можно не только осуществить 2-фазный пуск двигателя до 250 кВт (при 400 В), но и избежать бросков тока и вращающего момента, которые возникают при использовании устройств пуска «звезда-треугольник».

Области применения
  • Вентиляторы
  • Строительное оборудование
  • Прессы
  • Эскалаторы
  • Системы транспортировки
  • Системы кондиционирования воздуха
  • Насосы
  • Сборочные линии
  • Компрессоры и охладители
  • Рабочие механизмы

 


Дальнейшая информация

Скачать Область применения Скачать Дальнейшая информация 
Устройства плавного пуска SIRIUS 3RW40
Конфигурация

Полупроводниковые устройства плавного пуска 3RW предназначены для мягких условий пуска двигателя. В случае отклонения от заданных условий или при повышенном количестве пусков, возможно, следует выбрать более мощное устройство. Для точного подбора мощности воспользуйтесь программой выбора и симуляции Win-SOFTSTARTER (версии 2.0 или выше).

Если необходимо, то при длительном времени запуска возможно выбрать реле перегрузки для тяжелых условий запуска. Наряду с этим, рекомендуется установить термисторную защиту. Это же требование относится и к плавному торможению, так как во время такого торможения возникает дополнительная токовая нагрузка в отличие от свободного выбега двигателя.

Недопустимо использование емкостных элементов (таких как компенсаторы) в цепи двигатель – устройство плавного пуска SIRIUS 3RW. Кроме того, активные фильтры (например, для компенсации реактивной мощности) не должны работать параллельно цепи устройства плавного пуска.

Все элементы силовой цепи, такие как предохранители, коммутационные устройства и реле перегрузки, должны быть подобраны в соответствии с условиями прямого пуска, с учётом воздействия токов короткого замыкания на данном участке цепи. Предохранители, коммутационные устройства и реле перегрузки заказываются отдельно. Обратите внимание на максимальное число включений в соответствии с технической документацией на двигатель.

 

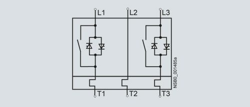
Однолинейная схема силовой цепи

 

Графики состояния

 

Программа для выбора и симуляции Win-SOFTSTARTER

С помощью данной программы можно моделировать работу всех устройств плавного пуска Siemens с учётом различных параметров: характеристик цепи питания, данных о двигателе и нагрузке, а также с учётом требований для специальных применений. Данная программа является отличным инструментом, который делает просто излишними сложные и длительные ручные расчеты для выбора необходимого устройства плавного пуска.

Вы можете разместить заказ на CD-ROM с данной

программой:

Заказной номер: E20001-D1020-P302-V2-7400.

http://medaps.erlm.siemens.de/webeditor/

 http://www.siemens.de/sanftstarter

 


Заказные данные

Скачать Область применения Скачать Дальнейшая информация 

Цена на сайте указана розничная в ЕВРО без учета НДС.Для уточнения цены и размера предоставляемой скидки - звоните или присылайте заявки

Заказной номерPGОписание продуктаЦена
3RW4024-1BB0442GУСТРОЙСТВО ПЛАВНОГО ПУСКА SIRIUS, ТИПОРАЗМЕР S0, 12.5A, 5.5КВТ/400V, 40 ГРАД., НОМИНАЛЬНОЕ РАБОЧЕЕ НАПРЯЖЕНИЕ UE 200-480V AC, НОМИНАЛЬНОЕ НАПРЯЖЕНИЕ ЦЕПИ УПРАВЛЕНИЯ US 24V AC/DC, ВИНТОВЫЕ КЛЕММЫ 266.80
3RW4024-1BB0542GУСТРОЙСТВО ПЛАВНОГО ПУСКА SIRIUS, ТИПОРАЗМЕР S0, 12.5A, 7.5КВТ/500V, 40 ГРАД., НОМИНАЛЬНОЕ РАБОЧЕЕ НАПРЯЖЕНИЕ UE 400-600V AC, НОМИНАЛЬНОЕ НАПРЯЖЕНИЕ ЦЕПИ УПРАВЛЕНИЯ US 24V AC/DC, ВИНТОВЫЕ КЛЕММЫ 307.05
3RW4024-1BB1442GУСТРОЙСТВО ПЛАВНОГО ПУСКА SIRIUS, ТИПОРАЗМЕР S0, 12.5A, 5.5КВТ/400V, 40 ГРАД., НОМИНАЛЬНОЕ РАБОЧЕЕ НАПРЯЖЕНИЕ UE 200-480V AC, НОМИНАЛЬНОЕ НАПРЯЖЕНИЕ ЦЕПИ УПРАВЛЕНИЯ US 110-230V AC/DC , ВИНТОВЫЕ КЛЕММЫ 266.80
3RW4024-1BB1542GУСТРОЙСТВО ПЛАВНОГО ПУСКА SIRIUS, ТИПОРАЗМЕР S0, 12.5A, 7.5КВТ/500V, 40 ГРАД., НОМИНАЛЬНОЕ РАБОЧЕЕ НАПРЯЖЕНИЕ UE 400-600V AC, НОМИНАЛЬНОЕ НАПРЯЖЕНИЕ ЦЕПИ УПРАВЛЕНИЯ US 110-230V AC/DC , ВИНТОВЫЕ КЛЕММЫ 307.05
3RW4024-1TB0442GУСТРОЙСТВО ПЛАВНОГО ПУСКА SIRIUS, ТИПОРАЗМЕР S0, 12.5A, 5.5КВТ/400V, 40 ГРАД., НОМИНАЛЬНОЕ РАБОЧЕЕ НАПРЯЖЕНИЕ UE 200-480V AC, НОМИНАЛЬНОЕ НАПРЯЖЕНИЕ ЦЕПИ УПРАВЛЕНИЯ US 24V AC/DC, ВИНТОВЫЕ КЛЕММЫ, ВХОД ДЛЯ ТЕРМИСТОРНОЙ ЗАЩИТЫ ЭЛЕКТРОДВИГАТЕЛЯ 346.15
3RW4024-1TB0542GУСТРОЙСТВО ПЛАВНОГО ПУСКА SIRIUS, ТИПОРАЗМЕР S0, 12.5A, 7.5КВТ/500V, 40 ГРАД., НОМИНАЛЬНОЕ РАБОЧЕЕ НАПРЯЖЕНИЕ UE 400-600V AC, НОМИНАЛЬНОЕ НАПРЯЖЕНИЕ ЦЕПИ УПРАВЛЕНИЯ US 24V AC/DC, ВИНТОВЫЕ КЛЕММЫ, ВХОД ДЛЯ ТЕРМИСТОРНОЙ ЗАЩИТЫ ЭЛЕКТРОДВИГАТЕЛЯ 385.25
3RW4024-2BB0442GУСТРОЙСТВО ПЛАВНОГО ПУСКА SIRIUS, ТИПОРАЗМЕР S0, 12.5A, 5.5КВТ/400V, 40 ГРАД., НОМИНАЛЬНОЕ РАБОЧЕЕ НАПРЯЖЕНИЕ UE 200-480V AC, НОМИНАЛЬНОЕ НАПРЯЖЕНИЕ ЦЕПИ УПРАВЛЕНИЯ US 24V AC/DC, ПРУЖИННЫЕ КЛЕММЫ 266.80
3RW4024-2BB0542GУСТРОЙСТВО ПЛАВНОГО ПУСКА SIRIUS, ТИПОРАЗМЕР S0, 12.5A, 7.5КВТ/500V, 40 ГРАД., НОМИНАЛЬНОЕ РАБОЧЕЕ НАПРЯЖЕНИЕ UE 400-600V AC, НОМИНАЛЬНОЕ НАПРЯЖЕНИЕ ЦЕПИ УПРАВЛЕНИЯ US 24V AC/DC, ПРУЖИННЫЕ КЛЕММЫ 307.05
3RW4024-2BB1442GУСТРОЙСТВО ПЛАВНОГО ПУСКА SIRIUS, ТИПОРАЗМЕР S0, 12.5A, 5.5КВТ/400V, 40 ГРАД., НОМИНАЛЬНОЕ РАБОЧЕЕ НАПРЯЖЕНИЕ UE 200-480V AC, НОМИНАЛЬНОЕ НАПРЯЖЕНИЕ ЦЕПИ УПРАВЛЕНИЯ US 110-230V AC/DC , ПРУЖИННЫЕ КЛЕММЫ 266.80
3RW4024-2BB1542GУСТРОЙСТВО ПЛАВНОГО ПУСКА SIRIUS, ТИПОРАЗМЕР S0, 12.5A, 7.5КВТ/500V, 40 ГРАД., НОМИНАЛЬНОЕ РАБОЧЕЕ НАПРЯЖЕНИЕ UE 400-600V AC, НОМИНАЛЬНОЕ НАПРЯЖЕНИЕ ЦЕПИ УПРАВЛЕНИЯ US 110-230V AC/DC , ПРУЖИННЫЕ КЛЕММЫ 307.05
3RW4024-2TB0442GУСТРОЙСТВО ПЛАВНОГО ПУСКА SIRIUS, ТИПОРАЗМЕР S0, 12.5A, 5.5КВТ/400V, 40 ГРАД., НОМИНАЛЬНОЕ РАБОЧЕЕ НАПРЯЖЕНИЕ UE 200-480V AC, НОМИНАЛЬНОЕ НАПРЯЖЕНИЕ ЦЕПИ УПРАВЛЕНИЯ US 24V AC/DC, ПРУЖИННЫЕ КЛЕММЫ, ВХОД ДЛЯ ТЕРМИСТОРНОЙ ЗАЩИТЫ ЭЛЕКТРОДВИГАТЕЛЯ 351.90
3RW4024-2TB0542GУСТРОЙСТВО ПЛАВНОГО ПУСКА SIRIUS, ТИПОРАЗМЕР S0, 12.5A, 7.5КВТ/500V, 40 ГРАД., НОМИНАЛЬНОЕ РАБОЧЕЕ НАПРЯЖЕНИЕ UE 400-600V AC, НОМИНАЛЬНОЕ НАПРЯЖЕНИЕ ЦЕПИ УПРАВЛЕНИЯ US 24V AC/DC, ПРУЖИННЫЕ КЛЕММЫ, ВХОД ДЛЯ ТЕРМИСТОРНОЙ ЗАЩИТЫ ЭЛЕКТРОДВИГАТЕЛЯ 393.30
3RW4026-1BB0442GУСТРОЙСТВО ПЛАВНОГО ПУСКА SIRIUS, ТИПОРАЗМЕР S0, 25A, 11КВТ/400V, 40 ГРАД., НОМИНАЛЬНОЕ РАБОЧЕЕ НАПРЯЖЕНИЕ UE 200-480V AC, НОМИНАЛЬНОЕ НАПРЯЖЕНИЕ ЦЕПИ УПРАВЛЕНИЯ US 24V AC/DC, ВИНТОВЫЕ КЛЕММЫ 315.10
3RW4026-1BB0542GУСТРОЙСТВО ПЛАВНОГО ПУСКА SIRIUS, ТИПОРАЗМЕР S0, 25A, 15КВТ/500V, 40 ГРАД., НОМИНАЛЬНОЕ РАБОЧЕЕ НАПРЯЖЕНИЕ UE 400-600V AC, НОМИНАЛЬНОЕ НАПРЯЖЕНИЕ ЦЕПИ УПРАВЛЕНИЯ US 24V AC/DC, ВИНТОВЫЕ КЛЕММЫ 361.10
3RW4026-1BB1442GУСТРОЙСТВО ПЛАВНОГО ПУСКА SIRIUS, ТИПОРАЗМЕР S0, 25A, 11КВТ/400V, 40 ГРАД., НОМИНАЛЬНОЕ РАБОЧЕЕ НАПРЯЖЕНИЕ UE 200-480V AC, НОМИНАЛЬНОЕ НАПРЯЖЕНИЕ ЦЕПИ УПРАВЛЕНИЯ US 110-230V AC/DC , ВИНТОВЫЕ КЛЕММЫ 315.10
3RW4026-1BB1542GУСТРОЙСТВО ПЛАВНОГО ПУСКА SIRIUS, ТИПОРАЗМЕР S0, 25A, 15КВТ/500V, 40 ГРАД., НОМИНАЛЬНОЕ РАБОЧЕЕ НАПРЯЖЕНИЕ UE 400-600V AC, НОМИНАЛЬНОЕ НАПРЯЖЕНИЕ ЦЕПИ УПРАВЛЕНИЯ US 110-230V AC/DC , ВИНТОВЫЕ КЛЕММЫ 361.10
3RW4026-1TB0442GУСТРОЙСТВО ПЛАВНОГО ПУСКА SIRIUS, ТИПОРАЗМЕР S0, 25A, 11КВТ/400V, 40 ГРАД., НОМИНАЛЬНОЕ РАБОЧЕЕ НАПРЯЖЕНИЕ UE 200-480V AC, НОМИНАЛЬНОЕ НАПРЯЖЕНИЕ ЦЕПИ УПРАВЛЕНИЯ US 24V AC/DC, ВИНТОВЫЕ КЛЕММЫ, ВХОД ДЛЯ ТЕРМИСТОРНОЙ ЗАЩИТЫ ЭЛЕКТРОДВИГАТЕЛЯ 392.15
3RW4026-1TB0542GУСТРОЙСТВО ПЛАВНОГО ПУСКА SIRIUS, ТИПОРАЗМЕР S0, 25A, 15КВТ/500V, 40 ГРАД., НОМИНАЛЬНОЕ РАБОЧЕЕ НАПРЯЖЕНИЕ UE 400-600V AC, НОМИНАЛЬНОЕ НАПРЯЖЕНИЕ ЦЕПИ УПРАВЛЕНИЯ US 24V AC/DC, ВИНТОВЫЕ КЛЕММЫ, ВХОД ДЛЯ ТЕРМИСТОРНОЙ ЗАЩИТЫ ЭЛЕКТРОДВИГАТЕЛЯ 441.60
3RW4026-2BB0442GУСТРОЙСТВО ПЛАВНОГО ПУСКА SIRIUS, ТИПОРАЗМЕР S0, 25A, 11КВТ/400V, 40 ГРАД., НОМИНАЛЬНОЕ РАБОЧЕЕ НАПРЯЖЕНИЕ UE 200-480V AC, НОМИНАЛЬНОЕ НАПРЯЖЕНИЕ ЦЕПИ УПРАВЛЕНИЯ US 24V AC/DC, ПРУЖИННЫЕ КЛЕММЫ 315.10
3RW4026-2BB0542GУСТРОЙСТВО ПЛАВНОГО ПУСКА SIRIUS, ТИПОРАЗМЕР S0, 25A, 15КВТ/500V, 40 ГРАД., НОМИНАЛЬНОЕ РАБОЧЕЕ НАПРЯЖЕНИЕ UE 400-600V AC, НОМИНАЛЬНОЕ НАПРЯЖЕНИЕ ЦЕПИ УПРАВЛЕНИЯ US 24V AC/DC, ПРУЖИННЫЕ КЛЕММЫ 361.10
3RW4026-2BB1442GУСТРОЙСТВО ПЛАВНОГО ПУСКА SIRIUS, ТИПОРАЗМЕР S0, 25A, 11КВТ/400V, 40 ГРАД., НОМИНАЛЬНОЕ РАБОЧЕЕ НАПРЯЖЕНИЕ UE 200-480V AC, НОМИНАЛЬНОЕ НАПРЯЖЕНИЕ ЦЕПИ УПРАВЛЕНИЯ US 110-230V AC/DC , ПРУЖИННЫЕ КЛЕММЫ 315.10
3RW4026-2BB1542GУСТРОЙСТВО ПЛАВНОГО ПУСКА SIRIUS, ТИПОРАЗМЕР S0, 25A, 15КВТ/500V, 40 ГРАД., НОМИНАЛЬНОЕ РАБОЧЕЕ НАПРЯЖЕНИЕ UE 400-600V AC, НОМИНАЛЬНОЕ НАПРЯЖЕНИЕ ЦЕПИ УПРАВЛЕНИЯ US 110-230V AC/DC , ПРУЖИННЫЕ КЛЕММЫ 361.10
3RW4026-2TB0442GУСТРОЙСТВО ПЛАВНОГО ПУСКА SIRIUS, ТИПОРАЗМЕР S0, 25A, 11КВТ/400V, 40 ГРАД., НОМИНАЛЬНОЕ РАБОЧЕЕ НАПРЯЖЕНИЕ UE 200-480V AC, НОМИНАЛЬНОЕ НАПРЯЖЕНИЕ ЦЕПИ УПРАВЛЕНИЯ US 24V AC/DC, ПРУЖИННЫЕ КЛЕММЫ, ВХОД ДЛЯ ТЕРМИСТОРНОЙ ЗАЩИТЫ ЭЛЕКТРОДВИГАТЕЛЯ 403.65
3RW4026-2TB0542GУСТРОЙСТВО ПЛАВНОГО ПУСКА SIRIUS, ТИПОРАЗМЕР S0, 25A, 15КВТ/500V, 40 ГРАД., НОМИНАЛЬНОЕ РАБОЧЕЕ НАПРЯЖЕНИЕ UE 400-600V AC, НОМИНАЛЬНОЕ НАПРЯЖЕНИЕ ЦЕПИ УПРАВЛЕНИЯ US 24V AC/DC, ПРУЖИННЫЕ КЛЕММЫ, ВХОД ДЛЯ ТЕРМИСТОРНОЙ ЗАЩИТЫ ЭЛЕКТРОДВИГАТЕЛЯ 450.80
3RW4027-1BB0442GУСТРОЙСТВО ПЛАВНОГО ПУСКА SIRIUS, ТИПОРАЗМЕР S0, 32A, 15КВТ/400V, 40 ГРАД., НОМИНАЛЬНОЕ РАБОЧЕЕ НАПРЯЖЕНИЕ UE 200-480V AC, НОМИНАЛЬНОЕ НАПРЯЖЕНИЕ ЦЕПИ УПРАВЛЕНИЯ US 24V AC/DC, ВИНТОВЫЕ КЛЕММЫ 373.75
3RW4027-1BB0542GУСТРОЙСТВО ПЛАВНОГО ПУСКА SIRIUS, ТИПОРАЗМЕР S0, 32A, 18.5КВТ/500V, 40 ГРАД., НОМИНАЛЬНОЕ РАБОЧЕЕ НАПРЯЖЕНИЕ UE 400-600V AC, НОМИНАЛЬНОЕ НАПРЯЖЕНИЕ ЦЕПИ УПРАВЛЕНИЯ US 24V AC/DC, ВИНТОВЫЕ КЛЕММЫ 427.80
3RW4027-1BB1442GУСТРОЙСТВО ПЛАВНОГО ПУСКА SIRIUS, ТИПОРАЗМЕР S0, 32A, 15КВТ/400V, 40 ГРАД., НОМИНАЛЬНОЕ РАБОЧЕЕ НАПРЯЖЕНИЕ UE 200-480V AC, НОМИНАЛЬНОЕ НАПРЯЖЕНИЕ ЦЕПИ УПРАВЛЕНИЯ US 110-230V AC/DC , ВИНТОВЫЕ КЛЕММЫ 373.75
3RW4027-1BB1542GУСТРОЙСТВО ПЛАВНОГО ПУСКА SIRIUS, ТИПОРАЗМЕР S0, 32A, 18.5КВТ/500V, 40 ГРАД., НОМИНАЛЬНОЕ РАБОЧЕЕ НАПРЯЖЕНИЕ UE 400-600V AC, НОМИНАЛЬНОЕ НАПРЯЖЕНИЕ ЦЕПИ УПРАВЛЕНИЯ US 110-230V AC/DC , ВИНТОВЫЕ КЛЕММЫ 427.80
3RW4027-1TB0442GУСТРОЙСТВО ПЛАВНОГО ПУСКА SIRIUS, ТИПОРАЗМЕР S0, 32A, 15КВТ/400V, 40 ГРАД., НОМИНАЛЬНОЕ РАБОЧЕЕ НАПРЯЖЕНИЕ UE 200-480V AC, НОМИНАЛЬНОЕ НАПРЯЖЕНИЕ ЦЕПИ УПРАВЛЕНИЯ US 24V AC/DC, ВИНТОВЫЕ КЛЕММЫ, ВХОД ДЛЯ ТЕРМИСТОРНОЙ ЗАЩИТЫ ЭЛЕКТРОДВИГАТЕЛЯ 454.25
3RW4027-1TB0542GУСТРОЙСТВО ПЛАВНОГО ПУСКА SIRIUS, ТИПОРАЗМЕР S0, 32A, 18.5КВТ/500V, 40 ГРАД., НОМИНАЛЬНОЕ РАБОЧЕЕ НАПРЯЖЕНИЕ UE 400-600V AC, НОМИНАЛЬНОЕ НАПРЯЖЕНИЕ ЦЕПИ УПРАВЛЕНИЯ US 24V AC/DC, ВИНТОВЫЕ КЛЕММЫ, ВХОД ДЛЯ ТЕРМИСТОРНОЙ ЗАЩИТЫ ЭЛЕКТРОДВИГАТЕЛЯ 509.45
3RW4027-2BB0442GУСТРОЙСТВО ПЛАВНОГО ПУСКА SIRIUS, ТИПОРАЗМЕР S0, 32A, 15КВТ/400V, 40 ГРАД., НОМИНАЛЬНОЕ РАБОЧЕЕ НАПРЯЖЕНИЕ UE 200-480V AC, НОМИНАЛЬНОЕ НАПРЯЖЕНИЕ ЦЕПИ УПРАВЛЕНИЯ US 24V AC/DC, ПРУЖИННЫЕ КЛЕММЫ 373.75
3RW4027-2BB0542GУСТРОЙСТВО ПЛАВНОГО ПУСКА SIRIUS, ТИПОРАЗМЕР S0, 32A, 18.5КВТ/500V, 40 ГРАД., НОМИНАЛЬНОЕ РАБОЧЕЕ НАПРЯЖЕНИЕ UE 400-600V AC, НОМИНАЛЬНОЕ НАПРЯЖЕНИЕ ЦЕПИ УПРАВЛЕНИЯ US 24V AC/DC, ПРУЖИННЫЕ КЛЕММЫ 427.80
3RW4027-2BB1442GУСТРОЙСТВО ПЛАВНОГО ПУСКА SIRIUS, ТИПОРАЗМЕР S0, 32A, 15КВТ/400V, 40 ГРАД., НОМИНАЛЬНОЕ РАБОЧЕЕ НАПРЯЖЕНИЕ UE 200-480V AC, НОМИНАЛЬНОЕ НАПРЯЖЕНИЕ ЦЕПИ УПРАВЛЕНИЯ US 110-230V AC/DC , ПРУЖИННЫЕ КЛЕММЫ 373.75
3RW4027-2BB1542GУСТРОЙСТВО ПЛАВНОГО ПУСКА SIRIUS, ТИПОРАЗМЕР S0, 32A, 18.5КВТ/500V, 40 ГРАД., НОМИНАЛЬНОЕ РАБОЧЕЕ НАПРЯЖЕНИЕ UE 400-600V AC, НОМИНАЛЬНОЕ НАПРЯЖЕНИЕ ЦЕПИ УПРАВЛЕНИЯ US 110-230V AC/DC , ПРУЖИННЫЕ КЛЕММЫ 427.80
3RW4027-2TB0442GУСТРОЙСТВО ПЛАВНОГО ПУСКА SIRIUS, ТИПОРАЗМЕР S0, 32A, 15КВТ/400V, 40 ГРАД., НОМИНАЛЬНОЕ РАБОЧЕЕ НАПРЯЖЕНИЕ UE 200-480V AC, НОМИНАЛЬНОЕ НАПРЯЖЕНИЕ ЦЕПИ УПРАВЛЕНИЯ US 24V AC/DC, ПРУЖИННЫЕ КЛЕММЫ, ВХОД ДЛЯ ТЕРМИСТОРНОЙ ЗАЩИТЫ ЭЛЕКТРОДВИГАТЕЛЯ 462.30
3RW4027-2TB0542GУСТРОЙСТВО ПЛАВНОГО ПУСКА SIRIUS, ТИПОРАЗМЕР S0, 32A, 18.5КВТ/500V, 40 ГРАД., НОМИНАЛЬНОЕ РАБОЧЕЕ НАПРЯЖЕНИЕ UE 400-600V AC, НОМИНАЛЬНОЕ НАПРЯЖЕНИЕ ЦЕПИ УПРАВЛЕНИЯ US 24V AC/DC, ПРУЖИННЫЕ КЛЕММЫ, ВХОД ДЛЯ ТЕРМИСТОРНОЙ ЗАЩИТЫ ЭЛЕКТРОДВИГАТЕЛЯ 518.65
3RW4028-1BB0442GУСТРОЙСТВО ПЛАВНОГО ПУСКА SIRIUS, ТИПОРАЗМЕР S0, 38A, 18.5КВТ/400V, 40 ГРАД., НОМИНАЛЬНОЕ РАБОЧЕЕ НАПРЯЖЕНИЕ UE 200-480V AC, НОМИНАЛЬНОЕ НАПРЯЖЕНИЕ ЦЕПИ УПРАВЛЕНИЯ НАПРЯЖЕНИЕ УПРАВЛЕНИЯ AC/DC 24V, ВИНТОВЫЕ КЛЕММЫ 448.50
3RW4028-1BB0542GУСТРОЙСТВО ПЛАВНОГО ПУСКА SIRIUS, ТИПОРАЗМЕР S0, 38A, 22КВТ/500V, 40 ГРАД., НОМИНАЛЬНОЕ РАБОЧЕЕ НАПРЯЖЕНИЕ UE 400-600V AC, НОМИНАЛЬНОЕ НАПРЯЖЕНИЕ ЦЕПИ УПРАВЛЕНИЯ US 24V AC/DC, ВИНТОВЫЕ КЛЕММЫ 512.90
3RW4028-1BB1442GУСТРОЙСТВО ПЛАВНОГО ПУСКА SIRIUS, ТИПОРАЗМЕР S0, 38A, 18.5КВТ/400V, 40 ГРАД., НОМИНАЛЬНОЕ РАБОЧЕЕ НАПРЯЖЕНИЕ UE 200-480V AC, НОМИНАЛЬНОЕ НАПРЯЖЕНИЕ ЦЕПИ УПРАВЛЕНИЯ US 110-230V AC/DC , ВИНТОВЫЕ КЛЕММЫ 448.50
3RW4028-1BB1542GУСТРОЙСТВО ПЛАВНОГО ПУСКА SIRIUS, ТИПОРАЗМЕР S0, 38A, 22КВТ/500V, 40 ГРАД., НОМИНАЛЬНОЕ РАБОЧЕЕ НАПРЯЖЕНИЕ UE 400-600V AC, НОМИНАЛЬНОЕ НАПРЯЖЕНИЕ ЦЕПИ УПРАВЛЕНИЯ US 110-230V AC/DC , ВИНТОВЫЕ КЛЕММЫ 512.90
3RW4028-1TB0442GУСТРОЙСТВО ПЛАВНОГО ПУСКА SIRIUS, ТИПОРАЗМЕР S0, 38A, 18.5КВТ/400V, 40 ГРАД., НОМИНАЛЬНОЕ РАБОЧЕЕ НАПРЯЖЕНИЕ UE 200-480V AC, НОМИНАЛЬНОЕ НАПРЯЖЕНИЕ ЦЕПИ УПРАВЛЕНИЯ US 24V AC/DC, ВИНТОВЫЕ КЛЕММЫ, ВХОД ДЛЯ ТЕРМИСТОРНОЙ ЗАЩИТЫ ЭЛЕКТРОДВИГАТЕЛЯ 526.70
3RW4028-1TB0542GУСТРОЙСТВО ПЛАВНОГО ПУСКА SIRIUS, ТИПОРАЗМЕР S0, 38A, 22КВТ/500V, 40 ГРАД., НОМИНАЛЬНОЕ РАБОЧЕЕ НАПРЯЖЕНИЕ UE 400-600V AC, НОМИНАЛЬНОЕ НАПРЯЖЕНИЕ ЦЕПИ УПРАВЛЕНИЯ US 24V AC/DC, ВИНТОВЫЕ КЛЕММЫ, ВХОД ДЛЯ ТЕРМИСТОРНОЙ ЗАЩИТЫ ЭЛЕКТРОДВИГАТЕЛЯ 593.40
3RW4028-2BB0442GУСТРОЙСТВО ПЛАВНОГО ПУСКА SIRIUS, ТИПОРАЗМЕР S0, 38A, 18.5КВТ/400V, 40 ГРАД., НОМИНАЛЬНОЕ РАБОЧЕЕ НАПРЯЖЕНИЕ UE 200-480V AC, НОМИНАЛЬНОЕ НАПРЯЖЕНИЕ ЦЕПИ УПРАВЛЕНИЯ US 24V AC/DC, ПРУЖИННЫЕ КЛЕММЫ 448.50
3RW4028-2BB0542GУСТРОЙСТВО ПЛАВНОГО ПУСКА SIRIUS, ТИПОРАЗМЕР S0, 38A, 22КВТ/500V, 40 ГРАД., НОМИНАЛЬНОЕ РАБОЧЕЕ НАПРЯЖЕНИЕ UE 400-600V AC, НОМИНАЛЬНОЕ НАПРЯЖЕНИЕ ЦЕПИ УПРАВЛЕНИЯ US 24V AC/DC, ПРУЖИННЫЕ КЛЕММЫ 512.90
3RW4028-2BB1442GУСТРОЙСТВО ПЛАВНОГО ПУСКА SIRIUS, ТИПОРАЗМЕР S0, 38A, 18.5КВТ/400V, 40 ГРАД., НОМИНАЛЬНОЕ РАБОЧЕЕ НАПРЯЖЕНИЕ UE 200-480V AC, НОМИНАЛЬНОЕ НАПРЯЖЕНИЕ ЦЕПИ УПРАВЛЕНИЯ US 110-230V AC/DC , ПРУЖИННЫЕ КЛЕММЫ 448.50
3RW4028-2BB1542GУСТРОЙСТВО ПЛАВНОГО ПУСКА SIRIUS, ТИПОРАЗМЕР S0, 38A, 22КВТ/500V, 40 ГРАД., НОМИНАЛЬНОЕ РАБОЧЕЕ НАПРЯЖЕНИЕ UE 400-600V AC, НОМИНАЛЬНОЕ НАПРЯЖЕНИЕ ЦЕПИ УПРАВЛЕНИЯ US 110-230V AC/DC , ПРУЖИННЫЕ КЛЕММЫ 512.90
3RW4028-2TB0442GУСТРОЙСТВО ПЛАВНОГО ПУСКА SIRIUS, ТИПОРАЗМЕР S0, 38A, 18.5КВТ/400V, 40 ГРАД., НОМИНАЛЬНОЕ РАБОЧЕЕ НАПРЯЖЕНИЕ UE 200-480V AC, НОМИНАЛЬНОЕ НАПРЯЖЕНИЕ ЦЕПИ УПРАВЛЕНИЯ US 24V AC/DC, ПРУЖИННЫЕ КЛЕММЫ, ВХОД ДЛЯ ТЕРМИСТОРНОЙ ЗАЩИТЫ ЭЛЕКТРОДВИГАТЕЛЯ 537.05
3RW4028-2TB0542GУСТРОЙСТВО ПЛАВНОГО ПУСКА SIRIUS, ТИПОРАЗМЕР S0, 38A, 22КВТ/500V, 40 ГРАД., НОМИНАЛЬНОЕ РАБОЧЕЕ НАПРЯЖЕНИЕ UE 400-600V AC, НОМИНАЛЬНОЕ НАПРЯЖЕНИЕ ЦЕПИ УПРАВЛЕНИЯ US 24V AC/DC, ПРУЖИННЫЕ КЛЕММЫ, ВХОД ДЛЯ ТЕРМИСТОРНОЙ ЗАЩИТЫ ЭЛЕКТРОДВИГАТЕЛЯ 604.90
3RW4036-1BB0442GУСТРОЙСТВО ПЛАВНОГО ПУСКА SIRIUS, ТИПОРАЗМЕР S2, 45A, 22КВТ/400V, 40 ГРАД., НОМИНАЛЬНОЕ РАБОЧЕЕ НАПРЯЖЕНИЕ UE 200-480V AC, НОМИНАЛЬНОЕ НАПРЯЖЕНИЕ ЦЕПИ УПРАВЛЕНИЯ US 24V AC/DC, ВИНТОВЫЕ КЛЕММЫ 533.60
3RW4036-1BB0542GУСТРОЙСТВО ПЛАВНОГО ПУСКА SIRIUS, ТИПОРАЗМЕР S2, 45A, 30КВТ/500V, 40 ГРАД., НОМИНАЛЬНОЕ РАБОЧЕЕ НАПРЯЖЕНИЕ UE 400-600V AC, НОМИНАЛЬНОЕ НАПРЯЖЕНИЕ ЦЕПИ УПРАВЛЕНИЯ US 24V AC/DC, ВИНТОВЫЕ КЛЕММЫ 614.10
3RW4036-1BB1442GУСТРОЙСТВО ПЛАВНОГО ПУСКА SIRIUS, ТИПОРАЗМЕР S2, 45A, 22КВТ/400V, 40 ГРАД., НОМИНАЛЬНОЕ РАБОЧЕЕ НАПРЯЖЕНИЕ UE 200-480V AC, НОМИНАЛЬНОЕ НАПРЯЖЕНИЕ ЦЕПИ УПРАВЛЕНИЯ US 110-230V AC/DC , ВИНТОВЫЕ КЛЕММЫ 533.60
3RW4036-1BB1542GУСТРОЙСТВО ПЛАВНОГО ПУСКА SIRIUS, ТИПОРАЗМЕР S2, 45A, 30КВТ/500V, 40 ГРАД., НОМИНАЛЬНОЕ РАБОЧЕЕ НАПРЯЖЕНИЕ UE 400-600V AC, НОМИНАЛЬНОЕ НАПРЯЖЕНИЕ ЦЕПИ УПРАВЛЕНИЯ US 110-230V AC/DC , ВИНТОВЫЕ КЛЕММЫ 614.10
3RW4036-1TB0442GУСТРОЙСТВО ПЛАВНОГО ПУСКА SIRIUS, ТИПОРАЗМЕР S2, 45A, 22КВТ/400V, 40 ГРАД., НОМИНАЛЬНОЕ РАБОЧЕЕ НАПРЯЖЕНИЕ UE 200-480V AC, НОМИНАЛЬНОЕ НАПРЯЖЕНИЕ ЦЕПИ УПРАВЛЕНИЯ US 24V AC/DC, ВИНТОВЫЕ КЛЕММЫ, ВХОД ДЛЯ ТЕРМИСТОРНОЙ ЗАЩИТЫ ЭЛЕКТРОДВИГАТЕЛЯ 614.10
3RW4036-1TB0542GУСТРОЙСТВО ПЛАВНОГО ПУСКА SIRIUS, ТИПОРАЗМЕР S2, 45A, 30КВТ/500V, 40 ГРАД., НОМИНАЛЬНОЕ РАБОЧЕЕ НАПРЯЖЕНИЕ UE 400-600V AC, НОМИНАЛЬНОЕ НАПРЯЖЕНИЕ ЦЕПИ УПРАВЛЕНИЯ US 24V AC/DC, ВИНТОВЫЕ КЛЕММЫ, ВХОД ДЛЯ ТЕРМИСТОРНОЙ ЗАЩИТЫ ЭЛЕКТРОДВИГАТЕЛЯ 694.60
3RW4036-2BB0442GУСТРОЙСТВО ПЛАВНОГО ПУСКА SIRIUS, ТИПОРАЗМЕР S2, 45A, 22КВТ/400V, 40 ГРАД., НОМИНАЛЬНОЕ РАБОЧЕЕ НАПРЯЖЕНИЕ UE 200-480V AC, НОМИНАЛЬНОЕ НАПРЯЖЕНИЕ ЦЕПИ УПРАВЛЕНИЯ US 24V AC/DC, ГЛАВНАЯ ЦЕПЬ: ВИНТОВЫЕ КЛЕММЫ, ВСПОМОГАТЕЛЬНАЯ ЦЕПЬ: ГЛАВНАЯ ЦЕПЬ: ВИНТОВЫЕ КЛЕММЫ, СПОМОГАТЕЛЬНАЯ ЦЕПЬ: ПРУЖИННЫЕ КЛЕММЫ 533.60
3RW4036-2BB0542GУСТРОЙСТВО ПЛАВНОГО ПУСКА SIRIUS, ТИПОРАЗМЕР S2, 45A, 30КВТ/500V, 40 ГРАД., НОМИНАЛЬНОЕ РАБОЧЕЕ НАПРЯЖЕНИЕ UE 400-600V AC, НОМИНАЛЬНОЕ НАПРЯЖЕНИЕ ЦЕПИ УПРАВЛЕНИЯ US 24V AC/DC, ГЛАВНАЯ ЦЕПЬ: ВИНТОВЫЕ КЛЕММЫ, ВСПОМОГАТЕЛЬНАЯ ЦЕПЬ: ПРУЖИННЫЕ КЛЕММЫ 614.10
3RW4036-2BB1442GУСТРОЙСТВО ПЛАВНОГО ПУСКА SIRIUS, ТИПОРАЗМЕР S2, 45A, 22КВТ/400V, 40 ГРАД., НОМИНАЛЬНОЕ РАБОЧЕЕ НАПРЯЖЕНИЕ UE 200-480V AC, НОМИНАЛЬНОЕ НАПРЯЖЕНИЕ ЦЕПИ УПРАВЛЕНИЯ US 110-230V AC/DC , ГЛАВНАЯ ЦЕПЬ: ВИНТОВЫЕ КЛЕММЫ, ВСПОМОГАТЕЛЬНАЯ ЦЕПЬ: ПРУЖИННЫЕ КЛЕММЫ 533.60
3RW4036-2BB1542GУСТРОЙСТВО ПЛАВНОГО ПУСКА SIRIUS, ТИПОРАЗМЕР S2, 45A, 30КВТ/500V, 40 ГРАД., НОМИНАЛЬНОЕ РАБОЧЕЕ НАПРЯЖЕНИЕ UE 400-600V AC, НОМИНАЛЬНОЕ НАПРЯЖЕНИЕ ЦЕПИ УПРАВЛЕНИЯ US 110-230V AC/DC , ГЛАВНАЯ ЦЕПЬ: ВИНТОВЫЕ КЛЕММЫ, ВСПОМОГАТЕЛЬНАЯ ЦЕПЬ: ПРУЖИННЫЕ КЛЕММЫ 614.10
3RW4036-2TB0442GУСТРОЙСТВО ПЛАВНОГО ПУСКА SIRIUS, ТИПОРАЗМЕР S2, 45A, 22КВТ/400V, 40 ГРАД., НОМИНАЛЬНОЕ РАБОЧЕЕ НАПРЯЖЕНИЕ UE 200-480V AC, НОМИНАЛЬНОЕ НАПРЯЖЕНИЕ ЦЕПИ УПРАВЛЕНИЯ US 24V AC/DC, ПРУЖИННЫЕ КЛЕММЫ, ВХОД ДЛЯ ТЕРМИСТОРНОЙ ЗАЩИТЫ ЭЛЕКТРОДВИГАТЕЛЯ 614.10
3RW4036-2TB0542GУСТРОЙСТВО ПЛАВНОГО ПУСКА SIRIUS, ТИПОРАЗМЕР S2, 45A, 30КВТ/500V, 40 ГРАД., НОМИНАЛЬНОЕ РАБОЧЕЕ НАПРЯЖЕНИЕ UE 400-600V AC, НОМИНАЛЬНОЕ НАПРЯЖЕНИЕ ЦЕПИ УПРАВЛЕНИЯ US 24V AC/DC, ПРУЖИННЫЕ КЛЕММЫ, ВХОД ДЛЯ ТЕРМИСТОРНОЙ ЗАЩИТЫ ЭЛЕКТРОДВИГАТЕЛЯ 694.60
3RW4037-1BB0442GУСТРОЙСТВО ПЛАВНОГО ПУСКА SIRIUS, ТИПОРАЗМЕР S2, 63A, 30КВТ/400V, 40 ГРАД., НОМИНАЛЬНОЕ РАБОЧЕЕ НАПРЯЖЕНИЕ UE 200-480V AC, НОМИНАЛЬНОЕ НАПРЯЖЕНИЕ ЦЕПИ УПРАВЛЕНИЯ US 24V AC/DC, ВИНТОВЫЕ КЛЕММЫ 632.50
3RW4037-1BB0542GУСТРОЙСТВО ПЛАВНОГО ПУСКА SIRIUS, ТИПОРАЗМЕР S2, 63A, 37КВТ/500V, 40 ГРАД., НОМИНАЛЬНОЕ РАБОЧЕЕ НАПРЯЖЕНИЕ UE 400-600V AC, НОМИНАЛЬНОЕ НАПРЯЖЕНИЕ ЦЕПИ УПРАВЛЕНИЯ US 24V AC/DC, ВИНТОВЫЕ КЛЕММЫ 726.80
3RW4037-1BB1442GУСТРОЙСТВО ПЛАВНОГО ПУСКА SIRIUS, ТИПОРАЗМЕР S2, 63A, 30КВТ/400V, 40 ГРАД., НОМИНАЛЬНОЕ РАБОЧЕЕ НАПРЯЖЕНИЕ UE 200-480V AC, НОМИНАЛЬНОЕ НАПРЯЖЕНИЕ ЦЕПИ УПРАВЛЕНИЯ US 110-230V AC/DC , ВИНТОВЫЕ КЛЕММЫ 632.50
3RW4037-1BB1542GУСТРОЙСТВО ПЛАВНОГО ПУСКА SIRIUS, ТИПОРАЗМЕР S2, 63A, 37КВТ/500V, 40 ГРАД., НОМИНАЛЬНОЕ РАБОЧЕЕ НАПРЯЖЕНИЕ UE 400-600V AC, НОМИНАЛЬНОЕ НАПРЯЖЕНИЕ ЦЕПИ УПРАВЛЕНИЯ US 110-230V AC/DC , ВИНТОВЫЕ КЛЕММЫ 726.80
3RW4037-1TB0442GУСТРОЙСТВО ПЛАВНОГО ПУСКА SIRIUS, ТИПОРАЗМЕР S2, 63A, 30КВТ/400V, 40 ГРАД., НОМИНАЛЬНОЕ РАБОЧЕЕ НАПРЯЖЕНИЕ UE 200-480V AC, НОМИНАЛЬНОЕ НАПРЯЖЕНИЕ ЦЕПИ УПРАВЛЕНИЯ US 24V AC/DC, ВИНТОВЫЕ КЛЕММЫ, ВХОД ДЛЯ ТЕРМИСТОРНОЙ ЗАЩИТЫ ЭЛЕКТРОДВИГАТЕЛЯ 711.85
3RW4037-1TB0542GУСТРОЙСТВО ПЛАВНОГО ПУСКА SIRIUS, ТИПОРАЗМЕР S2, 63A, 37КВТ/500V, 40 ГРАД., НОМИНАЛЬНОЕ РАБОЧЕЕ НАПРЯЖЕНИЕ UE 400-600V AC, НОМИНАЛЬНОЕ НАПРЯЖЕНИЕ ЦЕПИ УПРАВЛЕНИЯ US 24V AC/DC, ВИНТОВЫЕ КЛЕММЫ, ВХОД ДЛЯ ТЕРМИСТОРНОЙ ЗАЩИТЫ ЭЛЕКТРОДВИГАТЕЛЯ 807.30
3RW4037-2BB0442GУСТРОЙСТВО ПЛАВНОГО ПУСКА SIRIUS, ТИПОРАЗМЕР S2, 63A, 30КВТ/400V, 40 ГРАД., НОМИНАЛЬНОЕ РАБОЧЕЕ НАПРЯЖЕНИЕ UE 200-480V AC, НОМИНАЛЬНОЕ НАПРЯЖЕНИЕ ЦЕПИ УПРАВЛЕНИЯ US 24V AC/DC, ГЛАВНАЯ ЦЕПЬ: ВИНТОВЫЕ КЛЕММЫ, ВСПОМОГАТЕЛЬНАЯ ЦЕПЬ: ПРУЖИННЫЕ КЛЕММЫ 632.50
3RW4037-2BB0542GУСТРОЙСТВО ПЛАВНОГО ПУСКА SIRIUS, ТИПОРАЗМЕР S2, 63A, 37КВТ/500V, 40 ГРАД., НОМИНАЛЬНОЕ РАБОЧЕЕ НАПРЯЖЕНИЕ UE 400-600V AC, НОМИНАЛЬНОЕ НАПРЯЖЕНИЕ ЦЕПИ УПРАВЛЕНИЯ US 24V AC/DC, ГЛАВНАЯ ЦЕПЬ: ВИНТОВЫЕ КЛЕММЫ, ВСПОМОГАТЕЛЬНАЯ ЦЕПЬ: ПРУЖИННЫЕ КЛЕММЫ 726.80
3RW4037-2BB1442GУСТРОЙСТВО ПЛАВНОГО ПУСКА SIRIUS, ТИПОРАЗМЕР S2, 63A, 30КВТ/400V, 40 ГРАД., НОМИНАЛЬНОЕ РАБОЧЕЕ НАПРЯЖЕНИЕ UE 200-480V AC, НОМИНАЛЬНОЕ НАПРЯЖЕНИЕ ЦЕПИ УПРАВЛЕНИЯ US 110-230V AC/DC , ГЛАВНАЯ ЦЕПЬ: ВИНТОВЫЕ КЛЕММЫ, ВСПОМОГАТЕЛЬНАЯ ЦЕПЬ: ПРУЖИННЫЕ КЛЕММЫ 632.50
3RW4037-2BB1542GУСТРОЙСТВО ПЛАВНОГО ПУСКА SIRIUS, ТИПОРАЗМЕР S2, 63A, 37КВТ/500V, 40 ГРАД., НОМИНАЛЬНОЕ РАБОЧЕЕ НАПРЯЖЕНИЕ UE 400-600V AC, НОМИНАЛЬНОЕ НАПРЯЖЕНИЕ ЦЕПИ УПРАВЛЕНИЯ US 110-230V AC/DC , ГЛАВНАЯ ЦЕПЬ: ВИНТОВЫЕ КЛЕММЫ, ВСПОМОГАТЕЛЬНАЯ ЦЕПЬ: ПРУЖИННЫЕ КЛЕММЫ 726.80
3RW4037-2TB0442GУСТРОЙСТВО ПЛАВНОГО ПУСКА SIRIUS, ТИПОРАЗМЕР S2, 63A, 30КВТ/400V, 40 ГРАД., НОМИНАЛЬНОЕ РАБОЧЕЕ НАПРЯЖЕНИЕ UE 200-480V AC, НОМИНАЛЬНОЕ НАПРЯЖЕНИЕ ЦЕПИ УПРАВЛЕНИЯ US 24V AC/DC, ПРУЖИННЫЕ КЛЕММЫ, ВХОД ДЛЯ ТЕРМИСТОРНОЙ ЗАЩИТЫ ЭЛЕКТРОДВИГАТЕЛЯ 711.85
3RW4037-2TB0542GУСТРОЙСТВО ПЛАВНОГО ПУСКА SIRIUS, ТИПОРАЗМЕР S2, 63A, 37КВТ/500V, 40 ГРАД., НОМИНАЛЬНОЕ РАБОЧЕЕ НАПРЯЖЕНИЕ UE 400-600V AC, НОМИНАЛЬНОЕ НАПРЯЖЕНИЕ ЦЕПИ УПРАВЛЕНИЯ US 24V AC/DC, ПРУЖИННЫЕ КЛЕММЫ, ВХОД ДЛЯ ТЕРМИСТОРНОЙ ЗАЩИТЫ ЭЛЕКТРОДВИГАТЕЛЯ 807.30
3RW4038-1BB0442GУСТРОЙСТВО ПЛАВНОГО ПУСКА SIRIUS, ТИПОРАЗМЕР S2, 72A, 37КВТ/400V, 40 ГРАД., НОМИНАЛЬНОЕ РАБОЧЕЕ НАПРЯЖЕНИЕ UE 200-480V AC, НОМИНАЛЬНОЕ НАПРЯЖЕНИЕ ЦЕПИ УПРАВЛЕНИЯ US 24V AC/DC, ВИНТОВЫЕ КЛЕММЫ 734.85
3RW4038-1BB0542GУСТРОЙСТВО ПЛАВНОГО ПУСКА SIRIUS, ТИПОРАЗМЕР S2, 72A, 45КВТ/500V, 40 ГРАД., НОМИНАЛЬНОЕ РАБОЧЕЕ НАПРЯЖЕНИЕ UE 400-600V AC, НОМИНАЛЬНОЕ НАПРЯЖЕНИЕ ЦЕПИ УПРАВЛЕНИЯ US 24V AC/DC, ВИНТОВЫЕ КЛЕММЫ 841.80
3RW4038-1BB1442GУСТРОЙСТВО ПЛАВНОГО ПУСКА SIRIUS, ТИПОРАЗМЕР S2, 72A, 37КВТ/400V, 40 ГРАД., НОМИНАЛЬНОЕ РАБОЧЕЕ НАПРЯЖЕНИЕ UE 200-480V AC, НОМИНАЛЬНОЕ НАПРЯЖЕНИЕ ЦЕПИ УПРАВЛЕНИЯ US 110-230V AC/DC , ВИНТОВЫЕ КЛЕММЫ 734.85
3RW4038-1BB1542GУСТРОЙСТВО ПЛАВНОГО ПУСКА SIRIUS, ТИПОРАЗМЕР S2, 72A, 45КВТ/500V, 40 ГРАД., НОМИНАЛЬНОЕ РАБОЧЕЕ НАПРЯЖЕНИЕ UE 400-600V AC, НОМИНАЛЬНОЕ НАПРЯЖЕНИЕ ЦЕПИ УПРАВЛЕНИЯ US 110-230V AC/DC , ВИНТОВЫЕ КЛЕММЫ 841.80
3RW4038-1TB0442GУСТРОЙСТВО ПЛАВНОГО ПУСКА SIRIUS, ТИПОРАЗМЕР S2, 72A, 37КВТ/400V, 40 ГРАД., НОМИНАЛЬНОЕ РАБОЧЕЕ НАПРЯЖЕНИЕ UE 200-480V AC, НОМИНАЛЬНОЕ НАПРЯЖЕНИЕ ЦЕПИ УПРАВЛЕНИЯ US 24V AC/DC, ВИНТОВЫЕ КЛЕММЫ, ВХОД ДЛЯ ТЕРМИСТОРНОЙ ЗАЩИТЫ ЭЛЕКТРОДВИГАТЕЛЯ 813.05
3RW4038-1TB0542GУСТРОЙСТВО ПЛАВНОГО ПУСКА SIRIUS, ТИПОРАЗМЕР S2, 72A, 45КВТ/500V, 40 ГРАД., НОМИНАЛЬНОЕ РАБОЧЕЕ НАПРЯЖЕНИЕ UE 400-600V AC, НОМИНАЛЬНОЕ НАПРЯЖЕНИЕ ЦЕПИ УПРАВЛЕНИЯ US 24V AC/DC, ВИНТОВЫЕ КЛЕММЫ, ВХОД ДЛЯ ТЕРМИСТОРНОЙ ЗАЩИТЫ ЭЛЕКТРОДВИГАТЕЛЯ 922.30
3RW4038-2BB0442GУСТРОЙСТВО ПЛАВНОГО ПУСКА SIRIUS, ТИПОРАЗМЕР S2, 72A, 37КВТ/400V, 40 ГРАД., НОМИНАЛЬНОЕ РАБОЧЕЕ НАПРЯЖЕНИЕ UE 200-480V AC, НОМИНАЛЬНОЕ НАПРЯЖЕНИЕ ЦЕПИ УПРАВЛЕНИЯ US 24V AC/DC, ГЛАВНАЯ ЦЕПЬ: ВИНТОВЫЕ КЛЕММЫ, ВСПОМОГАТЕЛЬНАЯ ЦЕПЬ: ПРУЖИННЫЕ КЛЕММЫ 734.85
3RW4038-2BB0542GУСТРОЙСТВО ПЛАВНОГО ПУСКА SIRIUS, ТИПОРАЗМЕР S2, 72A, 45КВТ/500V, 40 ГРАД., НОМИНАЛЬНОЕ РАБОЧЕЕ НАПРЯЖЕНИЕ UE 400-600V AC, НОМИНАЛЬНОЕ НАПРЯЖЕНИЕ ЦЕПИ УПРАВЛЕНИЯ US 24V AC/DC, ГЛАВНАЯ ЦЕПЬ: ВИНТОВЫЕ КЛЕММЫ, ВСПОМОГАТЕЛЬНАЯ ЦЕПЬ: ПРУЖИННЫЕ КЛЕММЫ 841.80
3RW4038-2BB1442GУСТРОЙСТВО ПЛАВНОГО ПУСКА SIRIUS, ТИПОРАЗМЕР S2, 72A, 37КВТ/400V, 40 ГРАД., НОМИНАЛЬНОЕ РАБОЧЕЕ НАПРЯЖЕНИЕ UE 200-480V AC, НОМИНАЛЬНОЕ НАПРЯЖЕНИЕ ЦЕПИ УПРАВЛЕНИЯ US 110-230V AC/DC , ГЛАВНАЯ ЦЕПЬ: ВИНТОВЫЕ КЛЕММЫ, ВСПОМОГАТЕЛЬНАЯ ЦЕПЬ: ПРУЖИННЫЕ КЛЕММЫ 734.85
3RW4038-2BB1542GУСТРОЙСТВО ПЛАВНОГО ПУСКА SIRIUS, ТИПОРАЗМЕР S2, 72A, 45КВТ/500V, 40 ГРАД., НОМИНАЛЬНОЕ РАБОЧЕЕ НАПРЯЖЕНИЕ UE 400-600V AC, НОМИНАЛЬНОЕ НАПРЯЖЕНИЕ ЦЕПИ УПРАВЛЕНИЯ US 110-230V AC/DC , ГЛАВНАЯ ЦЕПЬ: ВИНТОВЫЕ КЛЕММЫ, ВСПОМОГАТЕЛЬНАЯ ЦЕПЬ: ПРУЖИННЫЕ КЛЕММЫ 841.80
3RW4038-2TB0442GУСТРОЙСТВО ПЛАВНОГО ПУСКА SIRIUS, ТИПОРАЗМЕР S2, 72A, 37КВТ/400V, 40 ГРАД., НОМИНАЛЬНОЕ РАБОЧЕЕ НАПРЯЖЕНИЕ UE 200-480V AC, НОМИНАЛЬНОЕ НАПРЯЖЕНИЕ ЦЕПИ УПРАВЛЕНИЯ US 24V AC/DC, ПРУЖИННЫЕ КЛЕММЫ, ВХОД ДЛЯ ТЕРМИСТОРНОЙ ЗАЩИТЫ ЭЛЕКТРОДВИГАТЕЛЯ 813.05
3RW4038-2TB0542GУСТРОЙСТВО ПЛАВНОГО ПУСКА SIRIUS, ТИПОРАЗМЕР S2, 72A, 45КВТ/500V, 40 ГРАД., НОМИНАЛЬНОЕ РАБОЧЕЕ НАПРЯЖЕНИЕ UE 400-600V AC, НОМИНАЛЬНОЕ НАПРЯЖЕНИЕ ЦЕПИ УПРАВЛЕНИЯ US 24V AC/DC, ПРУЖИННЫЕ КЛЕММЫ, ВХОД ДЛЯ ТЕРМИСТОРНОЙ ЗАЩИТЫ ЭЛЕКТРОДВИГАТЕЛЯ 922.30
3RW4046-1BB0442GУСТРОЙСТВО ПЛАВНОГО ПУСКА SIRIUS, ТИПОРАЗМЕР S3, 80A, 45КВТ/400V, 40 ГРАД., НОМИНАЛЬНОЕ РАБОЧЕЕ НАПРЯЖЕНИЕ UE 200-480V AC, НОМИНАЛЬНОЕ НАПРЯЖЕНИЕ ЦЕПИ УПРАВЛЕНИЯ US 24V AC/DC, ВИНТОВЫЕ КЛЕММЫ 828.00
3RW4046-1BB0542GУСТРОЙСТВО ПЛАВНОГО ПУСКА SIRIUS, ТИПОРАЗМЕР S3, 80A, 55КВТ/500V, 40 ГРАД., НОМИНАЛЬНОЕ РАБОЧЕЕ НАПРЯЖЕНИЕ UE 400-600V AC, НОМИНАЛЬНОЕ НАПРЯЖЕНИЕ ЦЕПИ УПРАВЛЕНИЯ US 24V AC/DC, ВИНТОВЫЕ КЛЕММЫ 951.05
3RW4046-1BB1442GУСТРОЙСТВО ПЛАВНОГО ПУСКА SIRIUS, ТИПОРАЗМЕР S3, 80A, 45КВТ/400V, 40 ГРАД., НОМИНАЛЬНОЕ РАБОЧЕЕ НАПРЯЖЕНИЕ UE 200-480V AC, НОМИНАЛЬНОЕ НАПРЯЖЕНИЕ ЦЕПИ УПРАВЛЕНИЯ US 110-230V AC/DC , ВИНТОВЫЕ КЛЕММЫ 828.00
3RW4046-1BB1542GУСТРОЙСТВО ПЛАВНОГО ПУСКА SIRIUS, ТИПОРАЗМЕР S3, 80A, 55КВТ/500V, 40 ГРАД., НОМИНАЛЬНОЕ РАБОЧЕЕ НАПРЯЖЕНИЕ UE 400-600V AC, НОМИНАЛЬНОЕ НАПРЯЖЕНИЕ ЦЕПИ УПРАВЛЕНИЯ US 110-230V AC/DC , ВИНТОВЫЕ КЛЕММЫ 951.05
3RW4046-1TB0442GУСТРОЙСТВО ПЛАВНОГО ПУСКА SIRIUS, ТИПОРАЗМЕР S3, 80A, 45КВТ/400V, 40 ГРАД., НОМИНАЛЬНОЕ РАБОЧЕЕ НАПРЯЖЕНИЕ UE 200-480V AC, НОМИНАЛЬНОЕ НАПРЯЖЕНИЕ ЦЕПИ УПРАВЛЕНИЯ US 24V AC/DC, ВИНТОВЫЕ КЛЕММЫ, ВХОД ДЛЯ ТЕРМИСТОРНОЙ ЗАЩИТЫ ЭЛЕКТРОДВИГАТЕЛЯ 907.35
3RW4046-1TB0542GУСТРОЙСТВО ПЛАВНОГО ПУСКА SIRIUS, ТИПОРАЗМЕР S3, 80A, 55КВТ/500V, 40 ГРАД., НОМИНАЛЬНОЕ РАБОЧЕЕ НАПРЯЖЕНИЕ UE 400-600V AC, НОМИНАЛЬНОЕ НАПРЯЖЕНИЕ ЦЕПИ УПРАВЛЕНИЯ US 24V AC/DC, ВИНТОВЫЕ КЛЕММЫ, ВХОД ДЛЯ ТЕРМИСТОРНОЙ ЗАЩИТЫ ЭЛЕКТРОДВИГАТЕЛЯ 1031.55
3RW4046-2BB0442GУСТРОЙСТВО ПЛАВНОГО ПУСКА SIRIUS, ТИПОРАЗМЕР S3, 80A, 45КВТ/400V, 40 ГРАД., НОМИНАЛЬНОЕ РАБОЧЕЕ НАПРЯЖЕНИЕ UE 200-480V AC, НОМИНАЛЬНОЕ НАПРЯЖЕНИЕ ЦЕПИ УПРАВЛЕНИЯ US 24V AC/DC, ГЛАВНАЯ ЦЕПЬ: ВИНТОВЫЕ КЛЕММЫ, ВВСПОМОГАТЕЛЬНАЯ ЦЕПЬ: ПРУЖИННЫЕ КЛЕММЫ 828.00
3RW4046-2BB0542GУСТРОЙСТВО ПЛАВНОГО ПУСКА SIRIUS, ТИПОРАЗМЕР S3, 80A, 55КВТ/500V, 40 ГРАД., НОМИНАЛЬНОЕ РАБОЧЕЕ НАПРЯЖЕНИЕ UE 400-600V AC, НОМИНАЛЬНОЕ НАПРЯЖЕНИЕ ЦЕПИ УПРАВЛЕНИЯ US 24V AC/DC, ГЛАВНАЯ ЦЕПЬ: ВИНТОВЫЕ КЛЕММЫ, ВСПОМОГАТЕЛЬНАЯ ЦЕПЬ: ПРУЖИННЫЕ КЛЕММЫ 951.05
3RW4046-2BB1442GУСТРОЙСТВО ПЛАВНОГО ПУСКА SIRIUS, ТИПОРАЗМЕР S3, 80A, 45КВТ/400V, 40 ГРАД., НОМИНАЛЬНОЕ РАБОЧЕЕ НАПРЯЖЕНИЕ UE 200-480V AC, НОМИНАЛЬНОЕ НАПРЯЖЕНИЕ ЦЕПИ УПРАВЛЕНИЯ US 110-230V AC/DC , ГЛАВНАЯ ЦЕПЬ: ВИНТОВЫЕ КЛЕММЫ, ВСПОМОГАТЕЛЬНАЯ ЦЕПЬ: ПРУЖИННЫЕ КЛЕММЫ 828.00
3RW4046-2BB1542GУСТРОЙСТВО ПЛАВНОГО ПУСКА SIRIUS, ТИПОРАЗМЕР S3, 80A, 55КВТ/500V, 40 ГРАД., НОМИНАЛЬНОЕ РАБОЧЕЕ НАПРЯЖЕНИЕ UE 400-600V AC, НОМИНАЛЬНОЕ НАПРЯЖЕНИЕ ЦЕПИ УПРАВЛЕНИЯ US 110-230V AC/DC , ГЛАВНАЯ ЦЕПЬ: ВИНТОВЫЕ КЛЕММЫ, ВСПОМОГАТЕЛЬНАЯ ЦЕПЬ: ПРУЖИННЫЕ КЛЕММЫ 951.05
3RW4046-2TB0442GУСТРОЙСТВО ПЛАВНОГО ПУСКА SIRIUS, ТИПОРАЗМЕР S3, 80A, 45КВТ/400V, 40 ГРАД., НОМИНАЛЬНОЕ РАБОЧЕЕ НАПРЯЖЕНИЕ UE 200-480V AC, НОМИНАЛЬНОЕ НАПРЯЖЕНИЕ ЦЕПИ УПРАВЛЕНИЯ US 24V AC/DC, ПРУЖИННЫЕ КЛЕММЫ, ВХОД ДЛЯ ТЕРМИСТОРНОЙ ЗАЩИТЫ ЭЛЕКТРОДВИГАТЕЛЯ 907.35
3RW4046-2TB0542GУСТРОЙСТВО ПЛАВНОГО ПУСКА SIRIUS, ТИПОРАЗМЕР S3, 80A, 55КВТ/500V, 40 ГРАД., НОМИНАЛЬНОЕ РАБОЧЕЕ НАПРЯЖЕНИЕ UE 400-600V AC, НОМИНАЛЬНОЕ НАПРЯЖЕНИЕ ЦЕПИ УПРАВЛЕНИЯ US 24V AC/DC, ПРУЖИННЫЕ КЛЕММЫ, ВХОД ДЛЯ ТЕРМИСТОРНОЙ ЗАЩИТЫ ЭЛЕКТРОДВИГАТЕЛЯ 1031.55
3RW4047-1BB0442GУСТРОЙСТВО ПЛАВНОГО ПУСКА SIRIUS, ТИПОРАЗМЕР S3, 106A, 55КВТ/400V, 40 ГРАД., НОМИНАЛЬНОЕ РАБОЧЕЕ НАПРЯЖЕНИЕ UE 200-480V AC, НОМИНАЛЬНОЕ НАПРЯЖЕНИЕ ЦЕПИ УПРАВЛЕНИЯ US 24V AC/DC, ВИНТОВЫЕ КЛЕММЫ 901.60
3RW4047-1BB0542GУСТРОЙСТВО ПЛАВНОГО ПУСКА SIRIUS, ТИПОРАЗМЕР S3, 106A, 75КВТ/500V, 40 ГРАД., НОМИНАЛЬНОЕ РАБОЧЕЕ НАПРЯЖЕНИЕ UE 400-600V AC, НОМИНАЛЬНОЕ НАПРЯЖЕНИЕ ЦЕПИ УПРАВЛЕНИЯ US 24V AC/DC, ВИНТОВЫЕ КЛЕММЫ 1035.00
3RW4047-1BB1442GУСТРОЙСТВО ПЛАВНОГО ПУСКА SIRIUS, ТИПОРАЗМЕР S3, 106A, 55КВТ/400V, 40 ГРАД., НОМИНАЛЬНОЕ РАБОЧЕЕ НАПРЯЖЕНИЕ UE 200-480V AC, НОМИНАЛЬНОЕ НАПРЯЖЕНИЕ ЦЕПИ УПРАВЛЕНИЯ US 110-230V AC/DC , ВИНТОВЫЕ КЛЕММЫ 901.60
3RW4047-1BB1542GУСТРОЙСТВО ПЛАВНОГО ПУСКА SIRIUS, ТИПОРАЗМЕР S3, 106A, 75КВТ/500V, 40 ГРАД., НОМИНАЛЬНОЕ РАБОЧЕЕ НАПРЯЖЕНИЕ UE 400-600V AC, НОМИНАЛЬНОЕ НАПРЯЖЕНИЕ ЦЕПИ УПРАВЛЕНИЯ US 110-230V AC/DC , ВИНТОВЫЕ КЛЕММЫ 1035.00
3RW4047-1TB0442GУСТРОЙСТВО ПЛАВНОГО ПУСКА SIRIUS, ТИПОРАЗМЕР S3, 106A, 55КВТ/400V, 40 ГРАД., НОМИНАЛЬНОЕ РАБОЧЕЕ НАПРЯЖЕНИЕ UE 200-480V AC, НОМИНАЛЬНОЕ НАПРЯЖЕНИЕ ЦЕПИ УПРАВЛЕНИЯ US 24V AC/DC, ВИНТОВЫЕ КЛЕММЫ, ВХОД ДЛЯ ТЕРМИСТОРНОЙ ЗАЩИТЫ ЭЛЕКТРОДВИГАТЕЛЯ 979.80
3RW4047-1TB0542GУСТРОЙСТВО ПЛАВНОГО ПУСКА SIRIUS, ТИПОРАЗМЕР S3, 106A, 75КВТ/500V, 40 ГРАД., НОМИНАЛЬНОЕ РАБОЧЕЕ НАПРЯЖЕНИЕ UE 400-600V AC, НОМИНАЛЬНОЕ НАПРЯЖЕНИЕ ЦЕПИ УПРАВЛЕНИЯ US 24V AC/DC, ВИНТОВЫЕ КЛЕММЫ, ВХОД ДЛЯ ТЕРМИСТОРНОЙ ЗАЩИТЫ ЭЛЕКТРОДВИГАТЕЛЯ 1115.50
3RW4047-2BB0442GУСТРОЙСТВО ПЛАВНОГО ПУСКА SIRIUS, ТИПОРАЗМЕР S3, 106A, 55КВТ/400V, 40 ГРАД., НОМИНАЛЬНОЕ РАБОЧЕЕ НАПРЯЖЕНИЕ UE 200-480V AC, НОМИНАЛЬНОЕ НАПРЯЖЕНИЕ ЦЕПИ УПРАВЛЕНИЯ US 24V AC/DC, ГЛАВНАЯ ЦЕПЬ: ВИНТОВЫЕ КЛЕММЫ, ВСПОМОГАТЕЛЬНАЯ ЦЕПЬ: ПРУЖИННЫЕ КЛЕММЫ 901.60
3RW4047-2BB0542GУСТРОЙСТВО ПЛАВНОГО ПУСКА SIRIUS, ТИПОРАЗМЕР S3, 106A, 75КВТ/500V, 40 ГРАД., НОМИНАЛЬНОЕ РАБОЧЕЕ НАПРЯЖЕНИЕ UE 400-600V AC, НОМИНАЛЬНОЕ НАПРЯЖЕНИЕ ЦЕПИ УПРАВЛЕНИЯ US 24V AC/DC, ГЛАВНАЯ ЦЕПЬ: ВИНТОВЫЕ КЛЕММЫ, ВСПОМОГАТЕЛЬНАЯ ЦЕПЬ: ПРУЖИННЫЕ КЛЕММЫ 1035.00
3RW4047-2BB1442GУСТРОЙСТВО ПЛАВНОГО ПУСКА SIRIUS, ТИПОРАЗМЕР S3, 106A, 55КВТ/400V, 40 ГРАД., НОМИНАЛЬНОЕ РАБОЧЕЕ НАПРЯЖЕНИЕ UE 200-480V AC, НОМИНАЛЬНОЕ НАПРЯЖЕНИЕ ЦЕПИ УПРАВЛЕНИЯ US 110-230V AC/DC , ГЛАВНАЯ ЦЕПЬ: ВИНТОВЫЕ КЛЕММЫ, ВСПОМОГАТЕЛЬНАЯ ЦЕПЬ: ПРУЖИННЫЕ КЛЕММЫ 901.60
3RW4047-2BB1542GУСТРОЙСТВО ПЛАВНОГО ПУСКА SIRIUS, ТИПОРАЗМЕР S3, 106A, 75КВТ/500V, 40 ГРАД., НОМИНАЛЬНОЕ РАБОЧЕЕ НАПРЯЖЕНИЕ UE 400-600V AC, НОМИНАЛЬНОЕ НАПРЯЖЕНИЕ ЦЕПИ УПРАВЛЕНИЯ US 110-230V AC/DC , ГЛАВНАЯ ЦЕПЬ: ВИНТОВЫЕ КЛЕММЫ, ВСПОМОГАТЕЛЬНАЯ ЦЕПЬ: ПРУЖИННЫЕ КЛЕММЫ 1035.00
3RW4047-2TB0442GУСТРОЙСТВО ПЛАВНОГО ПУСКА SIRIUS, ТИПОРАЗМЕР S3, 106A, 55КВТ/400V, 40 ГРАД., НОМИНАЛЬНОЕ РАБОЧЕЕ НАПРЯЖЕНИЕ UE 200-480V AC, НОМИНАЛЬНОЕ НАПРЯЖЕНИЕ ЦЕПИ УПРАВЛЕНИЯ US 24V AC/DC, ПРУЖИННЫЕ КЛЕММЫ, ВХОД ДЛЯ ТЕРМИСТОРНОЙ ЗАЩИТЫ ЭЛЕКТРОДВИГАТЕЛЯ 979.80
3RW4047-2TB0542GУСТРОЙСТВО ПЛАВНОГО ПУСКА SIRIUS, ТИПОРАЗМЕР S3, 106A, 75КВТ/500V, 40 ГРАД., НОМИНАЛЬНОЕ РАБОЧЕЕ НАПРЯЖЕНИЕ UE 400-600V AC, НОМИНАЛЬНОЕ НАПРЯЖЕНИЕ ЦЕПИ УПРАВЛЕНИЯ US 24V AC/DC, ПРУЖИННЫЕ КЛЕММЫ, ВХОД ДЛЯ ТЕРМИСТОРНОЙ ЗАЩИТЫ ЭЛЕКТРОДВИГАТЕЛЯ 1115.50
3RW4055-2BB3442GУСТРОЙСТВО ПЛАВНОГО ПУСКА SIRIUS, ТИПОРАЗМЕР S6, 117 A, 75 HP/460 V, 50 ГРАД., НОМИНАЛЬНОЕ РАБОЧЕЕ НАПРЯЖЕНИЕ UE 200-460 В АС, НОМИНАЛЬНОЕ НАПРЯЖЕНИЕ ЦЕПИ УПРАВЛЕНИЯ US 115 V AC, ПРУЖИННЫЕ КОНТАКТЫ ВСПОМОГАТЕЛЬНЫХ ЦЕПЕЙ 954.50
3RW4055-2BB3542GУСТРОЙСТВО ПЛАВНОГО ПУСКА SIRIUS, ТИПОРАЗМЕР S6, 117 A, 100 HP/575 V, 50 ГРАД., 400-600 V AC, НОМИНАЛЬНОЕ НАПРЯЖЕНИЕ ЦЕПИ УПРАВЛЕНИЯ US 115 V AC, ПРУЖИННЫЕ КОНТАКТЫ ВСПОМОГАТЕЛЬНЫХ ЦЕПЕЙ 1097.10
3RW4055-2BB4442GУСТРОЙСТВО ПЛАВНОГО ПУСКА SIRIUS, ТИПОРАЗМЕР S6, 134 A, 75 КВТ/400 V, 40 ГРАД., НОМИНАЛЬНОЕ РАБОЧЕЕ НАПРЯЖЕНИЕ UE 200-460 В АС, НОМИАНЛЬНОЕ ПИТАЮЩЕЕ НАПРЯЖЕНИЕ ЦЕПИ УПРАВЛЕНИЯ US 230 В АС, ПРУЖИННЫЕ КОНТАКТЫ ВСПОМОГАТЕЛЬНЫХ ЦЕПЕЙ 954.50
3RW4055-2BB4542GУСТРОЙСТВО ПЛАВНОГО ПУСКА SIRIUS, ТИПОРАЗМЕР S6, 134 A, 90 КВТ/500 V, 40 ГРАД., 400-600 V AC, НОМИАНЛЬНОЕ ПИТАЮЩЕЕ НАПРЯЖЕНИЕ ЦЕПИ УПРАВЛЕНИЯ US 230 В АС, ПРУЖИННЫЕ КОНТАКТЫ ВСПОМОГАТЕЛЬНЫХ ЦЕПЕЙ 1097.10
3RW4055-6BB3442GУСТРОЙСТВО ПЛАВНОГО ПУСКА SIRIUS, ТИПОРАЗМЕР S6, 117 A, 75 HP/460 V, 50 ГРАД., НОМИНАЛЬНОЕ РАБОЧЕЕ НАПРЯЖЕНИЕ UE 200-460 В АС, НОМИНАЛЬНОЕ НАПРЯЖЕНИЕ ЦЕПИ УПРАВЛЕНИЯ US 115 V AC, ВИНТ.КОНТАКТЫ 954.50
3RW4055-6BB3542GУСТРОЙСТВО ПЛАВНОГО ПУСКА SIRIUS, ТИПОРАЗМЕР S6, 117 A, 100 HP/575 V, 50 ГРАД., 400-600 V AC, НОМИНАЛЬНОЕ НАПРЯЖЕНИЕ ЦЕПИ УПРАВЛЕНИЯ US 115 V AC, ВИНТ.КОНТАКТЫ 1097.10
3RW4055-6BB4442GУСТРОЙСТВО ПЛАВНОГО ПУСКА SIRIUS, ТИПОРАЗМЕР S6, 134 A, 75 КВТ/400 V, 40 ГРАД., НОМИНАЛЬНОЕ РАБОЧЕЕ НАПРЯЖЕНИЕ UE 200-460 В АС, НОМИАНЛЬНОЕ ПИТАЮЩЕЕ НАПРЯЖЕНИЕ ЦЕПИ УПРАВЛЕНИЯ US 230 В АС, ВИНТ. КОНТАКТЫ 954.50
3RW4055-6BB4542GУСТРОЙСТВО ПЛАВНОГО ПУСКА SIRIUS, ТИПОРАЗМЕР S6, 134 A, 90 КВТ/500 V, 40 ГРАД., 400-600 V AC, НОМИАНЛЬНОЕ ПИТАЮЩЕЕ НАПРЯЖЕНИЕ ЦЕПИ УПРАВЛЕНИЯ US 230 В АС, ВИНТ. КОНТАКТЫ 1097.10
3RW4056-2BB3442GУСТРОЙСТВО ПЛАВНОГО ПУСКА SIRIUS, ТИПОРАЗМЕР S6, 145 A, 100 HP/460 V, 50 ГРАД., НОМИНАЛЬНОЕ РАБОЧЕЕ НАПРЯЖЕНИЕ UE 200-460 В АС, НОМИНАЛЬНОЕ НАПРЯЖЕНИЕ ЦЕПИ УПРАВЛЕНИЯ US 115 V AC, ПРУЖИННЫЕ КОНТАКТЫ ВСПОМОГАТЕЛЬНЫХ ЦЕПЕЙ 1196.00
3RW4056-2BB3542GУСТРОЙСТВО ПЛАВНОГО ПУСКА SIRIUS, ТИПОРАЗМЕР S6, 145 A, 150 HP/575 V, 50 ГРАД., 400-600 V AC, НОМИНАЛЬНОЕ НАПРЯЖЕНИЕ ЦЕПИ УПРАВЛЕНИЯ US 115 V AC, ПРУЖИННЫЕ КОНТАКТЫ ВСПОМОГАТЕЛЬНЫХ ЦЕПЕЙ 1357.00
3RW4056-2BB4442GУСТРОЙСТВО ПЛАВНОГО ПУСКА SIRIUS, ТИПОРАЗМЕР S6, 162 A, 90 КВТ/400 V, 40 ГРАД., НОМИНАЛЬНОЕ РАБОЧЕЕ НАПРЯЖЕНИЕ UE 200-460 В АС, НОМИАНЛЬНОЕ ПИТАЮЩЕЕ НАПРЯЖЕНИЕ ЦЕПИ УПРАВЛЕНИЯ US 230 В АС, ПРУЖИННЫЕ КОНТАКТЫ ВСПОМОГАТЕЛЬНЫХ ЦЕПЕЙ 1196.00
3RW4056-2BB4542GУСТРОЙСТВО ПЛАВНОГО ПУСКА SIRIUS, ТИПОРАЗМЕР S6, 162 A, 110 КВТ/500 V, 40 ГРАД., 400-600 V AC, НОМИАНЛЬНОЕ ПИТАЮЩЕЕ НАПРЯЖЕНИЕ ЦЕПИ УПРАВЛЕНИЯ US 230 В АС, ПРУЖИННЫЕ КОНТАКТЫ ВСПОМОГАТЕЛЬНЫХ ЦЕПЕЙ 1357.00
3RW4056-6BB3442GУСТРОЙСТВО ПЛАВНОГО ПУСКА SIRIUS, ТИПОРАЗМЕР S6, 145 A, 100 HP/460 V, 50 ГРАД., НОМИНАЛЬНОЕ РАБОЧЕЕ НАПРЯЖЕНИЕ UE 200-460 В АС, НОМИНАЛЬНОЕ НАПРЯЖЕНИЕ ЦЕПИ УПРАВЛЕНИЯ US 115 V AC, ВИНТ.КОНТАКТЫ 1196.00
3RW4056-6BB3542GУСТРОЙСТВО ПЛАВНОГО ПУСКА SIRIUS, ТИПОРАЗМЕР S6, 145 A, 150 HP/575 V, 50 ГРАД., 400-600 V AC, НОМИНАЛЬНОЕ НАПРЯЖЕНИЕ ЦЕПИ УПРАВЛЕНИЯ US 115 V AC, ВИНТ.КОНТАКТЫ 1357.00
3RW4056-6BB4442GУСТРОЙСТВО ПЛАВНОГО ПУСКА SIRIUS, ТИПОРАЗМЕР S6, 162 A, 90 КВТ/400 V, 40 ГРАД., НОМИНАЛЬНОЕ РАБОЧЕЕ НАПРЯЖЕНИЕ UE 200-460 В АС, НОМИАНЛЬНОЕ ПИТАЮЩЕЕ НАПРЯЖЕНИЕ ЦЕПИ УПРАВЛЕНИЯ US 230 В АС, ВИНТ. КОНТАКТЫ 1196.00
3RW4056-6BB4542GУСТРОЙСТВО ПЛАВНОГО ПУСКА SIRIUS, ТИПОРАЗМЕР S6, 162 A, 110 КВТ/500 V, 40 ГРАД., 400-600 V AC, НОМИАНЛЬНОЕ ПИТАЮЩЕЕ НАПРЯЖЕНИЕ ЦЕПИ УПРАВЛЕНИЯ US 230 В АС, ВИНТ. КОНТАКТЫ 1357.00
3RW4073-2BB3442GУСТРОЙСТВО ПЛАВНОГО ПУСКА SIRIUS, ТИПОРАЗМЕР S12, 205 A, 150 HP/460 V, 50 ГРАД., НОМИНАЛЬНОЕ РАБОЧЕЕ НАПРЯЖЕНИЕ UE 200-460 В АС, НОМИНАЛЬНОЕ НАПРЯЖЕНИЕ ЦЕПИ УПРАВЛЕНИЯ US 115 V AC, ПРУЖИННЫЕ КОНТАКТЫ ВСПОМОГАТЕЛЬНЫХ ЦЕПЕЙ 1334.00
3RW4073-2BB3542GУСТРОЙСТВО ПЛАВНОГО ПУСКА SIRIUS, ТИПОРАЗМЕР S12, 205 A, 200 HP/575 V, 50 ГРАД., 400-600 V AC, НОМИНАЛЬНОЕ НАПРЯЖЕНИЕ ЦЕПИ УПРАВЛЕНИЯ US 115 V AC, ПРУЖИННЫЕ КОНТАКТЫ ВСПОМОГАТЕЛЬНЫХ ЦЕПЕЙ 1529.50
3RW4073-2BB4442GУСТРОЙСТВО ПЛАВНОГО ПУСКА SIRIUS, ТИПОРАЗМЕР S12, 230 A, 132 КВТ/400 V, 40 ГРАД., НОМИНАЛЬНОЕ РАБОЧЕЕ НАПРЯЖЕНИЕ UE 200-460 В АС, НОМИАНЛЬНОЕ ПИТАЮЩЕЕ НАПРЯЖЕНИЕ ЦЕПИ УПРАВЛЕНИЯ US 230 В АС, ПРУЖИННЫЕ КОНТАКТЫ ВСПОМОГАТЕЛЬНЫХ ЦЕПЕЙ 1334.00
3RW4073-2BB4542GУСТРОЙСТВО ПЛАВНОГО ПУСКА SIRIUS, ТИПОРАЗМЕР S12, 230 A, 160 КВТ/500 V, 40 ГРАД., 400-600 V AC, НОМИАНЛЬНОЕ ПИТАЮЩЕЕ НАПРЯЖЕНИЕ ЦЕПИ УПРАВЛЕНИЯ US 230 В АС, ПРУЖИННЫЕ КОНТАКТЫ ВСПОМОГАТЕЛЬНЫХ ЦЕПЕЙ 1529.50
3RW4073-6BB3442GУСТРОЙСТВО ПЛАВНОГО ПУСКА SIRIUS, ТИПОРАЗМЕР S12, 205 A, 150 HP/460 V, 50 ГРАД., НОМИНАЛЬНОЕ РАБОЧЕЕ НАПРЯЖЕНИЕ UE 200-460 В АС, НОМИНАЛЬНОЕ НАПРЯЖЕНИЕ ЦЕПИ УПРАВЛЕНИЯ US 115 V AC, ВИНТ.КОНТАКТЫ 1334.00
3RW4073-6BB3542GУСТРОЙСТВО ПЛАВНОГО ПУСКА SIRIUS, ТИПОРАЗМЕР S12, 205 A, 200 HP/575 V, 50 ГРАД., 400-600 V AC, НОМИНАЛЬНОЕ НАПРЯЖЕНИЕ ЦЕПИ УПРАВЛЕНИЯ US 115 V AC, ВИНТ.КОНТАКТЫ 1529.50
3RW4073-6BB4442GУСТРОЙСТВО ПЛАВНОГО ПУСКА SIRIUS, ТИПОРАЗМЕР S12, 230 A, 132 КВТ/400 V, 40 ГРАД., НОМИНАЛЬНОЕ РАБОЧЕЕ НАПРЯЖЕНИЕ UE 200-460 В АС, НОМИАНЛЬНОЕ ПИТАЮЩЕЕ НАПРЯЖЕНИЕ ЦЕПИ УПРАВЛЕНИЯ US 230 В АС, ВИНТ. КОНТАКТЫ 1334.00
3RW4073-6BB4542GУСТРОЙСТВО ПЛАВНОГО ПУСКА SIRIUS, ТИПОРАЗМЕР S12, 230 A, 160 КВТ/500 V, 40 ГРАД., 400-600 V AC, НОМИАНЛЬНОЕ ПИТАЮЩЕЕ НАПРЯЖЕНИЕ ЦЕПИ УПРАВЛЕНИЯ US 230 В АС, ВИНТ. КОНТАКТЫ 1529.50
3RW4074-2BB3442GУСТРОЙСТВО ПЛАВНОГО ПУСКА SIRIUS, ТИПОРАЗМЕР S12, 248 A, 200 HP/460 V, 50 ГРАД., НОМИНАЛЬНОЕ РАБОЧЕЕ НАПРЯЖЕНИЕ UE 200-460 В АС, НОМИНАЛЬНОЕ НАПРЯЖЕНИЕ ЦЕПИ УПРАВЛЕНИЯ US 115 V AC, ПРУЖИННЫЕ КОНТАКТЫ ВСПОМОГАТЕЛЬНЫХ ЦЕПЕЙ 1495.00
3RW4074-2BB3542GУСТРОЙСТВО ПЛАВНОГО ПУСКА SIRIUS, ТИПОРАЗМЕР S12, 248 A, 250 HP/575 V, 50 ГРАД., 400-600 V AC, НОМИНАЛЬНОЕ НАПРЯЖЕНИЕ ЦЕПИ УПРАВЛЕНИЯ US 115 V AC, ПРУЖИННЫЕ КОНТАКТЫ ВСПОМОГАТЕЛЬНЫХ ЦЕПЕЙ 1713.50
3RW4074-2BB4442GУСТРОЙСТВО ПЛАВНОГО ПУСКА SIRIUS, ТИПОРАЗМЕР S12, 280 A, 160 КВТ/400 V, 40 ГРАД., НОМИНАЛЬНОЕ РАБОЧЕЕ НАПРЯЖЕНИЕ UE 200-460 В АС, НОМИАНЛЬНОЕ ПИТАЮЩЕЕ НАПРЯЖЕНИЕ ЦЕПИ УПРАВЛЕНИЯ US 230 В АС, ПРУЖИННЫЕ КОНТАКТЫ ВСПОМОГАТЕЛЬНЫХ ЦЕПЕЙ 1495.00
3RW4074-2BB4542GУСТРОЙСТВО ПЛАВНОГО ПУСКА SIRIUS, ТИПОРАЗМЕР S12, 280 A, 200 КВТ/500 V, 40 ГРАД., 400-600 V AC, НОМИАНЛЬНОЕ ПИТАЮЩЕЕ НАПРЯЖЕНИЕ ЦЕПИ УПРАВЛЕНИЯ US 230 В АС, ПРУЖИННЫЕ КОНТАКТЫ ВСПОМОГАТЕЛЬНЫХ ЦЕПЕЙ 1713.50
3RW4074-6BB3442GУСТРОЙСТВО ПЛАВНОГО ПУСКА SIRIUS, ТИПОРАЗМЕР S12, 248 A, 200 HP/460 V, 50 ГРАД., НОМИНАЛЬНОЕ РАБОЧЕЕ НАПРЯЖЕНИЕ UE 200-460 В АС, НОМИНАЛЬНОЕ НАПРЯЖЕНИЕ ЦЕПИ УПРАВЛЕНИЯ US 115 V AC, ВИНТ.КОНТАКТЫ 1495.00
3RW4074-6BB3542GУСТРОЙСТВО ПЛАВНОГО ПУСКА SIRIUS, ТИПОРАЗМЕР S12, 248 A, 250 HP/575 V, 50 ГРАД., 400-600 V AC, НОМИНАЛЬНОЕ НАПРЯЖЕНИЕ ЦЕПИ УПРАВЛЕНИЯ US 115 V AC, ВИНТ.КОНТАКТЫ 1713.50
3RW4074-6BB4442GУСТРОЙСТВО ПЛАВНОГО ПУСКА SIRIUS, ТИПОРАЗМЕР S12, 280 A, 160 КВТ/400 V, 40 ГРАД., НОМИНАЛЬНОЕ РАБОЧЕЕ НАПРЯЖЕНИЕ UE 200-460 В АС, НОМИАНЛЬНОЕ ПИТАЮЩЕЕ НАПРЯЖЕНИЕ ЦЕПИ УПРАВЛЕНИЯ US 230 В АС, ВИНТ. КОНТАКТЫ 1495.00
3RW4074-6BB4542GУСТРОЙСТВО ПЛАВНОГО ПУСКА SIRIUS, ТИПОРАЗМЕР S12, 280 A, 200 КВТ/500 V, 40 ГРАД., 400-600 V AC, НОМИАНЛЬНОЕ ПИТАЮЩЕЕ НАПРЯЖЕНИЕ ЦЕПИ УПРАВЛЕНИЯ US 230 В АС, ВИНТ. КОНТАКТЫ 1713.50
3RW4075-2BB3442GУСТРОЙСТВО ПЛАВНОГО ПУСКА SIRIUS, ТИПОРАЗМЕР S12, 315 A, 250 HP/460 V, 50 ГРАД., НОМИНАЛЬНОЕ РАБОЧЕЕ НАПРЯЖЕНИЕ UE 200-460 В АС, НОМИНАЛЬНОЕ НАПРЯЖЕНИЕ ЦЕПИ УПРАВЛЕНИЯ US 115 V AC, ПРУЖИННЫЕ КОНТАКТЫ ВСПОМОГАТЕЛЬНЫХ ЦЕПЕЙ 1748.00
3RW4075-2BB3542GУСТРОЙСТВО ПЛАВНОГО ПУСКА SIRIUS, ТИПОРАЗМЕР S12, 315 A, 300 HP/575 V, 50 ГРАД., 400-600 V AC, НОМИНАЛЬНОЕ НАПРЯЖЕНИЕ ЦЕПИ УПРАВЛЕНИЯ US 115 V AC, ПРУЖИННЫЕ КОНТАКТЫ ВСПОМОГАТЕЛЬНЫХ ЦЕПЕЙ 2012.50
3RW4075-2BB4442GУСТРОЙСТВО ПЛАВНОГО ПУСКА SIRIUS, ТИПОРАЗМЕР S12, 356 A, 200 КВТ/400 V, 40 ГРАД., НОМИНАЛЬНОЕ РАБОЧЕЕ НАПРЯЖЕНИЕ UE 200-460 В АС, НОМИАНЛЬНОЕ ПИТАЮЩЕЕ НАПРЯЖЕНИЕ ЦЕПИ УПРАВЛЕНИЯ US 230 В АС, ПРУЖИННЫЕ КОНТАКТЫ ВСПОМОГАТЕЛЬНЫХ ЦЕПЕЙ 1748.00
3RW4075-2BB4542GУСТРОЙСТВО ПЛАВНОГО ПУСКА SIRIUS, ТИПОРАЗМЕР S12, 356 A, 250 КВТ/500 V, 40 ГРАД., 400-600 V AC, НОМИАНЛЬНОЕ ПИТАЮЩЕЕ НАПРЯЖЕНИЕ ЦЕПИ УПРАВЛЕНИЯ US 230 В АС, ПРУЖИННЫЕ КОНТАКТЫ ВСПОМОГАТЕЛЬНЫХ ЦЕПЕЙ 2012.50
3RW4075-6BB3442GУСТРОЙСТВО ПЛАВНОГО ПУСКА SIRIUS, ТИПОРАЗМЕР S12, 315 A, 250 HP/460 V, 50 ГРАД., НОМИНАЛЬНОЕ РАБОЧЕЕ НАПРЯЖЕНИЕ UE 200-460 В АС, НОМИНАЛЬНОЕ НАПРЯЖЕНИЕ ЦЕПИ УПРАВЛЕНИЯ US 115 V AC, ВИНТ.КОНТАКТЫ 1748.00
3RW4075-6BB3542GУСТРОЙСТВО ПЛАВНОГО ПУСКА SIRIUS, ТИПОРАЗМЕР S12, 315 A, 300 HP/575 V, 50 ГРАД., 400-600 V AC, НОМИНАЛЬНОЕ НАПРЯЖЕНИЕ ЦЕПИ УПРАВЛЕНИЯ US 115 V AC, ВИНТ.КОНТАКТЫ 2012.50
3RW4075-6BB4442GУСТРОЙСТВО ПЛАВНОГО ПУСКА SIRIUS, ТИПОРАЗМЕР S12, 356 A, 200 КВТ/400 V, 40 ГРАД., НОМИНАЛЬНОЕ РАБОЧЕЕ НАПРЯЖЕНИЕ UE 200-460 В АС, НОМИАНЛЬНОЕ ПИТАЮЩЕЕ НАПРЯЖЕНИЕ ЦЕПИ УПРАВЛЕНИЯ US 230 В АС, ВИНТ. КОНТАКТЫ 1748.00
3RW4075-6BB4542GУСТРОЙСТВО ПЛАВНОГО ПУСКА SIRIUS, ТИПОРАЗМЕР S12, 356 A, 250 КВТ/500 V, 40 ГРАД., 400-600 V AC, НОМИАНЛЬНОЕ ПИТАЮЩЕЕ НАПРЯЖЕНИЕ ЦЕПИ УПРАВЛЕНИЯ US 230 В АС, ВИНТ. КОНТАКТЫ 2012.50
3RW4076-2BB3442GУСТРОЙСТВО ПЛАВНОГО ПУСКА SIRIUS, ТИПОРАЗМЕР S12, 385 A, 300 HP/460 V, 50 ГРАД., НОМИНАЛЬНОЕ РАБОЧЕЕ НАПРЯЖЕНИЕ UE 200-460 В АС, НОМИНАЛЬНОЕ НАПРЯЖЕНИЕ ЦЕПИ УПРАВЛЕНИЯ US 115 V AC, ПРУЖИННЫЕ КОНТАКТЫ ВСПОМОГАТЕЛЬНЫХ ЦЕПЕЙ 2311.50
3RW4076-2BB3542GУСТРОЙСТВО ПЛАВНОГО ПУСКА SIRIUS, ТИПОРАЗМЕР S12, 385 A, 400 HP/575 V, 50 ГРАД., 400-600 V AC, НОМИНАЛЬНОЕ НАПРЯЖЕНИЕ ЦЕПИ УПРАВЛЕНИЯ US 115 V AC, ПРУЖИННЫЕ КОНТАКТЫ ВСПОМОГАТЕЛЬНЫХ ЦЕПЕЙ 2633.50
3RW4076-2BB4442GУСТРОЙСТВО ПЛАВНОГО ПУСКА SIRIUS, ТИПОРАЗМЕР S12, 432 A, 250 КВТ/400 V, 40 ГРАД., НОМИНАЛЬНОЕ РАБОЧЕЕ НАПРЯЖЕНИЕ UE 200-460 В АС, НОМИАНЛЬНОЕ ПИТАЮЩЕЕ НАПРЯЖЕНИЕ ЦЕПИ УПРАВЛЕНИЯ US 230 В АС, ПРУЖИННЫЕ КОНТАКТЫ ВСПОМОГАТЕЛЬНЫХ ЦЕПЕЙ 2311.50
3RW4076-2BB4542GУСТРОЙСТВО ПЛАВНОГО ПУСКА SIRIUS, ТИПОРАЗМЕР S12, 432 A, 315 КВТ/500 V, 40 ГРАД., 400-600 V AC, НОМИАНЛЬНОЕ ПИТАЮЩЕЕ НАПРЯЖЕНИЕ ЦЕПИ УПРАВЛЕНИЯ US 230 В АС, ПРУЖИННЫЕ КОНТАКТЫ ВСПОМОГАТЕЛЬНЫХ ЦЕПЕЙ 2633.50
3RW4076-6BB3442GУСТРОЙСТВО ПЛАВНОГО ПУСКА SIRIUS, ТИПОРАЗМЕР S12, 385 A, 300 HP/460 V, 50 ГРАД., НОМИНАЛЬНОЕ РАБОЧЕЕ НАПРЯЖЕНИЕ UE 200-460 В АС, НОМИНАЛЬНОЕ НАПРЯЖЕНИЕ ЦЕПИ УПРАВЛЕНИЯ US 115 V AC, ВИНТ.КОНТАКТЫ 2311.50
3RW4076-6BB3542GУСТРОЙСТВО ПЛАВНОГО ПУСКА SIRIUS, ТИПОРАЗМЕР S12, 385 A, 400 HP/575 V, 50 ГРАД., 400-600 V AC, НОМИНАЛЬНОЕ НАПРЯЖЕНИЕ ЦЕПИ УПРАВЛЕНИЯ US 115 V AC, ВИНТ.КОНТАКТЫ 2633.50
3RW4076-6BB4442GУСТРОЙСТВО ПЛАВНОГО ПУСКА SIRIUS, ТИПОРАЗМЕР S12, 432 A, 250 КВТ/400 V, 40 ГРАД., НОМИНАЛЬНОЕ РАБОЧЕЕ НАПРЯЖЕНИЕ UE 200-460 В АС, НОМИАНЛЬНОЕ ПИТАЮЩЕЕ НАПРЯЖЕНИЕ ЦЕПИ УПРАВЛЕНИЯ US 230 В АС, ВИНТ. КОНТАКТЫ 2311.50
3RW4076-6BB4542GУСТРОЙСТВО ПЛАВНОГО ПУСКА SIRIUS, ТИПОРАЗМЕР S12, 432 A, 315 КВТ/500 V, 40 ГРАД., 400-600 V AC, НОМИАНЛЬНОЕ ПИТАЮЩЕЕ НАПРЯЖЕНИЕ ЦЕПИ УПРАВЛЕНИЯ US 230 В АС, ВИНТ. КОНТАКТЫ 2633.50

 


Аксессуары

Скачать Область применения Скачать Дальнейшая информация 

Цена на сайте указана розничная в ЕВРО без учета НДС.Для уточнения цены и размера предоставляемой скидки - звоните или присылайте заявки

Заказной номерPGОписание продуктаЦена
3RA1931-1AA0041BСОЕДИНИТЕЛЬНЫЙ МОДУЛЬ ЭЛЕКТРИЧЕСКИЙ И МЕХАНИЧЕСКИЙ ДЛЯ 3RV1.3 И 3RT1.3, 3RW303 1 ШТ. УПРАВЛЕНИЕ AС (ПРЕДПОЧТИТЕЛЬНЫЙ ТИП) 15.30
3RA1941-1AA0041BСОЕДИНИТЕЛЬНЫЙ МОДУЛЬ ЭЛЕКТРИЧЕСКИЙ И МЕХАНИЧЕСКИЙ ДЛЯ 3RV1.4 И 3RT1.4, 3RW304 1 ШТ. УПРАВЛЕНИЕ AС (ПРЕДПОЧТИТЕЛЬНЫЙ ТИП) 17.37
3RA2908-1A41BОТВЕРТКА SIRIUS С ЧАСТИЧНОЙ ИЗОЛЯЦИЕЙ, ДЛЯ ПРУЖИННЫХ КЛЕММ, TITANIUM GRAY, РАЗМЕРЫ 3.0X0.5X100 13.23
3RA2921-1BA0041BСОЕДИНИТЕЛЬНЫЙ МОДУЛЬ, ВИНТ., ЭЛЕКТР. И МЕХ. СОЕДИНЕНИЕ, ДЛЯ 3RV2.2 И 3RT2.2, УПРАВЛЕНИЕ DC ИЛИ УПП 3RW3 ИЛИ ПП КОНТАКТОР 3RF34 7.31
3RA2921-2GA0041BСОЕДИНИТЕЛЬНЫЙ МОДУЛЬ, ЭЛЕКТР. И МЕХ. СОЕДИНЕНИЕ, ДЛЯ 3RV2021 И 3RW3.2, 3RW402 ПРУЖИННЫЕ КЛЕММЫ 17.25
3RT1900-1SB2041BИДЕНТИФИКАЦИОННАЯ ТАБЛИЧКА 20X7 MM БИРЮЗОВЫЙ ЦВЕТ УПАКОВКА С 17 РАМК. 20 ТАБЛИЧЕК НА РАМКУ = 340 ТАБЛИЧЕК (ПРЕДПОЧТИТЕЛЬНЫЙ ТИП) 26.68
3RT1936-4EA241BКРЫШКА КЛЕММЫ ДЛЯ КЛЕММА S, ТИПОРАЗМЕР S2 ДЛЯ 3RT103. 4.60
3RT1946-4EA141BКРЫШКА КЛЕММЫ ДЛЯ КАБЕЛЬ LUG И ШИННОГО ПОДСОЕДИН., ТИПОРАЗМЕР S3 ДЛЯ 3RT10.4, 8.73
3RT1946-4EA241BКРЫШКА КЛЕММЫ ДЛЯ КЛЕММА S, ТИПОРАЗМЕР S3 ДЛЯ 3RT104. 5.30
3RT1946-4F41BКЛЕММА ДОП. ПРОВОДНИКА ДЛЯ 3RT104., 3-Х ПОЛ. 8.26
3RT1955-4G41BРАМОЧНЫЙ КЛЕММНЫЙ БЛОК ДЛЯ КОНТАКТОРОВ ТИПОРАЗМЕР S6, 3RT1054 ДЛЯ ПЕРЕГРУЗКА РЕЛЕЙНЫЕ 3RB105 (ПРЕДПОЧТИТЕЛЬНЫЙ ТИП) 30.59
3RT1956-4EA141BКЛЕММНАЯ КРЫШКА ДЛЯ ШИННОГО ПОДСОЕДИНЕНИЯ ДЛЯ КОНТАКТОРОВ ТИПОРАЗМЕР S6, 3RT1.5 ДЛЯ РЕЛЕ ПЕРЕГРУЗКИ 3RB105 16.91
3RT1956-4EA241BКЛЕММНАЯ КРЫШКА ДЛЯ РАМОЧНОГО КЛЕММНОГО БЛОКА ДЛЯ КОНТАКТОРОВ ТИПОРАЗМЕР S6, 3RT1.5 ДЛЯ РЕЛЕ ПЕРЕГРУЗКИ 3RB105 13.80
3RT1956-4G41BРАМОЧНЫЙ КЛЕММНЫЙ БЛОК ДЛЯ КОНТАКТОРОВ ТИПОРАЗМЕР S6, 3RT1.5 ДЛЯ РЕЛЕ ПЕРЕГРУЗКИ 3RB105 43.24
3RT1966-4EA141BКЛЕММНАЯ КРЫШКА ДЛЯ ШИННОГО ПОДСОЕДИНЕНИЯ ДЛЯ КОНТАКТОРОВ ТИПОРАЗМЕР S10/S12 ДЛЯ РЕЛЕ ПЕРЕГРУЗКИ 3RB106 24.96
3RT1966-4EA241BКЛЕММНАЯ КРЫШКА ДЛЯ РАМОЧНОГО КЛЕММНОГО БЛОКА ДЛЯ КОНТАКТОРОВ ТИПОРАЗМЕР S10/S12 ДЛЯ РЕЛЕ ПЕРЕГРУЗКИ 3RB106 20.13
3RT1966-4G41BРАМОЧНЫЙ КЛЕММНЫЙ БЛОК ДЛЯ КОНТАКТОРОВ ТИПОРАЗМЕР S10/S12 ДЛЯ РЕЛЕ ПЕРЕГРУЗКИ 3RB106 119.60
3RT2900-1SB2041BIDENTIFICATION PLATES 20X7 MM TI - GREY . . . 26.68
3RU1900-1A41FПЛУНЖЕР МЕХАНИЧЕСКОГО СБРОСА И FUNNEL 4.83
3RU1900-1B41FКАБЕЛЬНЫЙ ВЫПУСК С ДЕРЖАТЕЛЕМ 400 MM ДЛИНОЙ 47.27
3RU1900-1C41FКАБЕЛЬНЫЙ ВЫПУСК С ДЕРЖАТЕЛЕМ 600 MM ДЛИНОЙ 47.27
3RU1900-2AB7141FМОДУЛЬ УДАЛЕННОГО СБРОСА, ЭЛЕКТРИЧЕСКИЙ AC/DC 24.30 V, ДЛЯ ПЕРЕГРУЗОЧНОГО РЕЛЕ 3RU11 42.78
3RU1900-2AF7141FМОДУЛЬ УДАЛЕННОГО СБРОСА, ЭЛЕКТРИЧЕСКИЙ AC/DC 110.127 V, ДЛЯ ПЕРЕГРУЗОЧНОГО РЕЛЕ 3RU11 42.78
3RU1900-2AM7141FМОДУЛЬ УДАЛЕННОГО СБРОСА, ЭЛЕКТРИЧЕСКИЙ AC/DC 220..250 V, ДЛЯ ПЕРЕГРУЗОЧНОГО РЕЛЕ 3RU11 42.78
3RV2925-5AB41E3-Ф. КЛЕММА ВВОДА ПИТАНИЯ, ДЛЯ 3-Ф. ШИНКИ, ПОДКЛЮЧЕНИЕ СВЕРХУ, ТИПОРАЗМЕР S00/S0 11.20
3RW4900-0PB0042GКРЫШКА ДЛЯ ПЛОМБИРОВАНИЯ ДЛЯ УСТРОЙСТВА ПЛАВНОГО ПУСКА SIRIUS 3RW40 S6...S12 16.33
3RW4900-0PB1042GКРЫШКА ДЛЯ ПЛОМБИРОВАНИЯ ДЛЯ УСТРОЙСТВА ПЛАВНОГО ПУСКА SIRIUS 3RW40 S0...S3 12.19
3RW4928-8VB0042GВЕНТИЛЯТОР ОХЛАЖДЕНИЯ ДЛЯ УСТРОЙСТВА ПЛАВНОГО ПУСКА SIRIUS 3RW402 S0 49.34
3RW4936-8VX3042GВЕНТИЛЯТОР ОХЛАЖДЕНИЯДЛЯ УСТРОЙСТВА ПЛАВНОГО ПУСКА SIRIUS 3RW405.-.BB3., 3RW442.-. BC3., 3RW443.-.BC3., НОМИНАЛЬНОЕ НАПРЯЖЕНИЕ ЦЕПИ УПРАВЛЕНИЯ US 115 V AC 90.62
3RW4936-8VX4042GВЕНТИЛЯТОР ОХЛАЖДЕНИЯДЛЯ УСТРОЙСТВА ПЛАВНОГО ПУСКА SIRIUS 3RW405.-.BB4., 3RW442.-. BC4., 3RW443.-.BC4., 230 V AC 90.62
3RW4947-8VB0042GВЕНТИЛЯТОР ОХЛАЖДЕНИЯ ДЛЯ УСТРОЙСТВА ПЛАВНОГО ПУСКА SIRIUS 3RW403 S2, 3RW404 S3 61.41
3RW4947-8VX3042GВЕНТИЛЯТОР ОХЛАЖДЕНИЯДЛЯ УСТРОЙСТВА ПЛАВНОГО ПУСКА SIRIUS 3RW407.-.BB3., 3RW444.-. BC3., НОМИНАЛЬНОЕ НАПРЯЖЕНИЕ ЦЕПИ УПРАВЛЕНИЯ US 115 V AC 90.62
3RW4947-8VX4042GВЕНТИЛЯТОР ОХЛАЖДЕНИЯДЛЯ УСТРОЙСТВА ПЛАВНОГО ПУСКА SIRIUS 3RW407.-.BB4., 3RW444.-. BC4., 230 V AC 90.62
3SB3000-0EA1141JИСПОЛНИТЕЛЬНЫЙ ЭЛЕМЕНТ КНОПКА ВЫСТУПАЮЩАЯ 12MM, ЧЕРНАЯ, БЕЗ ПОДСВЕТКИ 18.52
3SX133541JACCESSORY / SPARE PART FOR THE PLASTIC PROGRAM ROUND, 22MM: EXTENSION PLUNGER FOR PUSHBUTTON WITH EXTENDED STROKE, FOR COMPENSATION OF THE DISTANCE BETWEEN PUSHBUTTON AND UNLATCHING BUTTON OF A THERMAL OVERLOAD RELAY(E.G.) 1.77
3TX7500-0A41BКОНТАКТЫ ДЛЯ ПОДКЛЮЧЕНИЯ ДОП. ПРОВОДНИКОВ ДЛЯ 3TF46 ДO 3TF50 20.82
3ZX1012-0RW30-1AB14N1SIRIUS SOFT STARTER GERMAN 3RW30/40 34.50
3ZX1012-0RW30-1AB14N1SIRIUS SOFT STARTER GERMAN 3RW30/40 25.88
3ZX1012-0RW30-1AB14N1SIRIUS SOFT STARTER GERMAN 3RW30/40 23.00
3ZX1012-0RW30-1AB14N1SIRIUS SOFT STARTER GERMAN 3RW30/40 20.70
3ZX1012-0RW30-1AB14N1SIRIUS SOFT STARTER GERMAN 3RW30/40 18.98
3ZX1012-0RW30-1AB14N1SIRIUS SOFT STARTER GERMAN 3RW30/40 18.40
3ZX1012-0RW30-1AC14N1SIRIUS SOFT STARTER ENGLISH 3RW30/40 23.00
3ZX1012-0RW30-1AC14N1SIRIUS SOFT STARTER ENGLISH 3RW30/40 18.40
3ZX1012-0RW30-1AC14N1SIRIUS SOFT STARTER ENGLISH 3RW30/40 20.70
3ZX1012-0RW30-1AC14N1SIRIUS SOFT STARTER ENGLISH 3RW30/40 25.88
3ZX1012-0RW30-1AC14N1SIRIUS SOFT STARTER ENGLISH 3RW30/40 34.50
3ZX1012-0RW30-1AC14N1SIRIUS SOFT STARTER ENGLISH 3RW30/40 18.98
3ZX1012-0RW30-1AD14N1SIRIUS SOFT STARTER FRENCH 3RW30/40 34.50
3ZX1012-0RW30-1AD14N1SIRIUS SOFT STARTER FRENCH 3RW30/40 25.88
3ZX1012-0RW30-1AD14N1SIRIUS SOFT STARTER FRENCH 3RW30/40 23.00
3ZX1012-0RW30-1AD14N1SIRIUS SOFT STARTER FRENCH 3RW30/40 20.70
3ZX1012-0RW30-1AD14N1SIRIUS SOFT STARTER FRENCH 3RW30/40 18.98
3ZX1012-0RW30-1AD14N1SIRIUS SOFT STARTER FRENCH 3RW30/40 18.40
3ZX1012-0RW30-1AE14N1SIRIUS SOFT STARTER SPANISH 3RW30/40 18.40
3ZX1012-0RW30-1AE14N1SIRIUS SOFT STARTER SPANISH 3RW30/40 34.50
3ZX1012-0RW30-1AE14N1SIRIUS SOFT STARTER SPANISH 3RW30/40 25.88
3ZX1012-0RW30-1AE14N1SIRIUS SOFT STARTER SPANISH 3RW30/40 23.00
3ZX1012-0RW30-1AE14N1SIRIUS SOFT STARTER SPANISH 3RW30/40 20.70
3ZX1012-0RW30-1AE14N1SIRIUS SOFT STARTER SPANISH 3RW30/40 18.98