| Область применения | Дальнейшая информация |
Устройства плавного пуска SIRIUS 3RW30 снижают напряжение на обмотке статора асинхронного двигателя путем управления изменением фазы открытия тиристоров и увеличивают время нарастания напряжения от выбираемого начального напряжения до напряжения сети. В процессе пуска эти устройства ограничивают вращающий момент и ток двигателя. Благодаря этому предотвращаются удары, которые неизбежно возникают при прямых пусках или пусках переключением со звезды на треугольник. Этим путем могут быть значительно снижены механические нагрузки и падения напряжения в сети.
Так как устройства плавного пуска снижают напряжение, то, следовательно, они могут быть отрегулированы в соответствии с конкретными требованиями для каждого случая отдельно в отличие от пуска переключением со звезды на треугольник, при котором пуск производится в две ступени с установкой напряжения в виде двух фиксированных значений.
Устройства плавного пуска SIRIUS 3RW30 характеризуются, прежде всего, маленькими размерами. Встроенная шунтирующая контактная система снижает потери мощности, которые возникают в силовых полупроводниковых элементах (тиристорах) после завершения пуска двигателя. Это сокращает выделение тепла, позволяет получить более компактное устройство и делает ненужными внешние шунтирующие цепи.
Существуют различные исполнения устройств плавного пуска SIRIUS 3RW30:
Устройства плавного пуска имеют диапазон номинальных мощностей до 55 кВт (при 400 В) для стандартных применений в трехфазных сетях. Чрезвычайно малые размеры, низкие потери мощности и простой пуск - это только три из многих преимуществ этих устройств плавного пуска.
| Область применения | Дальнейшая информация |
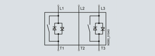
Устройства плавного пуска 3RW30 предназначены для плавного пуска трехфазных асинхронных двигателей.
Благодаря двухфазному управлению ток имеет пониженные значения во всех трех фазах в течение всего процесса пуска. Из-за непрерывного регулирования напряжения пики тока и момента, которые неизбежны, например, в случае пуска переключением со звезды на треугольник, не происходят.
| Область применения | Дальнейшая информация |
Полупроводниковые устройства плавного пуска 3RW разработаны для легких условий пуска. В случае отклонения условий или увеличения частоты пусков, если это необходимо, выбрать устройство большей мощности. Для точного определения размеров используйте программу для выбора и моделирования Win-Soft Starter.
Если необходимо, должны быть выбраны реле перегрузки для тяжелых условий пуска в том случае, когда процесс пуска продолжительный. Рекомендуется применение датчиков PTC.
Не разрешается установка емкостных элементов в фидере двигателя между устройствами плавного пуска SIRIUS 3RW и двигателями (например, оборудование для компенсации реактивной мощности). Кроме того, параллельная работа статических систем для компенсации реактивной мощности или динамических PFC (Power Factor Correction - Коррекция Коэффициента Мощности) не должна использоваться в процессе пуска и остановки устройства плавного пуска. Это важно для предотвращения неисправности, которая может возникнуть в оборудовании для компенсации и / или устройстве плавного пуска.
Все элементы силовой цепи (такие как предохранители, контакторы, реле перегрузки) должны быть рассчитаны на прямой пуск после локальных условий короткого замыкания. Предохранители, контакторы, реле перегрузки должны быть заказаны отдельно. Пожалуйста, учитывайте максимальную частоту пусков, указанную в технических спецификациях.
Примечание:
Когда асинхронные двигатели включаются, падение напряжения происходит, как правило, на всех типах пускателей (прямого пуска, пуска звезда-треугольник, устройствах плавного пуска). Вводной трансформатор должен быть всегда таких размеров, чтобы падение напряжения при пуске двигателя оставалось в пределах допустимой величины. Если вводной трансформатор выбран с небольшим падением, это лучше для напряжения цепей управления, которое подается от отдельной сети (независимо от напряжения силовых цепей), чтобы избежать отключения устройства плавного пуска.
Шунтирующая контактная система всегда интегрирована в устройства плавного пуска 3RW30 и ее нет необходимости заказывать отдельно.
С эти программным обеспечением вы можете моделировать и выбирать все устройства плавного пуска Siemens, принимая во внимание различные параметры, такие как свойства силовых цепей, данные двигателя и нагрузки, специальные требования по применению.
Программное обеспечение - ценный инструмент, который делает сложные и длинные ручные вычисления, чтобы определить необходимое устройство плавного пуска.
Программа выбора и моделирования Win-Soft Starter может быть загружена из "Software" со следующим звеном.
Дополнительная информация доступна в интернете по адресу:
http://www.siemens.de/sanftstarter
| Область применения | Дальнейшая информация |
Цена на сайте указана розничная в ЕВРО без учета НДС.Для уточнения цены и размера предоставляемой скидки - звоните или присылайте заявки
| Заказной номер | PG | Описание продукта | Цена |
| 3RW3003-1CB54 | 42G | УСТРОЙСТВО ПЛАВНОГО ПУСКА, ШИРИНА 22, 5 MM, 3A, 1.1 КВТ/400 VПАРАМЕТРЫ ДО 40 ГРАД. С, НОМИНАЛЬНОЕ РАБОЧЕЕ НАПРЯЖЕНИЕ 200-400В, / UC 24-230V ВИНТОВЫЕ КЛЕММЫ | 167.90 |
| 3RW3003-2CB54 | 42G | УСТРОЙСТВО ПЛАВНОГО ПУСКА, ШИРИНА 22, 5 MM, 3A, 1.1 КВТ/400 VПАРАМЕТРЫ ДО 40 ГРАД. С, НОМИНАЛЬНОЕ РАБОЧЕЕ НАПРЯЖЕНИЕ 200-400В, / UC 24-230V ПРУЖИННЫЕ КЛЕММЫ | 167.90 |
| 3RW3013-1BB04 | 42G | УСТРОЙСТВО ПЛАВНОГО ПУСКА SIRIUS, ТИПОРАЗМЕР S00, 3.6A, 1.5КВТ/400V, 40 ГРАД., НОМИНАЛЬНОЕ РАБОЧЕЕ НАПРЯЖЕНИЕ UE 200-480V AC, НОМИНАЛЬНОЕ НАПРЯЖЕНИЕ ЦЕПИ УПРАВЛЕНИЯ US 24V AC/DC, ВИНТОВЫЕ КЛЕММЫ | 120.75 |
| 3RW3013-1BB14 | 42G | УСТРОЙСТВО ПЛАВНОГО ПУСКА SIRIUS, ТИПОРАЗМЕР S00, 3.6A, 1.5КВТ/400V, 40 ГРАД., НОМИНАЛЬНОЕ РАБОЧЕЕ НАПРЯЖЕНИЕ UE 200-480V AC, НОМИНАЛЬНОЕ НАПРЯЖЕНИЕ ЦЕПИ УПРАВЛЕНИЯ US 110-230V AC/DC, ВИНТОВЫЕ КЛЕММЫ | 120.75 |
| 3RW3013-2BB04 | 42G | УСТРОЙСТВО ПЛАВНОГО ПУСКА SIRIUS, ТИПОРАЗМЕР S00, 3.6A, 1.5КВТ/400V, 40 ГРАД., НОМИНАЛЬНОЕ РАБОЧЕЕ НАПРЯЖЕНИЕ UE 200-480V AC, НОМИНАЛЬНОЕ НАПРЯЖЕНИЕ ЦЕПИ УПРАВЛЕНИЯ US 24V AC/DC, ПРУЖИННЫЕ КЛЕММЫ | 120.75 |
| 3RW3013-2BB14 | 42G | УСТРОЙСТВО ПЛАВНОГО ПУСКА SIRIUS, ТИПОРАЗМЕР S00, 3.6A, 1.5КВТ/400V, 40 ГРАД., НОМИНАЛЬНОЕ РАБОЧЕЕ НАПРЯЖЕНИЕ UE 200-480V AC, НОМИНАЛЬНОЕ НАПРЯЖЕНИЕ ЦЕПИ УПРАВЛЕНИЯ US 110-230V AC/DC, ПРУЖИННЫЕ КЛЕММЫ | 120.75 |
| 3RW3014-1BB04 | 42G | УСТРОЙСТВО ПЛАВНОГО ПУСКА SIRIUS, ТИПОРАЗМЕР S00, 6.5A, 3КВТ/400V, 40 ГРАД., НОМИНАЛЬНОЕ РАБОЧЕЕ НАПРЯЖЕНИЕ UE 200-480V AC, НОМИНАЛЬНОЕ НАПРЯЖЕНИЕ ЦЕПИ УПРАВЛЕНИЯ US 24V AC/DC, ВИНТОВЫЕ КЛЕММЫ | 139.15 |
| 3RW3014-1BB14 | 42G | УСТРОЙСТВО ПЛАВНОГО ПУСКА SIRIUS, ТИПОРАЗМЕР S00, 6.5A, 3КВТ/400V, 40 ГРАД., НОМИНАЛЬНОЕ РАБОЧЕЕ НАПРЯЖЕНИЕ UE 200-480V AC, НОМИНАЛЬНОЕ НАПРЯЖЕНИЕ ЦЕПИ УПРАВЛЕНИЯ US 110-230V AC/DC, ВИНТОВЫЕ КЛЕММЫ | 139.15 |
| 3RW3014-2BB04 | 42G | УСТРОЙСТВО ПЛАВНОГО ПУСКА SIRIUS, ТИПОРАЗМЕР S00, 6.5A, 3КВТ/400V, 40 ГРАД., НОМИНАЛЬНОЕ РАБОЧЕЕ НАПРЯЖЕНИЕ UE 200-480V AC, НОМИНАЛЬНОЕ НАПРЯЖЕНИЕ ЦЕПИ УПРАВЛЕНИЯ US 24V AC/DC, ПРУЖИННЫЕ КЛЕММЫ | 139.15 |
| 3RW3014-2BB14 | 42G | УСТРОЙСТВО ПЛАВНОГО ПУСКА SIRIUS, ТИПОРАЗМЕР S00, 6.5A, 3КВТ/400V, 40 ГРАД., НОМИНАЛЬНОЕ РАБОЧЕЕ НАПРЯЖЕНИЕ UE 200-480V AC, НОМИНАЛЬНОЕ НАПРЯЖЕНИЕ ЦЕПИ УПРАВЛЕНИЯ US 110-230V AC/DC, ПРУЖИННЫЕ КЛЕММЫ | 139.15 |
| 3RW3016-1BB04 | 42G | УСТРОЙСТВО ПЛАВНОГО ПУСКА SIRIUS, ТИПОРАЗМЕР S00, 9A, 4КВТ/400V, 40 ГРАД., НОМИНАЛЬНОЕ РАБОЧЕЕ НАПРЯЖЕНИЕ UE 200-480V AC, НОМИНАЛЬНОЕ НАПРЯЖЕНИЕ ЦЕПИ УПРАВЛЕНИЯ US 24V AC/DC, ВИНТОВЫЕ КЛЕММЫ | 159.85 |
| 3RW3016-1BB14 | 42G | УСТРОЙСТВО ПЛАВНОГО ПУСКА SIRIUS, ТИПОРАЗМЕР S00, 9A, 4КВТ/400V, 40 ГРАД., НОМИНАЛЬНОЕ РАБОЧЕЕ НАПРЯЖЕНИЕ UE 200-480V AC, НОМИНАЛЬНОЕ НАПРЯЖЕНИЕ ЦЕПИ УПРАВЛЕНИЯ US 110-230V AC/DC, ВИНТОВЫЕ КЛЕММЫ | 159.85 |
| 3RW3016-2BB04 | 42G | УСТРОЙСТВО ПЛАВНОГО ПУСКА SIRIUS, ТИПОРАЗМЕР S00, 9A, 4КВТ/400V, 40 ГРАД., НОМИНАЛЬНОЕ РАБОЧЕЕ НАПРЯЖЕНИЕ UE 200-480V AC, НОМИНАЛЬНОЕ НАПРЯЖЕНИЕ ЦЕПИ УПРАВЛЕНИЯ US 24V AC/DC, ПРУЖИННЫЕ КЛЕММЫ | 159.85 |
| 3RW3016-2BB14 | 42G | УСТРОЙСТВО ПЛАВНОГО ПУСКА SIRIUS, ТИПОРАЗМЕР S00, 9A, 4КВТ/400V, 40 ГРАД., НОМИНАЛЬНОЕ РАБОЧЕЕ НАПРЯЖЕНИЕ UE 200-480V AC, НОМИНАЛЬНОЕ НАПРЯЖЕНИЕ ЦЕПИ УПРАВЛЕНИЯ US 110-230V AC/DC, ПРУЖИННЫЕ КЛЕММЫ | 159.85 |
| 3RW3017-1BB04 | 42G | УСТРОЙСТВО ПЛАВНОГО ПУСКА SIRIUS, ТИПОРАЗМЕР S00, 12.5A, 5.5КВТ/400V, 40 ГРАД., НОМИНАЛЬНОЕ РАБОЧЕЕ НАПРЯЖЕНИЕ UE 200-480V AC, НОМИНАЛЬНОЕ НАПРЯЖЕНИЕ ЦЕПИ УПРАВЛЕНИЯ US 24V AC/DC, ВИНТОВЫЕ КЛЕММЫ | 179.40 |
| 3RW3017-1BB14 | 42G | УСТРОЙСТВО ПЛАВНОГО ПУСКА SIRIUS, ТИПОРАЗМЕР S00, 12.5A, 5.5КВТ/400V, 40 ГРАД., НОМИНАЛЬНОЕ РАБОЧЕЕ НАПРЯЖЕНИЕ UE 200-480V AC, НОМИНАЛЬНОЕ НАПРЯЖЕНИЕ ЦЕПИ УПРАВЛЕНИЯ US 110-230V AC/DC, ВИНТОВЫЕ КЛЕММЫ | 179.40 |
| 3RW3017-2BB04 | 42G | УСТРОЙСТВО ПЛАВНОГО ПУСКА SIRIUS, ТИПОРАЗМЕР S00, 12.5A, 5.5КВТ/400V, 40 ГРАД., НОМИНАЛЬНОЕ РАБОЧЕЕ НАПРЯЖЕНИЕ UE 200-480V AC, НОМИНАЛЬНОЕ НАПРЯЖЕНИЕ ЦЕПИ УПРАВЛЕНИЯ US 24V AC/DC, ПРУЖИННЫЕ КЛЕММЫ | 179.40 |
| 3RW3017-2BB14 | 42G | УСТРОЙСТВО ПЛАВНОГО ПУСКА SIRIUS, ТИПОРАЗМЕР S00, 12.5A, 5.5КВТ/400V, 40 ГРАД., НОМИНАЛЬНОЕ РАБОЧЕЕ НАПРЯЖЕНИЕ UE 200-480V AC, НОМИНАЛЬНОЕ НАПРЯЖЕНИЕ ЦЕПИ УПРАВЛЕНИЯ US 110-230V AC/DC, ПРУЖИННЫЕ КЛЕММЫ | 179.40 |
| 3RW3018-1BB04 | 42G | УСТРОЙСТВО ПЛАВНОГО ПУСКА SIRIUS, ТИПОРАЗМЕР S00, 17.6A, 7.5КВТ/400V, 40 ГРАД., НОМИНАЛЬНОЕ РАБОЧЕЕ НАПРЯЖЕНИЕ UE 200-480V AC, НОМИНАЛЬНОЕ НАПРЯЖЕНИЕ ЦЕПИ УПРАВЛЕНИЯ US 24V AC/DC, ВИНТОВЫЕ КЛЕММЫ | 205.85 |
| 3RW3018-1BB14 | 42G | УСТРОЙСТВО ПЛАВНОГО ПУСКА SIRIUS, ТИПОРАЗМЕР S00, 17.6A, 7.5КВТ/400V, 40 ГРАД., НОМИНАЛЬНОЕ РАБОЧЕЕ НАПРЯЖЕНИЕ UE 200-480V AC, НОМИНАЛЬНОЕ НАПРЯЖЕНИЕ ЦЕПИ УПРАВЛЕНИЯ US 110-230V AC/DC, ВИНТОВЫЕ КЛЕММЫ | 205.85 |
| 3RW3018-2BB04 | 42G | УСТРОЙСТВО ПЛАВНОГО ПУСКА SIRIUS, ТИПОРАЗМЕР S00, 17.6A, 7.5КВТ/400V, 40 ГРАД., НОМИНАЛЬНОЕ РАБОЧЕЕ НАПРЯЖЕНИЕ UE 200-480V AC, НОМИНАЛЬНОЕ НАПРЯЖЕНИЕ ЦЕПИ УПРАВЛЕНИЯ US 24V AC/DC, ПРУЖИННЫЕ КЛЕММЫ | 205.85 |
| 3RW3018-2BB14 | 42G | УСТРОЙСТВО ПЛАВНОГО ПУСКА SIRIUS, ТИПОРАЗМЕР S00, 17.6A, 7.5КВТ/400V, 40 ГРАД., НОМИНАЛЬНОЕ РАБОЧЕЕ НАПРЯЖЕНИЕ UE 200-480V AC, НОМИНАЛЬНОЕ НАПРЯЖЕНИЕ ЦЕПИ УПРАВЛЕНИЯ US 110-230V AC/DC, ПРУЖИННЫЕ КЛЕММЫ | 205.85 |
| 3RW3026-1BB04 | 42G | УСТРОЙСТВО ПЛАВНОГО ПУСКА SIRIUS, ТИПОРАЗМЕР S0, 25A, 11КВТ/400V, 40 ГРАД., НОМИНАЛЬНОЕ РАБОЧЕЕ НАПРЯЖЕНИЕ UE 200-480V AC, НОМИНАЛЬНОЕ НАПРЯЖЕНИЕ ЦЕПИ УПРАВЛЕНИЯ US 24V AC/DC, ВИНТОВЫЕ КЛЕММЫ | 240.35 |
| 3RW3026-1BB14 | 42G | УСТРОЙСТВО ПЛАВНОГО ПУСКА SIRIUS, ТИПОРАЗМЕР S0, 25A, 11КВТ/400V, 40 ГРАД., НОМИНАЛЬНОЕ РАБОЧЕЕ НАПРЯЖЕНИЕ UE 200-480V AC, НОМИНАЛЬНОЕ НАПРЯЖЕНИЕ ЦЕПИ УПРАВЛЕНИЯ US 110-230V AC/DC, ВИНТОВЫЕ КЛЕММЫ | 240.35 |
| 3RW3026-2BB04 | 42G | УСТРОЙСТВО ПЛАВНОГО ПУСКА SIRIUS, ТИПОРАЗМЕР S0, 25A, 11КВТ/400V, 40 ГРАД., НОМИНАЛЬНОЕ РАБОЧЕЕ НАПРЯЖЕНИЕ UE 200-480V AC, НОМИНАЛЬНОЕ НАПРЯЖЕНИЕ ЦЕПИ УПРАВЛЕНИЯ US 24V AC/DC, ПРУЖИННЫЕ КЛЕММЫ | 240.35 |
| 3RW3026-2BB14 | 42G | УСТРОЙСТВО ПЛАВНОГО ПУСКА SIRIUS, ТИПОРАЗМЕР S0, 25A, 11КВТ/400V, 40 ГРАД., НОМИНАЛЬНОЕ РАБОЧЕЕ НАПРЯЖЕНИЕ UE 200-480V AC, НОМИНАЛЬНОЕ НАПРЯЖЕНИЕ ЦЕПИ УПРАВЛЕНИЯ US 110-230V AC/DC, ПРУЖИННЫЕ КЛЕММЫ | 240.35 |
| 3RW3027-1BB04 | 42G | УСТРОЙСТВО ПЛАВНОГО ПУСКА SIRIUS, ТИПОРАЗМЕР S0, 32A, 15КВТ/400V, 40 ГРАД., НОМИНАЛЬНОЕ РАБОЧЕЕ НАПРЯЖЕНИЕ UE 200-480V AC, НОМИНАЛЬНОЕ НАПРЯЖЕНИЕ ЦЕПИ УПРАВЛЕНИЯ US 24V AC/DC, ВИНТОВЫЕ КЛЕММЫ | 280.60 |
| 3RW3027-1BB14 | 42G | УСТРОЙСТВО ПЛАВНОГО ПУСКА SIRIUS, ТИПОРАЗМЕР S0, 32A, 15КВТ/400V, 40 ГРАД., НОМИНАЛЬНОЕ РАБОЧЕЕ НАПРЯЖЕНИЕ UE 200-480V AC, НОМИНАЛЬНОЕ НАПРЯЖЕНИЕ ЦЕПИ УПРАВЛЕНИЯ US 110-230V AC/DC, ВИНТОВЫЕ КЛЕММЫ | 280.60 |
| 3RW3027-2BB04 | 42G | УСТРОЙСТВО ПЛАВНОГО ПУСКА SIRIUS, ТИПОРАЗМЕР S0, 32A, 15КВТ/400V, 40 ГРАД., НОМИНАЛЬНОЕ РАБОЧЕЕ НАПРЯЖЕНИЕ UE 200-480V AC, НОМИНАЛЬНОЕ НАПРЯЖЕНИЕ ЦЕПИ УПРАВЛЕНИЯ US 24V AC/DC, ПРУЖИННЫЕ КЛЕММЫ | 280.60 |
| 3RW3027-2BB14 | 42G | УСТРОЙСТВО ПЛАВНОГО ПУСКА SIRIUS, ТИПОРАЗМЕР S0, 32A, 15КВТ/400V, 40 ГРАД., НОМИНАЛЬНОЕ РАБОЧЕЕ НАПРЯЖЕНИЕ UE 200-480V AC, НОМИНАЛЬНОЕ НАПРЯЖЕНИЕ ЦЕПИ УПРАВЛЕНИЯ US 110-230V AC/DC, ПРУЖИННЫЕ КЛЕММЫ | 280.60 |
| 3RW3028-1BB04 | 42G | УСТРОЙСТВО ПЛАВНОГО ПУСКА SIRIUS, ТИПОРАЗМЕР S0, 38A, 18.5КВТ/400V, 40 ГРАД., НОМИНАЛЬНОЕ РАБОЧЕЕ НАПРЯЖЕНИЕ UE 200-480V AC, НОМИНАЛЬНОЕ НАПРЯЖЕНИЕ ЦЕПИ УПРАВЛЕНИЯ US 24V AC/DC, ВИНТОВЫЕ КЛЕММЫ | 346.15 |
| 3RW3028-1BB14 | 42G | УСТРОЙСТВО ПЛАВНОГО ПУСКА SIRIUS, ТИПОРАЗМЕР S0, 38A, 18.5КВТ/400V, 40 ГРАД., НОМИНАЛЬНОЕ РАБОЧЕЕ НАПРЯЖЕНИЕ UE 200-480V AC, НОМИНАЛЬНОЕ НАПРЯЖЕНИЕ ЦЕПИ УПРАВЛЕНИЯ US 110-230V AC/DC, ВИНТОВЫЕ КЛЕММЫ | 346.15 |
| 3RW3028-2BB04 | 42G | УСТРОЙСТВО ПЛАВНОГО ПУСКА SIRIUS, ТИПОРАЗМЕР S0, 38A, 18.5КВТ/400V, 40 ГРАД., НОМИНАЛЬНОЕ РАБОЧЕЕ НАПРЯЖЕНИЕ UE 200-480V AC, НОМИНАЛЬНОЕ НАПРЯЖЕНИЕ ЦЕПИ УПРАВЛЕНИЯ US 24V AC/DC, ПРУЖИННЫЕ КЛЕММЫ | 346.15 |
| 3RW3028-2BB14 | 42G | УСТРОЙСТВО ПЛАВНОГО ПУСКА SIRIUS, ТИПОРАЗМЕР S0, 38A, 18.5КВТ/400V, 40 ГРАД., НОМИНАЛЬНОЕ РАБОЧЕЕ НАПРЯЖЕНИЕ UE 200-480V AC, НОМИНАЛЬНОЕ НАПРЯЖЕНИЕ ЦЕПИ УПРАВЛЕНИЯ US 110-230V AC/DC, ПРУЖИННЫЕ КЛЕММЫ | 346.15 |
| 3RW3036-1BB04 | 42G | УСТРОЙСТВО ПЛАВНОГО ПУСКА SIRIUS, ТИПОРАЗМЕР S2, 45A, 22КВТ/400V, 40 ГРАД., НОМИНАЛЬНОЕ РАБОЧЕЕ НАПРЯЖЕНИЕ UE 200-480V AC, НОМИНАЛЬНОЕ НАПРЯЖЕНИЕ ЦЕПИ УПРАВЛЕНИЯ US 24V AC/DC, ВИНТОВЫЕ КЛЕММЫ | 425.50 |
| 3RW3036-1BB14 | 42G | УСТРОЙСТВО ПЛАВНОГО ПУСКА SIRIUS, ТИПОРАЗМЕР S2, 45A, 22КВТ/400V, 40 ГРАД., НОМИНАЛЬНОЕ РАБОЧЕЕ НАПРЯЖЕНИЕ UE 200-480V AC, НОМИНАЛЬНОЕ НАПРЯЖЕНИЕ ЦЕПИ УПРАВЛЕНИЯ US 110-230V AC/DC, ВИНТОВЫЕ КЛЕММЫ | 425.50 |
| 3RW3036-2BB04 | 42G | УСТРОЙСТВО ПЛАВНОГО ПУСКА SIRIUS, ТИПОРАЗМЕР S2, 45A, 22КВТ/400V, 40 ГРАД., НОМИНАЛЬНОЕ РАБОЧЕЕ НАПРЯЖЕНИЕ UE 200-480V AC, НОМИНАЛЬНОЕ НАПРЯЖЕНИЕ ЦЕПИ УПРАВЛЕНИЯ US 24V AC/DC, ГЛАВНАЯ ЦЕПЬ: ВИНТОВЫЕ КЛЕММЫ, ВСПОМОГАТЕЛЬНАЯ ЦЕПЬ: ПРУЖИННЫЕ КЛЕММЫ | 425.50 |
| 3RW3036-2BB14 | 42G | УСТРОЙСТВО ПЛАВНОГО ПУСКА SIRIUS, ТИПОРАЗМЕР S2, 45A, 22КВТ/400V, 40 ГРАД., НОМИНАЛЬНОЕ РАБОЧЕЕ НАПРЯЖЕНИЕ UE 200-480V AC, НОМИНАЛЬНОЕ НАПРЯЖЕНИЕ ЦЕПИ УПРАВЛЕНИЯ US 110-230V AC/DC, ГЛАВНАЯ ЦЕПЬ: ВИНТОВЫЕ КЛЕММЫ, ВСПОМОГАТЕЛЬНАЯ ЦЕПЬ: ПРУЖИННЫЕ КЛЕММЫ | 425.50 |
| 3RW3037-1BB04 | 42G | УСТРОЙСТВО ПЛАВНОГО ПУСКА SIRIUS, ТИПОРАЗМЕР S2, 63A, 30КВТ/400V, 40 ГРАД., НОМИНАЛЬНОЕ РАБОЧЕЕ НАПРЯЖЕНИЕ UE 200-480V AC, НОМИНАЛЬНОЕ НАПРЯЖЕНИЕ ЦЕПИ УПРАВЛЕНИЯ US 24V AC/DC, ВИНТОВЫЕ КЛЕММЫ | 518.65 |
| 3RW3037-1BB14 | 42G | УСТРОЙСТВО ПЛАВНОГО ПУСКА SIRIUS, ТИПОРАЗМЕР S2, 63A, 30КВТ/400V, 40 ГРАД., НОМИНАЛЬНОЕ РАБОЧЕЕ НАПРЯЖЕНИЕ UE 200-480V AC, НОМИНАЛЬНОЕ НАПРЯЖЕНИЕ ЦЕПИ УПРАВЛЕНИЯ US 110-230V AC/DC, ВИНТОВЫЕ КЛЕММЫ | 518.65 |
| 3RW3037-2BB04 | 42G | УСТРОЙСТВО ПЛАВНОГО ПУСКА SIRIUS, ТИПОРАЗМЕР S2, 63A, 30КВТ/400V, 40 ГРАД., НОМИНАЛЬНОЕ РАБОЧЕЕ НАПРЯЖЕНИЕ UE 200-480V AC, НОМИНАЛЬНОЕ НАПРЯЖЕНИЕ ЦЕПИ УПРАВЛЕНИЯ US 24V AC/DC, ГЛАВНАЯ ЦЕПЬ: ВИНТОВЫЕ КЛЕММЫ, ВСПОМОГАТЕЛЬНАЯ ЦЕПЬ: ПРУЖИННЫЕ КЛЕММЫ | 518.65 |
| 3RW3037-2BB14 | 42G | УСТРОЙСТВО ПЛАВНОГО ПУСКА SIRIUS, ТИПОРАЗМЕР S2, 63A, 30КВТ/400V, 40 ГРАД., НОМИНАЛЬНОЕ РАБОЧЕЕ НАПРЯЖЕНИЕ UE 200-480V AC, НОМИНАЛЬНОЕ НАПРЯЖЕНИЕ ЦЕПИ УПРАВЛЕНИЯ US 110-230V AC/DC, ГЛАВНАЯ ЦЕПЬ: ВИНТОВЫЕ КЛЕММЫ, ВСПОМОГАТЕЛЬНАЯ ЦЕПЬ: ПРУЖИННЫЕ КЛЕММЫ | 518.65 |
| 3RW3038-1BB04 | 42G | УСТРОЙСТВО ПЛАВНОГО ПУСКА SIRIUS, ТИПОРАЗМЕР S2, 72A, 37КВТ/400V, 40 ГРАД., НОМИНАЛЬНОЕ РАБОЧЕЕ НАПРЯЖЕНИЕ UE 200-480V AC, НОМИНАЛЬНОЕ НАПРЯЖЕНИЕ ЦЕПИ УПРАВЛЕНИЯ US 24V AC/DC, ВИНТОВЫЕ КЛЕММЫ | 614.10 |
| 3RW3038-1BB14 | 42G | УСТРОЙСТВО ПЛАВНОГО ПУСКА SIRIUS, ТИПОРАЗМЕР S2, 72A, 37КВТ/400V, 40 ГРАД., НОМИНАЛЬНОЕ РАБОЧЕЕ НАПРЯЖЕНИЕ UE 200-480V AC, НОМИНАЛЬНОЕ НАПРЯЖЕНИЕ ЦЕПИ УПРАВЛЕНИЯ US 110-230V AC/DC, ВИНТОВЫЕ КЛЕММЫ | 614.10 |
| 3RW3038-2BB04 | 42G | УСТРОЙСТВО ПЛАВНОГО ПУСКА SIRIUS, ТИПОРАЗМЕР S2, 72A, 37КВТ/400V, 40 ГРАД., НОМИНАЛЬНОЕ РАБОЧЕЕ НАПРЯЖЕНИЕ UE 200-480V AC, НОМИНАЛЬНОЕ НАПРЯЖЕНИЕ ЦЕПИ УПРАВЛЕНИЯ US 24V AC/DC, ГЛАВНАЯ ЦЕПЬ: ВИНТОВЫЕ КЛЕММЫ, ВСПОМОГАТЕЛЬНАЯ ЦЕПЬ: ПРУЖИННЫЕ КЛЕММЫ | 614.10 |
| 3RW3038-2BB14 | 42G | УСТРОЙСТВО ПЛАВНОГО ПУСКА SIRIUS, ТИПОРАЗМЕР S2, 72A, 37КВТ/400V, 40 ГРАД., НОМИНАЛЬНОЕ РАБОЧЕЕ НАПРЯЖЕНИЕ UE 200-480V AC, НОМИНАЛЬНОЕ НАПРЯЖЕНИЕ ЦЕПИ УПРАВЛЕНИЯ US 110-230V AC/DC, ГЛАВНАЯ ЦЕПЬ: ВИНТОВЫЕ КЛЕММЫ, ВСПОМОГАТЕЛЬНАЯ ЦЕПЬ: ПРУЖИННЫЕ КЛЕММЫ | 614.10 |
| 3RW3046-1BB04 | 42G | УСТРОЙСТВО ПЛАВНОГО ПУСКА SIRIUS, ТИПОРАЗМЕР S3, 80A, 45КВТ/400V, 40 ГРАД., НОМИНАЛЬНОЕ РАБОЧЕЕ НАПРЯЖЕНИЕ UE 200-480V AC, НОМИНАЛЬНОЕ НАПРЯЖЕНИЕ ЦЕПИ УПРАВЛЕНИЯ US 24V AC/DC, ВИНТОВЫЕ КЛЕММЫ | 706.10 |
| 3RW3046-1BB14 | 42G | УСТРОЙСТВО ПЛАВНОГО ПУСКА SIRIUS, ТИПОРАЗМЕР S3, 80A, 45КВТ/400V, 40 ГРАД., НОМИНАЛЬНОЕ РАБОЧЕЕ НАПРЯЖЕНИЕ UE 200-480V AC, НОМИНАЛЬНОЕ НАПРЯЖЕНИЕ ЦЕПИ УПРАВЛЕНИЯ US 110-230V AC/DC, ВИНТОВЫЕ КЛЕММЫ | 706.10 |
| 3RW3046-2BB04 | 42G | УСТРОЙСТВО ПЛАВНОГО ПУСКА SIRIUS, ТИПОРАЗМЕР S3, 80A, 45КВТ/400V, 40 ГРАД., НОМИНАЛЬНОЕ РАБОЧЕЕ НАПРЯЖЕНИЕ UE 200-480V AC, НОМИНАЛЬНОЕ НАПРЯЖЕНИЕ ЦЕПИ УПРАВЛЕНИЯ US 24V AC/DC, ГЛАВНАЯ ЦЕПЬ: ВИНТОВЫЕ КЛЕММЫ, ВСПОМОГАТЕЛЬНАЯ ЦЕПЬ: ПРУЖИННЫЕ КЛЕММЫ | 706.10 |
| 3RW3046-2BB14 | 42G | УСТРОЙСТВО ПЛАВНОГО ПУСКА SIRIUS, ТИПОРАЗМЕР S3, 80A, 45КВТ/400V, 40 ГРАД., НОМИНАЛЬНОЕ РАБОЧЕЕ НАПРЯЖЕНИЕ UE 200-480V AC, НОМИНАЛЬНОЕ НАПРЯЖЕНИЕ ЦЕПИ УПРАВЛЕНИЯ US 110-230V AC/DC, ГЛАВНАЯ ЦЕПЬ: ВИНТОВЫЕ КЛЕММЫ, ВСПОМОГАТЕЛЬНАЯ ЦЕПЬ: ГЛАВНАЯ ЦЕПЬ: ВИНТОВЫЕ КЛЕММЫ, СПОМОГАТЕЛЬНАЯ ЦЕПЬ: ПРУЖИННЫЕ КЛЕММЫ | 706.10 |
| 3RW3047-1BB04 | 42G | УСТРОЙСТВО ПЛАВНОГО ПУСКА SIRIUS, ТИПОРАЗМЕР S3, 106A, 55КВТ/400V, 40 ГРАД., НОМИНАЛЬНОЕ РАБОЧЕЕ НАПРЯЖЕНИЕ UE 200-480V AC, НОМИНАЛЬНОЕ НАПРЯЖЕНИЕ ЦЕПИ УПРАВЛЕНИЯ US 24V AC/DC, ВИНТОВЫЕ КЛЕММЫ | 787.75 |
| 3RW3047-1BB14 | 42G | УСТРОЙСТВО ПЛАВНОГО ПУСКА SIRIUS, ТИПОРАЗМЕР S3, 106A, 55КВТ/400V, 40 ГРАД., НОМИНАЛЬНОЕ РАБОЧЕЕ НАПРЯЖЕНИЕ UE 200-480V AC, НОМИНАЛЬНОЕ НАПРЯЖЕНИЕ ЦЕПИ УПРАВЛЕНИЯ US 110-230V AC/DC, ВИНТОВЫЕ КЛЕММЫ | 787.75 |
| 3RW3047-2BB04 | 42G | УСТРОЙСТВО ПЛАВНОГО ПУСКА SIRIUS, ТИПОРАЗМЕР S3, 106A, 55КВТ/400V, 40 ГРАД., НОМИНАЛЬНОЕ РАБОЧЕЕ НАПРЯЖЕНИЕ UE 200-480V AC, НОМИНАЛЬНОЕ НАПРЯЖЕНИЕ ЦЕПИ УПРАВЛЕНИЯ US 24V AC/DC, ГЛАВНАЯ ЦЕПЬ: ВИНТОВЫЕ КЛЕММЫ, ВСПОМОГАТЕЛЬНАЯ ЦЕПЬ: ПРУЖИННЫЕ КЛЕММЫ | 787.75 |
| 3RW3047-2BB14 | 42G | УСТРОЙСТВО ПЛАВНОГО ПУСКА SIRIUS, ТИПОРАЗМЕР S3, 106A, 55КВТ/400V, 40 ГРАД., НОМИНАЛЬНОЕ РАБОЧЕЕ НАПРЯЖЕНИЕ UE 200-480V AC, НОМИНАЛЬНОЕ НАПРЯЖЕНИЕ ЦЕПИ УПРАВЛЕНИЯ US 110-230V AC/DC, ГЛАВНАЯ ЦЕПЬ: ВИНТОВЫЕ КЛЕММЫ, ВСПОМОГАТЕЛЬНАЯ ЦЕПЬ: ПРУЖИННЫЕ КЛЕММЫ | 787.75 |
| Область применения | Дальнейшая информация |
Цена на сайте указана розничная в ЕВРО без учета НДС.Для уточнения цены и размера предоставляемой скидки - звоните или присылайте заявки
| Заказной номер | PG | Описание продукта | Цена |
| 3RA1931-1AA00 | 41B | СОЕДИНИТЕЛЬНЫЙ МОДУЛЬ ЭЛЕКТРИЧЕСКИЙ И МЕХАНИЧЕСКИЙ ДЛЯ 3RV1.3 И 3RT1.3, 3RW303 1 ШТ. УПРАВЛЕНИЕ AС (ПРЕДПОЧТИТЕЛЬНЫЙ ТИП) | 15.30 |
| 3RA1941-1AA00 | 41B | СОЕДИНИТЕЛЬНЫЙ МОДУЛЬ ЭЛЕКТРИЧЕСКИЙ И МЕХАНИЧЕСКИЙ ДЛЯ 3RV1.4 И 3RT1.4, 3RW304 1 ШТ. УПРАВЛЕНИЕ AС (ПРЕДПОЧТИТЕЛЬНЫЙ ТИП) | 17.37 |
| 3RA2908-1A | 41B | ОТВЕРТКА SIRIUS С ЧАСТИЧНОЙ ИЗОЛЯЦИЕЙ, ДЛЯ ПРУЖИННЫХ КЛЕММ, TITANIUM GRAY, РАЗМЕРЫ 3.0X0.5X100 | 13.23 |
| 3RA2911-2GA00 | 41B | СОЕДИНИТЕЛЬНЫЙ МОДУЛЬ, ЭЛЕКТР. И МЕХ. СОЕДИНЕНИЕ, ДЛЯ 3RV2011 И 3RW3.1, ПРУЖИННЫЕ КЛЕММЫ | 16.45 |
| 3RA2921-1BA00 | 41B | СОЕДИНИТЕЛЬНЫЙ МОДУЛЬ, ВИНТ., ЭЛЕКТР. И МЕХ. СОЕДИНЕНИЕ, ДЛЯ 3RV2.2 И 3RT2.2, УПРАВЛЕНИЕ DC ИЛИ УПП 3RW3 ИЛИ ПП КОНТАКТОР 3RF34 | 7.31 |
| 3RA2921-2GA00 | 41B | СОЕДИНИТЕЛЬНЫЙ МОДУЛЬ, ЭЛЕКТР. И МЕХ. СОЕДИНЕНИЕ, ДЛЯ 3RV2021 И 3RW3.2, 3RW402 ПРУЖИННЫЕ КЛЕММЫ | 17.25 |
| 3RP1902 | 41H | ПЛОМБИРУЕМАЯ КРЫШКА ДЛЯ УСТРОЙСТВ С 1 ИЛИ 2 ПЕРЕКИДНЫМИ КОНТАКТАМИ | 4.36 |
| 3RP1903 | 41H | АДАПТЕР ДЛЯ ВИНТОВОГО ПОДКЛЮЧЕНИЯ ДЛЯ УСТРОЙСТВ С 1 ИЛИ 2 ПЕРЕКИДНЫМИ КОНТАКТАМИ | 1.41 |
| 3RT1900-1SB20 | 41B | ИДЕНТИФИКАЦИОННАЯ ТАБЛИЧКА 20X7 MM БИРЮЗОВЫЙ ЦВЕТ УПАКОВКА С 17 РАМК. 20 ТАБЛИЧЕК НА РАМКУ = 340 ТАБЛИЧЕК (ПРЕДПОЧТИТЕЛЬНЫЙ ТИП) | 26.68 |
| 3RT1936-4EA2 | 41B | КРЫШКА КЛЕММЫ ДЛЯ КЛЕММА S, ТИПОРАЗМЕР S2 ДЛЯ 3RT103. | 4.60 |
| 3RT1946-4EA1 | 41B | КРЫШКА КЛЕММЫ ДЛЯ КАБЕЛЬ LUG И ШИННОГО ПОДСОЕДИН., ТИПОРАЗМЕР S3 ДЛЯ 3RT10.4, | 8.73 |
| 3RT1946-4EA2 | 41B | КРЫШКА КЛЕММЫ ДЛЯ КЛЕММА S, ТИПОРАЗМЕР S3 ДЛЯ 3RT104. | 5.30 |
| 3RT1946-4F | 41B | КЛЕММА ДОП. ПРОВОДНИКА ДЛЯ 3RT104., 3-Х ПОЛ. | 8.26 |
| 3RT2900-1SB20 | 41B | IDENTIFICATION PLATES 20X7 MM TI - GREY . . . | 26.68 |
| 3RV2925-5AB | 41E | 3-Ф. КЛЕММА ВВОДА ПИТАНИЯ, ДЛЯ 3-Ф. ШИНКИ, ПОДКЛЮЧЕНИЕ СВЕРХУ, ТИПОРАЗМЕР S00/S0 | 11.20 |
| 3ZX1012-0RW30-1AB1 | 4N1 | SIRIUS SOFT STARTER GERMAN 3RW30/40 | 18.40 |
| 3ZX1012-0RW30-1AB1 | 4N1 | SIRIUS SOFT STARTER GERMAN 3RW30/40 | 34.50 |
| 3ZX1012-0RW30-1AB1 | 4N1 | SIRIUS SOFT STARTER GERMAN 3RW30/40 | 25.88 |
| 3ZX1012-0RW30-1AB1 | 4N1 | SIRIUS SOFT STARTER GERMAN 3RW30/40 | 23.00 |
| 3ZX1012-0RW30-1AB1 | 4N1 | SIRIUS SOFT STARTER GERMAN 3RW30/40 | 18.98 |
| 3ZX1012-0RW30-1AB1 | 4N1 | SIRIUS SOFT STARTER GERMAN 3RW30/40 | 20.70 |
| 3ZX1012-0RW30-1AC1 | 4N1 | SIRIUS SOFT STARTER ENGLISH 3RW30/40 | 34.50 |
| 3ZX1012-0RW30-1AC1 | 4N1 | SIRIUS SOFT STARTER ENGLISH 3RW30/40 | 25.88 |
| 3ZX1012-0RW30-1AC1 | 4N1 | SIRIUS SOFT STARTER ENGLISH 3RW30/40 | 23.00 |
| 3ZX1012-0RW30-1AC1 | 4N1 | SIRIUS SOFT STARTER ENGLISH 3RW30/40 | 20.70 |
| 3ZX1012-0RW30-1AC1 | 4N1 | SIRIUS SOFT STARTER ENGLISH 3RW30/40 | 18.98 |
| 3ZX1012-0RW30-1AC1 | 4N1 | SIRIUS SOFT STARTER ENGLISH 3RW30/40 | 18.40 |
| 3ZX1012-0RW30-1AD1 | 4N1 | SIRIUS SOFT STARTER FRENCH 3RW30/40 | 25.88 |
| 3ZX1012-0RW30-1AD1 | 4N1 | SIRIUS SOFT STARTER FRENCH 3RW30/40 | 18.40 |
| 3ZX1012-0RW30-1AD1 | 4N1 | SIRIUS SOFT STARTER FRENCH 3RW30/40 | 18.98 |
| 3ZX1012-0RW30-1AD1 | 4N1 | SIRIUS SOFT STARTER FRENCH 3RW30/40 | 23.00 |
| 3ZX1012-0RW30-1AD1 | 4N1 | SIRIUS SOFT STARTER FRENCH 3RW30/40 | 34.50 |
| 3ZX1012-0RW30-1AD1 | 4N1 | SIRIUS SOFT STARTER FRENCH 3RW30/40 | 20.70 |
| 3ZX1012-0RW30-1AE1 | 4N1 | SIRIUS SOFT STARTER SPANISH 3RW30/40 | 18.40 |
| 3ZX1012-0RW30-1AE1 | 4N1 | SIRIUS SOFT STARTER SPANISH 3RW30/40 | 34.50 |
| 3ZX1012-0RW30-1AE1 | 4N1 | SIRIUS SOFT STARTER SPANISH 3RW30/40 | 25.88 |
| 3ZX1012-0RW30-1AE1 | 4N1 | SIRIUS SOFT STARTER SPANISH 3RW30/40 | 23.00 |
| 3ZX1012-0RW30-1AE1 | 4N1 | SIRIUS SOFT STARTER SPANISH 3RW30/40 | 20.70 |
| 3ZX1012-0RW30-1AE1 | 4N1 | SIRIUS SOFT STARTER SPANISH 3RW30/40 | 18.98 |