0

Разделы

Скачать Характеристика Скачать Схема подключения 
Трехходовой вентильный блок DN 8

3-х ходовой вентильный блок DN 8 предназначен для измерительных преобразователей дифф. давления. Он используются для блокировки импульсных линий и для проверки нулевой точки измерительного преобразователя давления.

У конструкций с контрольным соединением возможно подключение контрольного прибора для проверки характеристики измерительного преобразователя давления.

 


Особенности

Скачать Характеристика Скачать Схема подключения 
Трехходовой вентильный блок DN 8
  • Для агрессивных и не агрессивных жидкостей и газов
  • Макс. рабочее давление 420 бар.

 


Область применения

Скачать Характеристика Скачать Схема подключения 
Трехходовой вентильный блок DN 8

3-х ходовой вентильный блок поставляется в версиях для агрессивных и не агрессивных жидкостей и газов.

С помощью соотв. монтажной панели возможен монтаж на стену, крепеж на монтажное основание или трубный монтаж.

 


Дизайн

Скачать Характеристика Скачать Схема подключения 
Трехходовой вентильный блок DN 8

Для версии для не агрессивных измеряемых веществ можно выбирать между трубным резьбовым соединением с накидным кольцом и приварной цапфой в качестве подключения к процессу.

Версия для агрессивных измеряемых веществ всегда имеет трубное резьбовое соединение с накидным кольцом.

Обе версии по выбору поставляются с контрольным соединением M20x1.5.

Вентили имеют внутреннюю ходовую резьбу.

Используемые материалы
 

Для не агрессивных жидкостей и газов

Для агрессивных жидкостей и газов

Деталь

Материал

мат. No.

Материал

мат. No.

Корпус

P250GH

1.0460

X 6 CrNiMoTi 17 12 2

1.4571/316Ti

Колпаки

C 35

1.0501

Шпиндели

X 12 CrMoS 17

1.4104

Конус

X 35 CrMo 17 улучшенный

1.4122

Седла вентиля

X 6 CrNiMoTi 17 12 2

1.4571/316Ti

Прокладки

PTFE

-

PTFE

-

 

 


Функции

Скачать Характеристика Скачать Схема подключения 
Трехходовой вентильный блок DN 8

3-х ходовой вентильный блок DN 8 стандартно выполняет 2 функции:

  • блокировка импульсных линий
  • контроль нулевой точки измерительного преобразователя давления

Все версии могут быть поставлены и с контрольным соединением, которому может быть подключен контрольный прибор для проверки характеристики измерительного преобразователя давления.

 


Дополнительно

Скачать Характеристика Скачать Схема подключения 
Трехходовой вентильный блок DN 8
Набор принадлежностей для 3-х ходового вентильного блока DN 8 для установки во фланец
  • B11: 4 винта M10x55 по DIN EN 24014, 4 шайбы, 2 плоских уплотнительных кольца
  • B16: 4 винта M10x55 по DIN EN 24014, 4 шайбы, 2 O-кольца (FPM 90)
  • B31: 4 винта 7/16-20 UNF x 21/8 дюйма по ASME B18.2.1, 2 плоских уплотнительных кольца
  • B34: 4 винта 7/16-20 UNF x 21/8 дюйма по ASME B18.2.1, 2 O- кольца (FPM 90)

Шайбы Ø 10.5 по DIN 125

Плоские уплотнительные кольца из PTFE, макс. доп. 420 бар, 80 °C

O-кольцо по DIN 3771, 20 x 2,65 – S – FPM90; макс. доп. 420 бар, 120 °C

Указание: винты M10 разрешены только до PN 160!

Монтажная панель

Из стального листа, гальваническая оцинковка

  • M11: для монтажа на стену или для крепежа на монтажную опору (шаг растра 72 мм)Объем поставки:
    • 1 монтажная панель с крепежными винтами для установки на вентильный блок
  • M12: для трубного монтажаОбъем поставки:
    • 1 монтажная плата M11
    • 2 хомута с гайками и шайбами для трубы с макс. ∅ 60,3 мм

 


Характеристика

Скачать Характеристика Скачать Схема подключения 
Трехходовой вентильный блок DN 8

3-х ходовой вентильный блок DN 8, доп. рабочее давление в зависимости от доп. рабочей температуры

 


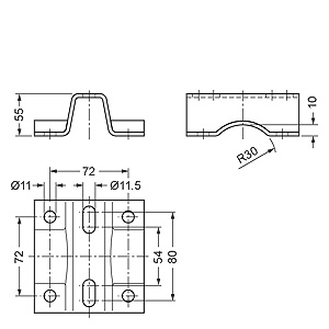
Чертеж

Скачать Характеристика Скачать Схема подключения 
Трехходовой вентильный блок DN 8

3-х ходовой вентильный блок DN 8 с резьбовым трубным соединение, размеры в мм

3-х ходовой вентильный блок DN 8 с приварной цапфой, размеры в мм

Монтажная панель 7MF9006-6.. для вентильного блока, размеры в мм

 


Схема подключения

Скачать Характеристика Скачать Схема подключения 
Трехходовой вентильный блок DN 8

3-х ходовой вентильный блок DN 8, схема

 


Заказные данные

Скачать Характеристика Скачать Схема подключения 

Цена на сайте указана розничная в ЕВРО без учета НДС.Для уточнения цены и размера предоставляемой скидки - звоните или присылайте заявки

Заказной номерPGОписание продуктаЦена
7MF9416-1B.8077MF9416-1B - 3-х вентильный блок DN 8 для неагрессивных жидкостей и газов, макс. давление 420 бар, подключение к процессу накидная гайка с обжимным кольцом под трубку Д 12 мм, без контрольного штуцера, 189.74
7MF9416-1C.8077MF9416-1C - 3-х вентильный блок DN 8 для неагрессивных жидкостей и газов, макс. давление 420 бар, подключение к процессу накидная гайка с обжимным кольцом под трубку Д 12 мм, с контрольным штуцером, 224.72
7MF9416-1D.8077MF9416-1D - 3-х вентильный блок DN 8 для агрессивных жидкостей и газов, макс. давление 420 бар, подключение к процессу накидная гайка с обжимным кольцом под трубку Д 12 мм, без контрольного штуцера, 363.58
7MF9416-1E.8077MF9416-1E - 3-х вентильный блок DN 8 для агрессивных жидкостей и газов, макс. давление 420 бар, подключение к процессу накидная гайка с обжимным кольцом под трубку Д 12 мм, c контрольным штуцером, 419.76
7MF9416-2C.8077MF9416-2C - 3-х вентильный блок DN 8 для неагрессивных жидкостей и газов, макс. давление 420 бар, подключение к процессу приварной штуцер Д 14*2,5 мм, без контрольного штуцера, 202.46
7MF9416-2D.8077MF9416-2C - 3-х вентильный блок DN 8 для неагрессивных жидкостей и газов, макс. давление 420 бар, подключение к процессу приварной штуцер Д 14*2,5 мм, с контрольным штуцером, 237.44

 


Аксессуары

Скачать Характеристика Скачать Схема подключения 

Цена на сайте указана розничная в ЕВРО без учета НДС.Для уточнения цены и размера предоставляемой скидки - звоните или присылайте заявки

Заказной номерPGОписание продуктаЦена
7MF9000-8AB807Сертификат производителя по EN 10204-2.2 для вентильных блоков. 60.10
7MF9000-8AD807Сертификат приёмки материала согласно EN 10204-3.1 для внтильных блоков. 118.72
7MF9006-6EA807Монтажная панель для вентильных блоков, материал оцинкованная угл. сталь 1.0122, для монтажа на плоскую поверхность, межцентровое расстояние 72 мм. 20.78
7MF9006-6GA807Монтажная панель для вентильных блоков, материал оцинкованная угл. сталь 1.0122, для монтажа на плоскую поверхность, межцентровое расстояние 72 мм, 2 U-образных хомута с шайбами и гайками для монтажа на трубу. 24.06
7MF9010-5CC807Крепёжный набор: 4 болта 7/16-20 UNF длиной 2 1/8 дюйма, 4 шайбы, 2 упл. кольца (материал PTFE). 14.63
7MF9010-6AD807Крепёжный набор: 4 болта М10*55, 4 шайбы, 2 упл. кольца (материал PTFE). 5.72
7MF9010-6CC807Крепёжный набор: 4 болта М10*55, 4 шайбы, 2 упл. кольца (материал FPM 90). 5.72
7MF9410-5CA807Крепёжный набор: 4 болта 7/16-20 UNF длиной 2 1/8 дюйма, 4 шайбы, 2 упл. кольца (материал FPM 90) 14.63