0

Разделы

Скачать Характеристика Скачать Заказные данные 
Трех- и пятивентильные блоки для вертикальных импульсных линий

Эти 3-х и 5-ти шпиндельные вентильные блоки были специально разработаны для вертикальных импульсных линий. вентильные блоки используются для блокировки импульсных линий и для проверки нулевой точки измерительного преобразователя давления.

5-ти шпиндельный вентильный блок доп. обеспечивает сборос давления со стороны измерительного преобразователя и контроль характеристики измерительного преобр. давления.

 


Особенности

Скачать Характеристика Скачать Заказные данные 
Трех- и пятивентильные блоки для вертикальных импульсных линий
  • Для вертикальных импульсных линий
  • Макс. рабочее давление 420 бар
  • Измерительные преобразователи давления серии DS могут обслуживаться и считываться с фронтальной стороны

 


Область применения

Скачать Характеристика Скачать Заказные данные 
Трех- и пятивентильные блоки для вертикальных импульсных линий

3-х и 5-ти шпиндельные вентильные блоки для вертикальных импульсных линий предназначены для жидкостей и газов. Вентильные блоки прифланцовываются к измерительному преобразователю давления.

 


Дизайн

Скачать Характеристика Скачать Заказные данные 
Трех- и пятивентильные блоки для вертикальных импульсных линий

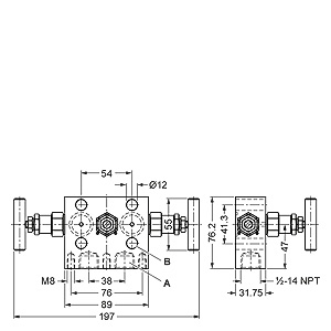
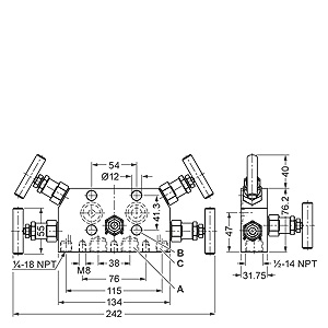
Все версии вентильных блоков имеют подключение к процессу ½-14 NPT.

Соединение для измерительного преобразователя давления выполнено как фланцевое соединение по EN 61518, форма В.

B. 2-х и 5-ти шпиндельный вентильный блок дополнительно имеет вентиляционное и контрольное соединение ¼-18 NPT.

Вентили блока имеют наружнюю ходовую резьбу.

Используемые материалы:

Деталь

Материал

мат. No.

Корпус

X 2 CrNiMo 17 13 2

1.4404/316L

Конус

X 6 CrNiMoTi 17 12 2

1.4571/316Ti

Шпиндели

X 2 CrNiMo 18 10

1.4404/316L

Колпаки

X 5 CrNiMo 18 10

1.4401/316

Прокладки

PTFE

-

 

 


Функции

Скачать Характеристика Скачать Заказные данные 
Для встраивания в защитный шкаф

Функции всех вентильных блоков:

  • блокировка импульсных линий
  • контроль нулевой точки измерительного преобразователя давления

Доп. функции 2-х или 5-ти шпиндельных вентильных блоков через вентиляционное и контрольное соединение:

  • сброс давления со стороны измерительного преобразователя
  • контроль характеристики измерительного преобразователя давления

 


Дополнительно

Скачать Характеристика Скачать Заказные данные 
Трех- и пятивентильные блоки для вертикальных импульсных линий
Набор принадлежностей (соединение вентильный блок-измерительный преобразователь давления
  • K16: 4 винта M10x45 по DIN EN 24 014, 4 шайбы, 2 плоские уплотнительные кольца
  • K36: 4 винта 7/16-20 UNF x 13/4 дюйма по ASME B 18.2.1, 2 плоские уплотнительные кольца

Шайбы Ø 10.5 по DIN 125

Плоские уплотнительные кольца из PTFE, макс. доп. 420 бар, 80 °C

Указание: фланцевое соединение с винтами M10 разрешено только до PN 160!

Монтажный уголок для монтажа на стенку или для крепежа на монтажную опору

С крепежными винтами для установки на вентильный блок

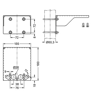
  • M17: для 3-х шпиндельного вентильного блока
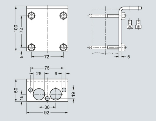
  • M18: для 5-ти шпиндельного вентильного блока
Монтажный уголок для монтажа на стояк 2“

С крепежными винтами для установки на вентильный блок

  • M19: для 3-х шпиндельного вентильного блока
Монтажный хомут (2 шт.)

M16: для крепежа монтажного уголка M17, M18 и M19 на трубу

Вентильный блок 100 бар, подходит для кислорода
  • для 3-х шпиндельного вентильного блока
  • для 5-ти шпиндельного вентильного блока

 


Характеристика

Скачать Характеристика Скачать Заказные данные 
Трех- и пятивентильные блоки для вертикальных импульсных линий

Доп. рабочее давление в зависимости от доп. рабочей температуры

 


Чертеж

Скачать Характеристика Скачать Заказные данные 
Трех- и пятивентильные блоки для вертикальных импульсных линий

3-х шпиндельный вентильный блок для вертикальных импульсных линий, размеры в мм

5-ти шпиндельный вентильный блок для вертикальных импульсных линий, размеры в мм

Монтажный уголок (7MF9006-6NA)/(M17) для 3-х шпиндельного вентильного блока, размеры в мм

Монтажный уголок (7MF9006-6PA)/(M18) для 5-ти шпиндельного вентильного блока, размеры в мм

Монтажный уголок (7MF9006-6QA)/(M19) для 3-х и 5-ти шпиндельного вентильного блока, размеры в мм

 


Схема подключения

Скачать Характеристика Скачать Заказные данные 
Трех- и пятивентильные блоки для вертикальных импульсных линий

3-х шпиндельный вентильный блок для вертикальных импульсных линий, схема

5-ти шпиндельный вентильный блок для вертикальных импульсных линий, схема

 


Заказные данные

Скачать Характеристика Скачать Заказные данные 

Цена на сайте указана розничная в ЕВРО без учета НДС.Для уточнения цены и размера предоставляемой скидки - звоните или присылайте заявки

Заказной номерPGОписание продуктаЦена
7MF9413-1DA8073-х вентильный блок для вертикальных имп. линий, материал нерж. сталь 1.4404, макс. раб. давление 420 бар, подключение к процессу - внутренняя резьба 1/2-14 NPT, подключение к преобразователю давления фланцевое,65B/333/CDV FORM B (ORDER ACCESSORIES WITH ORDER CODE) VERSION: THREE-WAY VALVE MANIFOLD CONSTRUCTIONAL TEST AND ACCEPTANCE TEST: WITHOUT CERTIFICATE PRESSURE EQUIPMENT DIREKTIVE F. GAS 1/LIQUIDS 1 ART. 3.3 SEP 185.50
7MF9413-1DB8073-х вентильный блок для вертикальных имп. линий, материал нерж. сталь 1.4404, макс. раб. давление 420 бар, подключение к процессу - внутренняя резьба 1/2-14 NPT, подключение к преобразователю давления фланцевое,65B/333/CDV FORM B (ORDER ACCESSORIES WITH ORDER CODE) VERSION: THREE-WAY VALVE MANIFOLD CONSTRUCTIONAL TEST AND ACCEPTANCE TEST: WITH FACTORY TEST CERTIFICATE EN 10204-2.2 PRESSURE EQUIPMENT DIREKTIVE F. GAS 1/.... 237.44
7MF9413-1DD8073-х вентильный блок для вертикальных имп. линий, материал нерж. сталь 1.4404, макс. раб. давление 420 бар, подключение к процессу - внутренняя резьба 1/2-14 NPT, подключение к преобразователю давления фланцевое,65B/333/CDV FORM B (ORDER ACCESSORIES WITH ORDER CODE) VERSION: THREE-WAY VALVE MANIFOLD CONSTRUCTIONAL TEST AND WITH MATERIAL ACCEPTANCE TEST CERTIFICATE EN 10204-3.1 B PRESSURE EQUIPMENT DIREKTIVE F. GAS 1/LIQ.... 305.28
7MF9413-1E.8077MF9413-1E - 5-ти вентильный блок для вертикальных имп. линий, материал нерж. сталь 1.4404, макс. раб. давление 420 бар, подключение к процессу - внутренняя резьба 1/2-14 NPT, подключение к преобразователю давления фланцевое,65B/333/CDV FORM B (ORDER ACCESSORIES WITH ORDER CODE) VERSION: FIVE-WAY VALVE MANIFOLD PRESSURE EQUIPMENT DIREKTIVE F. GAS 1/LIQUIDS 1 ART. 3.3 SEP 357.22

 


Аксессуары

Скачать Характеристика Скачать Заказные данные 

Цена на сайте указана розничная в ЕВРО без учета НДС.Для уточнения цены и размера предоставляемой скидки - звоните или присылайте заявки

Заказной номерPGОписание продуктаЦена
7MF9000-8AB807Сертификат производителя по EN 10204-2.2 для вентильных блоков. 60.10
7MF9000-8AD807Сертификат приёмки материала согласно EN 10204-3.1 для внтильных блоков. 118.72
7MF9006-6KA807Крепёжный хомут, 2 шт., для крепежа монтажных кронштейнов 7MF9006-6LA и -6MA (M14 и M15) на трубу. 11.24
7MF9006-6NA807Монтажный кронштейн для вентильного блока 7MF9412-1D*, материал нерж. сталь, для монтажа на плоскую поверхность, межцентровое расстояние 72 мм. 58.94
7MF9006-6PA807Монтажный кронштейн для вентильного блока 7MF9412-1E*, материал нерж. сталь, для монтажа на плоскую поверхность, межцентровое расстояние 72 мм. 66.57
7MF9006-6QA807Монтажный кронштейн для вентильного блока 7MF9413-1D*, материал нерж. сталь, для монтажа на плоскую поверхность, межцентровое расстояние 72 мм. 54.59
7MF9411-5DB807Крепёжный набор: 4 болта 7/16-20 UNF длиной 1 3/4 дюйма из угл. стали, 2 упл. кольца (материал PTFE) 13.57
7MF9411-6BB807Крепёжный набор: 4 болта М10*45 из угл. стали, 2 упл. кольца (материал PTFE) 5.72