0

Разделы

Transmag 2 - Магнитно-индукционные расходомеры SITRANS F M

Transmag 2 - Магнитно-индукционные расходомеры SITRANS F M

SITRANS F M измерительный преобразователь Transmag 2

SITRANS F M Transmag 2 это магнитно-индуктивный расходомер с пульсирующим переменным полем, сила магнитного поля которого значительно превышает силу поля обычных магнитно-индуктивных расходомеров с пульсирующим постоянным полем.

Это делает его идеальным средством для следующих приложений:

  • бумажная масса и целлюлоза с концентрацией > 3%
  • взвеси высокой концентрации в горной промышленности
  • взвеси в горной промышленности с магнитными частицами.

Измерительный преобразователь Transmag 2 работает с пульсирующим переменным полем и особенно подходит для измерения кашеобразных веществ, взвесей и магнитопроводящих веществ со скоростью протока от 0,15 до 12 м / (0.5 до 39.4ft/сек ).

SITRANS F M измерительный преобразователь Transmag 2 используется с измерительными датчиками SITRANS F M 911/E и 911/F5 и также поставляется в компактной версии с ном. диаметрами от DN 65.

 

Особенности

  • быстрая обработка сигнала с помощью 16-битной технологии
  • автоматическое определение типа датчика и данных калибровки через SmartPLUG
  • коммуникация через PROFIBUS PA (3.0) и HART
  • простое управление через меню с двухстрочной индикацией
  • функции самоконтроля
  • внутренний имитатор (всех входных и выходных функций)
  • контроль измерительного датчика через контроль пустой трубы или контроль смачивания электродов
  • аналоговый выход и цифровые выход для импульсов, состояния прибора , предельных значений, направления протока, частотного выхода
  • по желанию пассивный коммутационный вход для сброса значений счетчика и для отключения измерительного оборудования (PZR)
  • с пульсирующим переменным полем для мин . проводимости в 0,1 µS/см или выше, в зависимости от измерительного датчика и вещества
  • раздельный режим (подключенного водосчетчика)

Область применения

Основными сферами применения измерительного преобразователя SITRANS F M Transmag 2 являются:

  • целлюлозо - промышленность
  • добывающая промышленность


Измерительный преобразователь Transmag 2 работает с пульсирующим переменным полем и для него необходим измерительный датчик 911/E и 911/F5. Пульсирующее переменное поле может использоваться для мин. проводимости от 0,1 µS/c в зависимости от диаметра и вещества.

Запатентованный Siemens AG метод измерения с пульсирующим переменным полем особенно подходит для веществ с высоким содержанием твердых примесей и магнитопроводящих веществ.

 

Дизайн

Расходомер в комплекте состоит из измерительного датчика и соответствующего измерительного преобразователя SITRANS F M Transmag 2 для пульсирующего переменного поля. Эти расходомеры поставляются в раздельной и компактной версии (компактная версия SITRANS F M 911/E с Transmag 2 возможна только с ном. диаметрами от DN 65 до DN 600 (2 1/2" до 24"). Они работают по закону электромагнитной индукции Фарадея, согласно которому в проводнике, введенном в магнитное поле, индуцируется электрическое напряжение.

Функции

Функция

Transmag 2 это измерительный преобразователь на базе микропроцессора со встроенной алфавитно - индикацией на нескольких языках. Измерительный преобразователь обрабатывает поступающие от соответствующего магнитно-индуктивного измерительного датчика сигналы и питает катушки возбуждения измерительного датчика пульсирующим переменным током.

Магнитная индукция в измерительном датчике дополнительно измеряется и контролируется через эталонные катушки.

Прочую информацию по подключению, режиму работы и монтажу см. технические паспорта измерительных датчиков.

Элементы индикации и управления

Измерительный преобразователь Transmag 2 работает со следующими компонентами:

  • блок управления и индикации
  • коммуникатор HART
  • PC/ноутбук и ПО SIMATIC PDM через коммуникацию с HART
  • PC/ноутбук и ПО SIMATIC PDM через коммуникацию с PROFI-BUS PA

 

Рис. 3/21 Коммуникация через HART

Рис. 3/22 Коммуникация через PROFIBUS PA

 

Технические данные

Режим работы и конструкция

 

Принцип измерения

магнитно-индуктивный с пульсирующим переменным полем

Возбуждение магнитного поля

автоматическая синхронизация питания или внутренний таймер с питанием постоянным током

  • питание AC 50 Гц

биполярное (16,7 Гц )
биполярное с предварительным
импульсом (10 Гц )
биполярное (8,33 Гц )

  • питание AC 60 Гц

униполярное (20 Гц )
униполярное с предварительным
импульсом (12 Гц )
униполярное (10 Гц )

Выходы

 

Электрическая
изоляция

Выходы гальванически отделены от блока питания и друг от друга,
допускается макс. 60 V к PE/выравниванию потенциалов

Выход тока

0/4 ... 20 мА

Только 20 мА / приборы HART
(7ME503.-0.... или 7ME503.-2....)

 

  • cигнал

 

  • верхнее предельное значение

0/4 ... 20 мА , по выбору

  • отказ

20 ... 22,5 мА

  • нагрузка

3,6, 20 или 24 мА

  • не искробезопасный выход

макс . 600 Ω, макс . напряжение
нагрузки DC 15 V

  • искробезопасный выход

макс . 350 Ω, макс . напряжение
нагрузки DC 8,5 V

  • для коммуникации через HART

≥ 250 Ω

Коммуникация

через аналоговый выход с соединительным модулем РС или
коммуникатор HART

  • протокол

HART, версия 5.1

Цифровой выход

 

Сигнал

 

  • не искробезопасный выход

может конфигурироваться как активные и пассивные сигналы

  • активный сигнал

DC 24 V, ≤24 мА , R i = 170 Ω

  • пассивный сигнал

открытый коллектор , макс . DC 30 V, 200 мА

Выходная конфигурация

 

  • импульс

 

  • значимость импульсов

≤5000 импульсов /

  • длительность импульса

≥ 0.1 мсек

  • частота предельного значения

≤ 10,000 Гц

  • предельные значения

предельные значения для скорости и количества расхода , направления протока , тревоги

Цифровой выход 2 ()
( 7ME503.-1....)

 

Реле

функция размыкателя или замыкателя

  • расчет параметров

 

  • не искробезопасный выход

макс . 5 W, макс . AC/DC 50 V, макс. 200 мА

  • выходная конфигурация

предельные значения для скорости и количества расхода, направления протока, тревоги

Цифровой вход ( опция для
цифрового выхода 2)
( 7ME503.-2....)

не искробезопасный

  • входная функция может
    конфигурироваться как High-Active
    или Low-Active

заданное измеренное значение или
счетчик на ноль

  • напряжение сигнала

макс . DC 30 V, R i = 3 k:
High-Pegel: +11 ... + DC 30 V
Low-Pegel: -30 ... + DC 5 V

Для приборов PROFIBUS

 

PROFIBUS PA ( приборов PROFI-BUS
7ME503.-1....)

 

  • коммуникация

уровень 1 и 2 по PROFIBUS PA
передача по IEC 1158-2
уровень 7 ( протокола ) по
PROFIBUS PA и DP V1 (EN 50170)
класс приборов B, профиль 3.0
макс. 4 одновременных соединения C2

 

  • напряжение шины

 

  • не искробезопасный выход

допускается DC 9 ... 32 V

  • расход тока шиной

10 мА ; ограничение до ≤15 мА в случае отказа ограничения тока

Точность при эта онных условиях

 

Допуск измерения импульсного выхода

 

  • при v > 0,25 м / (0.82 ft/s)

≤±0,5% от измеренного значения
±0,0012 м /

  • With v < 0.25 m/s (0.82 ft/s)

±0,0025 м /сек

Допуск измерения аналогового
выхода

как импульсный выход плюс ±0.1% погрешность преобразования ±20 µA

Воспроизводимость

0,2% от измеренного значения

Эталонные условия

 

  • температура процесса

25 °C ±5 °C (77 °F ±41 °F)

  • Окружающая температура

25 °C ±5 °C (77 °F ±41 °F)

  • время нагрева

мин . 30 мин

  • монтажные условия

участок впускной трубы ≥10 x DN

участок выпускной трубы ≥5 x DN

Монтаж по центру в трубе

  • вещество

вода без газообразных или твердых
примесей

  • проводимость

> 200 µS/cm

  • частота магнитного тока

двухполюсная с предварительным
импульсом

Рабочие ус овия

 

Условия монтажа

см . также Измерительный датчик

Окружающая температура

 

  • раздельная версия
  • -20 ... +60 °C (-4 ... +140 °F)
  • компактная версия
  • -20 ... +60 °C (-4 ... +140 °F), температура процесса до 60 °C (до 140 °F)
  • модуль индикации

0 ... 50 °C (32 ... 122 °F)

Хранение

-25 ... +80 °C (-13 ... +176 °F)

Класс защиты

IP67 / NEMA 4X

Электромагнитная совместимость
(ЭМС)

 

  • излучение помех

по EN 61326 при использовании в
промышленных зонах

  • помехоустойчивость

по EN 61326 при использовании в
промышленных зонах NAMUR NE21 при использовании в жилом секторе

 

Свойства измеряемой среды

 

  • температура процесса для
    компактной версии

-20 ... +130 °C в зависимости от измерительного датчика и внешней
температуры

Мин . проводимость вещества

 

  • для измерительного датчика SI-TRANS F M 911/E

≥0,1 µS/c , в зависимости от вещества и диаметра

Конструкция

 

Вес измерительный преобразователь

4,4 кг

Компактные версии

измерительный преобразователь жестко смонтирован на измерительной трубе

Раздельная версия

измерительный преобразователь должен быть подключен экранированным кабелем к
исзмерительному датчику

Макс . длина кабеля

100 м

Корпус

алюминиевое литье под давлением, окрашенный

Элементы индикации и
управления

 

Общая индикация

ЖКД , фоновая подсветка,  две строки по 16 знаков

Универсальная индикация для

расхода, количества, скорости протока

Элементы управления

4 клавиши для ввода параметров

Питание

как указано на типовой табличке

 

  • питание AC

AC 100 ... 250 V ±15%, 47 ... 63 Гц

  • расход тока

около 120 ... 630 VA, в зависимости от измерительного датчика и
диаметра

Отказ тока

шунтирование мин . одного цикла питания (> 20 мсек )

Главный предохранитель

AC 100 ... 230 V: T1.6A

Предохранитель магнитного тока

F5A / 250 V

Сертификаты и допуски

 

Руководство по приборам давления

Прибор не подлежит руководству по приборам давления


 

 

Чертеж

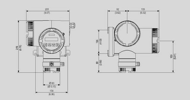
SITRANS F M измерительный преобразователь Transmag 2 со стандартной монтажной панелью, размеры в мм (дюймах)

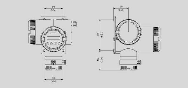
SITRANS F M измерительный преобразователь Transmag 2 с опционной монтажной панелью подх дит и для монтажа натрубопровод, размеры в мм (дюймов)

 

Заказные данные

Заказной №ОписаниеВес (кг)ДоставкаМин. зак. (шт)
7ME5034-.....-....SITRANS F M MAGNETOINDUCTIVE FLOWMETER TRANSMITTER TRANSMAG 2 FOR ALTERNATING FIELD 3.46 - 8 недель (C)1
7ME5930-0....-....SITRANS F M, ЭЛЕКТРОМАГНИТНЫЙ РАСХОДОМЕР, АКСЕССУАРЫ2.54 - 6 недель (B)1
7ME5930-5....-....SITRANS F M, ЭЛЕКТРОМАГНИТНЫЙ РАСХОДОМЕР, АКСЕССУАРЫ2.54 - 6 недель (B)1

Аксессуары

Заказной №ОписаниеВес (кг)ДоставкаМин. зак. (шт)
7MF4997-1DAHART-МОДЕМ С ИНТЕРФЕСОМ RS232 ДЛЯ ПОДКЛЮЧЕНИЯ ИЗМЕРИТЕЛЬНЫХ ДАТЧИКОВ С HART-ПРОТОКОЛОМ К КОМПЬЮТЕРУ0.13 - 5 недель (A)1
7MF4997-1DB HART-МОДЕМ С USB-ИНТЕРФЕСОМ ДЛЯ ПОДКЛЮЧЕНИЯ ИЗМЕРИТЕЛЬНЫХ ДАТЧИКОВ С HART-ПРОТОКОЛОМ К КОМПЬЮТЕРУ 0.13 - 5 недель (A)1
A5E00102774РУКОВОДСТВО ПО ЭКСПЛУАТАЦИИ GERMAN MAGNETOINDUCTIVE FLOWMETER SITRANS F M INTERMAG 20.54 - 6 недель (B)1
A5E00102775OPERATING РУКОВОДСТВО ENGLISH MAGNETOINDUCTIVE FLOWMETER SITRANS F M INTERMAG 20.54 - 6 недель (B)1