0

Разделы

Скачать Заказные данные Скачать Заказные данные 
Transmag 2

SITRANS F M измерительный преобразователь Transmag 2

SITRANS F M Transmag 2 это магнитно-индуктивный расходомер с пульсирующим переменным полем, сила магнитного поля которого значительно превышает силу поля обычных магнитно-индуктивных расходомеров с пульсирующим постоянным полем.

Это делает его идеальным средством для следующих приложений:

  • бумажная масса и целлюлоза с концентрацией > 3%
  • взвеси высокой концентрации в горной промышленности
  • взвеси в горной промышленности с магнитными частицами.

Измерительный преобразователь Transmag 2 работает с пульсирующим переменным полем и особенно подходит для измерения кашеобразных веществ, взвесей и магнитопроводящих веществ со скоростью протока от 0,15 до 12 м / (0.5 до 39.4ft/сек ).

SITRANS F M измерительный преобразователь Transmag 2 используется с измерительными датчиками SITRANS F M 911/Eи 

 


Особенности

Скачать Заказные данные Скачать Заказные данные 
Transmag 2
  • быстрая обработка сигнала с помощью 16-битной технологии
  • автоматическое определение типа датчика и данных калибровки через SmartPLUG
  • коммуникация через PROFIBUS PA (3.0) и HART
  • простое управление через меню с двухстрочной индикацией
  • функции самоконтроля
  • внутренний имитатор (всех входных и выходных функций)
  • контроль измерительного датчика через контроль пустой трубы или контроль смачивания электродов
  • аналоговый выход и цифровые выход для импульсов, состояния прибора , предельных значений, направления протока, частотного выхода
  • по желанию пассивный коммутационный вход для сброса значений счетчика и для отключения измерительного оборудования (PZR)
  • с пульсирующим переменным полем для мин . проводимости в 0,1 µS/см или выше, в зависимости от измерительного датчика и вещества
  • раздельный режим (подключенного водосчетчика)

 


Область применения

Скачать Заказные данные Скачать Заказные данные 
Transmag 2

Основными сферами применения измерительного преобразователя SITRANS F M Transmag 2 являются:

  • целлюлозо - промышленность
  • добывающая промышленность

Измерительный преобразователь Transmag 2 работает с пульсирующим переменным полем и для него необходим измерительный датчик 911/E . Пульсирующее переменное поле может использоваться для мин. проводимости от 0,1 µS/c в зависимости от диаметра и вещества.

Запатентованный Siemens  метод измерения с пульсирующим переменным полем особенно подходит для веществ с высоким содержанием твердых примесей и магнитопроводящих веществ.

 

 


Дизайн

Скачать Заказные данные Скачать Заказные данные 
Transmag 2

Расходомер в комплекте состоит из измерительного датчика и соответствующего измерительного преобразователя SITRANS F M Transmag 2 для пульсирующего переменного поля. Эти расходомеры поставляются в раздельной версии

 


Способ действия

Скачать Заказные данные Скачать Заказные данные 
Transmag 2

Приборы работают по закону электромагнитной индукции Фарадея, согласно которому в проводнике, введенном в магнитное поле, индуцируется электрическое напряжение.

 


Функции

Скачать Заказные данные Скачать Заказные данные 
Transmag 2
Функция

Transmag 2 это измерительный преобразователь на базе микропроцессора со встроенной алфавитно - индикацией на нескольких языках. Измерительный преобразователь обрабатывает поступающие от соответствующего магнитно-индуктивного измерительного датчика сигналы и питает катушки возбуждения измерительного датчика пульсирующим переменным током.

Магнитная индукция в измерительном датчике дополнительно измеряется и контролируется через эталонные катушки.

Прочую информацию по подключению, режиму работы и монтажу см. технические паспорта измерительных датчиков.

Элементы индикации и управления

Измерительный преобразователь Transmag 2 работает со следующими компонентами:

  • блок управления и индикации
  • коммуникатор HART
  • PC/ноутбук и ПО SIMATIC PDM через коммуникацию с HART
  • PC/ноутбук и ПО SIMATIC PDM через коммуникацию с PROFI-BUS PA

 

Рис. 3/21 Коммуникация через HART

Рис. 3/22 Коммуникация через PROFIBUS PA

 

 


Технические данные

Скачать Заказные данные Скачать Заказные данные 
Transmag 2

Режим работы и конструкция

 

Принцип измерения

магнитно-индуктивный с пульсирующим переменным полем

Возбуждение магнитного поля

автоматическая синхронизация питания или внутренний таймер с питанием постоянным током

  • питание AC 50 Гц

биполярное (16,7 Гц )биполярное с предварительнымимпульсом (10 Гц )биполярное (8,33 Гц )

  • питание AC 60 Гц

униполярное (20 Гц )униполярное с предварительнымимпульсом (12 Гц )униполярное (10 Гц )

Выходы

 

Электрическаяизоляция

Выходы гальванически отделены от блока питания и друг от друга,допускается макс. 60 V к PE/выравниванию потенциалов

Выход тока

0/4 ... 20 мА

Только 20 мА / приборы HART(7ME503.-0.... или 7ME503.-2....)

 

  • cигнал

 

  • верхнее предельное значение

0/4 ... 20 мА , по выбору

  • отказ

20 ... 22,5 мА

  • нагрузка

3,6, 20 или 24 мА

  • не искробезопасный выход

макс . 600 Ω, макс . напряжениенагрузки DC 15 V

  • искробезопасный выход

макс . 350 Ω, макс . напряжениенагрузки DC 8,5 V

  • для коммуникации через HART

≥ 250 Ω

Коммуникация

через аналоговый выход с соединительным модулем РС иликоммуникатор HART

  • протокол

HART, версия 5.1

Цифровой выход

 

Сигнал

 

  • не искробезопасный выход

может конфигурироваться как активные и пассивные сигналы

  • активный сигнал

DC 24 V, ≤24 мА , R i = 170 Ω

  • пассивный сигнал

открытый коллектор , макс . DC 30 V, 200 мА

Выходная конфигурация

 

  • импульс

 

  • значимость импульсов

≤5000 импульсов /

  • длительность импульса

≥ 0.1 мсек

  • частота предельного значения

≤ 10,000 Гц

  • предельные значения

предельные значения для скорости и количества расхода , направления протока , тревоги

Цифровой выход 2 () ( 7ME503.-1....)

 

Реле

функция размыкателя или замыкателя

  • расчет параметров

 

  • не искробезопасный выход

макс . 5 W, макс . AC/DC 50 V, макс. 200 мА

  • выходная конфигурация

предельные значения для скорости и количества расхода, направления протока, тревоги

Цифровой вход ( опция для цифрового выхода 2) ( 7ME503.-2....)

не искробезопасный

  • входная функция можетконфигурироваться как High-Activeили Low-Active

заданное измеренное значение илисчетчик на ноль

  • напряжение сигнала

макс . DC 30 V, R i = 3 k:High-Pegel: +11 ... + DC 30 VLow-Pegel: -30 ... + DC 5 V

Для приборов PROFIBUS

 

PROFIBUS PA ( приборов PROFI-BUS7ME503.-1....)

 

  • коммуникация

уровень 1 и 2 по PROFIBUS PAпередача по IEC 1158-2уровень 7 ( протокола ) поPROFIBUS PA и DP V1 (EN 50170)класс приборов B, профиль 3.0макс. 4 одновременных соединения C2

 

  • напряжение шины

 

  • не искробезопасный выход

допускается DC 9 ... 32 V

  • расход тока шиной

10 мА ; ограничение до ≤15 мА в случае отказа ограничения тока

Точность при эта онных условиях

 

Допуск измерения импульсного выхода

 

  • при v > 0,25 м / (0.82 ft/s)

≤±0,5% от измеренного значения±0,0012 м /

  • With v < 0.25 m/s (0.82 ft/s)

±0,0025 м /сек

Допуск измерения аналоговоговыхода

как импульсный выход плюс ±0.1% погрешность преобразования ±20 µA

Воспроизводимость

0,2% от измеренного значения

Эталонные условия

 

  • температура процесса

25 °C ±5 °C (77 °F ±41 °F)

  • Окружающая температура

25 °C ±5 °C (77 °F ±41 °F)

  • время нагрева

мин . 30 мин

  • монтажные условия

участок впускной трубы ≥10 x DN

участок выпускной трубы ≥5 x DN

Монтаж по центру в трубе

  • вещество

вода без газообразных или твердыхпримесей

  • проводимость

> 200 µS/cm

  • частота магнитного тока

двухполюсная с предварительнымимпульсом

Рабочие ус овия

 

Условия монтажа

см . также Измерительный датчик

Окружающая температура

 

  • раздельная версия
  • -20 ... +60 °C (-4 ... +140 °F)
  • компактная версия
  • -20 ... +60 °C (-4 ... +140 °F), температура процесса до 60 °C (до 140 °F)
  • модуль индикации

0 ... 50 °C (32 ... 122 °F)

Хранение

-25 ... +80 °C (-13 ... +176 °F)

Класс защиты

IP67 / NEMA 4X

Электромагнитная совместимость(ЭМС)

 

  • излучение помех

по EN 61326 при использовании впромышленных зонах

  • помехоустойчивость

по EN 61326 при использовании впромышленных зонах NAMUR NE21 при использовании в жилом секторе

 

Свойства измеряемой среды

 

  • температура процесса длякомпактной версии

-20 ... +130 °C в зависимости от измерительного датчика и внешнейтемпературы

Мин . проводимость вещества

 

  • для измерительного датчика SI-TRANS F M 911/E

≥0,1 µS/c , в зависимости от вещества и диаметра

Конструкция

 

Вес измерительный преобразователь

4,4 кг

Компактные версии

измерительный преобразователь жестко смонтирован на измерительной трубе

Раздельная версия

измерительный преобразователь должен быть подключен экранированным кабелем кисзмерительному датчику

Макс . длина кабеля

100 м

Корпус

алюминиевое литье под давлением, окрашенный

Элементы индикации иуправления

 

Общая индикация

ЖКД , фоновая подсветка,  две строки по 16 знаков

Универсальная индикация для

расхода, количества, скорости протока

Элементы управления

4 клавиши для ввода параметров

Питание

как указано на типовой табличке

 

  • питание AC

AC 100 ... 250 V ±15%, 47 ... 63 Гц

  • расход тока

около 120 ... 630 VA, в зависимости от измерительного датчика идиаметра

Отказ тока

шунтирование мин . одного цикла питания (> 20 мсек )

Главный предохранитель

AC 100 ... 230 V: T1.6A

Предохранитель магнитного тока

F5A / 250 V

Сертификаты и допуски

 

Руководство по приборам давления

Прибор не подлежит руководству по приборам давления

 

 

 


Дополнительно

Скачать Заказные данные Скачать Заказные данные 
Transmag 2
Аксесуары

Описание

 

Заказной No.

 

Модуль управления

 

7ME5933-0AC00

 

Крышка блока электроники, со стеклом (не Ex)

 

7ME5933-0AC01

 

Крышка кабеля датчика + прокладка

 

7ME5933-0AC02

 

Крышка блока подключения к линиям питания/связи

 

7ME5933-0AC03

 

Стандартный кронштейн настенного крепления

 

7ME5933-0AC04

 

Специальный комплект кронштейна для крепления на стену/трубу

 

7ME5933-0AC05

 

Предохранительный хомут крышки блока электроники со стеклом (7ME5933-0AC01)

 

7ME5933-0AC06

 

Комплект кабельный вводов M20, для подключения питания и выходов, серый пластик РА, 2 шт.

 

A5E02246350

 
  • для кабелей Ø6 ... 12 мм (0.24" ... 0.47")

 

 

  • -40 ... +100 °C (-40 ... +212 °F)

 

 

Комплект кабельных вводов 1/2" NPT, для подключения питания и выходов, серый пластик РА, 2шт.

 

A5E02246396

 
  • для кабелей Ø6 ... 12 мм (0.24" ... 0.47")

 

 

  • -40 ... +100 °C (-40 ... +212 °F)

 

 

Комплект кабельных вводов M16 x 1.5, для подключения датчика, хромированная латунь, 2 шт. - стандартные и 2 шт. - глухие

 

A5E02246369

 
  • для кабелей Ø5 ... 9 mm (0.20" ... 0.35")

 

 

  • -20 ... +105 °C (-4 ... +221 °F)

 

 

Комплект для заливки IP68/NEMA 6P

 

FDK-085U0220

 

 

 


Чертеж

Скачать Заказные данные Скачать Заказные данные 
Transmag 2

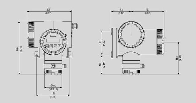
SITRANS F M измерительный преобразователь Transmag 2 со стандартной монтажной панелью, размеры в мм (дюймах)

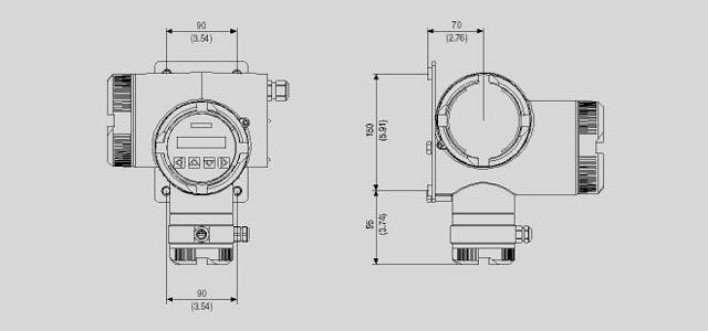
SITRANS F M измерительный преобразователь Transmag 2 с опционной монтажной панелью подх дит и для монтажа натрубопровод, размеры в мм (дюймов)

 

 


Схема подключения

Скачать Заказные данные Скачать Заказные данные 
Transmag 2

SITRANS F M transmitter TRANSMAG 2, connection diagram

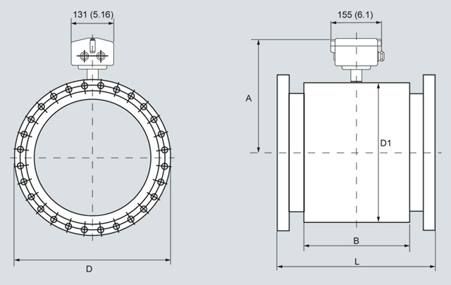
SITRANS F M Измерительный датчик 911/E, компактная конструкция, размеры в мм (дюймах)

Монтажная длина 911/E [в мм и дюймах]

DN 15 to DN 150

Ном. диаметр

DN 15

DN 20

DN 25

DN 32

DN 40

DN 50

DN 65

DN 80

DN 100

DN 125

DN 150

 

½“

¾“

1“

1 ¼“

1 ½“

2“

2 ½“

3“

4“

5“

6“

 

Монтажная длина B1)

Версия с эбонитом Версия с мягкойрезиной/NeoprenФутеровка изPTFE беззащитных дисков

270 (10.63)

280 (11.02)

 

330 (12.99)

340 (13.39)

Футеровка изPTFE сзащитнымидисками

270 (10.63)

280 (11.02)

 

330 (12.99)

340 (13.39)

Версия Novolak

-

275 (10.83)

325 (12.79)

335 (13.19)

333 (13.11)

362 (14.25)

 

Размеры преобразователя расхода

Ширина корпусаC

170 (6.69)

Высота H длякомпактнойверсии

281 (11.06)

285 (11.22)

291 (11.46)

298 (11.73)

314 (12.36)

326 (12.83)

345 (13.58)

Высота H2 дляраздельнойверсии

175 (6.89)

180 (7.08)

187.5 (7.38)

195 (7.68)

215 (8.46)

230 (9.06)

252.5 (9.94)

Диаметр корпусаD

135 (5.32)

169 (6.65)

184 (7.24)

249 (9.80)

 

274 (10.79)

298 (11.73)

324 (12.76)

Вес версии PN 10 в кг (MWP 145 psi версия в lbs)

8.0 (17.6)

8.5 (18.7)

11.0 (24.3)

11.5 (25.4)

25.0 (55.1)

26 (57.3)

 

28 (61.7)

34 (75.0)

38 (83.8)

DN 200 to DN 600

Ном. диаметр

DN 200

DN 250

DN 300

DN 350

DN 400

DN 500

DN 600

 

8“

10“

12“

14“

16“

20“

24“

 

Монтажная длина B1)

Версия сэбонитомВерсия с мягкойрезиной/NeoprenФутеровка изPTFE беззащитных диск

410 (16.14)

470 (18.50)

500 (19.68)

550 (21.65)

600 (23.62)

650 (25.59)

780 (30.71)

Футеровка изPTFE сзащитнымидисками

410 (16.14)

470 (18.50)

500 (19.68)

550 (21.65)

600 (23.62)

780 (30.71)

780 (30.71)

Версия Novolak

401 (15.79)

460 (18.11)

489 (19.25)

538 (21.18)

588 (23.15)

638 (25.12)

772 (30.39)

 

Размеры преобразователя расхода

Ширина корпусаC

240 (9.45)

 

 

306 (12.05)

360 (14.17)

412 (16.22)

552 (21.73)

Высота H длякомпактнойверсии

371 (14.61)

408 (16.06)

441 (17.36)

553 (21.77)

578 (22.76)

633 (24.92)

688 (27.09)

Высота H2 дляраздельнойверсии

285 (11.22)

330 (12.99)

370 (14.57)

347 (13.66)

372 (14.65)

424 (16.69)

477 (18.78)

Диаметр корпусаD

394 (15.51)

442 (17.40)

492 (19.37)

469 (18.46)

536 (21.10)

631 (24.84)

746 (29.37)

Вес версии PN 10 в кг (MWP 145 psi версия в lbs)

68 (149.9)

80 (176.4)

90 (198.4)

110 (242.5)

150 (330.7)

210 (463)

370 (860)

1) Допуск для монтажной длины: B + 0,0 мм (0.00 дюймов) /- 4,0 мм (-0.157 дюймов). С защитными кольцами или дисками при> DN 25 + 6,0 мм, > DN 200 + 10,0 мм (> 1" + 0.236 дюймов. > 8" + 0.394 дюймов)

 


Заказные данные

Скачать Заказные данные Скачать Заказные данные 

Цена на сайте указана розничная в ЕВРО без учета НДС.Для уточнения цены и размера предоставляемой скидки - звоните или присылайте заявки

Заказной номерPGОписание продуктаЦена
7ME5034-.....-....843SITRANS F M преобразователь для магнитно индуктивного расходомера TRANSMAG 2 для ALTERNATING FIELD 1704.48
7ME561.-.....-....843Первичный сенсор 911/Е Transmag 2 0.00

 


Аксессуары

Скачать Заказные данные Скачать Заказные данные 

Цена на сайте указана розничная в ЕВРО без учета НДС.Для уточнения цены и размера предоставляемой скидки - звоните или присылайте заявки

Заказной номерPGОписание продуктаЦена
7ME5930-0....-....843SITRANS F M, ЭЛЕКТРОМАГНИТНЫЙ РАСХОДОМЕР, АКСЕССУАРЫ 0.00
7ME5930-2....-....843SITRANS F M, ЭЛЕКТРОМАГНИТНЫЙ РАСХОДОМЕР, АКСЕССУАРЫ 0.00
7ME5930-5....-....843SITRANS F M, ЭЛЕКТРОМАГНИТНЫЙ РАСХОДОМЕР, АКСЕССУАРЫ 0.00
7ME5933-0AC00843OPERATING AND MONITORING MODULE SITRANS F M / F US 301.04
7ME5933-0AC01843ELECTRONICS COVER F M / F US, WITH GLASPLATE, INCLUSIVE GASKET 208.82
7ME5933-0AC02843КРЫШКА ДЛЯ МОНТАЖНОЙ ПЛАТЫ, ВКЛЮЧАЯ МОНТАЖНЫЙ РАЗЪЕМ 65.72
7ME5933-0AC03843COVER FOR CONNECTION BOARD (POWER SUPPLY AND OUTPUT), INCLUSIVE GASKET 166.42
7ME5933-0AC04843КОМПЛЕКТ ДЛЯ НАСТЕННОГО МОНТАЖА ДЛЯ INTERMAG 2 И F US 92.22
7ME5933-0AC05843КОМПЛЕКТ ДЛЯ НАСТЕННОГО МОНТАЖА И МОНТАЖА НА ТРУБЕ, ДЛЯ INTERMAG 2 И F US 115.54
7ME5933-0AC06843РАЗЪЕМ БЕЗОПАСНОСТИ INTERMAG 2 И F US 59.36
7MF4997-1DA807HART-модем с интерфейсом RS232 для подключения преобразователей к компьютеру. 414.46
7MF4997-1DB807HART-модем с интерфейсом USB для подключения преобразователей к компьютеру. 534.24
A5E00102774833OPERATING INSTRUCTIONS GERMAN MAGNETOINDUCTIVE FLOWMETER SITRANS F M INTERMAG 2 11.66
A5E00102775835SITRANS F M TRANSMAG 2 OP INSTR EN 29.68
A5E02246350834SITRANS FUS CABLE GLAND 2 PC M20 PA-GREY, CABLEDIAMETER:6-12MM, -40 TO 100DEGC 24.38
A5E02246369834SITRANS FUS060 CABLE GLANDS FOR TRANSDUCER CONNECTION, ATEX APPROVED TYPE, 2 PCS. M16 GLANDS, CHROME PLATED BRASS, CABLE DIAMETER: 5 - 9MM AND 2 PCS. M16 PLUGS, CHROME PLATED BRASS, MAX. 105 DEG.C 92.22
A5E02246396834SITRANS GLAND, 2 PC 1/2 INCH NPT PA-GREY, CABLEDIAMETER:6-12MM, -40 TO 100DEGC 24.38
FDK:085U0220833USM POTTING KIT 117.66