0

Разделы

Скачать Заказные данные 
Термосопротивление для влажных помещений

Термометр сопротивления для влажных помещений подходит для диапазона температур от -30 до +60 °C (от -22 до +140 °F).

 


Технические данные

Скачать Заказные данные 
Термосопротивление для влажных помещений

Термометр сопротивления для влажных помещений

 

Защитная трубка

Из нерж. стали

Соединительная головка

Из легкого металла (литье), с вводом кабеля; из пластика по запросу

Измерительная вставка

1 или 2 измерительных резистора Pt по DIN EN 60751, соединение по 3-х или 4-х проводной схеме, класс B

Класс защиты

IP65 по DIN EN 60529

 

 


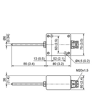
Чертеж

Скачать Заказные данные 
Термосопротивление для влажных помещений

Термометр сопротивления для влажных помещений, размеры в мм (дюймах)

 


Заказные данные

Скачать Заказные данные 

Цена на сайте указана розничная в ЕВРО без учета НДС.Для уточнения цены и размера предоставляемой скидки - звоните или присылайте заявки

Заказной номерPGОписание продуктаЦена
7MC1027-1AA810ТЕРМОМЕТР СОПРОТИВЛЕНИЯ ДЛЯ DAMP 1 ИЗМЕРИТЕЛЬНЫЙ РЕЗИСТОР 78.65
7MC1027-1AB810ТЕРМОМЕТР СОПРОТИВЛЕНИЯ ДЛЯ DAMP 2 ИЗМЕРИТЕЛЬНЫХ РЕЗИСТОРА 118.72