0

Разделы

Скачать Заказные данные Скачать Заказные данные 
SONOFLO SONO 3100 ультразвуковой расходомер

Комбинация из SONOFLO тип 3100 и измерительного преобразователя SONO 3000 является идеальным для приложений, в которых процессы при ТО не могут останавливаться и в которых встречаются очень высокие/низкие температуры и давления.

Легкая замена электроакустического преобразователя без прерывания работы. SONO 3100 для самых высоких требований по производительности и точности поставляется с 4-трековой конструкцией.

Измерительные датчики имеют допуск согласно руководству ЕС 97/23/EF от 29 мая 1997 года для флюидной группы 1, классификация согласно категории III. Конструкция EN 13480 (руководство DGRL)

 


Особенности

Скачать Заказные данные Скачать Заказные данные 
SONOFLO SONO 3100 ультразвуковой расходомер
  • Возможность замены электроакустического преобразователя под давлением
  • Измерение любых жидкостей с вязкостью ниже 350 cSt, проводящих и не проводящих
  • Нет перепада давления
  • Надежные и точные измерения расхода
  • Долговременная стабильность
  • По желанию:
    • Измерительный датчик из спец. материала, например, Duplex
    • Измерительный датчик + 250 °C (+482 °F) / - 200 °C (-382 °F)
    • Макс. 1140 кг (2500 lbs) / 400 бар (5800 psi)
    • Измерительный датчик с 4-трековой технологией

 


Область применения

Скачать Заказные данные Скачать Заказные данные 
SONOFLO SONO 3100 ультразвуковой расходомер

Ультразвуковые расходомеры SONO 3100 / 3000 используются преимущественно для измерения объема.

  • Воды и сточные воды
  • Нефть и сжиженный газ
  • Низкотемпературные приложения для жидкостей
  • Системы централизованного теплоснабжения

 

 


Дизайн

Скачать Заказные данные Скачать Заказные данные 
SONOFLO SONO 3100 ультразвуковой расходомер
Конструкция

SONO 3100 / 3000 состоит из измерительного датчика SONO 3100, электроакустических преобразователей- по желанию с O-уплотнением или фланцами - и измерительного преобразователя SONO 3000.

SONO 3100 как правило поставляется как 2-трековое решение с фланцами и диаметрами между DN 100 и DN 1200.

4-трековая версия поставляется по желанию.

SONO 3100 предлагается из AISI 316 от DN 100 до DN 300 и из углеродистой стали от DN 350 до DN 1200.

Измерительный преобразователь SONO 3000 - см. измерительный преобразователь SONO 3000.

 


Технические данные

Скачать Заказные данные Скачать Заказные данные 
SONOFLO SONO 3100 ультразвуковой расходомер

2-трековый измерительный датчик, укомплектованный четырьмя электроакустическими преобразователями SONO 3200

Погрешность измерения

 

Погрешность измерения при эталонных условиях; в % от измеренного значения

v > 0.5 ... 10м/сек, < ±0.5% от измеренного значения (v = скорость потока)

Вход

10 м/сек (32 ft)

Диаметр

DN 100 до DN 1200 (4” до 48”)

Температура жидкости

-10 °C … +200 °C (14 … 392 °F)

Окружающая температура

-20 °C … +200 °C (-4 … +392 °F)

Класс защиты

IP68 (NEMA 6)

Рабочие условия

 

Назначенный PN, EN 1092-1-тип II, B

  • DN 200 … DN 1200 (8” … 48”) PN 10

Материал трубы - углеродистая сталь

  • DN 100 … DN 1200 (4” … 48”) PN 16

 

  • DN 200 … DN 1000 (8” … 40”) PN 25

 

  • DN 100 … DN 500 (4” … 20”) PN 40

Трубы из нерж. стали

  • DN 200 … DN 300 (8” … 12”) PN 10 и PN 25

 

  • DN 100 … DN 300 (4” … 12”) PN 16 и PN 40

Назначенный класс EN 1759-1-type II, B

  • DN 100 … DN 600 (4” … 24”) класс 150

Материал трубы -  углеродистая сталь

  • DN 100 … DN 300 (4” … 12”) класс 300

Материал трубы - нерж. сталь

  • DN 100 … DN 300 (4” … 12”) класс 150 и класс 300

Без фланцев, только из углеродистой стали

  • DN 100 … DN 1200 (4” … 48”) PN 16

 

  • DN 200 … DN 1000 (8” … 40”) PN 25

 

  • DN 100 … DN 500 (4” … 20”) PN 40

Преобразователь SONO 3200

O-кольцо или фланцевые версии

Материалы

 

Труба

Сталь EN 1.0345-P235GH или сталь EN 1.4404

Фланец

 

PN

EN 10025-S235JRG2, 1E1 или EN 10222-5-1.4404, 13E0

Класс

ASTM A105,1,1 или ASTM F316L,2,3

Корпус электроакустического преобразователя

Нерж. сталь ASTM 316 или подобное

Сертификаты и допуски

 

Измерительный датчик с допуском Ex

DEMKO 05 ATEX 137784X (Ex) IIC 2G EEx d IIC T3-T6

Сертификат соответствия материала

Измерительный датчик стандартно поставляется со свидетельством о соответствии Siemens. При необходимости имеется сертификат материала для соприкасающихся с веществом компонентов.

NDT контрольный отчёт

По запросу

Датчик сертифицирован согласно EU директива 97/23EF от 29.05.97 для жидкостей группа 1, классифицированные в категории III. Дизайн согласно EN 13480 (директива PED).

 

Коаксиальный кабель (75Ω) для SONO 3100/3000

 

1 x Ø 0.8 мм (0.03”) медный кабель, экранированный

 

Диаметр

5.8 мм (0.23”)

Длина

Макс. 250 м между измерительным датчиком и измерительным преобразователем

Maтериал (бандаж)

Черный полеэтилен

Окружающая температура

-10 … +75 °C (+14 ... +167 °F)

1 x Ø 0.65 мм (0.026“) медный кабель экранированный

Диаметр

5.3 мм (0.21“)

Длина

Макс. 100 м между измерительным датчиком и измерительным преобразователем

Материал (бандаж)

FEP коричневый

Окружающая температура

-200 … +200 °C (-328 ... +392 °F)

 

 


Дополнительно

Скачать Заказные данные Скачать Заказные данные 
SONOFLO SONO 3100 ультразвуковой расходомер
Принадлежности и запчасти для сенсора SONO 3100

 

Тип/описание

Ном. давление

Материал

Диапазон температур

Заказной номер

Изображение

Кабельная  соединительная коробка (резьба под кабельные вводы M20)

N/A

PA 6.6

-20 ... +100 °C

FDK-085???

 

Кабельная соединительная коробка (резьба под кабельные вводы M20)

N/A

ASTM 316

-20 ... +200 °C

FDK-085???

Кабельная соединительная коробка (резьба под кабельные вводы ½“ NPT )

N/A

PA 6.6

-20 ... +100 °C

FDK-085???

Кабельная соединительная коробка (резьба под кабельные вводы ½“ NPT )

N/A

ASTM 316

-20 ... +200 °C

FDK-085???

Прокладка для O-кольца

PN 40

70 FFKM

-20 ... +200 °C

FDK-085B1098

Прокладки и 12 мм болты для фланцевых преобразователей

PN 40

Graphite 316 SS

-20 ... +200 °C

FDK-085B1083

 

Тип/описание

Заказной номер

Изображение

Комплект герметизации, IP68, 10 м (289 ft)

FDK-085L2403

 

 

Тип/описание

Длина излучателя

Заказной номер

Изображение

Инструмент для извлечения излучателей SONO 3200 с O-кольцами под давлением (hot-tap)

50 мм (1.97“) Излучатели

FDK- 085B5331

 

88 ...160 мм (3.5“ ... 6.3“) Излучатели

FDK- 085B5333

 

Кабели для FUS060

Тип/описание

Длина м (ft)

Заказной номер

Изображение

Коаксиальный кабель FUS060, (75 Ω, макс. 70 ºC (158 ºF), черный PVC)(1 шт.)

3 (9.84)

A5E00875101

 

15 (49.21)

A5E00861432

30 (98.43)

A5E00???

60 (196.85)

A5E00???

90 (295.28)

A5E00???

120 (393.70)

A5E00???

Высокотемпературный коаксиальный кабель для FUS060 (с  частью длиной 0,3 м на концах к преобразователю, 75 Ω, макс. 70 °C (158 °F) / 200 °C (392 °F), черный PVC и коричневый  PTFE) (75 Ω, макс. 70 ºC (158 ºF), черный PVC)(1 шт.)

3 (9.84)

A5E00875101

15 (49.21)

A5E00861432

30 (98.43)

A5E00???

60 (196.85)

A5E00???

90 (295.28)

A5E00???

120 (393.70)

A5E00???

 

Кабели для SONO 3100 с FUS060 (1 шт. каждая)

Тип/описание

Заказной номер

Изображение

Кабель излучателей – стандарт2 x 15 м (49 ft)

A5E00861432

 

Кабель излучателей –высокотемпературный2 x 5 м (16.4 ft)

A5E00861438

Кабель излучателей – высокотемпературный2 x 15 м (49 ft)

A5E00861435

 

Кабельная соединительная коробка

Тип/описание

Заказной номер

Изображение

Кабельная соединительная коробка

 

 

  • IP68 из металла для 4-х коаксиальных кабелей

FDK-085B1361

  • IP68 EEx e из пластика для 4-х коаксиальных кабелей , без допуска ATEX

FDK-085B1363

 

Тип/описание

Размер

Заказной номер

Изображение

Кабельные вводы, Хромированная латунь

M20 для одного 6 мм коаксиального кабеля

FDK-085???

 

Кабельные вводы, Хромированная латунь

½“ NPT для одного 6 мм коаксиального кабеля

FDK-085???

 

Кабельные вводы, EEx

M20 для одного 6 мм коаксиального кабеля , материал 316 SS

FDK-085???

 

Кабельные вводы, EEx

½“ NPT для одного 6 мм коаксиального кабеля, 316 SS

FDK-085???

 

 

 


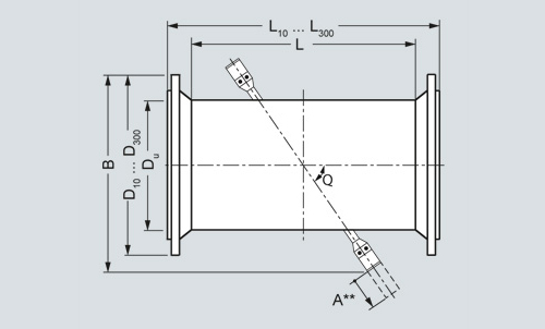
Чертеж

Скачать Заказные данные Скачать Заказные данные 
SONOFLO SONO 3100 ультразвуковой расходомер

 

EN 1092-1
           

PN6

PN10

PN16

DN

DU

L

B

θ

H

W6*)

D6

фланец

 dla.

L6

W10*)

D10

фланец

 dla.

L10

W16*)

D16

фланец

 dla.

L16

 

[мм]

[мм]

[мм]

[°]

[мм]

[мм]

[мм]

[мм]

[мм]

[мм]

[мм]

[мм]

[мм]

[мм]

100

114.3

860

305

30

48.2

-

-

-

3.6

220

960

3.6

220

960

125

139.7

862

325

30

59.3

-

-

-

4.0

250

970

4.0

250

970

150

168.3

862

350

30

71.7

-

-

-

4.5

285

970

4.5

285

970

200

219.1

668

430

45

92.9

-

-

-

6.3

340

790

6.3

340

790

250

273.0

714

480

45

117.2

-

-

-

6.3

395

850

6.3

405

850

300

323.9

607

525

45

139.4

-

-

-

7.1

445

740

7.1

460

760

350

355.6

639

550

45

152.8

-

-

-

8.0

405

770

8.0

520

800

400

406.4

703

600

45

175.7

-

-

-

8.0

565

850

8.0

580

875

500

508.0

797

690

45

222.2

-

-

-

7.1

670

950

8.0

715

980

600

610.0

912

705

60

268.1

-

-

-

7.1

780

1075

8.8

840

1105

700

711.0

937

895

60

312.8

-

-

-

8.0

895

1100

8.8

910

1140

800

813.0

967

985

60

358.7

-

-

-

8.0

1015

1150

10.0

1025

1180

900

914.0

1007

1070

60

402.3

-

-

-

10.0

1115

1200

10.0

1125

1230

1000

1016.0

1060

1160

60

448.2

-

-

-

10.0

1230

1250

10.0

1255

1300

1200

1220.0

1100

1350

60

539.1

8

1340

1280

11.0

1455

1330

12.5

1485

1360

           

PN25

   

PN40

   

DN

DU

L

B

θ

H

W25*)

D25

фланец

dla.

L25

W40*)

D40

фланец

dla.

L40

 

[мм]

[мм]

[мм]

[°]

[мм]

[мм]

[мм]

[мм]

[мм]

[мм]

[мм]

100

114.3

860

305

30

48.2

3.6

235

990

3.6

235

990

125

139.7

862

325

30

59.3

4.0

270

990

4.0

270

990

150

168.3

862

350

30

71.7

4.5

300

1010

4.5

300

1010

200

219.1

668

430

45

92.9

6.3

360

820

6.3

375

840

250

273.0

714

480

45

117.2

7.1

425

890

7.1

450

920

300

323.9

607

525

45

139.4

8.0

485

790

8.0

515

830

350

355.6

639

550

45

152.8

8.0

555

840

8.8

580

880

400

406.4

703

600

45

175.7

8.8

620

925

11.1

660

975

500

509.0

797

690

45

222.2

10.0

730

1050

14.2

755

1080

600

610.0

912

705

60

268.1

11.0

845

1165

-

-

-

700

711.0

937

895

60

312.8

12.5

960

1190

-

-

-

800

813.0

967

985

60

358.7

14.2

1085

1240

-

-

-

900

914.0

1007

1070

60

402.3

16.0

1185

1300

-

-

-

1000

1016.0

1060

1160

60

448.2

17.5

1320

1370

-

-

-

1200

1220.0

1100

1350

60

539.1

-

-

-

-

-

-

*) толщина стенки

 

SONO 3100, 2-тракта, фланцевая конструкция

Ном. диаметр

Вес [кг] ([lbs])

DN

PN 6

PN 10

PN 16

PN 25

PN 40

100

-

32 (70.5)

32 (70.5)

35 (77.2)

35 (77.2)

125

-

38 (83.8)

38 (83.8)

44 (97.0)

44 (97.0)

150

-

45 (99.2)

45 (99.2)

52 (114.6)

52 (114.6)

200

-

59 (130.0)

58 (127.9)

70 (154.3)

79 (174.2)

250

-

73 (161.0)

75 (163.3)

96 (211.6)

117 (257.9)

300

-

83 (183.0)

92 (202.8)

114 (251.3)

151 (332.9)

350

-

98 (216.0)

113 (249.1)

145 (332.9)

191 (421.1)

400

-

119 (262.4)

141 (310.9)

191 (421.1)

275 (606.3)

500

-

153 (337.3)

207 (456.4)

284 (626.0)

379 (836.0)

600

-

193 (425.5)

276 (608.5)

363 (800.3)

-

700

-

262 (577.6)

303 (668.0)

480 (1058)

-

800

-

329 (725.3)

400 (881.8)

650 (1433)

-

900

-

428 (943.6)

475 (1047)

835 (1841)

-

1000

-

500 (1002)

594 (1010)

1078 (2377)

-

1200

470 (1036)

732 (1614)

902 (1989)

-

-

 

 


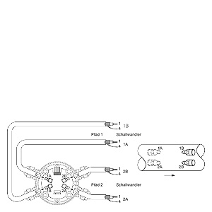
Схема подключения

Скачать Заказные данные Скачать Заказные данные 
SONOFLO SONO 3100 ультразвуковой расходомер

Электрическая схема подключения SITRANS FUS060 и SONO 3100

 


Заказные данные

Скачать Заказные данные Скачать Заказные данные 

Цена на сайте указана розничная в ЕВРО без учета НДС.Для уточнения цены и размера предоставляемой скидки - звоните или присылайте заявки

Заказной номерPGОписание продуктаЦена
7ME310.-.....-....834Ультразвуковой расходомер SITRANS F US SONOFLO SONO 3100 2-х трековый 0.00
A5E00814513835SITRANS F US SONO 3100 OP INSTR EN 24.38
A5E02123845835SITRANS FUS060 WITH HART OP INSTR DE 24.38

 


Аксессуары

Скачать Заказные данные Скачать Заказные данные 

Цена на сайте указана розничная в ЕВРО без учета НДС.Для уточнения цены и размера предоставляемой скидки - звоните или присылайте заявки

Заказной номерPGОписание продуктаЦена
A5E00835255834SONO3200 TERMINAL HOUSING IN SS, LIQUID TEMPERATURE: -20 TO +200DEG.C, M20 CABLE GLAND AND ATEX EX IB. 430.36
A5E00836448834SONO 3200 COMPLETE TRANSDUCER, O-RING GASKET IN FFKM, LIQUID TEMPERATURE: -20 TO +200DEG.C, PN 40, LENGTH 50 MM, TERMINAL HOUSING IN SS, M20 CABLE GLAND AND ATEX EX.IB APPROVAL. 827.86
A5E00836465834SONO 3200 COMPLETE TRANSDUCER, FLANGE CONNECTION, LIQUID TEMPERATURE: -20 TO +200DEG.C, PN 40, LENGTH 88 MM, TERMINAL HOUSING IN SS, M20 CABLE GLAND AND ATEX EX.IB APPROVAL. 1008.06
A5E00839427834TERMINAL HOUSING IN SS, LIQUID TEMPERATURE: -20 TO +200DEG.C, NPT CABLE GLAND. 1208.40
A5E00839431834SONO 3200 COMPLETE TRANSDUCER, O-RING GASKET IN FFKM, LIQUID TEMPERATURE: -20 TO +200DEG.C, PN 40, LENGTH 50 MM, TERMINAL HOUSING IN SS, NPT CABLE GLAND. 783.34
A5E00839440834SONO 3200 COMPLETE TRANSDUCER, FLANGE CONNECTION, LIQUID TEMPERATURE: -20 TO +200DEG.C, PN 40, LENGTH 88 MM, TERMINAL HOUSING IN SS, NPT CABLE GLAND. 1003.82
A5E00839460834TERMINAL HOUSING IN PLASTIC PA 6.6, LIQUID TEMPERATURE: -20 TO +100DEG.C, NPT CABLE GLAND. 218.36
A5E00839472834SONO 3200 COMPLETE TRANSDUCER, O-RING GASKET IN FKM 602, LIQUID TEMPERATURE: -20 TO +100DEG.C, PN 40, LENGTH 50 MM, TERMINAL HOUSING IN PLASTIC PA 6.6, NPT CABLE GLAND. 469.58
A5E02246194834SITRANS FUS CABLE GLAND, M20 STEEL A4, CABLEDIAMETER:4-6MM, -25 TO 200DEGC 111.30
A5E02246258834SITRANS FUS CABLE GLAND, 1/2 INCH NPT CHROME PLATED BRASS, CABLEDIAMETER:5-9MM, -40 TO 100DEGC 61.48
A5E02246304834SITRANS FUS CABLE GLAND , M20 PA-BLACK CABLEDIAMETER:5-13MM, -20 TO 100DEGC 13.78
A5E02246309834SITRANS FUS CABLE GLAND, 1/2 INCH NPT PA-GREY, CABLEDIAMETER:5-9MM, -20 TO 100DEGC 13.78
A5E02246311834SITRANS FUS CABLE GLAND , M20 STEEL, CABLEDIAMETER:5-8MM, -60 TO 180DEGC, ATEX EX.D. 117.66
A5E02593524834KRYOGEN TRANSDUCER 1852.88
FDK:085B1089834SITRANS FUS SPARE PARTS: GASKETS O-RING FOR SONO 3200 O-RING TRANSDUCER TYPE (1 BAG WITH 3 PIECES) 111.30
FDK:085B5450834SONO 3200 COMPLETE TRANSDUCER, O-RING GASKET IN FFKM, LIQUID TEMPERATURE: -20 TO +200DEG.C, PN 40, LENGTH 50 MM, TERMINAL HOUSING IN SS, M20 CABLE GLAND. 1542.30
FDK:085B5451834SONO 3200 COMPLETE TRANSDUCER, O-RING GASKET IN FFKM, LIQUID TEMPERATURE: -20 TO +200DEG.C, PN 40, LENGTH 50 MM, TERMINAL HOUSING IN SS, M20 CABLE GLAND AND ATEX EEXD APPROVAL. 1631.34
FDK:085B5461834SONO 3200 COMPLETE TRANSDUCER, FLANGE CONNECTION, LIQUID TEMPERATURE: -20 TO +100DEG.C, PN 40, LENGTH 88 MM, TERMINAL HOUSING IN PLASTIC PA 6.6, M20 CABLE GLAND. 1323.94
FDK:085B5462834SONO 3200 COMPLETE TRANSDUCER, FLANGE CONNECTION, LIQUID TEMPERATURE: -20 TO +200DEG.C, PN 40, LENGTH 88 MM, TERMINAL HOUSING IN SS, M20 CABLE GLAND. 1987.50
FDK:085B5463834SONO 3200 COMPLETE TRANSDUCER, FLANGE CONNECTION, LIQUID TEMPERATURE: -20 TO +200DEG.C, PN 40, LENGTH 88 MM, TERMINAL HOUSING IN SS, M20 CABLE GLAND AND ATEX EEX D APPROVAL. 2075.48
FDK:085B5501834TERMINAL HOUSING IN PLASTIC PA 6.6, LIQUID TEMPERATURE: -20 TO +100DEG.C, M20 CABLE GLAND. 218.36
FDK:085B5504834TERMINAL HOUSING IN SS, LIQUID TEMPERATURE: -20 TO +200DEG.C, M20 CABLE GLAND. 871.32
FDK:085B5505834TERMINAL HOUSING IN SS, LIQUID TEMPERATURE: -20 TO +200DEG.C, M20 CABLE GLAND AND ATEX EX.D. 430.36