0

Разделы

Соединительная коробка JB - Accessories

Соединительная коробка JB - Accessories

Алюминиевая распределительная коробка JB требуется для параллельного подключения весоизмерительных ячеек. С помощью одной коробки можно параллельно подключить до 4 весоизмерительных ячеек.

Если необходимо подключить более 4 ячеек, используйте вторую коробку, включив ее параллельно через поперечный соединитель. Распределительные коробки можно использовать на взрывоопасных участках (заземленные цепи электрического тока, с собственной защитой).

Дизайн

Распределительная коробка из литого под давлением алюминия состоит из нижней части и крышки. Корпус защищен от проникновения пыли и брызгов воды, степень защиты IP66. Кабели вводятся через метрические резьбовые зажимы. В корпусе имеется 28 клемм с пружинными контактами. Благодаря технологии пружинных зажимов получается вибростойкое и не требующее обслуживания соединение.

Внутреннее сопротивление, показатель и номинальная нагрузка всех включенных параллельно весоизмерительных ячеек должны быть одинаковыми. Распределительная коробка не накладывает ограничений на величину этих значений. Весоизмерительные ячейки можно подключать по четырех- или шестипроводной технологии.

Если используется четырехпроводная технология, необходимо установить две дополнительные перемычки.

Примеры подключения

4 весоизмерительные ячейки

WZ: Весоизмерительная ячейка JB: алюминиевая распределительная коробка

8 весоизмерительные ячейки

WZ: Весоизмерительная ячейка JB: алюминиевая распределительная коробка

Технические данные

SIWAREX JB

Кабельные соединения

 
  • измерительных ячеек

4 x M16

  • сигнального кабеля

2 x M20

Доп. температура окружающей среды

 
  • в работе

-30 ... +85 °C

  • в работе в качестве калибруемых торговых весов

-10 ... +40 °C

  • при транспортировке и хранении

-40 ... +90 °C

Степень защиты

IP66 согласно EN 60 529

Вибростойкость клемм согласно DIN VDE 0611 11/77

12 Гц и 50 Гц, амплитуда 1мм

Сопротивление изоляции клемм

≥ 1012 Ω см


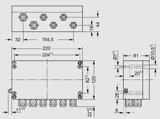
Чертеж

1) отверстия для крепления корпуса

Распределительная коробка SIWAREX JB алюминиевая (7MH4 710-1BA), размеры

Заказные данные

Заказной №ОписаниеВес (кг)ДоставкаМин. зак. (шт)
7MH4710-1BAКЛЕМНАЯ И РАСПРЕДЕЛИТЕЛЬНАЯ КОРОБКА ДЛЯ СОЕДИНЕНИЯ/СОЕДИНЕНИЯ В ПАРАЛЛЕЛЬ 1-4 НАГРУЗ.ЯЧЕЕК В 4-Х ИЛИ 6-ТИ ПРОВОД.СИСТЕМУ СОЕДИНЕНИЯ/ДОБАЛЕНИЯ РАЗЛИЧНЫХ ИЗМЕР.КАБЕЛЕЙ ДЛЯ ИЗМЕР.СИСТЕМ, IP66, РАЗМЕРЫ В ММ: 120 X 220 X 811.526 - 8 недель (C)1

Аксессуары

Заказной №ОписаниеВес (кг)ДоставкаМин. зак. (шт)
7MH4702-8AFКАБЕЛЬ ДЛЯ SIWAREX P LI2Y 2X0,75ST + 2X (2X0,34ST) -CY, СИНИЙOVERING, APPROX. 10.8 MM OUTER DIAMETER, AMBIENT TEMPERATURE -20 TO +70 CEL.OVERING, APPROX. 10.8 MM OUTER DIAMETER, AMBIENT TEMPERATURE -20 TO +70 CEL.0.166 - 8 недель (C)1
7MH4702-8AGКАБЕЛЬ ДЛЯ SIWAREX U, M, P,А LI2Y 2X0,75ST + 2 (2X0,34ST) CY, ОРАНЖЕВЫЙER DIAMETER AMBIENT TEMPERATURE -20 TO +70 CEL.ER DIAMETER AMBIENT TEMPERATURE -20 TO +70 CEL.0.166 - 8 недель (C)1