0

Разделы

Скачать Заказные данные 
Соединительная коробка JB, нержавеющая сталь

Распределительная коробка JB из нержавеющей стали требуется для параллельного подключения весоизмерительных ячеек. С помощью одной коробки можно параллельно подключить до 4 весоизмерительных ячеек.

Распределительные коробки можно использовать на взрывоопасных участках (заземленные цепи электрического тока, с собственной защитой).

 


Дизайн

Скачать Заказные данные 
Соединительная коробка JB, нержавеющая сталь

Распределительная коробка из нержавеющей стали состоит из нижней части и крышки. Корпус защищен от проникновения пыли и брызгов воды, степень защиты IP66. Кабели вводятся через метрические резьбовые ЭМС-зажимы (латунь, никелированная). В корпусе имеется 18 клемм с пружинными контактами. Благодаря технологии пружинных зажимов получается вибростойкое и не требующее обслуживания соединение.

Внутреннее сопротивление, показатель и номинальная нагрузка всех включенных параллельно весоизмерительных ячеек должны быть одинаковыми. Распределительная коробка не накладывает ограничений на величину этих значений. Весоизмерительные ячейки можно подключать по четырех- или шестипроводной технологии.

Если используется четырехпроводная технология, необходимо установить две дополнительные перемычки.

Пример подключения

WZ: Весоизмерительная ячейка JB: Распределительная коробка из нержавеющей стали

 


Технические данные

Скачать Заказные данные 
Соединительная коробка JB, нержавеющая сталь

SIWAREX JB клеммная коробка, корпус из нержавеющей стали

Кабельные соединения

 
  • измерительных ячеек

4 x M16

  • сигнального кабеля

1 x M20

Доп. температура окружающей среды

 
  • в работе

-30 ... +85 °C

  • в работе в качестве калибруемых торговых весов

-10 ... +40 °C

  • при транспортировке и хранении

-40 ... +90 °C

Степень защиты

IP66 согласно EN 60529

Вибростойкость клемм согласно DIN VDE 0611 11/77

12 Гц и 50 Гц, амплитуда 1мм

Сопротивление изоляции клемм

≥ 1012 Ω см

 


Чертеж

Скачать Заказные данные 
Соединительная коробка JB, нержавеющая сталь

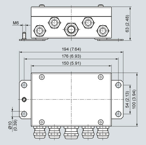
Распределительная коробка SIWAREX JB из нержавеющей стали (7MH4710-1EA), размеры

 


Заказные данные

Скачать Заказные данные 

Цена на сайте указана розничная в ЕВРО без учета НДС.Для уточнения цены и размера предоставляемой скидки - звоните или присылайте заявки

Заказной номерPGОписание продуктаЦена
7MH4710-1EA815JUNCTION BOX SIWAREX JB STAINLESS STEEL HOUSING TO CONNECT IN PARALLEL UP TO 4 LOAD CELLS IN 4-WIRE OR 6-WIRE SYSTEM DEGREE OF PROTECTION: IP 66 USABLE IN EXPLOSION CAPABLE ATMOSPHERES, IN INTRINSICALLY SAFE CIRCUITS. DIMENSIONS IN MM:150X100X63 304.22

 


Аксессуары

Скачать Заказные данные 

Цена на сайте указана розничная в ЕВРО без учета НДС.Для уточнения цены и размера предоставляемой скидки - звоните или присылайте заявки

Заказной номерPGОписание продуктаЦена
7MH4702-8AF815КАБЕЛЬ ДЛЯ SIWAREX P LI2Y 2X0,75ST + 2X (2X0,34ST) -CY, СИНИЙOVERING, APPROX. 10.8 MM OUTER DIAMETER, AMBIENT TEMPERATURE -20 TO +70 CEL. 4.24
7MH4702-8AG815КАБЕЛЬ ДЛЯ SIWAREX U, M, P,А LI2Y 2X0,75ST + 2 (2X0,34ST) CY, ОРАНЖЕВЫЙER DIAMETER AMBIENT TEMPERATURE -20 TO +70 CEL. 4.24