0

Разделы

SITRANS WW200

 

SITRANS WW200 – весовой дозатор низкой / средней производительности.

 


Особенности

SITRANS WW200

 

  • Высокая точность
  • Быстрый монтаж, легкая чистка и обслуживание
  • Гибкий дизайн и опции для множества применений Ширина ленты до 1.2 м
  • Профилированные барабаны и боковые направляющие ленту ролики

 


Область применения

SITRANS WW200

SITRANS WW200 имеет весоизмерительное шасси с ровными направляющими для поддержки ленты, содержит минимум движущихся частей и требует минимум обслуживания.

Возможны модификации для специальных применений с различными длинами, приводами и типами ленты.

Санитарная версия, разработанная для пищевой промышленности, позволяет легко производить мойку водой под высокимдавлением. Система динамического взвешивания дозатора контролирует расход сыпучего материала в или из процесса. Электродвигатель с частотно-регулирующим скорость приводом и редуктор позволяют задавать требуемый расход материалапод управлением интеграторов Сименс: Milltronics BW500, SIWAREX FTC или SIMATIC S7 / SIMATIC PCS 7.

Такое управление позволяет дозатору обеспечить высокую точность взвешивания, улучшить качество смешивания, вести учет материала и архивирование.

 


Технические данные

SITRANS WW200

 

Сфера применения

 

Принцип измерения

Весоизмерительные ячейки и цифровой датчик скорости

Типичные применения

Управление и монитор подачи при смешивании зерна, семечек, гашеной извести или минералов

Эксплуатационные характеристики

 

Точность1)

± 0.5% или лучше

 

10:1  с перестройкой по нагрузке

30:1  с перестройкой по скорости

Диапазон расхода

0.45 ... 36 т/ч (от 1,000 lbs/ч до 40 STPH)

Характеристики процесса

 

Температура воздуха

 

Максимальная температура продукта

-10 to +40 °C

 

-10 to +77 °C

Конструктивные характеристики

 

Конструкция

Нелигированная и нерж. сталь, опционально абразивно стойкий материал частей, контактирующих с продуктом

Весоизмерительныеячейки

2 шт. коррозионно-стойкие, платформенного типа с механической защитой от перегрузок (никелированные или из нержавеющей стали)

  • Нелинейность

± 0.03%

  • Повторяемость

± 0.02%

Датчик скорости

  • Смонтированный на C-фланце магнитный датчик скорости, встроенный между фланцами двигателя и редуктора (опция)
  • Оптический энкодер

Корпус и шасси

Консольный модульный корпус для быстрой и легкой замены ленты, точно изготовленный из нерж. или углеродистой стали

Барабаны

Диаметром 152 мм, с покрытием из 6 мм слоя резины длямаксимальной тяги

Поддержка ленты

Кромкой направляющих, предотвращает налипание продукта

Транспортерная лента

  • Каркас из полиэстера с верхом из полиуретана, контролем статики, с вулканизированной лентой для максимально стабильного взвешивания (стандарт)
  • Другие ленты для специальных применений (опция)

Натяжение ленты

Шпиндельный модуль винтового типа, 150 мм минимальный ход

Очистка ленты

UHMW скребок на переднем валке, прижим пружиной

Электродвигатель

  • 0.19 кВт (0.25 л.с.) мин., TEFC, или TENV 208/230/380/460/575 В AC, 3-х фазный или постоянного тока 90/180 V DC – оба в сборке с редуктором фланцевого монтажа
  • Другие типоразмеры двигателей – опционально

Общая масса

280 кг минимум

Сертификация

Соответствует нормам USDA и FDA для пищевых применений

Для использования в опасных зонах уточняйте у производителя

 

 1) Точность рассматривается применительно к: применениям, одобренным производителем, общий вес, вычисленный системой динамического взвешивания весового дозатора, должен с задекларированной точностью соответствовать весу тестового образца. Расход при тесте должен быть в границах, предусмотренных конструкцией и оставаться постоянным на протяжении всего теста. Минимальная тестовая порция должна быть равна порции, полученной на тестовом расходе для трех оборотов ленты или как минимум за 10 минут работы, в зависимости, что больше.

 


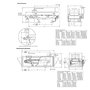
Чертеж

SITRANS WW200

Размеры SITRANS WW200 

 

Открытая конструкция

     

Ширина ленты

A

B

C

305 мм

696 мм

257 мм

425 мм

457 мм

848 мм

333 мм

578 мм

610 мм

1000 мм

410 мм

730 мм

762 мм

1153 мм

486 мм

883 мм

914 мм

1305 мм

562 мм

1035 мм

1067 мм

1458 мм

638 мм

1187 мм

1219 мм

1610 мм

715 мм

1340 мм

 

 

Закрытая конструкция

     

Ширина ленты

A

B

C

305 мм

846 мм

660 мм

711 мм

457 мм

999 мм

813 мм

864 мм

610 мм

1151 мм

965 мм

1016 мм

762 мм

1304 мм

1118 мм

1168 мм

914 мм

1452 мм

1270 мм

1321 мм

1067 мм

1608 мм

1422 мм

1473 мм

1219 мм

1761 мм

1575 мм

1626 мм

 

 


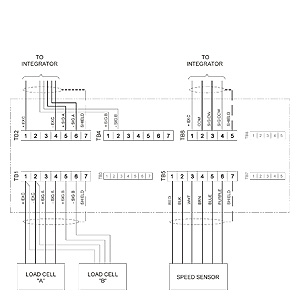
Схема подключения

SITRANS WW200

SITRANS WW200 connections