0

Разделы

SITRANS TH100 SLIM, двухпроводная система (Pt100)

Преобазователь SITRANS TH100 SLIM в основном используется для изготовления компактных термометров со встроенным преобразователем.

Это цилиндрический корпус из нержавеющей стали, который легко приваривается к основному корпусе компактного термометра.

Очень компактный дизайн SITRANS TH100 SLIM делает его идеальным решением для производителей во всех секторах.

Для программирования используется программа SIPROM T в комплекте с модемом для преобразователей SITRANS TH100/TH200.

 


Особенности

SITRANS TH100 SLIM, двухпроводная система (Pt100)
  • 2-х проводной преобразователь с коннектором M12 для встраивания в компактные термометры
  • Решение для лёгкого измерения температуры в условиях экономии пространства во всех отраслях промышленности 
  • Программируемый преобразователь

 


Область применения

SITRANS TH100 SLIM, двухпроводная система (Pt100)

Преобразователь SITRANS TH100 SLIM можно использовать во всех отраслях промышленности в комплекте с компактным термометром сопротивления Pt100. Благодаря его компактному дизайну, он может быть включён в различные конструкции.

Выходной сигнал 4 to 20 mA пропорционален измеряемой температуре.

Программирование осуществляется через персональный компьютер, используя ПО SIPROM T и модем для преобразователей SITRANS TH100/TH200. Если у Вас уже есть "модем для SITRANS TK" (Заказной № 7NG3190-6KB), Вы можете его использовать также и для программирования преобразователей SITRANS TH100.

 


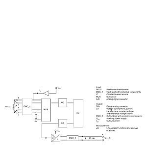
Функции

SITRANS TH100 SLIM, двухпроводная система (Pt100)
Режим эксплуатации

Измеренный сигнал от термометра сопротивления Pt100 (2, 3 или 4-провод. схема) усиливается на первом этапе. Напряжение, которое пропорционально входной переменной, затем преобразуется в цифровые сигналы мультиплексором в аналого-цифровом преобразователе. Они преобразуются микроконтроллером в соответствии с характеристиками сенсора и другими параметрами (диапазон измерения, демпфирование, температура окр. среды, и т.п.).

Подготовленный сигнал конвертируется в аналого-цифровом преобразователе в сигнал постоянного тока 4 ... 20 mA, который не зависит от ннагрузки цепи.

EMC-фильтр защищает входные и выходные цепи от электромагнитных помех.

SITRANS TH100 SLIM, структурная схема

 


Технические данные

SITRANS TH100 SLIM, двухпроводная система (Pt100)

SITRANS TH100 SLIM

 

Вход

 

Термометр сопротивления 

 

Измеряемая величина

Температура

Тип сенсора

PT100 по IEC 60751

Характеристика

Линейная по температуре

Тип подключения

2-, 3- или 4-проводная

Разрешение

14 бит

Точность измерения

< 0.25 °C (0.45 °F)

Воспроизводимость

< 0.1 °C (0.18 °F)

Ток на измерение

приблиз. 0.4 mA

Цикл измерения

< 0.7 с

Диапазон измерения

-60 ... +160 °C (-76 ... +320 °F)

Диапазон измерения

25 ... 220 °C (45 ... 396 °F)

Единицы измерения

°C или °F

Диапазон смещения

программируемый:-100 ... +100 °C (-180 ... +180 °F)

Сопротивление линии

Макс. 20 Ω (общая сумма источника и приёмника))

Шумоподавление

50 и 60 Гц

Выход

 

Выходной сигнал

4 ... 20 mA, 2-х проводный

Напряжение питания

8.5 ... 36 V пост. тока (30 V для взрывозащиты)

Максимальная нагрузка 

(Uaux – 8.5 V)/0.023 A

Сигнал при перегрузке

3.6 ... 23 mA, настраеваемый (условное значение: 3.84 ... 20.5 mA)

Сигнал при ошибке (in the event of sensor breakage)

3.6 ... 23 mA, настриаваемый (условное значение: 3.6 mA or 22.8 mA)

Время демпфирования

0 ... 30 с

Защита

Против смены полярности

Разрешение

12 бит

Точность при 23 °C (73.4 °F)

< 0.1 % от диапазона

Температурная погрешность

< 0.13 %/10 °C (0.13 %/18 °F)

Погрешность от напряжения питания

< 0.02 % от диапазона на В

Погрешность от сопротивления нагрузки

< 0.055 % от диапазона на 100 Ω

Долговременный дрейф

  • < 0.025 % от диапазона в первый месяц

 

  • < 0.035 % от диапазона в первый год

 

  • < 0.05 % от диапазона за 5 лет

Условия окружающей среды

 

Температура окружающей среды

-40 ... +85 °C (-40 ... +185 °F)

Температура хранения

-40 ... +85 °C (-40 ... +185 °F)

Относительная влажность

98 %, с конденсацией

Электромагнитная совместимость

Согласно EN 61326 и NAMUR NE21

Конструкция

 

Масса

42 гр

Размеры

Смотри чертежи

Материал

316L нерж. сталь

Уровень защиты по IEC 60529

 

  • Корпус 

IP67

Требования для использования SIPROM T

 

Персональный компьютер

Windows ME, 2000 или XP; также Windows 95, 98 или 98SE, но только с RS232 модемомом

Заводские настройки:

 

  • Pt100 (IEC 751) 3-х проводный
  • Диапазон измерения: 0 ... 100 °C (32 ... 212 °F)
  • Сигнал при неисправеном сенсоре: 22.8 mA
  • Смещение: 0 °C (0 °F)
  • Демпфирование 0.0 s

 

 


Чертеж

SITRANS TH100 SLIM, двухпроводная система (Pt100)

SITRANS TH100 SLIM, размеры в мм (дюймах)

 


Схема подключения

SITRANS TH100 SLIM, двухпроводная система (Pt100)

SITRANS TH100 SLIM, подключение источника питания и сенсора

SITRANS TH100 SLIM, подключение сенсора

 


Аксессуары

Цена на сайте указана розничная в ЕВРО без учета НДС.Для уточнения цены и размера предоставляемой скидки - звоните или присылайте заявки

Заказной номерPGОписание продуктаЦена
7NG3092-8KU806МОДЕМ С USB- ИНТЕРФЕЙСОМ ДЛЯ ПАРАМЕТРИРОВАНИЯ ИЗМЕРИТЕЛЬНЫХ ПРЕОБРАЗОВАТЕЛЕЙ ТЕМПЕРАТУРЫ SITRANS TH100/200, С ПРОГРАММНЫМ ОБЕСПЕЧЕНИЕМ SIPROM T 228.96
A5E00364512806CD-ROM FOR TEMPERATURE MEASURE- MENT DEVICES WITH DOKUMENTATION AND SOFTWARE SIPROM T 7.74