0

Разделы

Скачать Заказные данные 
SITRANS TF280

Преобразователь SITRANS TF280 для гибких и эффективных измерений температуры

  • Использование WirelessHART стандарта (HART V 7.1)
  • Очень высокий уровень безопасности при беспроводной передаче данных
  • Встроенный интерфейс пользователя (LUI) с 3-мя кнопками для управления 
  • Оптимальная представительность и читаемость при использовании графического дисплея (104 x 80 пикселей) с подсветкой 
  • Режим пониженного энергопотребления (фаза "глубокого засыпания") может быть вкл. и выкл. с помощью кнопки
  • Батарейное питание
  • Время жизни батареи до 5 лет
  • Расширенное время жизни батареи с интерфейсом HART, который может быть отключён 
  • Оптимизированное энергопотребление посредством новой конструкции и увеличения времени  "жизни" батареи 
  • Лёгкое параметрирование благодаря ПО SIMATIC PDM
  • Корпус соответствует уровню защиты IP65
  • Поддержка всех сенсоров Pt100 по стандарту IEC 751/DIN EN 60751

 


Особенности

Скачать Заказные данные 
SITRANS TF280

Преобразователь температуры SITRANS TF280 характеризуется WirelessHART-интерфейсом, как стандартной коммуникацией.

Также доступна проводная коммуникация посредством HART - модема:

  • Гибкое измерение температуры
  • Сбережение затрат на прокладку линий в трудных местах. Беспроводная технология предлагает достоинства по затратам в случаях, где затраты на проводные коммуникации имеют нормальные значения
  • Это даёт возможность установить дополнительные, до сих пор невозможные, точки измерения, особенно для целей мониторинга
  • Лёгкая установка, также и на вращающееся оборудование 
  • Возможность установить временные точки измерения при минимальных затратах, например, для оптимизации процесса.
  • Оптимальное решение в дополнение к проводным сетям и системным решениям в автоматизации процессов

 


Область применения

Скачать Заказные данные 
SITRANS TF280

Преобразователь SITRANS TF280 - это полевое WirelessHART устройство для измерения температуры посредством сенсора Pt100.

Этот сенсор может быть установлен прямо в корпус устройства или подключён дистанционно через кабель. Со стороны беспроводной коммуникации, преобразователь поддерживает стандарт WirelessHART. HART-модем может подключаться к преобразователю в основном для инициализации.

Преобразователь можно использовать во всех отраслях промышленности и применяться вне взвывоопасных зон.

 


Дизайн

Скачать Заказные данные 
SITRANS TF280

Преобразователь SITRANS TF280 имеет крепкий алюминиевый корпус, предназначенный для эксплуатации вне помещений. Он соответствует степени защиты IP65.

Диапазон температуры окружающей среды при эксплуатации -40 to +80 °C. Электрическое питание подаётся встроенной батареей, которая также доступна как принадлежность(запчасть). Устройство разрешено к применению только с этой моделью батареи.

Антенна имеет свойство вращаться, что может быть использовано для её позиционирования. Беспроводные сигналы при этом могут быть оптимально отправлены и получены.

Специальное преимущество - это возможность управления с помощью трёх кнопок, установленных на преобразователе.  Это полностью соответствует стратегии по отношению ко всем новым полевым устройствам компании Сименс.

Используя кнопки на преобразователе, легко включить или выключить интерфейс HART-модема. Преобразователь может быть переведён в пассивное состояние и активирован в любое время. Это помогает увеличить время жизни батареи.

Преобразователь SITRANS TF280 существует в 2-х вариантах: с кабельным вводам или с сенсором Pt100, включая защитную трубку.

 


Функции

Скачать Заказные данные 
SITRANS TF280

Преобразователь SITRANS TF280 может быть подключен к сети WirelessHART. Его можно параметрировать и им можно управлять с помощью этой сети. Измеренные значения будут переданы через сети в SIEMENS IE/WSN-PA LINK.

Полученные в IE/WSN-PA LINK данные от полевых устройств передаются в систему верхнего уровня, например, SIMATIC PCS 7. Введения в WirelessHART, Вы можете посмотреть в каталоге FI 01, глава 9 или на сайте http://www.siemens.com/wirelesshart.

Более детальную информация по IE/WSN-PA LINK доступна в каталоге FI 01 глава 9 или на сайте http://www.siemens.com/wirelesshart.

 


Интеграция

Скачать Заказные данные 
SITRANS TF280
Коммуникация с SIMATIC PCS 7

Интеграция полевых устройств в SIMATIC PCS 7 и другие системы теперь может быть выполнена  бесшовно и с минимальными затратами с помощью беспроводной технологии, особенно в случае, когда ожидаемы высокие затраты на кабельные проводки. Или, если появятся дополнительные точки измерения, для которых невозможно сделать кабельные проводки.

Необходимо исключить ситуацию, когда существуют большие расстояния между IE/WSN-PA LINK и системой управления, или осуществить соединение на базе беспроводных продуктов серии SCALANCE W.

Интеграция связанной сети в SIMATIC PCS 7

 


Конфигурация

Скачать Заказные данные 
SITRANS TF280

Конфигурация преобразователя SITRANS TF280 может быть выполнена следующими путями:

  • Ввод в эксплуатацию SITRANS TF280 с помощью SIMATIC PDM в основном выполняется через HART modem или встроенный интерфейс, параметры "ID" и "join Key" должены быть введены до интеграции преобразователя в сеть WirelessHART.
  • Однажды интегрированный в сеть WirelessHART преобразователь может легко эксплутироваться и настраиваться через сеть, с помощью HART-модема или через локальный интерфейс.

 


Технические данные

Скачать Заказные данные 
SITRANS TF280

Преобразователь SITRANS TF280 может быть механически подключен двумя способами:

  • Прямой монтаж через резьбовое подключение M20x1.5. Подключение к другим резьбам производятся через переходники.
  • Раздельный монтаж с сенсором Pt100, который соединяется с преобразователем посредством кабеля.

 

Преобразователь температуры SITRANS TF280 WirelessHART 

Вход

 

Сенсор

 

  • Тип сенсора 

Pt100 по IEC 751/DIN EN 60751

  • Подключение 

2-, 3- или 4-х проводная схема

  • Диапазон измерений 

-200 ... +850 °C (-328 ... 1560 °F)

Длина кабеля между SITRANS TF280 и сенсором Pt100

≤ 3 м

Точность измерения

 

Точность

< 0.5 % от диапазона измерения или 0.5 °C

Долговременный дрейф

< 0.035 % от диапазона измерения в год

Влияние температуры окр. среды

< 0.1 °C/10 °K

Условия эксплуатации

 

Температура окр. среды

-40 ... +80 °C (-40 ... +176 °F)

Температура хранения

-40 ... +85 ° C (-40 ... +185 °F)

Относительная влажность

<95%

Климатический класс

4K4H в соответствии с EN 60721-3-4(постоянное использование без защиты от окр. среды)

Степень защиты

IP65/NEMA 4

Максимальная допустимая температура окр. среда при прямом монтаже с сенсором Pt100

80 °C (176 °F)

Исполнение

 

Корпус

Алюминиевый сплав

Противодействие удару

20 £ f £ 2000 Hz

согласно

DIN EN 60068-2-29 / 03.95

Вибростойкость

0.01 g²/Hz согласно

DIN EN 60068-2-6/12.07

Масса

 

без батареи

1.5 kg (3.3 lb)

с батареей

1.6 kg (3.5 lb)

Размеры (Ш x В x Д)

 см. рисунок

Резьба кабельного ввода/

 

подключения сенсора

   М20*1,5

Кабель между преобразователем и сенсором

 

Дисплей и управление

 

Дисплей (с подсветкой)

 

  • Размер

104 x 80 пикселей

  • Количество знаков

Настраиваемое

  • Количество знаков после запятой

Настраиваемое

Способы настройки

  • по месту - 3 кнопки
  • с помощью SIMATIC PDM или HART коммуникатора

Источник питания

 

Аккумулятор (батарея)

3.6 V постоянного тока

Коммуникация

 

Стандарт беспроводной связи

WirelessHART V7.1

Полоса частот при коммуникации

2.4 GHz (ISM-частота)

Условия применения

До 250 м (по прямой или в пределах видимости) снаружи помещений

До 50 м (в основном зависит от препятствий) внутри помещений

Интерфейс для коммуникации

  • HART коммуникация с HART-модемом
  • WirelessHART (беспроводной HART)

Сертификаты и разрешения

 

Разрешения на беспроводную связь

R&TTE

FCC

Классификация согласно директивы по датчикам давления(PED 97/23/EC)

Устройство не подпадает под директиву.

 

 


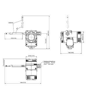
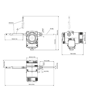
Чертеж

Скачать Заказные данные 
SITRANS TF280

Преобразователь температуры SITRANS TF280 WirelessHART с сенсором Pt100, размеры в мм (дюймах)

Преобразователь температуры SITRANS TF280 WirelessHART размеры в мм (дюймах)

 


Заказные данные

Скачать Заказные данные 

Цена на сайте указана розничная в ЕВРО без учета НДС.Для уточнения цены и размера предоставляемой скидки - звоните или присылайте заявки

Заказной номерPGОписание продуктаЦена

 


Аксессуары

Скачать Заказные данные 

Цена на сайте указана розничная в ЕВРО без учета НДС.Для уточнения цены и размера предоставляемой скидки - звоните или присылайте заявки

Заказной номерPGОписание продуктаЦена
7MF4997-1AC807Монтажный кронштейн и крепёжные элементы для преобразователей давления MK II, MS И DS (7MF4010/4013/4032/403*/423*-.. ...-1.A. -1.B. И -1.D.) и термопреобразователей 7NG313*-**B**, материал: угл. сталь.TER 7NG313.-..B.. 34.98
7MF4997-1AJ807Монтажный кронштейн и крепёжные элементы для преобразователей давления MK II,MS И DS (7MF4010/4013/4032/403*/423*-.. ...-1.A. -1.B. И -1.D.) и термопреобразователей 7NG313*-**B**, материал: нерж. сталь.TURE TRANSMITTER 7NG313. -..B.. 56.82
7MF4997-1BB807Крышка без стекла, включая прокладку, для преобразователей давления MF4*1*-..., 7MF4*3*-..., материал: алюминий. 50.24
7MF4997-1BE807Крышка со стеклом, включая прокладку, для преобразователей давления MF4*1*-..., 7MF4*3*-..., материал: алюминий. 103.77
7MF4997-1DA807HART-модем с интерфейсом RS232 для подключения преобразователей к компьютеру. 414.46
7MF4997-1DB807HART-модем с интерфейсом USB для подключения преобразователей к компьютеру. 534.24