0

Разделы

Скачать Заказные данные 
SITRANS TF полевого исполнения (с цифровым дисплеем)
Полевой преобразователь температуры для сложных условий эксплуатации.

Измерительный преобразователь температуры SITRANS TF работает там, где другие себя чувстуят некомфортно. Эти полевые преобразователи имеют степень защиты IP68.

SITRANS TF представлен в твердом алюминиевом корпусе или из нержавеющей стали. Он преобразует сигналы от термометров сопротивления, термопар, датчиков сопротивления, датчиков напряжения в постоянный ток в соответствии от характеристики датчика. Датчик препятствует тому, что преобразователь нагрелся до высокой температуры.  Нет никаких вибраций и колебаний датчика  SITRANS TF засчет длинной шеи и защитным трубкам.

В случае, где установка ослажнена, вы можете установить SITRANS TF в легкодоступном месте и вы можете наблюдать за измеренным значением на программируемом цифровом индикаторе.

Используемый без преобразователя, SITRANS TF обеспечивает легкое использование устройства для всех сигналов 4 ... 20 mA.

Все версии SITRANS TF доступны в искробезопасном и жаропрочном исполнениях.

 


Особенности

Скачать Заказные данные 
SITRANS TF полевого исполнения (с цифровым дисплеем)
  • универсальность использования
    • в качестве измерительного преобразователя для термометров сопротивления, термоэлементов, сигналов Ом или мВ
    • в качестве полевого индикатора для любых сигналов 4-20 мА
  • локальные показания измеряемых значений на цифровом дисплее
  • прочный двухкамерный корпус из литого алюминия или нержавеющей стали
  • тип защиты IP68
  • тестовые клеммы для непосредственного считывания выходного сигнала без разрыва токовой петли
  • может монтироваться в другом месте, если место измерения
    • труднодоступно
    • находится под воздействием высоких температур
    • находится под воздействием сильных вибраций
    • или вы хотите избежать использования длинных
  • может монтироваться непосредственно на сенсоры американской конструкции
  • широкий спектр допусков к использованию во взрывоопасных зонах. Тип защиты "Искробезопасность, неискрящее и жаропрочное", для Европы и США.

 


Область применения

Скачать Заказные данные 
SITRANS TF полевого исполнения (с цифровым дисплеем)

Измерительные преобразователи SITRANS TF с типом защиты "невоспламеняющее" могут быть использованы во взрывоопасных зонах (зона 2).

Измерительные преобразователи SITRANS TF  с типами защиты  "невоспламеняющее" или "невоспламеняющийся корпус" могут быть использованы во взрывоопасных зонах (зона 1).

 


Функции

Скачать Заказные данные 
SITRANS TF полевого исполнения (с цифровым дисплеем)
Конфигурация

Возможность коммуникации посредством HART протокола версии 5.9 прибора SITRANS TF со встроенным преобразователем SITRANS TH300 позволяет параметрировать его используя ПК или HART-коммуникатор (переносной коммуникатор). С помощью ПО SIMATIC PDM это сделать легче.

Программирование преобразователя SITRANS TF со встроенным SITRANS TН 100/200 выполняется с помощью специального модема и ПО SIPROM T.

Возможные модели

SITRANS TF - преобразователь температуры

Сигнал сенсора: термометра сопротивления, термопары, Ω-сигнал или мВ-сигнал усиливается и линеаризуется. Вход и выход гальванически изолированы. Для измерения с помощью термопары в преобразователь интегрирована внутренняя термокомпенсация.

Выходной сигнал 4 ... 20 мА линейно пропорционален измеряемой температуре. HART версия поддерживает цифровую коммуникацию для online диагностики, преобразования измеряемой величины и конфигурации.

SITRANS TF автоматически определяет обрыв сенсора и короткое замыкание. Тестовые клеммы позволяют измерить выходной сигнал 4 ... 20mA с помощью амперметра без разрыва "токовой" цепи.

SITRANS TF - "полевой" индикатор

Любой сигнал 4 ... 20 mA может быть подключён к клеммам. Это означает, что любой сигнал 4 ... 20 mA может быть представлен в любых единицах измерения, например давление, расход, уровень или температура.

 

Режим эксплуатации: SITRANS TF со встроенным преобразователем и ЖК-дисплеем 

 


Технические данные

Скачать Заказные данные 
SITRANS TF полевого исполнения (с цифровым дисплеем)

Вход

 

Термометр сопротивления

 

Измеряемая величина

Температура

Тип датчика

 

  • По DIN IEC 751

Pt25 ... Pt1000

  • По JIS C 1604)

Pt25 ... Pt1000

  • По DIN IEC 75

Ni25 ... Ni1000

 

Cu25 ... Cu1000

Характеристика

Линейная по температуре

Тип подключения

2, 3, 4-х проводная техника

Потенциометрические датчики

 

Измеряемая величина

Фактическое сопротивление

Минимальный интервал измерения

2200 Ω

Характеристика

Линейная по сопротивлению или специальная характеристика

Тип подключения

2, 3 or 4-х проводная

Термопары

 

Измеряемая величина

Температура

Тип сенсора

 

  • По DIN IEC 584-1

тип  B, E, J, K, R, S, T

  • По DIN 43710

тип L, U

  • По BS 4937

тип N

  • По ASTM 988

тип C, D

Характеристика

Температурно - линейная

Холодная компенсация спая

Внутренняя,  внешняя с встроенным термометромсопротивления Pt100

Милливольтовый датчик

 

Измеряемая величина

 Напряжение пост. тока

Диапазон измерений

1100 мВ

Характеристика

Линейная по температуре илиособая характеристика

Перегрузочная способность входа

-0.5 ... +35 В пост. тока

Входное сопротивление

≥ 1 MΩ

Выход

 

Выходной сигнал

4 ... 20 мA, 2-х проводной

Коммуникация для  SITRANS TH300

По HART В 5.x

Погрешность измерения

 

Ошибки цифровых измерений

См. таблицу  "Цифровые погрешности измерения "

Ошибка в аналоговом входе

< 0.1% от интервала

Ошибка в холодном спае термопары

< 0.5 K (0.9 °F)

Температурный дрейф

±0.01%/°C (0.0056%/°F),

typ. ±0.003%/°C (0.0016%/°F)

Влияние питания

< 0.005% от интервала/В

Долгосрочный дрейф

< 0.03% в первый месяц

Номинальные условия

 

Внешняя температура

 

Температура хранения

-40 ... +85 °C (-40 ... 185 °F)

Конденсация

Допускается

Электромагнитная совместимость

В соответствии с  EN 61326 и NAMUR NE21

Степень защиты по EN 60 529

IP68

Конструкция

 

Вес

около  1.5 кг (3.3 lb) (без опций)

Размеры

См. "Габаритные чертежи"

Материал корпуса

Алюминиевое литье под давлением с малым содержанием меди GD-AlSi 12, лак на базе полиэстра, типовая табличка из нерж. стали

Электрическое соединение, соединение сенсора

Винтовые клеммы, ввод кабеля через резьбовое соединениеM20 x 1,5 или 1/2-14 NPT

Монтажный уголок (опция)

сталь, оцинкованная и хромированная или нерж. сталь

Цифровой дисплей (опция)

в токовой цепи

Дисплей

макс. 5 знаков

Диапазон дисплея

-99 999 ... + 99 999

Единицы

Любые

Настройки:

Нулевая точка, верхнее значение, единицы

С помощью 3-х кнопок

Питание

 

Без цифрового дисплея

DC 11 до 35 В (30 V для Ex)

С цифровым дисплеем

DC 13.8 до 35 В (30 V для Ex)

Электрически изолирован

Между входом и выходом

  • Тестовое напряжение

U eff = 3.75 кВ, 50 Гц, 1 мин

  • Напряжение проверки изоляции

500 В перем. тока

Сертификаты и допуски

 

Взрывозащита ATEX

 

  • "Искробезопасная" тип защиты

II 2 (1) G EEx ia IIC T4

  • Сертификат поверки типа EC

одобрено

  • "Жаропрочный корпус" тип защиты

II 2 G EEx d IIC T5/6

  • Сертификат поверки типа EC

одобрено

Взрывозащита по FM

Сертификат соответствия

  • Обозначение (XP, DIP, NI, S)
  • XP / I / 1 / BCD / T5 Ta = 85 °C (185 °F), T6 Ta = 50 °C (112 °F), Type 4X

 

  • DIP / II, III / 1 / EFG / T5 Ta = 85 °C (185 °F), T6 Ta = 50  °C (112 °F), Type 4X

 

  • NI / I / 2 / ABCD / T5 Ta = 85 °C (185 °F), T6 Ta = 50 °C (112 °F), Type 4X

 

  • S / II, III / 2 / FG / T5 Ta = 85 °C (185 °F), T6 Ta = 50 °C (112 °F), Type 4X

Требования к программномуобеспечению для  SITRANS TK

 

Персональный компьютер

ПК с приводом CD-ROM  и интерфейсом USB/RS 232

Операционная система

Windows 98, NT, 2000 XP

SIMATIC PDM для SITRANS TH300

См.  "Программноеобеспечение", "SIMATIC PDM"

Коммуникация

 

Нагрузка для соединения HART

230 ... 1100 Ω

  • 2-х жильный экранированный кабель

≤ 3.0 км

  • Многожильный экранированный кабель

≤ 1.5 км

Протокол

HART протокол, версия 5.x

Заводские настройки (преобразователь):

  • Pt100 (IEC 751) с 3-х проводной системой
  • Диапазон измерения: 0 ... 100 °C
  • Ток аварии: 22.8 мA
Ошибки цифровых измерений

Resistance-based sensors

Вход

Диапазон измерения

Мин. интервализмерения

Цифровая погрешность

 

Ω

Ω

Ω

Сопротивление

0 ... 390

5

0.05

Сопротивление

0 ... 2200

25

0.25

Термометр сопротивления

Вход

Диапазон измерения

Мин. интервализмерения

Цифровая погрешность

°C

(°F)

°C)

(°F)

°C

(°F)

Pt25 ... Pt500

-200 ... +850

(-328 ... +1562)

10

(18)

0.1

(0.18)

Pt501 ... Pt1000 IEC

-200 ... +350

(-328 ... +662)

10

(18)

0.1

(0.18)

Ni25 ... Ni1000

-50 ... +250

(-58 ... +482)

10

(18)

0.1

(0.18)

Cu25 ... Cu1000

-50 ... +200

(-58 ... +392)

10

(18)

0.1

(0.18)

Термопара

Вход

Диапазон измерения

Мин. интервализмерения

Цифровая погрешность

°C

(°F)

°C

(°F)

°C

(°F)

Type B

+500 ... +1820

(+932 ... +3308)

50

(90)

2

(3.6)

Type C

0 ... +2300

(32 ... +4172)

100

(180)

2

(3.6)

Type D

0 ... +2300

(32 ... +4172)

100

(180)

2

(3.6)

Type E

-250 ... +900

(-418 ... +1652)

50

(90)

1

(1.8)

Type J

-210 ... +1200

(-346 ... +2192)

50

(90)

1

(1.8)

Type K

-230 ... +1370

(-382 ... +2498)

50

(90)

1

(1.8)

Type L

-200 ... +900

(-328 ... +1652)

50

(90)

1

(1.8)

Type N

-200 ... +1300

(-328 ... +2372)

50

(90)

1

(1.8)

Type R

0 ... +1750

(32 ... +3182)

100

(180)

2

(3.6)

Type S

0 ... +1750

(32 ... +3182)

100

(180)

2

(3.6)

Type T

-220 ... +400

(-364 ... +752)

40

(72)

1

(1.8)

Type U

-200 ... +600

(-328 ... +1112)

50

(90)

1

(1.8)

Источник напряжения

Вход

Интервализмерения

Мин. интервализмерения

Цифровая погрешность

 

мВ

мВ

мкВ

мВ сенсор

-10 ... +70

2

40

мВ сенсор

-100 ... +1100

20

400

 

 


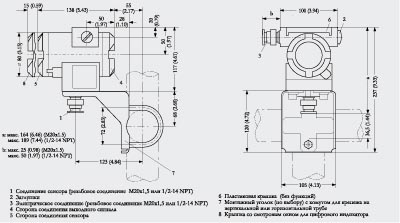
Чертеж

Скачать Заказные данные 
SITRANS TF полевого исполнения (с цифровым дисплеем)

SITRANS TF, размеры в мм (дюймах)

 


Схема подключения

Скачать Заказные данные 
SITRANS TF полевого исполнения (с цифровым дисплеем)

SITRANS TF, схема подключения сенсоров

 


Заказные данные

Скачать Заказные данные 

Цена на сайте указана розничная в ЕВРО без учета НДС.Для уточнения цены и размера предоставляемой скидки - звоните или присылайте заявки

Заказной номерPGОписание продуктаЦена
7NG3136-.....810ТЕРМОПРЕОБРАЗОВАТЕЛЬ SITRANS TF В КОРПУСЕ ДЛЯ ПОЛЕВОГО МОНТАЖА, 2-Х ПРОВОДНАЯ ТЕХНИКА, 4-20 МА, С ЭЛКТРОИЗОЛЯЦИЕЙ, С ДОКУМЕНТАЦИЕЙ НА CD,ВСТРОЕННЫЙ ПРЕОБРАЗОВАТЕЛЬ TH300, ВОЗМОЖНОСТЬ КОММУНИКАЦИИ ЧЕРЕЗ HART ПРОТОКОЛ ВЕРСИИ V5.X 542.72

 


Аксессуары

Скачать Заказные данные 

Цена на сайте указана розничная в ЕВРО без учета НДС.Для уточнения цены и размера предоставляемой скидки - звоните или присылайте заявки

Заказной номерPGОписание продуктаЦена
7MF4997-1AB807Монтажный кронштейн и крепёжные элементы для преобразователей давления 7MF401*-.....-1*C*, 7MF4032-... ..-1*C*, 7MF403*-.....-1*C* и 7MF423*-.....-1*C* и термопреобразователя 7NG313*-**C**, материал: угл. сталь. 34.98
7MF4997-1AC807Монтажный кронштейн и крепёжные элементы для преобразователей давления MK II, MS И DS (7MF4010/4013/4032/403*/423*-.. ...-1.A. -1.B. И -1.D.) и термопреобразователей 7NG313*-**B**, материал: угл. сталь.TER 7NG313.-..B.. 34.98
7MF4997-1AH807Монтажный кронштейн и крепёжные элементы для преобразователей изб. или абс. давления 7MF401*-.....-1*C*, 7MF4032-.....-1*C*, 7MF403*-... ..-1*C* и 7MF423*-.....-1*C* и термопреобразователей 7NG313*-**C**, материал: нерж. сталь. 56.82
7MF4997-1AJ807Монтажный кронштейн и крепёжные элементы для преобразователей давления MK II,MS И DS (7MF4010/4013/4032/403*/423*-.. ...-1.A. -1.B. И -1.D.) и термопреобразователей 7NG313*-**B**, материал: нерж. сталь.TURE TRANSMITTER 7NG313. -..B.. 56.82
7MF4997-1BS807ЖК-индикатор (SITRANS TF) 171.72
7MF4997-1DA807HART-модем с интерфейсом RS232 для подключения преобразователей к компьютеру. 414.46
7MF4997-1DB807HART-модем с интерфейсом USB для подключения преобразователей к компьютеру. 534.24
7NG3092-8KM806МОДЕМ С ИНТЕРФЕЙСОМ RS232 ДЛЯ ПАРАМЕТРИРОВАНИЯ ИЗМЕРИТЕЛЬНЫХ ПРЕОБРАЗОВАТЕЛЕЙ ТЕМПЕРАТУРЫ SITRANS TH100/200, С ПРОГРАММНЫМ ОБЕСПЕЧЕНИЕМ SIPROM T 287.26
7NG3092-8KU806МОДЕМ С USB- ИНТЕРФЕЙСОМ ДЛЯ ПАРАМЕТРИРОВАНИЯ ИЗМЕРИТЕЛЬНЫХ ПРЕОБРАЗОВАТЕЛЕЙ ТЕМПЕРАТУРЫ SITRANS TH100/200, С ПРОГРАММНЫМ ОБЕСПЕЧЕНИЕМ SIPROM T 228.96
A5E00364512806CD-ROM FOR TEMPERATURE MEASURE- MENT DEVICES WITH DOKUMENTATION AND SOFTWARE SIPROM T 7.74
A5E02226423810CONNECTION BOARD FOR SITRANS TF WITHOUT/WITH TH200/300 45.90