0

Разделы

Скачать Заказные данные Скачать Аксессуары 
ENG: SITRANS P300 (gauge pressure and absolute pressure)

The SITRANS P300 is a digital pressure transmitter for gage and absolute pressure. All conventional thread versions are available as process connections. In addition, various hygiene-based connections and flange connections with front-flush diaphragms meet the requirements of a dead space free process connection.

The output signal is a load-independent direct current from 4 t 20 mA or a PROFIBUS PA signal, which is linearly proportional to the input pressure. Communication is over HART protocol or over PROFIBUS PA interface. Convenient buttons for easy local operation of the basic settings of the pressure transmitter.

The SITRANS P300 has a single-chamber stainless steel casing. The pressure transmitter is approved with "intrinsically safe" type of protection It can be used in zone 1 or zone 0.

 


Особенности

Скачать Заказные данные Скачать Аксессуары 
ENG: SITRANS P300 (gauge pressure and absolute pressure)
  • High quality and service life
  • High reliability even under extreme chemical and mechanical loads
  • Extensive diagnosis and simulation functions
  • Minimum conformity error
  • Small long-term drift
  • Wetted parts made of high-grade materials (such as stainless steel, Hastelloy, tantalum)
  • Measuring range 0.008 bar to 400 bar (0.1 psi to 5802 psi)
  • High measuring accuracy
  • Parameterization over control keys and HART communication or PROFIBUS PA communication

 


Область применения

Скачать Заказные данные Скачать Аксессуары 
ENG: SITRANS P300 (gauge pressure and absolute pressure)

The pressure transmitter is available in versions for gauge pressure and for absolute pressure. The output signal is always a load-independent direct current from 4 to 20 mA or a PROFIBUS PA signal, which is linearly proportional to the input pressure. The pressure transmitter measures aggressive, non-aggressive and hazardous gases, as well as vapors and liquids.

It can be used for the following measurement types:

  • Gauge pressure
  • Absolute pressure

With appropriate parameter settings, it can also be used for the following additional measurement types:

  • Level
  • Volume
  • Mass

The "intrinsically-safe" EEx version of the transmitter can be installed in hazardous areas (zone 1). The transmitters are provided with an EC type examination certificate and comply with the respective harmonized European standards of ATEX.

Gauge pressure

This variant measures aggressive, non-aggressive and hazardous gases, vapors and liquids.

The smallest measuring span is 0.01 bar g, the largest 400 bar g (0.15 psi g, the largest 5802 psi g).

Level

With appropriate parameter settings, the gauge pressure variant measures the level of aggressive, non-aggressive and hazardous liquids.

For measuring the level in an open container you require one device; for measuring the level in a closed container, you require two devices and a process control system.

Absolute pressure

This variant measures the absolute pressure of aggressive, non-aggressive and hazardous gases, vapors and liquids.

The smallest measuring span is 0.008 bar a, the largest 30 bar a (0.12 psi a, the largest 435 psi a).

 


Дизайн

Скачать Заказные данные Скачать Аксессуары 
ENG: SITRANS P300 (gauge pressure and absolute pressure)

The device comprises:

  • Electronics
  • Housing
  • Measuring cell

Perspective view of the SITRANS P300

The housing has a screw-on cover (3) and, depending on the version, is with or without an inspection window. The electrical terminal housing, the buttons for operation of the device are located under this cover and, depending on the version, the digital display. The connections for the auxiliary power UH and the shield are in the terminal housing. The cable gland is mounted on the side of the housing. The measuring cell with the process connection (5) is located on the bottom of the housing. The measuring cell with the process connection may differ from the one shown in the diagram, depending on the device version.

Measuring point label

 


Функции

Скачать Заказные данные Скачать Аксессуары 
ENG: SITRANS P300 (gauge pressure and absolute pressure)
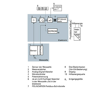
Operation of electronics with HART communication

Function diagram of electronics

The input pressure is converted into an electrical signal by the sensor (1). This signal is amplified by the measuring amplifier (2) and digitalized in an analog-to-digital converter (3). The digital signal is analyzed in a microcontroller (4) and corrected according to linearity and thermal characteristics. In a digital-to-analog converter (5) it is then converted into the output current of 4 to 20 mA. A diode circuit provides reverse polarity protection. You can make an uninterrupted current measurement with a low-ohm ammeter at the connection (10). The data specific to the measuring cell, the electronic data and parameter settings are stored in two non-volatile memories (6). The first memory is linked to the measuring cell, the second to the electronics.

The buttons (8) can be used to call up individual functions, so-called modes. If you have a device with a digital display (9), you can use this to track mode settings and other messages. The basic mode settings can be changed with a computer via the HART modem (7).

Operation of electronics with PROFIBUS PA communication

Function diagram of electronics

The input pressure is converted into an electrical signal by the sensor (1). This signal is amplified by the measuring amplifier (2) and digitalized in an analog-to-digital converter (3). The digital signal is analyzed in a microcontroller (4) and corrected according to linearity and thermal characteristics. It is then made available at the PROFIBUS PA over an electrically isolated PROFIBUS PA interface (7). The data specific to the measuring cell, the electronic data and parameter settings are stored in two non-volatile memories (6). The first memory is linked to the measuring cell, the second to the electronics.

The buttons (8) can be used to call up individual functions, so-called modes. If you have a device with a digital display (9), you can use this to track mode settings and other messages. The basic mode settings can be changed with a computer over the bus master (12).

Operation of electronics with FOUNDATION fieldbus communication

Function diagram of electronics

The bridge output voltage created by the sensor (1, Figure "Function diagram of electronics") is amplified by the measuring amplifier (2) and digitized in the analog-to-digital converter (3). The digital information is evaluated in the microcontroller, its linearity and temperature response corrected, and provided on the FOUNDATION fieldbus through an electrically isolated FOUNDATION fieldbus interface (7).

The data specific to the measuring cell, the electronics data, and the parameter data are stored in the two non-volatile memories (6). The one memory is coupled to the measuring cell, the other to the electronics. As the result of this modular design, the electronics and the measuring cell can be replaced separately from each other.

Using the three input buttons (8) you can parameterize the pressure transmitter directly at the measuring point. The input buttons can also be used to control the view of the results, the error messages and the operating modes on the digital display (9).

The results with status values and diagnostic values are transferred by cyclic data transmission on the FOUNDATION fieldbus. Parameterization data and error messages are transferred by acyclic data transmission. Special software such as National Instruments Configurator is required for this.

Mode of operation of the measuring cells

The process connections available include the following:

  • ½-14 NPT
  • Flush-mounted diaphragm:
    • Flanges to EN
    • Flanges to ASME
    • NuG and pharmaceutical connections

Measuring cell for gauge pressure

Measuring cell for gauge pressure, function diagram

The input pressure (pe) is transferred to the gauge pressure sensor (6) via the seal diaphragm (4) and the filling liquid (5), displacing its measuring diaphragm. The displacement changes the resistance value of the four piezo resistors in the measuring diaphragm in a bridge circuit. The change in the resistance causes a bridge output voltage proportional to the input pressure.

Transmitters with spans ≤ 63 bar (≤ 926.1 psi) measure the input pressure compared to atmospheric, those with spans ≥ 160 bar (≥ 2352 psi) compared to a vacuum.

Measuring cell for absolute pressure

Measuring cell for absolute pressure, function diagram

The input pressure (pe) is transferred to the absolute pressure sensor (5) via the seal diaphragm (3) and the filling liquid (4), displacing its measuring diaphragm. The displacement changes the resistance value of the four piezo resistors in the measuring diaphragm in a bridge circuit. The change in the resistance causes a bridge output voltage proportional to the input pressure.

Measuring cell for gauge pressure, flush-mounted diaphragm

Measuring cell for gauge pressure, flush-mounted diaphragm, function diagram

The input pressure (pe) is transferred to the gauge pressure sensor (6) via the seal diaphragm (4) and the filling liquid (5), displacing its measuring diaphragm. The displacement changes the resistance value of the four piezo resistors in the measuring diaphragm in a bridge circuit. The change in the resistance causes a bridge output voltage proportional to the input pressure.

Transmitters with spans ≤ 63 bar (≤ 926.1 psi) measure the input pressure compared to atmospheric, those with spans ≥ 160 bar (≥ 2352 psi) compared to a vacuum.

Measuring cell for absolute pressure, flush-mounted diaphragm

Measuring cell for absolute pressure, flush-mounted diaphragm, function diagram

The input pressure (pe) is transferred to the absolute pressure sensor (5) via the seal diaphragm (3) and the filling liquid (4), displacing its measuring diaphragm. The displacement changes the resistance value of the four piezo resistors in the measuring diaphragm in a bridge circuit. The change in the resistance causes a bridge output voltage proportional to the input pressure.

Parameterization of SITRANS P300

Depending on the version, there are a range of options for parameterizing the pressure transmitter and for setting or scanning the parameters.

Parameterization using the input buttons (local operation)

With the input buttons you can easily set the most important parameters without any additional equipment.

Parameterization using HART communication

Parameterization using HART communication is performed with a HART communicator or a PC.

Communication between a HART communicator and a pressure transmitter

When parameterizing with the HART communicator, the connection is made directly to the 2-wire cable.

HART communication between a PC communicator and a pressure transmitter

When parameterizing with a PC, the connection is made through a HART modem.

The signals needed for communication in conformity with the HART 5.x or 6.x protocols are superimposed on the output current using the Frequency Shift Keying (FSK) method.

Adjustable parameters on SITRANS P300 with HART communication

Parameters

Input buttons

HART communication

Start of scale

x

x

Full-scale value

x

x

Electrical damping

x

x

Start-of-scale value without application of a pressure ("Blind setting")

x

x

Full-scale value without application of a pressure ("Blind setting")

x

x

Zero adjustment

x

x

current transmitter

x

x

Fault current

x

x

Disabling of buttons, write protection

x

x 1)

Type of dimension and actual dimension

x

x

Input of characteristic

 

x

Freely-programmable LCD

 

x

Diagnostic functions

 

x

1) Cancel apart from write protection

Diagnostic functions for SITRANS P300 with HART communication

  • Zero correction display
  • Event counter
  • Limit transmitter
  • Saturation alarm
  • Slave pointer
  • Simulation functions
  • Maintenance timer

Available physical units of display for SITRANS P300 with HART communication

Table style: Technical specifications 2

Physical variable

Physical dimensions

Pressure (setting can also be made in the factory)

Pa, MPa, kPa, bar, mbar, torr, atm, psi, g/cm2, kg/cm2, inH2O, inH2O (4 °C), mmH2O, ftH2O (20 °C), inHg, mmHg

Level (height data)

m, cm, mm, ft, in

Volume

m3, dm3, hl, yd3, ft3, in3, US gallon, lmp. gallon, bushel, barrel, barrel liquid

Mass

g, kg, t, lb, Ston, Lton, oz

Temperature

K, °C, °F, °R

Miscellaneous

%, mA

Parameterization through PROFIBUS PA interface

Fully digital communication through PROFIBUS PA, profile 3.0, is particularly user-friendly. The P300 PA is connected to a process control system, e.g. SIMATIC PSC 7, over PROFIBUS. Communication is possible even in a potentially explosive environment.

For parameterization through PROFIBUS you need suitable software, e.g. SIMATIC PDM (Process Device Manager).

Parameterization through FOUNDATION fieldbus interface

Fully digital communication through FOUNDATION fieldbus is particularly user-friendly. Through the FOUNDATION fieldbus the P300 is connected to a process control system. Communication is possible even in a potentially explosive environment.

For parameterization through the FOUNDATION fieldbus you need suitable software, e.g. National Instruments Configurator.

Adjustable parameters for SITRANS P300 PA and FF

Adjustable parameters

Input buttons

PROFIBUS PA and FOUNDATION fieldbus interface

Electrical damping

x

x

Zero adjustment (correction of position)

x

x

Buttons and/or function disabling

x

x

Source of measured-value display

x

x

Physical dimension of display

x

x

Position of decimal point

x

x

Bus address

x

x

Adjustment of characteristic

x

x

Input of characteristic

 

x

Freely-programmable LCD

 

x

Diagnostic functions

 

x

Diagnostic functions for SITRANS P300 PA and FF

  • Event counter
  • Slave pointer
  • Maintenance timer
  • Simulation functions
  • Display of zero correction
  • Limit transmitter
  • Saturation alarm

Physical dimensions available for the display

Physical variable

Physical dimensions

Pressure (setting can also be made in the factory)

MPa, kPa, Pa, bar, mbar, torr, atm, psi, g/cm2, kg/cm2, mmH2O, mmH2O (4 °C), inH2O, inH20 (4 °C), ftH2O (20 °C), mmHg, inHg

Level (height data)

m, cm, mm, ft, in, yd

Volume

m3, dm3, hl, yd3, ft3, in3, US gallon, lmp. gallon, bushel, barrel, barrel liquid

volume flow

m3/s, m3/min, m3/h, m3/d, l/s, l/min, l/h, l/ d, Ml/d, ft3/s, ft3/min, ft3/h, ft3/d, US gallon/s, US gallon/min, US gallon/h, US gallon/d, bbl/s, bbl/min, bbl/h, bbl/d

Mass flow

g/s, g/min, g/h, g/d, kg/s, kg/min, kg/h, kg/d, t/s, t/min, t/h, /t/d, lb/s, lb/min, lb/h, lb/d, STon/s, STon/min, STon/h, STon/d, LTon/s, LTon/min, LTon/h, LTon/d

Total mass flow

t, kg, g, lb, oz, LTon, STon

Temperature

K, °C, °F, °R

Miscellaneous

%

Hygiene version

In the case of the SITRANS P300 with 7MF812.-... flush-mounted diaphragm, selected connections comply with the requirements of the EHEDG or 3A. You will find further details in the order form. Please note in particular that the seal materials used must comply with the requirements of 3A. Similarly, the filling liquids used must be FDA-compliant.

 


Технические данные

Скачать Заказные данные Скачать Аксессуары 
ENG: SITRANS P300 (gauge pressure and absolute pressure)

SITRANS P300 for gauge and absolute pressure

 

HART

PROFIBUS PA and FOUNDATION fieldbus

Gauge pressure input

   

Measured variable

Gauge pressure (flush-mounted)

Spans (infinitely adjustable) or nominal measuring range andmax. permissible test pressure

Measuring span

Max. perm. test pressure

Nominal measuring range

Max. perm. test pressure

 

0.01 ... 1 bar g(0.15 ... 14.5 psi g)

6 bar g(87 psi g)

1 bar g(14.5 psi g)

6 bar g(87 psi g)

 

0.04 ... 4 bar g(0.58 ... 58 psi g)

10 bar g(145 psi g)

4 bar g(58 psi g)

10 bar g(145 psi g)

 

0.16 ... 16 bar g(2.3 ... 232 psi g)

32 bar g(464 psi g)

16 bar g(232 psi g)

32 bar g(464 psi g)

 

0.6 ... 63 bar g(9.1 ... 914 psi g)

100 bar g(1450 psi g)

63 bar g(914 psi g)

100 bar g(1450 psi g)

 

1.6 ... 160 bar g(23.2 ... 2321 psi g)

250 bar g(3626 psi g)

160 bar g(2321 psi g)

250 bar g(3626 psi g)

 

4.0 ... 400 bar g(58 ... 5802 psi g)

500 bar g(7252 psi g)

400 bar g(5802 psi g)

500 bar g(7252 psi g)

 

Depending on the process connection, the span may differ from these values

Depending on the process connection, the nominal measuring range may differ from these values

Lower measuring limit

 
  • Measuring cell with silicone oil

30 mbar a (0.44 psi a)

Upper measuring limit

 
  • Measuring cell with silicone oil

100 % of max. span

100 % of the max. nominal measuring range

Absolute pressure input

 

Measured variable

Absolute pressure

Spans (infinitely adjustable) or nominal measuring range andmax. permissible test pressure

Measuring span

Max. perm. test pressure

Nominal measuring range

Max. perm. test pressure

 

8 ... 250 mbar a(0.12 ... 3.6 psi a)

6 bar a(87 psi a)

250 mbar a(3.6 psi a)

6 bar a(87 psi a)

 

0.043 ... 1.30 bar a(0.62 ... 19 psi a)

10 bar a(145 psi a)

1.30 bar a(19 psi a)

10 bar a(145 psi a)

 

0.16 ... 5 bar a(2.3 ... 73 psi a)

30 bar a(435 psi a)

5 bar a(73 psi a)

30 bar a(435 psi a)

 

1 ... 30 bar a(14.5 ... 435 psi a)

100 bar a(1450 psi a)

30 bar a(435 psi a)

100 bar a(1450 psi a)

Lower measuring limit

 
  • Measuring cell with silicone oil

0 mbar a (0 psi a)

Upper measuring limit

 
  • Measuring cell with silicone oil

100% of max. span

100 % of the max. nominal measuring range

Input of gauge pressure, with flush-mounted diaphragm

   

Measured variable

Gauge pressure (flush-mounted)

Spans (infinitely adjustable) or nominal measuring range and max. permissible test pressure

Measuring span

Max. perm. test pressure

Nominal measuring range

Max. perm. test pressure

 

0.01 ... 1 bar g (0.15 ... 14.5 psi g)

6 bar g(87 psi g)

1 bar g(14.5 psi g)

6 bar g(87 psi g)

 

0.04 ... 4 bar g (0.58 ... 58 psi g)

10 bar g(145 psi g)

4 bar g(58 psi g)

10 bar g(145 psi g)

 

0.16 ... 16 bar g (2.32 ... 232 psi g)

32 bar g(464 psi g)

16 bar g(232 psi g)

32 bar g(464 psi g)

 

0.6 ... 63 bar g (9.14 ... 914 psi g)

100 bar g(1450 psi g)

63 bar g(914 psi g)

100 bar g(1450 psi g)

Lower measuring limit

-100 mbar a (-0 psi a)

Upper measuring limit

 
  • Measuring cell with silicone oil

100 % of max. span

100 % of the max. nominal measuring range

Input of absolute pressure, with flush-mounted diaphragm

   

Measured variable

Absolute pressure (flush-mounted)

Spans (infinitely adjustable) or nominal measuring range andmax. permissible test pressure

Measuring span

Max. perm. test pressure

Nominal measuring range

Max. perm. test pressure

 

43 ... 1300 mbar a(0.62 ... 18.9 psi g)

10 bar a(145 psi a)

1300 mbar a(18.9 psi a)

10 bar a(145 psi a)

 

0.16 ... 5 bar a(2.32 ... 72.5 psi a)

30 bar a(435 psi a)

5 bar a(72.5 psi a)

30 bar a(435 psi a)

 

1 ... 30 bar a(14.5 ... 435 psi a)

100 bar a(1450 psi a)

30 bar a(435 psi a)

100 bar a(1450 psi a)

 

Depending on the process connection, the span may differ from these values

Depending on the process connection, the nominal measuring range may differ from these values

Lower measuring limit

0 bar a (0 psi a)

Upper measuring limit

 
  • Measuring cell with silicone oil

100% of max. span

100 % of the max. nominal measuring range

Output

 

Output signal

4 ... 20 mA

Digital PROFIBUS PA signal

Physical bus

-

IEC 61158-2

Protection against polarity reversal

Protected against short-circuit and polarity reversal. Each connection against the other with max. supply voltage.

Electrical damping T63 (step width 0.1 s)

Set to 0.1 s (0 ... 100 s)

Measuring accuracy

 

Reference conditions (All error data refer always refer to the set span)

Increasing characteristic, start-of-scale value 0 bar, stainless steel seal diaphragm, measuring cell with silicone oil, room temperature 25 °C (77 °F), span ratio (r = max. span / set span)

Measurement deviation with limit setting, including hysteresis and repeatability.

 
 

Gauge pressure

Absolute pressure

Absolute pressure, flush-mounted

Gauge pressure

Absolute pressure

Absolute pressure, flush-mounted

Linear characteristic

     

≤ 0.075 %

≤ 0.01 %

≤ 0.02 %

  • r ≤ 10

≤ (0.0029 · r + 0.071)%

≤ 0.1 %

≤ 0.2 %

   
  • 10 < r ≤ 30

≤ (0.0045 · r + 0.071)%

≤ 0.2 %

≤ 0.4 %

   
  • 30 < r ≤ 100

≤ (0.005 · r + 0.05)%

-

-

   

Settling time T63 without electrical damping

Approx. 0.2 s

Long-term drift at ±30 °C (±54 °F)

≤ (0.25 · r)%/5 years

≤ (0.1 · r)%/year

≤ 0.25 %/5 years

≤ 0.1 %/year

Influence of ambient temperature

 
  • at -10 ... +60 °C (14 ... 140 °F)

≤ (0.08· r + 0.1)%

≤ (0.2 · r + 0.3)%

≤ 0,3 %

≤ 0.5 %

  • at -40 ... -10 °C and +60 ... +85 °C(-40 ... 14 °F and 140 ... 185 °F)

≤ (0.1·r + 0.15) %/10 K

≤ (0.2·r + 0.3) %/10 K

≤ 0.25 %/10 K

≤ 0,5 %/10 K

Influence of the medium temperature (only with flush-mounted diaphragm)

 
  • Temperature difference between medium temperature and ambient temperature

3 mbar/10 K (0.04 psi/10 K)

Rated conditions

 

Installation conditions

 

Ambient temperature

Observe the temperature class in areas subject to explosion hazard.

  • Measuring cell with silicone oil

-40 ... +85 °C (-40 ... +185 °F)

  • Measuring cell with Neobee oil (with flush-mounted diaphragm)

-10 ... +85 °C (14 ... +185 °F)

  • Measuring cell with inert liquid (not with flush-mounted diaphragm)

-20 ... +85 °C (-4 ... +185 °F)

  • Digital display

-30 ... +85 °C (-22 ... +185 °F)

  • Storage temperature

-50 ... +85 °C (-58 ... +185 °F)(for Neobee: -20 ... +85 °C (-4 ... +185 °F))

Climatic class

 

Condensation

Permissible

Degree of protection acc. to EN 60529

IP65, IP68, NEMA X, enclosure cleaning, resistant to lyes, steam to 150° C (302 °F)

Electromagnetic Compatibility

 
  • Emitted interference and interference immunity

Acc. to EN 61326 and NAMUR NE 21

Medium conditions

 

Temperature of medium

 
  • Measuring cell with silicone oil

-40 ... +100 °C (-40 ... +212 °F)

  • Measuring cell with silicone oil (with flush-mounted diaphragm)

-40 ... +150 °C (-40 ... +302 °F)

  • Measuring cell with Neobee oil (with flush-mounted diaphragm)

-10 ... +150 °C (-14 ... +302 °F)

  • Measuring cell with silicone oil, with temperature decoupler (only with flush-mounted diaphragm)

-40 ... +200 °C (-40 ... +392 °F)

  • Measuring cell with inert liquid

-20 ... +100 °C (-4 ... +212 °F)

  • Measuring cell with high-temperature oil

-10 ... +250 °C (14 ... 482 °F)

Design (standard version)

 

Weight (without options)

Approx. 800 g (1.8 lb)

Enclosure material

Stainless steel, mat. No. 1.4301/304

Material of parts in contact with the medium

 
  • Connection shank

Stainless steel, mat. No. 1.4404/316L or Hastelloy C276, mat. No. 2.4819

  • Oval flange

Stainless steel, mat. No. 1.4404/316L

  • Seal diaphragm

Stainless steel, mat. No. 1.4404/316L or Hastelloy C276, mat. No. 2.4819

  • Measuring cell filling
  • Silicone oil
  • Inert filling liquid

Process connection

  • G½B to EN 837-1
  • Female thread ½-14 NPT
  • Oval flange PN 160 (MWP 2320 psi) with fastening thread:
    • 7⁄16-20 UNF to IEC 61518
  • M10 as per DIN 19213

Design (version with flush-mounted diaphragm)

 

Weight (without options)

Approx. 1 … 13 kg (2.2 … 29 lb)

Enclosure material

Stainless steel, mat. No. 1.4301/304

Material of parts in contact with the medium

 
  • Process connection

Stainless steel, mat. No. 1.4404/316L

  • Seal diaphragm

Stainless steel, mat. No. 1.4404/316L

  • Measuring cell filling
  • Silicone oil
  • Inert filling liquid
  • FDA compliant fill fluid (Neobee oil)

Process connection

  • Flanges as per EN and ASME
  • F&B and pharmaceutical flanges

Surface quality touched-by-media

Ra values ≤ 0.8 µm (3.15.10-8 inch)/welded seams Ra ≤ 1.6 µm (6.4.10-8 inch)

(process connections according to 3A; Ra values ≤ 0.8 µm (3.15.10-8 inch)/welded seams Ra ≤ 0.8 µm (3.15.10-8 inch)

Power supply UH

 

Terminal voltage on transmitter

10.5 ... 42 V DCfor intrinsically safe operation: 10.5 ... 30 V DC

Supplied through bus

Separate power supply

-

Not necessary

Bus voltage

   
  • Without EEx

-

9 ... 32 V

  • With intrinsically-safe operation

-

9 ... 24 V

Current consumption

   
  • Max. basic current

-

12.5 mA

  • Startup current ≤ basic current

-

Yes

  • Max. fault current in the event of a fault

-

15.5 mA

Fault disconnection electronics (FDE)

-

Available

Certificates and approvals

 

Classification according to PED 97/23/EC

For gases of fluid group 1 and liquids of fluid group 1; complies with requirements of Article 3, paragraph 3 (sound engineering practice)

Water, waste water

In preparation

Explosion protection

 

Intrinsic safety "i"

PTB 05 ATEX 2048

  • Marking

Ex II 1/2 G EEx ia/ib IIB/IIC T4, T5, T6

  • Permissible ambient temperature
 
  • Temperature class T4

-40 ... +85 °C (-40 ... +185 °F)

  • Temperature class T5

-40 ... +70 °C (-40 ... +158 °F)

  • Temperature class T6

-40 ... +60 °C (-40 ... +140 °F)

  • Interface

To certified intrinsically-safe circuits with peak values:

Ui = 30 V, Ii = 100 mA, Pi = 750 mW, Ri = 300 Ω

To certified intrinsically-safe circuits with peak values:

FISCO supply unit:

Ui = 17.5 V, Ii = 380 mA, Pi = 5.32 W

Linear barrier:

Ui = 24 V, Ii = 250 mA, Pi = 1.2 W

  • Effective inner capacitance:

Ci = 6 nF

Ci = 1.1 nF

  • Effective internal inductance:

Li = 0.4 mH

Li ≤ 7 μH

Explosion protection to FM for USA and Canada (cFMUS)

   
  • Identification (DIP) or (IS); (NI)

Certificate of Compliance 3025099

CL I, DIV 1, GP ABCD T4 ... T6; CL II, DIV 1, GP EFG; CL III; CL I, ZN 0/1 AEx ia IIC T4 ... T6; CL I, DIV 2, GP ABCD T4 ... T6; CL II, DIV 2, GP FG; CL III

  • Identification (DIP) or (IS)

Certificate of Compliance 3025099C

CL I, DIV 1, GP ABCD T4 ... T6; CL II, DIV 1, GP EFG; CL III; Ex ia IIC 4 ... T6; CL I, DIV 2, GP ABCD T4 ... T6; CL II, DIV 2, GP FG; CL III

Dust explosion protection for zone 20/21/22

PTB 05 ATEX 2048

  • Marking

Ex II 1D Ex ia D 20 T 120 °C

Ex II 2D Ex ib D 21 T 120 °C

Ex II 3D Ex ib D 21 T 120 °C

  • Permissible ambient temperature
 
  • Temperature class T4

-40 ... +85 °C (-40 ... +185 °F) (with mineral glass window only -20 ... +85 °C (-4 ... +185 °F))

  • Temperature class T5

-40 ... +85 °C (-40 ... +185 °F) (with mineral glass window only -20 ... +85 °C (-4 ... +185 °F))

  • Temperature class T6

-40 ... +85 °C (-40 ... +185 °F) (with mineral glass window only -20 ... +85 °C (-4 ... +185 °F))

  • Connection

To certified intrinsically-safe circuits with peak values:

Ui = 30 V, Ii = 100 mA, Pi = 750 mW

To certified intrinsically-safe circuits with peak values:

Ui = 24 V, Ii = 380 mA, Pi = 5.32 mW

  • Effective inner capacitance:

Ci = 6 nF

Ci = 5 nF

  • Effective internal inductance:

Li = 0.4 μH

Li = 10 μH

Type of protection Ex nA/nL/ic (Zone 2)

PTB 05 ATEX 2048

  • Marking

II 2/3 G Ex ic IIB/IIC T4/T5/T6

II 2/3 G Ex nA T4/T5/T6

II 2/3 G Ex nL IIB/IIC T4/T5/T6

  • Permissible ambient temperature
 
  • Temperature class T4

-40 ... +85 °C (-40 ... +185 °F) (with mineral glass window only -20 ... +85 °C (-4 ... +185 °F))

  • Temperature class T5

-40 ... +70 °C (-40 ... +158 °F) (with mineral glass window only -20 ... +70 °C (-4 ... +158 °F))

  • Temperature class T6

-40 ... +60 °C (-40 ... +140 °F) (with mineral glass window only -20 ... +60 °C (-4 ... +140 °F))

  • Ex nA connection

To certified intrinsically-safe circuits with peak values:

Um = 45 V

To certified intrinsically-safe circuits with peak values:

Um = 32 V

  • Ex ic/nL connection

To certified intrinsically-safe circuits with

peak values:

Ui = 45 V

To certified intrinsically-safe circuits with

peak values:

Ui = 32 V

  • Effective inner capacitance:

Ci = 6 nF

Ci = 5 nF

  • Effective internal inductance:

Li = 0.4 mH

Li = 20 μH

HART communication

 

HART communication

230 ... 1100 Ω

Protocol

HART Version 5.x

Software for computer

SIMATIC PDM

PROFIBUS PA communication

 

Simultaneous communication with master class 2 (max.)

4

The address can be set using

Configuration tool or local operation

(standard setting Address 126)

Cyclic data usage

 
  • Output byte

5 (one measured value) or

10 (two measured values)

  • Input byte

0.1 or 2 (totalizer mode and reset function for dosing)

  • Internal preprocessing
 

Device profile

PROFIBUS PA Profile for Process Control Devices Version 3.0, Class B

Function blocks

2

  • Analog input
 
  • Adaptation to customer-specific process variables

Linearly rising or falling characteristic

  • Electrical damping T63 , adjustable

0 to 100 s

  • Simulation function

Input /Output

  • Failure function

parameterizable (last good value, substitute value, incorrect value)

  • Limit monitoring

Yes, one upper and lower warning limit and one alarm limit respectively

  • Register (totalizer)

Can be reset, preset, optional direction of counting, simulation function of register output

  • Failure mode

parameterizable (summation with last good value, continuous summation, summation with incorrect value)

  • Limit monitoring

One upper and lower warning limit and one alarm limit respectively

  • Physical block

1

Transducer blocks

2

  • Pressure transducer block
 
  • Can be calibrated by applying two pressures

Yes

  • Monitoring of sensor limits

Yes

  • Specification of a container characteristic with

Max. 30 nodes

  • Simulation function for measured pressure value and sensor temperature

Constant value or over parameterizable ramp function

Communication Foundation Fieldbus

 

Function blocks

3 function blocks analog input, 1 function block PID

  • Analog input
 
  • Adaptation to customer-specific process variables

Yes, linearly rising or falling characteristic

  • Electrical damping T63 , adjustable

0 to 100 s

  • Simulation function

Output/input (can be locked within the device with a bridge)

  • Failure mode

parameterizable (last good value, substitute value, incorrect value)

  • Limit monitoring

Yes, one upper and lower warning limit and one alarm limit respectively

  • Square-rooted characteristic for flow measurement

Yes

  • PID

Standard FF function block

  • Physical block

1 resource block

Transducer blocks

1 transducer block Pressure with calibration, 1 transducer block LCD

  • Pressure transducer block
 
  • Can be calibrated by applying two pressures

Yes

  • Monitoring of sensor limits

Yes

  • Simulation function: Measured pressure value, sensor temperature and electronics temperature

Constant value or over parameterizable ramp function

 


Чертеж

Скачать Заказные данные Скачать Аксессуары 
ENG: SITRANS P300 (gauge pressure and absolute pressure)

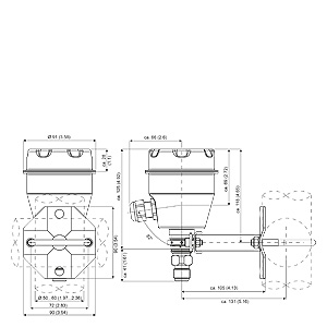
SITRANS P300, with oval flange, dimensions in mm (inch)

SITRANS P300, process connection M20 x 1.5, with mounted mounting bracket, dimensions in mm (inch)

SITRANS P300, flush-mounted, dimensions in mm (inch)

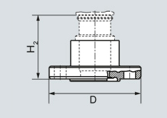
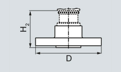
The diagram shows a SITRANS P300 with an example of a flange. In this drawing the height is subdivided into H1 and H2.

H1 = Height of the SITRANS P300 up to a defined cross-section

H2 = Height of the flange up to this defined cross-section

Only the height H2 is indicated in the dimensions of the flanges.

Flanges as per EN and ASME

Flange to EN

EN 1092-1

 

DN

PN

∅D

H2

25

40

115 mm (4.5")

Approx. 52 mm (2")

25

100

140 mm (5.5")

40

40

150 mm (5.9")

40

100

170 mm (6.7")

50

16

165 mm (6.5")

50

40

165 mm (6.5")

80

16

200 mm (7.9")

80

40

200 mm (7.9")

Flanges to ASME

ASME B16.5

 

DN

class

∅D

H2

1"

150

110 mm (4.3")

Approx. 52 mm (2")

1"

300

125 mm (4.9")

1½"

150

130 mm (5.1")

1½"

300

155 mm (6.1")

2“

150

150 mm (5.9")

2“

300

165 mm (6.5")

3“

150

190 mm (7.5")

3“

300

210 mm (8.1")

4“

150

230 mm (9.1")

4“

300

255 mm (10.0")

NuG and pharmaceutical connections

Connections to DIN

DIN 11851 (milk pipe union)

 

DN

PN

∅D

H2

50

25

92 mm (3.6")

Approx. 52 mm (2")

80

25

127 mm (5.0")

TriClamp to DIN 32676

 

DN

PN

∅D

H2

50

16

64 mm (2.5")

Approx. 52 mm (2")

65

16

91 mm (3.6")

Other connections

Varivent connection

 

DN

PN

∅D

H2

40 ... 125

40

84 mm (3.3")

Approx. 52 mm (2")

Biocontrol connection

 

DN

PN

∅D

H2

50

16

90 mm (3.5")

Approx. 52 mm (2")

65

16

120 mm (4.7")

Sanitary process connection to DRD

 

DN

PN

∅D

H2

50

40

105 mm (4.1")

Approx. 52 mm (2")

     

Sanitary process screw connection to NEUMO Bio-Connect

 

DN

PN

∅D

H2

50

16

82 mm (3.2")

Approx. 52 mm (2")

65

16

105 mm (4.1")

80

16

115 mm (4.5")

100

16

145 mm (5.7")

2”

16

82 mm (3.2")

2½”

16

105 mm (4.1")

3”

16

105 mm (4.1")

4”

16

145 mm (5.7")

Sanitary process connection to NEUMO Bio-Connect flange connection

 

DN

PN

∅D

H2

50

16

110 mm (4.3")

Approx. 52 mm (2")

65

16

140 mm (5.5")

80

16

150 mm (5.9")

100

16

175 mm (6.9")

2”

16

100 mm (3.9")

2½”

16

110 mm (4.3")

3”

16

140 mm (5.5")

4”

16

175 mm (6.9")

Sanitary process connection to NEUMO Bio-Connect clamp connection

 

DN

PN

∅D

H2

50

16

77.4 mm (3.0")

Approx. 52 mm (2")

65

10

90.9 mm (3.6")

80

10

106 mm (4.2")

100

10

119 mm (4.7")

2”

16

64 mm (2.5")

2½”

16

77.4 mm (3.0")

3”

10

90.9 mm (3.6")

4”

10

779 mm (4.7")

Sanitary process connection to NEUMO Bio-Connect S flange connection

 

DN

PN

∅D

H2

50

16

125 mm (4.9")

Approx. 52 mm (2")

65

10

145 mm (5.7")

80

10

155 mm (6.1")

100

10

180 mm (7.1")

2”

16

125 mm (4.9")

2½”

10

135 mm (5.3")

3”

10

145 mm (5.7")

4”

10

180 mm (7.1")

Threaded connection G¾", G1" and G2" acc. to DIN 3852

 

DN

PN

∅D

H2

¾“

63

37 mm (1.5")

Approx. 45 mm (1.8")

1“

63

48 mm (1.9")

Approx. 47 mm (1.9")

2“

63

78 mm (3.1")

Approx. 52 mm (2")

Tank connection TG 52/50 and TG52/150

 

DN

PN

∅D

H2

25

40

63 mm (2.5")

Approx. 63 mm (2.5")

25

40

63 mm (2.5")

Approx. 170 mm (6.7")

SMS socket with union nut

 

DN

PN

∅D

H2

2“

25

84 mm (3.3")

Approx. 52 mm (2.1")

2½“

25

100 mm (3.9")

3“

25

114 mm (4.5")

SMS threaded socket

 

DN

PN

∅D

H2

2“

25

70 x 1/6 mm

Approx. 52 mm (2.1")

2½“

25

85 x 1/6 mm

3“

25

98 x 1/6 mm

IDF socket with union nut

 

DN

PN

∅D

H2

2“

25

77 mm (3")

Approx. 52 mm (2.1")

2½“

25

91 mm (3.6")

3“

25

106 mm (4.2")

IDF threaded socket

 

DN

PN

∅D

H2

2“

25

64 mm (2.5")

Approx. 52 mm (2.1")

2½“

25

77,5 mm (3.1")

3“

25

91 mm (3.6")

Aseptic threaded socket to DIN 11864-1 Form A

 

DN

PN

∅D

H2

50

25

 

Approx. 52 mm (2.1")

65

25

 

80

25

 

100

25

 

Aseptic flange with notch to DIN 11864-2 Form A

 

DN

PN

∅D

H2

50

16

 

Approx. 52 mm (2.1")

65

16

 

80

16

 

100

16

 

Aseptic flange with groove to DIN 11864-2 Form A

 

DN

PN

∅D

H2

50

16

 

Approx. 52 mm (2.1")

65

16

 

80

16

 

100

   

Aseptic clamp with groove to DIN 11864-3 Form A

 

DN

PN

∅D

H2

50

25

 

Approx. 52 mm (2.1")

65

25

 

80

16

 

100

16

 

 


Заказные данные

Скачать Заказные данные Скачать Аксессуары 

Цена на сайте указана розничная в ЕВРО без учета НДС.Для уточнения цены и размера предоставляемой скидки - звоните или присылайте заявки

Заказной номерPGОписание продуктаЦена
7MF802.-.....-....8097MF802 - Преобразователь давления измерительный SITRANS P300, для избыточного или абсолютного давления, 807.72

 


Аксессуары

Скачать Заказные данные Скачать Аксессуары 

Цена на сайте указана розничная в ЕВРО без учета НДС.Для уточнения цены и размера предоставляемой скидки - звоните или присылайте заявки

Заказной номерPGОписание продуктаЦена
7MF4997-1DA807HART-модем с интерфейсом RS232 для подключения преобразователей к компьютеру. 414.46
7MF4997-1DB807HART-модем с интерфейсом USB для подключения преобразователей к компьютеру. 534.24
7MF4997-2HA807Приварной адаптер для подключения к процессу разделителя давления типа PMC, резьба 1 1/2. 58.94
7MF4997-2HB807Приварной адаптер для подключения к процессу разделителя давления типа PMC, резьба 1 MINIBOLT. Уплотнение из Витона в комплекте. 52.36
7MF4997-2HC807Уплотнительное кольцо для подключения PMC 1 1/2, материал PTFE (набор 5 шт.). 60.10
7MF4997-2HD807Уплотнительное кольцо для подключения PMC 1 MINIBOLT, материал Витон (набор 5 шт.). 41.45
7MF4997-2HE807Приварной адаптер для подключения к процессу разделителя давления типа TG 52/50. 180.20
7MF4997-2HF807Приварной адаптер для подключения к процессу разделителя давления типа TG 52/150. 180.20
7MF4997-2HG807Прокладки для подключения TG 52/50 или TG 52/150, материал: силикон, комплект 5 шт. 119.78
7MF8997-1AA809Монтажный уголок из нерж. стали и крепёжные элементы для SITRANS P300. 47.70
7MF8997-1BA809Крышка без стекла для SITRANS P300, без прокладки. 27.56
7MF8997-1BD809Крышка со стеклом для SITRANS P300, без прокладки. 64.66
7MF8997-1BG809Прокладка крышки для SITRANS P300, материал: NBR (резина). 5.51
7MF8997-1CA809Бирка точки измерения для SITRANS P300, без надписей. 7.63
7MF8997-1EA809Кабельный ввод М20*1,5 для SITRANS P300 (металл). 13.14
7MF8997-1EB809Кабельный ввод М20*1,5 для SITRANS P300 (пластик голубого цвета). 6.57