0

Разделы

SITRANS P относительного давления, серии ZD - Датчики относительного, абсолютного и дифдавления

SITRANS P относительного давления, серии ZD - Датчики относительного, абсолютного и дифдавления

SITRANS P измерительный преобразователь, серии ZD с цифровым индиктаором

Измерительный преобразователь SITRANS P , серии ZD, служит для измерения относительного и абсолютного давления жидкостей и газов.

Они служат для измерения и отображения давления по месту. Серия ZD имеется в радиальном (на рисунке) и осевой (плоскость индикатора перпендикулярна подключению давления) .

Особенности

  • Прочный корпус из нерж. стали с 2 вариантами подключения
  • Встроенный дисплей с сигнализацией состояния
  • Тонкопленочная изм. ячейка с керамической мембраной
  • 2-х проводная система, 4 ... 20 мА
  • Параметрирование с помощью клавиш под крышкой корпуса
  • Регулировка диапазона измерения 1:5 (макс. 1:10)
  • Точность измерения < 0,25 % (типично)

Область применения

ZD это конфигурируемый измерительный преобразователь давления для измерения избыточного и абсолютного давления газов, жидкостей и пара.

Он оборудован дисплеем для представления величин давления ена месте установки.

Измерительный преобразователь давления SITRANS P; серия ZD среди прочего используется в следующих отраслях промышленности:

  • Химия
  • Машиностороение
  • Пищевая промышленность
  • Фармацевтика
  • Кораблестроение 
  • Водоснабжение 

Дизайн

Измерительный преобразователь давления состоит из тонкопленочной изм. ячейки с керамической мембраной, платы электроники и цифрового индикатора.

Все компоненты находятся в полевом корпусе из из нерж. стали (∅ 80 мм) со стеклянной крышкой и подключением к процессу из нерж. стали.

На задней стороне корпуса находится электрическое соединение для питания с помощью токовой петли 4 ... 20 мА. Соединение осуществляется через штекерный разъем. На передней стороне корпуса находится 5-позиционный дисплей за стеклянной крышкой. Под дисплеем находятся 3 кнопки для параметрирования измерительного преобразователя давления. Над дисплеем находятся зеленый и красный СИД для индикации рабочего состояния.

Измерительный преобразователь давления ZD поставляется в 2 вариантах (см. габаритный чертеж).

В радиальном исполнении (тип A) дисплей расположен параллельно подключению к процессу. Дисплей может поворачиваться макс. на ±120°относительно подключения к процессу.

В осевом исполнении (тип B) дисплей расположен под прямым углом к подключению к процессу. Дисплей может быть повернут на 360° относительно подключения к процессу.

Функции

SITRANS P измерительный преобразователь давления, ZD серия, принцип работы

Принцип работы

Измерительный преобразователь давления ZD оборудован тонкоплёночным тензорезистором, расположенном на керамической мембране.

Изм. ячейка имеет температурную компенсацию.

Функции

Измерительный преобразователь давления ZD оборудован 5- позиционным дисплеем за стеклянной крышкой. На дисплее индицируется следующая информация:

  • Измеренное давления
  • Единица измерения двления (предустановка: бар)
  • Положительное/отрицательное превышение предельного значения, сигнализация через красный СИД и стрелочные символы на дисплее

Установка измерительного преобразователя давления осуществляется через 3 кнопки управления  за стеклянной кышкой под дисплеем.

С помощью кнопки "М" выбирается режим работы. Доступны следующиережимы работы:

  • Измеренное значение
  • Пароль
  • Единица измерения 
  • Начало и конец диапазона измерения 
  • Верхнее и нижнее предельное значение
  • Корррекция нулевой точки
  • Верхний и нижний пределы насыщения рынка
  • Электрическое демпфирование

С помощью двух других кнопок осуществляется установка значений в отдельных режимах работы.

Для контроля установленного диапазона измерения и состояния над дисплеем расположены 2 СИД.

Зеленый СИД сигнализирует, что измеренное давление лежит в границах установленных предельных значений. Красный СИД светится, если измеренное давление лежит за границами установленных предельных значений и в случае ошибки.

Технические данные

Датчик избыточного и абсолютного давления SITRANS P серии ZD

 

Принцип работы

 

Принцип измерения

тонкопленочный DMS

Вход

 

Измеряемая величина

избыточное и абсолютное давление

Диапазон измерения

Разрешение 

0 ... 2 бар (0 ... 29 psi)

0.6 мбар (0.008 psi)

0 ... 10 бар (0 ... 145 psi)

3 мбар (0.044 psi)

0 ... 50 бар (0 ... 725 psi)

15 мбар (0.218 psi)

0 ... 200 бар (0 ... 2900 psi)

60 мбар (0.9 psi)

0 ... 400 бар (0 ... 5800 psi)

120 мбар (1.8 psi)

Диапазон измерения

Граница перегрузки

0 ... 2 бар (0 ... 29 psi)

5 бар (72.5 psi)

0 ... 10 бар (0 ... 145 psi)

25 бар (363 psi)

0 ... 50 бар (0 ... 725 psi)

120 бар (1740 psi)

0 ... 200 бар (0 ... 2900 psi)

500 бар (7250 psi)

0 ... 400 бар (0 ... 5800 psi)

600 бар (8700 psi)

Регулировка диапазона измерения (Turn-down)

5:1 (макс. 10:1)

Выход

 

Выходной сигнал

4 ... 20 мA

Нижняя границатока

мин. 3.6 мA

Верхняя граница тока

макс. 23 мA

Выход защищен от

Спутывание полюсов, перенапряжение и короткое замыкание

Макс. нагрузка

R B = (UH - 12 В) / 0.023 A

Характеристика

Линейная растущая

Точность измерения

 

Погрешность измерения (вкл. нелинейность, гистерезис и повторяемость, при 25 °C)

< 0.25 % от полной величины (обычно), макс. 0.5 %

Время регулировки

< 100 мс

Долговременный дрейф

< 0,25 % от конечного значения диапазона измерения (тип.), макс. 0,5 %

Воздействие внешней температуры

 

  • Регулировка диап. измерения 1:5

< ±0,25 %/10 K от кон. знач. диапазона измер

  • Регулировка диап. измерения 1:10

±0,5 %/10 K от кон. знач. диапазона измер.

Воздействие вибрации

0,05 %/g до 500 Гц во всех направлениях (по IEC 68-2-64)

Влияние питания

< ±0,01%/V от кон. знач. диапазона измер

Условия использования

 

Внешние условия

 

  • Внешняя температура

-25 ... +85 °C (-13 ... +185 °F)

  • Температура лучшей считываемости индикатора

-10 ... +70 °C (14 ... 158 °F)

  • Температура хранения

-40 ... +85 °C (-40 ... +185 °F)

Свойства измер. вещества

 

  • Температура измеряемого вещества

-30 ... +100 °C (-22 ... +212 °F)

Класс защиты

IP65 по EN 60529

Электромагнитная совместимость

 

  • Излучение помех и помехоустойчивость

По EN 61 326/A1 прложение A (1998)

Индикация и управление

 

Дисплей

ЖКД, макс. 5 разрядов, высота цифр 9 мм

Место десятичной точки

Свободно параметрируемое

Предельные значение

Свободно параметрируемое

Индикация превышения предельного значения

ЖКД, макс. 5 разрядов, высота цифр 9мм
(↑ символ /↓ символ при +/- превышении)

Параметрирование

Через 3 кнопки

Единицы

мA или % или физ. величина (предустановка:бар)

Прочие единицы: mbar, kPa, MPa, mmH20, mH20, psi, inH20, mmHg, kg/cm², torr, atm

Демпфирование

Между 0.1 и 100 сек

(размер шага: 0.1 сек) свободно параметрируемое

Конструктивные особенности

 

Вес

≈0.6 кг (≈1.32 lb)

Электрическое соединение

Через 2-полюсный штекерный разъем с вводом кабеля M16x1,5 по EN 175301-803A, пластик

Подключение к процессу

  • Снаружи G½A и внутри G1/8A
  • G½A по EN 837-1
  • Внутренняя резьба: ½-14 NPT

Исполнение корпуса/подключения к процессу

  • Радиальное (тип A), поворот на макс. ±120° (α)

 

  • Осевое (тип B), поворот на макс. ±360°

Материал

 

Материал частей, не соприк. с измеряемым веществом

 

  • Полевой корпус 

∅ 80 мм (3.15 дюйма), нерж. сталь материал. No. 1.4016

  • Крышка 

Нерж сталь, материал No. 14016 стеклом

Материал частей, соприк. с изм веществом

 

  • Изм. ячейка

Al2O3

  • Уплотнительное кольцо

Viton

  • Подключение к процессу

Нерж. сталь, материал No. 1.4571/316Ti

Питание

 

Напряжение на клеммах изм. преобразователя (UH)

12 ... 30 В DC

Сертификаты и допуски

 

Подразделение согласно руководтству по приборам давления 97/23/EC

Для газов флюидной группы 1 и жидкостей флюидной группы 1; отвечает требованиям согласно статье 3 раздел 3 (хорошая инженерная практика)


 

Чертеж

Измерительный преобразователь давления SITRANS P, серия ZD, габаритный чертеж, размеры в мм (дюймах)

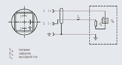
Схема подключения

Измерительный преобразователь давления SITRANS P, серия ZD, схема соединения

Заказные данные

Заказной №ОписаниеВес (кг)ДоставкаМин. зак. (шт)
7MF1580-.....ДАТЧИК ДАВЛЕНИЯ P80, ПОГРЕШНОСТЬ 0.25%, ДИНАМИЧЕСКИЙ ДИАПАЗОН 1:5, МАТЕРИАЛ КОРПУСА И ПРИСОЕДИНЕНИЙ К ПРОЦЕССУ - НЕРЖАВЕЮЩАЯ СТАЛЬ, МАТЕРИАЛ ИЗМЕРИТЕЛЬНОЙ ЯЧЕЙКИ - КЕРАМИКА, ДВУХ ПРОВОДНОЕ ПРИСОЕДИНЕНИЕ 4... 20 МА0.5по запросу (D)1

Заказные данные [PDF]

Загрузить PDF-файл.

Для просмотра информации в формате PDF необходимо установить Adobe Acrobat Reader.
Adobe Acrobat Reader