0

Разделы

SITRANS LU AO

Аналоговый выходной модуль SITRANS LU AO предоставляет для точек измерения измерительного преобразователя SITRANS LU 10 аналоговые выходы.

 


Особенности

SITRANS LU AO
  • Расстояние от аналоговых выходов до измерительного преобразователя SITRANS LU 10 макс. 1500 м (5000 ft)
  • Аналоговые выходы относятся соответственно к одному из сенсоров каждый и/или образуют среднее значение их 2 или более сенсоров.

 


Область применения

SITRANS LU AO

Аналоговый выходной модуль SITRANS LU AO предоставляет дополнительные аналоговые выходы для точек измерения измерительного преобразователя SITRANS LU 10. Параметры SITRANS LU AO устанавливаются на измерительном реобразователе SITRANS LU 10. На самом SITRANS LU AO настраиваются лишь выбор конфигурации и тест выхода.Модуль SITRANS LU AO предлагает до 10 аналоговых выходов.

Они имеют общий отрицательный опорный потенциал, имеющийгальваническую изоляцию от земли. По желанию этот опорныйпотенциал и/или экран кабеля могут быть заземлены на одномконце: либо на SITRANS LU AO, либо на массе (к примеру, компьютер клиента).

 

 


Технические данные

SITRANS LU AO

Режим работы

 

Режим работы

Выходной модуль

Вход

 

Коммуникации

Данные для SITRANS LU 10

 Скорость передачи

4800 bits/s

 Напряжение

± 20 mA биполярная токовая петля

 Поляризация

Неполяризованный

 Max. нагрузка

1 принимающий модуль

Выход

 

 Аналоговый выход

10 аналоговых выходов, программируемые с SITRANS LU 100 или 4 до 20 mA, изолированный

 ± 20 mA биполярная токовая петля

Вход и передача

- Max. нагрузка

750 

- Разрешение

0.1 %

Установленные рабочие условия

 

Окружающие температуры

 

 Окружающая температура

-20 до +50 °C (-5 до +122 °F)

 Место установки

В помещении/на улице

 Высота

2000 m max.

 Относительная влажность

Применимо для наружной установки (Тип4X / NEMA 4X / IP 65 корпус)

 Категория установки

II

 Категория загрязнения

4

Конструкция

 

Вес

2 kг (4.4 lbs.)

материал (корпус)

Поликарбонат

 Передача сигнала

2-3 медные проводники, скрученный, c фольгированным покрытием, 300 V 0.5 to 0.75 mm2 (22 to 18 AWG)

 Электрические подсоединение

Медный проводник 250 V 5 A

Напряжение питания

AC 100/115/200/230 V ± 15 %, 50/60 Hz, 15 VA

Дисплей и управление

1 LED дисплей

 время ожидания

Мин. 10 мин

Сертификат и разрешения

CE, FM, CSANRTL/C

 

 


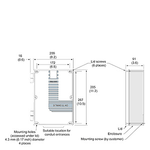
Чертеж

SITRANS LU AO

Размеры SITRANS LU AO

 


Схема подключения

SITRANS LU AO

Соединения SITRANS LU AO

 


Заказные данные

Цена на сайте указана розничная в ЕВРО без учета НДС.Для уточнения цены и размера предоставляемой скидки - звоните или присылайте заявки

Заказной номерPGОписание продуктаЦена
7ML5810-1A851SITRANS LU AO, АНАЛОГОВЫЙ ВЫХОД, ПЕРЕКЛЮЧАТЕЛЬ, СЕРТИФИКАТЫ CSA NRTL/C, FM, CE 1405.56

 


Аксессуары

Цена на сайте указана розничная в ЕВРО без учета НДС.Для уточнения цены и размера предоставляемой скидки - звоните или присылайте заявки

Заказной номерPGОписание продуктаЦена
7ML1998-5CE018ZMРУКОВОДСТВО ПО ЭКСПЛУАТАЦИИ SITRANS LU AO АНГЛИЙСКИЙ ЯЗ. 12.72
7ML1998-5CE318ZMРУКОВОДСТВО ПО ЭКСПЛУАТАЦИИ SITRANS LU AO НЕМЕЦКИЙ ЯЗ. 12.72