0

Разделы

SITRANS LR250

SITRANS LR250 - это 2-х проводной, 25 ГГц радарный преобразователь для непрерывного измерения жидкостей в технологических сосудах и емкостях для хранения с высокой температурой и давлением в диапазоне до 20 м.  

 

 


Особенности

SITRANS LR250
  • Графический локальный пользовательский интерфейс (LUI) делает все действия простыми с настройкой типа plug-and-play с помощью помощника быстрого запуска
  • LUI показывает эхо-диаграмму для диагностики системы
  • Высокая частота 25 ГГц позволяет использовать небольшие рупорные антенны для монтажа на патрубки
  • Нечувствителен к месту установке и преградам, менее чувствителен к помехам от патрубка
  • Короткая зона гашения для улучшения минимального диапазона измерений до 50 мм от конца рупорной антенны
  • Коммуникация  HART® или PROFIBUS PA
  • Интеллектуальная система усовершенствует обработку сигнала, а также делает возможным процесс автоподавления эхо-сигнала.
  • Программирование с помощью инфракрасного искробезопасного ручного программатора или SIMATIC PDM

 


Область применения

SITRANS LR250

SITRANS LR250 оснащен графическим локальным интерфейсом пользователя, улучшающим настройку и управление интуитивно понятным помощником быстрого запуска, а также с поддержкой отображения профилей эхо-сигнала в целях диагностики. Ввод в эксплуатацию осуществляется очень просто через помощника быстрого запуска, который включает в себя несколько параметров, требуемых для выполнения основных функций.

Частота в 25 ГГц обеспечивает узкий, сфокусированный луч, что позволяет использовать меньшие рупорные антенны и снижает чувствительность к преградам.

Уникальная конструкция SITRANS LR250 позволяет легко и безопасно выполнять программирование с помощью инфракрасного искробезопасного портативного программатора, не открывая крышку прибора.

SITRANS LR250 превосходно производит  измерения для веществ с низкой диэлектрической постоянной, и в небольших емкостях, а также в высоких и узких емкостях.

  • Основные применения: емкости хранения жидкостей, технологические емкости с мешалками, парящие жидкости, высокие температуры, вещества с низкой диэлектрической проницаемостью.

 


Конфигурация

SITRANS LR250

Установка SITRANS LR250

 


Технические данные

SITRANS LR250

 

Принцип работы

 

Принцип измерения

Радарное измерение уровня

Частота

K-полоса (25.0 ГГц)

Минимальный измеряемый диапазон

50 мм от конца рупорной антенны

Максимальный измеряемый диапазон

20 м, зависит от рупорной антенны

Выход

 

  • Аналоговый выход

4 ... 20 мA

  • Точность

± 0.02 мA

  • Коммуникация

HART®

Опционально: PROFIBUS PA (Profile 3.0, Class B)

  • Защита от сбоев (Fail-safe)
  • Программируется как высокий, низкий, или удержание (потеря эхо)
  • Программируемый NE 43

Характеристики (при нормальныхусловиях согласно IEC60770-1)

  • Максимальная ошибка измерения

= 3 мм

  • Влияние внешней температуры

<0.003%/K

Номинальные условияэксплуатации

 

Условия установки

 

  • Расположение

В помещении/вне помещения

Внешние условия (корпус)

 

  • Внешняя температура

-40 ... +80 °C

  • Категория установки

I

  • Степень загрязнения

4

Условия среды

 

  • Диэлектрическая постоянная εr

εr > 1.6, рупор, зависит от применений

  • Температура процесса 

-40 ... +150 °C  (на подключении к процессу с О- кольцом из FKM)

  • Давление процесса

До  40 бар (580 psi g), зависит от подключения к процессу и температуры, смотрите диаграммы давлений/температур для подробного ознакомления

Конструкция прибора

 

  • Корпус

 

  • Материал

Алюминий, с порошковымпокрытием из полиэстера

  • Кабельный ввод

2 x M20x1.5 or 2 x ½” NPT

  • Степень защиты

Type 4X/NEMA 4X, Type 6/ NEMA 6, IP67, IP68

  • Вес

< 3 кг, резьбовое соединение 3.75мм (11/2”) с рупорной антенной11/2"

  • Дисплей

Графический локальныйинтерфейс пользователя, спомощником быстрого запуска ииндикацией профиля эхо-сигнала

  • Антенна

 

  • Материал

Нерж. сталь 316L [опциональносплав N06022/2.4602 (Hastelloy® C-22® или эквивалентный)]

  • Размеры (номинальный диаметр антенны)

Стандартный рупор 1.5” (40 мм),2” (48 мм), 3” (75 мм), 4” (95 мм) иопциональное удлинение рупора100 мм (4”)

Подключение к процессу

 

  • Подключение к процессу

1½” или 2” NPT [(Taper), ANSI/ASME B1.20.1]R 1½” или 2” [(BSPT), EN 10226]G 1½” или 2” [(BSPP), EN ISO 228-1]

  • Фланец

2”, 3”, 4” (ANSI 150, 300 lbs), 50, 80, 100 мм (PN 16, 40, JIS 10K)

Используемая мощность

 

4 до 20 мA/HART

Номинал 24 В DC (макс. 30 В DC) с макс. 550 Ω

PROFIBUS PA

  • 15.0 мA
  • Согласно  IEC 61158-2

Сертификаты и допуски

 

  • Общие

CSAUS/C, CE, FM, NE 21, C-TICK

  • Радио

FCC, Industry Canada иEurope ETSI EN 302-372, C-TICK

  • Взрывоопасные зоны

 

 

  • Искробезопасность (Европа)

ATEX II 1G EEx ia IIC T4ATEX II 1D EEx tD A20 IP67 T90 °C

  • Искробезопасность (США/Канада)

FM/CSA (требуется барьер)Class I, Div. 1, Groups A, B, C, D; Class II, Div. 1, Groups E, F, G; Class III T4

  • Искробезопасность (международный)

IECEX SIR 05.0031X, Ex ia IIC T4, EX tD A20 IP67 T90 °C

  • Невоспламеняющееся (США/Канада)

FM/CSA Class I, Div. 2, Groups A, B, C, D T5

Программирование

 

  • Инфракрасный, искробезопасный, ручной программатор 

Инфракрасный приемник

  • Сертификаты для ручного программатора

Искробезопасная модель с ATEX II 1G EEx ia IIC T4, FM/CSA Class I, Div. 1,  Groups A, B, C, D

  • Ручной коммуникатор

HART 5

  • ПК

SIMATIC PDM

  • Дисплей

Графический локальный дисплей, система быстрого запуска, автоматическое подавление эхо-сигнала и эхо-диаграмма

®HART - это зарегистрированный торговый знак Hart Communications Foundation. ®Hastelloy и ®C-22 - это зарегистрированные торговые знаки Haynes International Inc.

 

 

 


Характеристика

SITRANS LR250

 SITRANS LR250 Кривая температуры

 


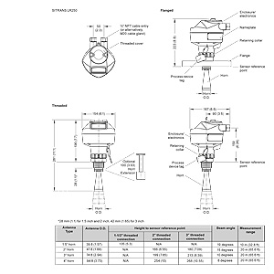
Чертеж

SITRANS LR250

Размеры SITRANS LR250

 


Схема подключения

SITRANS LR250

Подключение SITRANS LR250

 


Заказные данные

Цена на сайте указана розничная в ЕВРО без учета НДС.Для уточнения цены и размера предоставляемой скидки - звоните или присылайте заявки

Заказной номерPGОписание продуктаЦена
7ML5431-.....-....852SITRANS LR 250: 2-Х ПРОВОДНЫЙ ИМПУЛЬСНЫЙ РАДАРНЫЙ УРОВНЕМЕР, РУПОРНАЯ АНТЕННА,25 GHZ, ДИАПАЗОН ИЗМЕРЕНИЯ ДО 20 M; ДЛЯ НЕПРЕРЫВНОГО ИЗМЕРЕНИЯ ЖИДКОСТЕЙ И ШЛАМОВ В ТАНКАХ ХРАНЕНИЯ И МАТЕРИАЛОВ С НИЗКОЙ ДИЭЛЕКТРИЧЕСКОЙ КОНСТАНТОЙ 1687.52

 


Аксессуары

Цена на сайте указана розничная в ЕВРО без учета НДС.Для уточнения цены и размера предоставляемой скидки - звоните или присылайте заявки

Заказной номерPGОписание продуктаЦена
7MF4997-1DA807HART-модем с интерфейсом RS232 для подключения преобразователей к компьютеру. 414.46
7ML1930-1AP852КАБЕЛЬНЫЙ ВВОД М20 Х 1,5, МЕТАЛЛ 32.86
7ML1930-1BK852ручной программатор, искробезопасная цепь, EEX IA 148.40
A5E011515398ZM38 MM (1.5) HORN ANTENNA KIT 195.04
A5E011515538ZMKIT,100MM (4) HORN EXTENSION 1.5 PROCESS CONNECTION, LR250 338.14
A5E011515698ZM50 MM (2) STAINLESS STEEL HORN ANTENNA KIT 298.92
A5E011515718ZM75 MM (3) STAINLESS STEEL HORN ANTENNA KIT 356.16
A5E011515738ZM100 MM (4) STAINLESS STEEL HORN ANTENNA KIT 375.24
A5E011515778ZM100 MM (4) HORN ANTENNA EXTENSION KIT, 50 MM (2), 75 MM (3) AND 100 MM (4) PROCESS CONNECTION 356.16
A5E011515848ZM50 MM (2) HORN ANTENNA KIT, HASTELLOY C-22 2407.26
A5E011515858ZM75 MM (3) HORN ANTENNA KIT, HASTELLOY C-22 2407.26
A5E011515878ZM100 MM (4) HORN ANTENNA KIT, HASTELLOY C-22 2407.26
A5E011516268ZM5 DUPONT 1GR POLYBACK, PTFE GREASE KIT 136.74
A5E011568368ZMSITRANS LR250 ENCLOSURE WITH BOARD STACK, NPT CABLE INLET, APPROVAL OPTION A, WITH PROFIBUS COMMUNICATION, NO PROCESS CONNECTION 1949.34
A5E011568388ZMSITRANS LR250 ENCLOSURE WITH BOARD STACK, M20 CABLE INLET, APPROVAL OPTION A, WITH PROFIBUS COMMUNICATION, NO PROCESS CONNECTION 1949.34
A5E011568398ZMSITRANS LR250 ENCLOSURE WITH BOARD STACK, NPT CABLE INLET, APPROVAL OPTION B, WITH PROFIBUS COMMUNICATION, NO PROCESS CONNECTION 1949.34
A5E011568418ZMSITRANS LR250 ENCLOSURE WITH BOARD STACK, M20 CABLE INLET, APPROVAL OPTION B, WITH PROFIBUS COMMUNICATION, NO PROCESS CONNECTION 1949.34
A5E011568438ZMSITRANS LR250 ENCLOSURE WITH BOARD STACK, NPT CABLE INLET, APPROVAL OPTION C, WITH PROFIBUS COMMUNICATION, NO PROCESS CONNECTION 1949.34
A5E011568448ZMSITRANS LR250 ENCLOSURE WITH BOARD STACK, M20 CABLE INLET, APPROVAL OPTION C, WITH PROFIBUS COMMUNICATION, NO PROCESS CONNECTION 1949.34
A5E011568468ZMSITRANS LR250 ENCLOSURE WITH BOARD STACK, NPT CABLE INLET, APPROVAL OPTION D, WITH PROFIBUS COMMUNICATION, NO PROCESS CONNECTION 1949.34
A5E011568488ZMSITRANS LR250 ENCLOSURE WITH BOARD STACK, M20 CABLE INLET, APPROVAL OPTION D, WITH PROFIBUS COMMUNICATION, NO PROCESS CONNECTION 1949.34