0

Разделы

SITRANS LR250 с фланцевым соединением и антенной в корпусе

SITRANS LR250 с фланцевым соединением и антенной в корпусе – это с двухпроводной схемой, работающий на частоте 25 ГГц импульсный радарный уровнемер, для непрерывного контроля уровня жидкости и взвесей в резервуарах и технологических емкостях, в том числе и для агрессивных веществ или материалов, в диапазоне от 0 до 20 м (66 ft) (в зависимости от антенны).

 


Особенности

SITRANS LR250 с фланцевым соединением и антенной в корпусе
  • Полностью герметичная рупорная антенна  конструкции с FDA Fully encapsulated horn antenna design with FDA approved TFM 1600 PTFE lens for use in chemical and sanitary environments where aggressive and corrosive materials are used
  • Экономичное решение замены передатчиков, выполненных из экзотичных материалов  
  • Локализованный графический интерфейс пользователя  (LUI) позволяет начать работу по принципу  автоматической конфигурации «plug-and-play» используя интуитивно понятный  Мастер быстрого запуска (Quick Start Wizard)
  • LUI  отображает профили  уровня сигнала для поддержки диагностики
  • Использование  высокой частоты 25 ГГц и 50 мм (2 inch) технологического соединения  обеспечивают легкий монтаж антенны.
  • Минимальная зона нечувствительности , диапазон измерения – от  50мм  (2 дюйма) от края рупора
  • Поддержка коммуникационных протоколов  HART, PROFIBUS PA, или FOUNDATION Fieldbus
  • Технология обработки сигналов Process Intelligence для повышения точности измерений, автоматическое подавление ложных отраженных сигналов от неподвижных препятствий
  • Программирование осуществляется на месте установки при помощи инфракрасного искробезопасного портативного программатора или удаленно, с использованием программного обеспечения SIMATIC PDM или  Emerson AMS, а так же  инструментов Field Device Tools, таких как PACTware или  Fieldcare via SITRANS DTM

 


Область применения

SITRANS LR250 с фланцевым соединением и антенной в корпусе

SITRANS LR250 оснащен графическим локальным интерфейсом пользователя, улучшающим настройку и управление интуитивно понятным помощником быстрого запуска, а также с поддержкой отображения профилей эхо-сигнала в целях диагностики. Ввод в эксплуатацию осуществляется очень просто через помощника быстрого запуска, который включает в себя несколько параметров, требуемых для выполнения основных функций.

Частота в 25 ГГц обеспечивает узкий, сфокусированный луч, что позволяет использовать меньшие рупорные антенны и снижает чувствительность к преградам.

Уникальная конструкция SITRANS LR250 позволяет легко и безопасно выполнять программирование с помощью инфракрасного искробезопасного портативного программатора, не открывая крышку прибора.

SITRANS LR250 превосходно производит  измерения для веществ с низкой диэлектрической постоянной, и в небольших емкостях, а также в высоких и узких емкостях.

Основные применения: емкости хранения жидкостей, технологические емкости с мешалками, испарениями, высокими температурами до +170оС, с веществами с низкой диэлектрической проницаемостью dk>1.6, едких и агрессивными материалами,а так же использование в областях, где необходимая быстрая и легкая очистка, таких как пищевая промышленность и промышленность органического синтеза.

 


Конфигурация

SITRANS LR250 с фланцевым соединением и антенной в корпусе

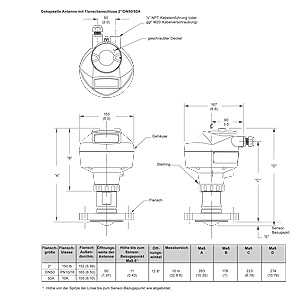
SITRANS LR250 с фланцевым соединением, размеры в мм

 


Технические данные

SITRANS LR250 с фланцевым соединением и антенной в корпусе

Технические характеристики

 

Принцип измерения

Измерение уровня с использованием радиолокационного метода

Частота

K - диапазон (25.0 ГГц)

Минимальный диапазон измерения

50 мм (2") от края излучателя

Максимальный диапазон измерения

20 м

Выход

 

  • протокол HART

Версия 5.1

  • Аналоговый выход

4 .. 20 мA

  • Погрешность

± 0.02 мA

  • Отказоустойчивость

 

  • Программно настраивается на высокий уровень, низкий уровень или удерживание при потере отражений (loss of echo)
  • Настраивается программно (NE 43)
  • PROFIBUS PA

Profile 3.1

  • Функциональные блоки

2 аналоговых входа (AI)

  • FOUNDATION Fieldbus

H1

  • Функциональность

Базовый или LAS

  • Версия

ITK 5.2.0

  • Функциональные блоки

2 Аналоговых входа (AI)

Производительность (в соответствии с нормальными условиями, IEC60770-1)

 

  • Максимальная погрешность измерений
  • > 500 мм от точки отсчета сенсора: 5 мм (0.2")
  • < 500 мм от точки отсчета сенсора: 25 мм (1")
  • Влияние температуры окружающей среды

<0.003 %/K

Номинальные условия эксплуатации

 

Условия в месте установки

 

  • Размещение

В помещении / вне помещения

Условия окружающей среды (корпус)

 

  • Температура окружающей среды

-40 .. +80 °C

  • Категория установки

I

  • Степень загрязнения

4

Параметры вещества

 

  • Диэлектрическая постоянная εr

≥ 3 (1.6 в успокоительной трубке)

  • Рабочая температура

-40 .. +80 °C на технологическом соединении

  • Рабочее давление

До 5 бар изб.давления в зависимости от температуры. См. график Давление/Температура для получения дополнительной информации

Конструкция

 

  • Корпус

 

  • Материал

Алюминий, полиэфирное порошковое покрытие

  • Кабельный ввод

2 x M20x1.5 or 2 x ½" NPT

  • Степень защиты

Type 4X/NEMA 4X, Type 6/NEMA 6, IP67, IP68

Вес ( зависит от типа технологического соединения)

  • 7 кг (15.43 lb) для 2" классаs 150 ASME B16.5 фланец с выступом (минимальный размер)
  • 17.7 kg (39.02 lb) для 6" класса 150 ASME B16.5 фланец с выступом (максимальный размер)

Дисплей (локальный)

Локальный графический интерфейс пользователя, включая "Мастера быстрого запуска" и отображающиеся на дисплее профили эхо

Антенна

 
  • Материал

Нержавеющая сталь316L (1.4435 или 1.4404) и TFM 1600 PTFE Lens

  • Габариты (номинальные размеры рупора)

48 мм (2 inch), 80 мм (3 inch), 100 мм (4 inch), 150 мм (6 inch)

Технологическое соединение

 

Фланцевое соединение

Выступающий торец

 
  • 2, 3, 4, 6" Класс 150 ASME B16.5
  • 50A, 80A, 100A, 150A 10K JIS B 2220
  • DN 50, DN 80, DN 100 & DN 150 PN10/16 EN 1092-1 тип B1

Электропитание

 

4 ... 20 mA/HART

Номинал: 24 V DC (макс. 30 V DC) с макс. 550 Ω

PROFIBUS PA

  • 15 mA
  • per IEC 61158-2

FOUNDATION Fieldbus

  • 20.0 mA
  • per IEC 61158-2

Сертификационная и утвердительная документация

 

Общие

CSAUS/C, CE, FM, RCM

Радиочастоты

FCC, Industry Canada and Europe ETSI EN 302-372, RCM

Зоны с повышенной опасностью

 
  • Взрывозащита (Бразилия)

INMETRO Ex d ia mb IIC T4 Ga/Gb, Ex ia ta IIIC T100 °C Da

  • Повышенная защита (Бразилия)

INMETRO Ex e ia mb IIC T4 Ga/Gb, Ex ia ta IIIC T100 °C Da

  • Искробезопасность (Бразилия)

INMETRO Ex ia IIC T4 Ga, Ex ia ta IIIC T100 °C Da

  • Взрывозащита (Канада/США)

CSA/FM Класс I, Сек. 1, Группы A, B, C, D; Класс II, Сек. 1, Группы E, F, G; Класс III T4

  • Искробезопасность (Канада/США)

CSA/FM Класс I, Сек. 1, Группы A, B, C, D; Класс II, Сек. 1, Группы E, F, G; Класс III T4

  • Не дающий искру (Канада/США)

CSA/FM КлассI, Сек. 2, Группы A, B, C, D T5

  • Негорючесть/Искробезопасность (Китай)

NEPSI Ex d mb ia IIC T4/ Ex e mb ia IIC T4, Ex ia ta IIIC T100 °C

  • Искробезопасность (Китай)

NEPSI Ex ia IIC T4, Ex ia ta IIIC T100 °C

  • Искробезопасность/ с ограниченной энергией (Китай)

NEPSI Ex nA IIC T4

  • Искробезопасность (Европа)

ATEX II 1G Ex ia IIC T4 ATEX II 1D Ex ia ta IIIC T100 °C Da

  • Искробезопасность/ с ограниченной энергией (Европа)

ATEX II 3G Ex nA IIC T4 Gc

  • Невоспламеняемость (Международные/Европейские стандарты)

IECEx/ATEX II 1/2 GD, 1D, 2D Ex d mb ia IIC T4 Ga/Gb, Ex ia ta IIC T100 °C Da

  • Повышенная безопасность (Международные/европейские стандарты)

IECEx/ATEX II 1/2 GD, 1D, 2D, Ex e mb ia IIC T4 Ga/Gb, Ex ia ta IIIC T100 °C Da

  • Искробезопасность (международные стандарты)

IECEx/ATEX II 1 G Ex ia IIC T4 Ga, IECEx/ATEX II 1D Ex ia ta IIIC T100°C Da

  • Взрывозащита (Россия)

GOST-R Ex d

  • Повышенная безопасность (Россия)

GOST-R Ex e

  • Искробезопаснотсь (Россия)

GOST-R Ex ia

Программирование

 

  • Искробезопасный портативный программатор Siemens

Инфракрасный приёмник

  • Разрешения для портативного компьютера

Искробезопасная модельl:ATEX II 1 GD Ex ia IIC T4 GaEx ia D 20 T135°C Ta = -20 to+50 °CCSA/FM Класс I, II, III, Сек. 1.,Группы A, B, C, D, E, F, G, T6Ta = +50 °CIECEx SIR 09.0073

  • Портативный коммуникатор

Коммуникатор HART 375/475

  • ПК
  • SIMATIC PDM
  • Emerson AMS
  • SITRANS DTM (для подключения к инструментам FDT, например PACTware или Fieldcare)
  • Дисплей (локальный)

Локальный графический интерфейс пользователя предоставляет возможность автоматического конфигурирования при помощи "Мастера быстрого запуска", так же на дисплее отображаются профили эхо.

 


Характеристика

SITRANS LR250 с фланцевым соединением и антенной в корпусе

SITRANS LR250 с фланцевым соединением и антенной в корпусе, размеры указаны в мм

SITRANS LR250 с фланцевым соединением и антенной в корпусе, график отношения давление/температура

SITRANS LR250 с фланцевым соединением и антенной в корпусе, график отношения давление/температура

 


Чертеж

SITRANS LR250 с фланцевым соединением и антенной в корпусе

SITRANS LR250 с фланцевым соединением и антенной в корпусе, размеры указаны в мм

SITRANS LR250 с фланцевым соединением и антенной в корпусе, размеры указаны в мм

 


Схема подключения

SITRANS LR250 с фланцевым соединением и антенной в корпусе

SITRANS LR250 схема подключения