0

Разделы

Скачать Заказные данные 
SITRANS FCT030

Работа FCT030 основана на последних достижениях в технологии обработки цифровых сигналов, этот расходомер спроектирован для высокой скорости измерений , быстрого реагирования на шаг потока, быстрого дозирования, с повышенной защитой от шума измерений, а так же для простоты установки, эксплуатации и обслуживания.

Так же передатчик FCT030 обеспечивает подлинное измерение нескольких параметров таких как: масса, объем, точный объем, плотность, температура и фракция.

К FCT030 IP67 передатчику можно подключить удаленный или компактный датчик типа FCS400, и любого размера от DN 15 до DN 80.

 


Особенности

Скачать Заказные данные 
SITRANS FCT030
Рассчет и измерение потока
  • Предназначен для расчета массового расхода по запатентованной технологией DSP
  • Быстрое дозирование и шаг потока с максимальным временем отклика 10мс.
  • 100 Гц частота обновления всеми выходами
  • Максимальное устаревание информации от  получения до вывода составляет 20 мс (два цикла обновления)
  • Низкий расход не зависит от  настройки прекращения подачи для измерения  массы и объема
Операции и отображение
  • Настраиваемый пользователем операционный дисплей
  • Полный графический дисплей 240 х 160 пикселей, отображающий до 6 программ
  • Очевидная обработка сигналов тревоги /ведение журнала в текстовом формате
  • Текст справки по всем измеряемым параметрам автоматически появляется в меню конфигурации
  • Клавиатура может быть использована для контроля дозировки, как Пуск/остановка/ удержание/сброс
  • SensorFlash технологии хранят специфическую систему документации по производству конкретного устройства,  и обеспечивают съемную память всех  настроек и функций расходомера
  • Сертификат калибровки
  • Тестовые сертификаты на материалы и испытание давлением (по заказу)
  • Энергонезависимая память для оперативного резервного копирования данных
  • Передача конфигурации пользователя, для других расходомеров
Безопасность и сигнализация
  • Расширенные возможности диагностики и сервисного меню облегчают поиск и устранение неисправностей и проверке измерителя
  • Настройка верхних и нижних порогов сигнализации и опасных пределов  для всех значений процесса
  • Обработка аварийных сигналов может быть выбрана по стандартам конфигураций Siemens и NAMURРазработанные с нуля, и сертифицированные интегрированные уровни безопасности:- SIL 3) для программного обеспечения- SIL 2 для оборудования и механики- SIL 3 для системы с резервированием оборудования
  • В отличие от многих устройств, которые сертифицированны на практике,SITRANS FC430   имеет сертифицированную конструкцию, которая получила наиболее высокую квалификацию, и является  более надежной для внедрения системой безопасности.
Выводы и управление
  • Встроенный контроллер дозирования, компенсации и контроля, состоящий из 3 встроенных счетчиков
  • Многопараметрические выходы, индивидуально настраиваемые для измерения расхода, объема, точного объема, плотности, температуры или части потоков (такие как °Brix or °Plato )
  • До четырех каналов ввода/вывода настроеных следующим образом:
Канал 1

Канал 1 от 4 до 20 мА  имеет аналоговый выход HART 7.2, который может быть проверен и установлен для безопасности критически важных приложений (SIL 3). Текущий сигнал может быть настроен для расхода , объема или плотности.

Канал 2

Канал 2-выход сигнала, который может быть свободно сконфигурирован для любой переменной процесса:

  • Аналоговый токовый (0/4-20 мА)
  • 3 этапный аналоговый клапан контроля дозирования
  • Частота или импульс
  • Один или два дискретных  клапана управления дозированием в сочетании с 3 или 4 каналами
  • Рабочее и аварийное состояние
Каналы 3 и 4

Каналы 3 и 4 могут быть заказаны со сигнала (свободная конфигурация для любой переменной процесса) или релейных выходов, или входного сигнала.

Сигнал

Выходной сигнал может быть настроен пользователем на:

  • Аналоговый токовый (0/4-20 мА)
  • 3 этапа аналогового клапана контроля дозирования
  • Частоту или пульс
  • Избыточные или частоты пульса (ссылка на 2 Канал)
  • Один или два дискретных клапана контроля дозирования
  • Рабочее и аварийное состояние
Реле

Релейный выход(s) может быть настроен для:

  • Один или два дискретных клапана контроля дозирования
  • Статус операции, в том числе направление потока
  • Состояния тревоги
Входной сигнал

Входной сигнал может быть настроен пользователем для

  • Контроль дозирования
  • Функции сброса счетчика
  • Усиления или приостановки

Сигнальные выходы и входы можно отдельно назначать как активными или пассивными. При эксплуатации и обслуживании всех выходов могут понадобиться предустановленные значения  для моделирования, поверки или калибровки.

Сертификаты и допуски

В кориолисовом расходомере FC430 программа была разработана с нуля, и соответствует требованиям международных стандартов и правил.

 


Область применения

Скачать Заказные данные 
SITRANS FCT030

Расходомеры SITRANS FC430, пригодны для применения в течение всего производственного процесса, где существует спрос на точное измерение расхода. Счетчик способен измерять как жидкости, так  и газы.Кориолисовые расходомеры могут быть применены во всех отраслях промышленности, таких как:

  • Химическая и фармацевтическая промышленность: при производстве моющих средств, химикатов, кислот, щелочей, лекарственных средств, препаратов крови, вакцин, инсулина.
  • Пищевая промышленность, производящая молочные продукты, пиво, вино, безалкогольные напитки, АС Brix/АС Платона, фруктовые соки и пюре, розлива, CO2 дозирования, CIP/SIP-жидкости и т.д.
  • Автомобилестроение: впрыскивание топлива, насадка и тестирование насосов, заполнение блоков переменного тока и многое другое.
  • Нефть и Газ: заправка газовых баллонов, контроль печей, тестирование сепараторов.
  • Нефтехимическая промышленность: переработка нефти, изготовление производных, полимеризации
  • Вода и сточные Воды: дозирования химических реагентов для очистки воды

Многочисленные выходы и связь с шиной означает, что информацию обо всех процессах можно прочитать либо мгновенно (10 ms update) или периодически по мере эксплуатации АЭС.

 


Дизайн

Скачать Заказные данные 
SITRANS FCT030

Передатчик SITRANS FCT030 сконструирован в соответствии с IP67/NEMA 4X алюминиевым корпусом с антикоррозионным покрытием. Можно подключить удаленный или компактный датчик типа FCS400  размером DN 15 и DN 25 DN 50 или DN 80.

FCT030 доступна как стандарт с 1 выводом для, HART 7.2 , а так же могут быть установлены дополнительные функции ввода/вывода с помощью дополнительных модулей. Передатчик имеет модульную конструкцию с дискретными, сменными электронными модулями и соединительными платами поддерживающие разделение функций, для облегчения сервисного обслуживания. Все модули полностью прослеживаются,  а их появление, предусмотрено  в установке передатчика.

SensorFlashSensorFlash это стандарт для микро-SD-карты с возможностью обновления ПК. Он поставляется с каждого датчика с полным комплектом документов по сертификации, в том числе отчет о калибровке.  Материал, испытания давлением, заводские сертификаты соответствия и допуски являются необязательными при оформлении заказа.

Устройство памяти Siemens SensorFlash  обеспечивает следующие возможности и преимущества:

  • Любые подобные передатчики автоматически программируются (в секундах) для стандартных операций
  • Замена передатчика возможна менее чем за 5 минут.
  • Настоящий "plug & play", который обеспечивает  интегрированную кросс-проверка целостности данных и HW/SW проверку версии
  • Постоянные базы данных, операционной и функциональной информации с того момента как расходомер включен
  • Новые обновления встроенного ПО, могут быть скачаны с  Интернет портала Сименс и размещены на SensorFlash ( с помощью SD карты). Прошивка затем вставляется в существующий расходомер и система обновлена.

 


Функции

Скачать Заказные данные 
SITRANS FCT030

Доступны следующие функции:

  • Измерение массы, объема, расхода, плотности, температуры процесса, фракции потока
  • При заказе можно сконфигурировать до  четырех каналов выход/вход каналов
  • Можно индивидуально настроить вывод показателей массы, объема, плотности и др.3 встроенных счетчика, которые могут считать положительные, отрицательные  или чистые потоки
  • Регулируемая отсечка малого расходаРегулируемая отсечка по плотности или  пустой трубе
  • Регулируемое направление потока
  • Система предупреждения, состоящая из журнала, и таймера ожидания решения
  • Регистратор данных обновляется каждые 10 минут с оперативными данными, такими, как работоспособность системы, счетчик значения всех конфигураций и данных, необходимых для перехода прав собственности (передача продуктов потребителю) по требованиям OIML R117
  • Отображение времени работы с часами реального времени. Переход на летнее время не реализован
  • Одно/двунаправленные измерения расхода
  • Расход выходы свободно конфигурируемом между максимально отрицательным и максимально положительным потоком в соответствии с датчиком мощности
  • Концевые выключатели для программируемых  значений расхода, плотности, температуры или фракции процесса.
  • Предельные  точки могут быть классифицированы как предупреждение и сигнал для передачи значения как выше, так и ниже номинальных  условий процесса
  • Шумовой фильтр для оптимизации выполнения измерений в неидеальных условиях применения. 5-этапов насосных фильтров компенсируют колебания стока, вызванные, к примеру, односторонними действиями поршневых насосов
  • Полный контроль дозирования с 5 наборами команд, конфигурируемые пользователем
  • Автоматическая установка нуля, вывод  на дисплей меню для установки нулевой точки
  • Полное меню для эффективного обслуживания счетчика, а так же для поиска и устранения неисправностей
  • Точное измерение температуры обеспечивает оптимальную точность расхода, плотности и фракции потока.
  • Расчет фракции течения базируется на  алгоритме сравнения уже известных показателей. Пользователи могут либо выбрать из списка предварительно настроенных фракций, таких как °Brix или "Этанол в воде", либо заказать конкретную калибровку фракции для точного соответствия данных условиях процесса. Все расчеты фракции имеют погрешность в пределах 0.1 %.

 


Технические данные

Скачать Заказные данные 
SITRANS FCT030

Технологическая среда

  • Жидкости группы 1 (подходит для suitable for dangerous fluids)
  • Смеси: Пасты/легкие шламы/простой и сжиженный газ

Число технологических параметров

7

Измерение

  • Массы
  • Объема
  • Плотности
  • Температура технологической среды
  • Скорректированный объем
  • Базовая плотность
  • Фракция A
  • Фракция В
  • Фракция A %
  • Фракция B %

Текущая производительность

 

Сила тока

0 … 20 мA или 4 … 20 мA (Канал 1 только от 4 до 20 мA)

Напряжение

< 500 В на каждый канал

Постоянная времени

0 … 100с (регулируется)

Цифровой выход

 

Импульс

41.6 µс … 5 с длительность

Частота

0 … 10 kГц, 50 % коэффициэнт заполнения, 120 % режим предоставления

Постоянная времени

0 … 100 с (регулируется)

Активный

0 … 24 V DC, 110 mA, short-circuit-protected

Пассивный

3 … 30 V DC, max. 110 mA

Реле

 

Тип

Переключение-перенапряжение- свободный контакт

Напряжение

30 V AC/100 mA

Функции

Сигнал уровня, сигнал по количеству, пределу, направлению потока

Цифровой вход

 

Напряжение

15 … 30 V DC (2 … 15 mA)

Функциональность

Старт/стоп/задержка/продолжение дозирования, настройка точки отсчета, сброс счетчика 1 и 2, усилить выход, блокировка

Гальваническая изоляция

Все входы и выцходы имеют гальваническую изоляцию, предельно допустимое значение 500 В.

Отсечка

 

Малый поток

0 … 9.9 % от максимального потока

Предельная функция

Измерение массы, объема, фракции, плотности, температуры.

Счетчик

Два восьмиразрядных счетчика для прямого, обратного и абсолютного потока

Диспей

  • Задняя подсветка с алфавитно - цифровым текстом, 3 ´ 20 символов отображают расход, счетчики, настройки и неисправности.
  • Постоянная времени соответствует выходу 1
  • Обратный поток отображается со знаком минуса

Регулировка точки отсчета

Посредством клавиатуры или удаленно, при помощи циврового входа

Температура окружающей среды

 

Работа

 
  • Передатчик

-40 … +60 °C (-40 … +140 °F), (влажность max. 95 %)

  • Дисплей

-20 … +60 °C (-0 … 140 °F)

Хранение

 
  • Передатчик

-40 … +70 °C (-40 … +178 °F) (влажность max. 95 %)

  • Дисплей

-20 … +70 °C (-0 … 178 °F)

Протоколы коммуникации

HART 7.2

Корпус

 

Материал

Алюминий

Маркировки

IP67/NEMA 4X to IEC 529 и DIN 40050 (1 mH2O для 30 мин.)

Уровень шума

18 … 1000 Гц рандомно, 3.17 г RMS, во все направления, IEC 68-2-36

Источники питания

 

Электропитание

18.5 … 300 V DC/85 … 260 V AC, 50 … 60 Гц

Пульсация

Не ограничена

Энергопотребление

7.5 W/15 VA

EMC Характеристики

 

Излучение

EN/IEC 61000-6-4 (Industry)

Помехозащищенность

EN/IEC 61000-6-2 (Industry)

NAMUR

В пределах основных требований с ошибкой критерия A в соответствии с NE 21

Окружающая среда

В пределах основных требований с ошибкой критерия А в соответствии с NE 21

Соответствует с условиями IEC/EN/UL 61010-1

  • Высота над уровнем моря до 2000 м
  • Степень загрязнения 2

Техническое обслуживание

Расходомер имеет встроенную систему, которая на регулярной основе производит проверку на наличие неисправностей и оставляет сообщение о неисправностях до их разрешения.

Уплотнители для кабеля

Уплотнители доступны из нейлона, никелированной латуни или из нержавеющей стали (316L/W1.4404) в следующем диапазоне:

  • M20
  • ½" NPT

Кабель

Стандартный промышленный кабель до 200 м в длину с двумя экранированными витыми парами или 4 провода под общим экраном могут находиться под датчиком или передатчиком. Сименс предлагает кабели с предварительной обрезкой и подготовленные к непосредственному соединению.

Допуски

 

Взрывоопасные зоны

  • ATEX Ex II 2(1) GDEx d e [ia] ia IIC T6 Gb
  • FM/CSA Класс1 Сек. 1
  • IEC Ex II 2(1) GDEx d e [ia] ia IIC T6 Gb

Custody transfe

  • OIML R117 тип допусков для широкого разнообразия жидкостей отличных от воды
  • NTEP (США) тип допуска для широкого разнообразия жидкостей

Оборудование работающее под давлением

  • PED
  • CRN
  • Unfired pressure vessels (Великобритания)

Гигиенические

  • EHEDG для всех датчиков
  • 3 A для гигиенических вариантов датчиков
  • Внешняя очищаемость EHEDG и 3 A правила

Сертификаты

 

Safety Integration Level (только для компактных версий)

  • SIL 3 для ПО
  • SIL 2 для оборудования
  • SIL 3 для сложных аппаратных систем

CE оценка

  • Оборудование под давлением
  • Низковольтное
  • WEEE
  • RoHS

Региональные сертификаты

  • C-TICK (Австралия и Новая Зеландия EMC)
  • NEPSI (Китай Ex)
  • TISS (Япония)

 


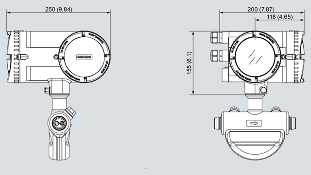
Чертеж

Скачать Заказные данные 
SITRANS FCT030

SITRANS FCT030, compact verson, dimensions in mm (inch)

SITRANS FCT030, remote verson, dimensions in mm (inch)

 


Заказные данные

Скачать Заказные данные 

Цена на сайте указана розничная в ЕВРО без учета НДС.Для уточнения цены и размера предоставляемой скидки - звоните или присылайте заявки

Заказной номерPGОписание продуктаЦена
7ME460.-.....-....848SITRANS CORIOLIS TRANSMITTER FOR SENSOR SERIE FC400 0.00

 


Аксессуары

Скачать Заказные данные 

Цена на сайте указана розничная в ЕВРО без учета НДС.Для уточнения цены и размера предоставляемой скидки - звоните или присылайте заявки

Заказной номерPGОписание продуктаЦена
A5E03548971848SPAREPART SITRANS FCT030 DISPLAY AND KEYPAD 893.58
A5E03549098848SPAREPART SITRANS FCT030 REMOTE VERSION SENSOR INTERFACE CASSETTE 566.04
A5E03549142848SPAREPART SITRANS FCT030 COMPACT VERSION SENSOR INTERFACE CASETTE 954.00
A5E03549191848SPAREPART SITRANS FCS400 REMOTE VERSION DSL CASSETTE 1007.00
A5E03549295848SPAREPART SITRANS FCT030 BLIND LID SMALL (85 MM) 191.86
A5E03549313848SPAREPART SITRANS FCS400 SENSOR HOUSING METRIC 257.58
A5E03549324848SPAREPART SITRANS FCS400 BAG OF LOOSE PARTS FOR SENSOR 191.86
A5E03549344848SPAREPART SITRANS FCT030 DISPLAY LID 266.06
A5E03549357848SPAREPART SITRANS FCT030 TRANSMITTER CASSETTE HART (ACTIVE) 1200.98
A5E03549383848SPAREPART SITRANS FCT030 TRANSMITTER CASSETTE HART (PASSIVE) 1128.90
A5E03549396848SPAREPART SITRANS FCT030 BAG OF LOOSE SPARE PARTS 399.62
A5E03549413848SPAREPART SITRANS FCT030 POWER SUPPLY 85-264 V AC (50/60 HZ) 18.5-100 V DC 827.86
A5E03549429848SPAREPART SITRANS FCT030 BLIND LID LARGE (122 MM) 185.50
A5E03722877848ACCESSORY SITRANS FC430 SERVICE TOOLKIT HAND TOOLS FOR ELECTRONIC AND MECHANICAL MAINTENANCE 355.10
A5E03830623848ACCESSORY SITRANS FCS400 HEATING JACKET DN15 ELECTRIC 2740.10
A5E03830624848ACCESSORY SITRANS FCS400 HEATING JACKET DN25 ELECTRIC 3034.78
A5E03830625848ACCESSORY SITRANS FCS400 HEATING JACKET DN50 ELECTRIC 4247.42
A5E03830626848ACCESSORY SITRANS FCS400 HEATING JACKET DN80 ELECTRIC 6425.72
A5E03839193848ACCESSORY SITRANS FCS400 HEATING JACKET CONTROLLER 230 VAC 1228.54
A5E03839194848ACCESSORY SITRANS FCS400 HEATING JACKET CONTROLLER 115 VAC 1343.02
A5E03906080848SPAREPART SITRANS FCS400 REMOTE VERSION SENSOR HOUSING NPT 259.70
A5E03906091848SPAREPART SITRANS FCT030 REMOTE VERSION MOUNTING BRACKET KIT WALL AND PIPE MOUNTING 212.00
A5E03906095848SPAREPART SITRANS FCS400 REMOTE VERSION M12 OPTION FOR DSL HOUSING 517.28
A5E03906104848SPAREPART SITRANS FCT030 REMOTE VERSION SOCKET, M12 PEDESTAL 498.20
A5E03906112848SPAREPART SITRANS FCT030 REMOTE VERSION TERMINAL HOUSE M20 PEDESTAL 626.46
A5E03906130848SPAREPART SITRANS FCT030 REMOTE VERSION TERMINAL HOUSE 1/2 NPT PEDESTAL 626.46
A5E03907414848ACCESSORY SITRANS FC430 BAG OF GLANDS BLACK PLASTIC (METRIC) 196.10
A5E03907424848ACCESSORY SITRANS FC430 BAG OF GLANDS EX E/I PLASTIC (METRIC) 218.36
A5E03907429848ACCESSORY SITRANS FC430 BAG OF GLANDS STST (METRIC) 2087.14
A5E03907430848ACCESSORY SITRANS FC430 BAG OF GLANDS NIPLATEDBRASS (METRIC) 906.30
A5E03907435848ACCESSORY SITRANS FC430 BAG OF GLANDS BLACK PLASTIC (NPT) 191.86
A5E03907451848ACCESSORY SITRANS FC430 BAG OF GLANDS EX E/I GREY PLASTIC (NPT) 201.40
A5E03907473848ACCESSORY SITRANS FC430 BAG OF GLANDS NIPLATEDBRASS (NPT) 1015.48
A5E03914805848CABLE 5 M, (M12) GREY 371.00
A5E03914833848CABLE 5 M, (TERM.) GREY 198.22
A5E03914849848CABLE 10 M, (TERM.) GREY 288.32
A5E03914850848CABLE 10 M, (M12) GREY 451.56
A5E03914853848CABLE 25 M, (M12) GREY 683.70
A5E03914854848CABLE 25 M, (TERM.) GREY 519.40
A5E03914856848CABLE 50 M, (TERM.) GREY 912.66
A5E03914859848CABLE 50 M, (M12) GREY 1076.96
A5E03914861848CABLE 75 M, (M12) GREY 1469.16
A5E03914864848CABLE 75 M, (TERM.) GREY 1305.92
A5E03914873848CABLE 150 M, (TERM.) GREY 2469.80
A5E03914874848CABLE 150 M, (M12) GREY 2630.92
A5E03914929848CABLE 5 M, (M12) BLUE (EX) 480.18
A5E03914945848CABLE 5 M, (TERM.) BLUE (EX) 298.92
A5E03914962848CABLE 10 M, (M12) BLUE (EX) 560.74
A5E03914973848CABLE 10 M, (TERM.) BLUE (EX) 379.48
A5E03914984848CABLE 25 M, (TERM.) BLUE (EX) 628.58
A5E03914995848CABLE 25 M, (M12) BLUE (EX) 807.72
A5E03915004848CABLE 50 M, (M12) BLUE (EX) 1223.24
A5E03915015848CABLE 50 M, (TERM.) BLUE (EX) 1063.18
A5E03915057848CABLE 75 M, (TERM.) BLUE (EX) 1478.70
A5E03915074848CABLE 75 M, (M12) BLUE (EX) 1674.80
A5E03915088848CABLE 150 M, (M12) BLUE (EX) 2949.98
A5E03915100848CABLE 150 M, (TERM.) BLUE (EX) 2729.50
A5E03915258848SPAREPART SITRANS FCT030 SENSORFLASH 1 GB MICRO SD CARD 152.64
A5E03939114848SPAREPART SITRANS FCT030 I/O CASSETTE QUOTE FNN OPTION FROM PRODUCT CODE 977.32