0

Разделы

Системная информация и руководство по выбору
Системная информация и руководство по выбору

Расходомеры SITRANS F US Clamp-on

FUS 1010 (Стандартный)

FUS 1020 (Базовый)

FUP 1010 (Портативный)

FUE 1010 (Энергия)

FUH 1010 (Нефть)

FUG 1010 (Газ)

Сфера применения - тип жидкости

Вода и водные растворы

X

X

X

 

 

 

Районное отопление, охлаждение

X

 

X

X

 

 

Химикаты

X

X

X

 

 

 

Углеводороды/нефтехимия, несколько продуктов илипеременная вязкость, сжиженные газы, объемы нетто и брутто

 

 

 

 

X

 

Объем брутто углеводородов (один продукт с ограниченным диапазоном вязкости)

X

 

 

 

X

 

Очень низкий расход (<10 л/м) в маленьких трубах

X

X

X

 

 

 

Природный газ

 

 

 

 

 

X

Технологический газ

 

 

 

 

 

X

Суспензии или жидкости с высоким процентомнерастворенных газов

X

 

X

 

 

 

Высокотемпературные жидкости > 120 °C

X1)

X1)

X1)

X1)

X1)

 

Авиакосмические или гидравлические тесты

X2)

 

X2)

 

 

 

Охлаждающие жидкости

X

X

X

X

 

 

Пищевые продукты

X

X

X

 

 

 

Конструкция

Полевое подключение clamp-on (неинтрузивное)

X

X

X

X

X

X

Возможность гибридного допплеровского эффекта Doppler (Reflexor)

X

 

X

X

 

 

Измерение толщины стенки (принадлежность)

 

 

X

X3)

 

 

Стандартный объемный или массовый расход; по API 2540

 

 

 

 

X

 

Определение границы  раздела

 

 

 

 

X

 

Вывод плотности

 

 

 

 

X

 

Стандартный объемный или массовый расход; по AGA 8

 

 

 

 

 

X

Дифф. температура с вычислением энергии

 

 

 

X

 

 

Измерение температуры

X

 

X

X

X

X

Аналоговый вход

X

 

X

X

X

X

Большой графический дисплей (опция)

X

 

X

X

X

X

Диагностическое ПО для ПК (DataView)

X

X

X

X

X

X

Количество акустических лучей и каналов

1-канальный

X

X

X

X

X

X

2-дорожечный

X

X

X

X

X

X

2-канальный с арифметической функцией

X

X

X

X

 

 

4-дорожечный / (спец. заказ)

X

 

 

 

X

X

4-канальный с суммированием активных каналов

X

 

 

 

 

 

Степень защиты

IP65 (NEMA 4)

 

X

 

 

 

 

IP65 (NEMA 4X)

X

 

 

X

X

X

IP67

 

 

X

 

 

 

IP40 (NEMA 1)

 

 

X

X

 

 

IP65 (NEMA 7) компактный

X

 

 

 

X

X

IP66 (NEMA 7) монтаж на стену

X

 

 

 

X

X

1) Спецзаказ высокотемпературный преобразователь с подключением clamp-on

2) Спецзаказ рекомендуется авиакосмический прикрепляющийся преобразователь

3) Доступен с портативными системами энергоизмерения

 

 

SITRANS F US Clamp-on meters

FUS 1010 (Стандартный)

FUS 1020 (Базовый)

FUP 1010 (Портативный)

FUE 1010 (Энергия)

FUH 1010 (Нефть)

FUG 1010 (Газ)

Питание

Работа от внутренней батареи

 

 

X

X1)

 

 

Устройство для зарядки батареи (90 ... 240 V AC 50 ... 60Гц) с сетевым шнуром для конкретной страны

 

 

X

X1)

 

 

90 ... 240 VAC, 50 ... 60 Гц

X

X

 

X

X

X

9 ... 36 V DC

X

X

 

X

X

X

Стандартный диапазон внешних диаметров труб (большие размеры имеются в виде спецзаказа)

6.5 ... 1220 мм

X

X

X

 

 

 

38 ... 1220 мм

 

 

 

X

X

X

Допуски

FM / CSA CLASS I DIV 12)

X

 

 

X

X

X

ATEX

X

 

 

 

X

X

UL / ULc / CE3)

 

X

X

X

 

 

1) Доступен с портативными системами энергоизмерения

2) NEMA 4X сопутствующее оборудование в DIV 2 подключаемое к преобразователям DIV 1, NEMA 7 взрывонепроницаемое оборудование в DIV 1 подключаемое к преобразователям DIV 1

3) Только обычные, неклассифицированные зоны

 

Руководство по выбору типа преобразователя
 

Стандартные преобразователи с поддержкой в MLFB

 

Условия применения. Обязательно учесть перед выбором

Стандартноеподключение clamp-on

Высокая точность

Стандартное подключение clamp-on

Универсальный

Стандартное Doppler

(Reflexor)

Примечание

Среда

 

 

 

 

Общее наблюдение (чистые жидкости) в стальных и не стальных трубах

 

X

O

 

Общее наблюдение (чистые жидкости) вограниченном диапазоне стальных труб

X

 

O

 

Умеренно газированная жидкость или взвесь

X

 

 

 

Сильно газированная жидкость или взвесь

O

O

X

Высокотемпературные доплеровскиепреобразователи также имеются как спецзаказ

Фиксированная установка на стальную трубу(чистые жидкости)

X

 

O

 

Установка на внебереговое или коррозионноеокружение

O

O

O

Как спецзаказ имеются коррозионно-стойкиепреобразователи

Температура жидкости выше 120 °C

O

O

O

Как спецзаказ имеются высокотемпературныеметаллические блочные преобразователи (до230 °C)

Работа в одном трубопроводе с несколькимипродуктами

X

O

 

 

Природный или технологический газ

X

O

O

По всем газовым приложениям проконсультируйтесь с торговым представителем

Материал трубы

 

 

 

 

Стальная труба с температурой жидкости > 60 °C

X

X

 

Как спецзаказ могут быть запрошеныпреобразователи высокой точности длятемператур > 60 °C но < 120 °C

Сталь

X

 

O

 

Стальная труба с соотношением диаметр /толщина стенки <10

O

X

 

 

Материал трубы, отличный от стали (медь,мягкое железо, чугунная отливка и т.д.)

O

X

 

Преобразователи высокой точности могут такжеиспользоваться на пластиковых и алюминиевыхтрубах

Толщина стенки > 25.4 мм

O

X

 

 

O = не пригоден

 

 

 

X = рекомендуемый выбор

 

 

 

 

 


Функции

Системная информация и руководство по выбору
Принцип действия

Система SITRANS FUS1010 - это ультразвуковой измеритель на основе времени прохождения, обеспечивающий исключительные показатели благодаря бесконтактному подходу с подключением clamp-on. Ультразвуковые преобразователи передают и принимают акустические сигналы непосредственно через стенку существующей трубы, где угол отражения жидкости определяется законом Снеллиуса об отражении.

Преобразователь с подключением сlamp-on, смонтированный в конфигурации с отражением

Угол отражения луча вычисляется следующим образом:

sin Ө = c / Vϕ

c = Скорость звука в жидкости

Vϕ = Фазовая скорость (константа в стенке трубы)

Расходомер автоматически компенсирует любые изменения скорости звука в жидкости (или угол луча) в ответ на изменения в среднем времени прохождения между преобразователями A и B. Путем вычитания вычисленного фиксированного времени (внутри преобразователя и стенок трубы) от измеренного среднего времени прохождения, измерительный прибор получает требуемое время прохождения в жидкости (TFluid).

Звуковые волны, распространяющиеся в направлении движения потока (TA,B) поступают раньше, чем звуковые волны, распространяющиеся в противоположном направлении (TB,A). Эта разница во времени (Dt) используется для вычисления линейно интегрированной скорости потока (v), как показано в следующем уравнении:

v = Vϕ / 2 · Δt / TFluid

Когда скорость потока определена, необходимо определить число Рейнольдса для жидкости (Re), чтобы надлежащим образомвыполнить коррекцию профиля полностью развитого потока. Для этого требуется ввод кинематической вязкости жидкости (visc), как показано в приведенных далее уравнениях, где Q представляет окончательный объемный расход с компенсацией профиля потока.

Re = Di · v / visc Q = K(Re) · ( π / 4 ·Di2 ) · v

v = Скорость потока

visc = μ / ρ = (динамическая вязкость / плотность)

K(Re) = Компенсация профиля потока Рейнольда

Во всех ультразвуковых расходомерах, контактирующих с веществом постоянные измерительного прибора конфигурируются назаводе. Т.к. это невозможно для расходомеров с подключением clamp-on, настройки должны быть выполнены заказчиком во время установки. Эти настройки включают диаметр трубы, толщину стенки, вязкость жидкости и т.д.

Измерительыне приборы SITRANS с подключением Clamp-On, включающие измерение температуры, могут бытьсконфигурированы таким образом, чтобы динамически определять изменения в вязкости жидкости для вычисления наиболее точной компенсации профиля потока (KRe).

Типы ультразвуковых преобразователей

Для использования с расходомером SITRANS FUS1010 может быть выбран один из двух основных типов преобразователейclamp-on. Менее дорогой “универсальный” преобразователь является наиболее распространненным типом в промышленностии подходит для большинства приложений с одной жидкостью, где скорость звука сильно не изменяется. Этот тип преобразователя может использоваться на любом звукопроводящем материале трубы (включая сталь), что делает его весьма пригодным для задач портативного контроля. Универсальные преобразователи выбираются только на основании диапазона диаметра трубы, поэтому толщина стенок в процессе выбора не важна.

Второй тип преобразователя это патентованный преобразователь WideBeam (широколучевой, названный высокоточным), который использует стенку трубы как своего рода громкоговоритель для оптимизации соотношения сигнал/шум и обеспечения более широкой области для вибраций. Это делает этот тип преобразователя менее чувствительным к каким-либо изменениям в текущей среде.

Преобразователь WideBeam разработан для стальных труб, но может также использоваться с алюминиевыми, титановыми ипластиковыми трубами. Он является предпочитаемым преобразователем для приложений нефтехимической и газовой промышленности. Обратите внимание, что, в отличие от универсального типа, выбор преобразователя зависит только от толщины стенки трубы.

Автоматическая коррекция дрейфа нуля (ZeroMatic Path™)

При установке преобразователей WideBeam в режиме отражения (“Reflect”) в показанной ниже конфигурации, звуковой сигнал распространяется по двум различным путям между преобразователями A и B. Один путь “ACB” проходит через стенку трубы и жидкость, тогда как путь “AB” не проходит через текучую среду.

Этот второй путь дает измерительному прибору опорный сигнал, который полностью независим от величины расхода, и поэтому может использоваться как мера “рассогласования” преобразователя. Путем непрерывного анализа этого сигнала стенки трубы расходомер FUS1010 может динамически корректировать ошибки в расходе, вызванные дрейфом нуля.

Многоканальные расходомеры

Для улучшенного усреднения профиля потока, резервирования или улучшения экономических показателей, расходомеры Clamp-On могут поставляться с 1 или 2 измерительными каналами, а 4- канальные расходомеры поставляются как спецзаказ.

В стандартных системах FUS, FUP, FUE эти каналы могут устанавливаться на отдельные независимые линии или вмноголучевой установке, показанной ниже. Этот выбор выполняется при настройке измерительного прибора, и может быть выбрана либо многолучевая (два луча в одной трубе) или многоканальная установка.

Пример установки с двойным лучом (Dual Beam)

Доплеровский принцип работы (Reflexor®)

Доплеровская методика измерения основана на отражении звуковой энергии от мельчайших пузырьков газа или взвешенных частиц для создания доплеровского смещения и передаваемом акустическом сигнале фиксированной частоты, как показано ниже.

После демодуляции с помощью обработки сигнала FFT, эта частота с доплеровским смещением может использоваться для измерения расхода, как описано в соответствующих доплеровских уравнениях ниже.

Хотя стандартная система измерения на основе времени прохождения весьма терпима к высоким уровням газирования жидкости и высокому содержанию твердых веществ, могут быть случаи, где при режиме времени прохождения будет иметься недостаточно сигнала для работы. Для этих случаев расходомеры FUS, FUP и FUE могут заказываться с этой опциональной доплеровской функцией, которая требует дополнительного доплеровского преобразователя.

Описание семейства измерительных приборов SITRANS

Расходомеры SITRANS FUS1010

Система FUS1010 - это расходомер с базовыми функциями с фиксированным подключением (или выделенным) clamp-on, который имеет весь спектр допусков по безопасности, типов ввода- вывода и корпуса. Этот расходомер может использоваться в широком диапазоне приложений, не не имеет специальных функций, представленных в углеводородных FUH и энергетических FUE расходомерах.

Расходомер FUS1010 обычно программируется вводом фиксированной вязкости и удельного веса, что может ограничитьточность измерения объемного и массового расхода, когда через одну трубу течет жидкость с сильно меняющимися свойствами (составной продукт).

Если этот измерительный прибор заказывается с аппаратурой типа 3 и программной конфигурацией, он будет иметь возможность подключения термометров сопротивления clamp-on , или аналогового входа от измерительного преобразователятемпературы. При активном измерении температуры жидкости расходомер может быть запрограммирован на компенсированиеизменений в плотности и вязкости жидкости с помощью таблицы “UniMass” (для опытных пользователей).

Расходомеры SITRANS FUS1020

Система FUS1020 имеет те же базовые функции, что и система FUS1010, но не включает таких же возможностей по вводу-выводу или допусков по безопасности, имеющихся для FUS1010. Этот базовый расходомер предназначен для приложений с одной жидкостью, не требующих этих дополнительных возможностей.

Портативные расходомеры SITRANS FUP1010

Расходомер FUP1010 имеет все возможности расходомера FUS1010, но выполнен в портативной конфигурации с питанием отбатареи. Этот расходомер идеален для общих работ по наблюдению за расходом, где требуется высокая точность. Обратите внимание, что отсутствует версия расходомера FUP с допусками для опасных зон.

Приборы для измерения энергии SITRANS FUE1010 Energy

Путем комбинации измерения расхода на основе времени прохождения с подключением clamp-on с точным дифференциальным измерением температуры, система FUE1010 предоставляет решение для измерения тепловой энергии без прерывания работы. Измерения энергии могут выполняться для воды, растворов этиленгликоля и рассола, или конденсата пара.

Абсолютное и дифференциальное измерение пара выполняется с использованием двух согласованных термосопротивлений 1 кОм, установленных на подающей и возвратной сторонах системы отопления или охлаждения. Также возможно вычисление эффективности (кВт/тонну, EER или КПД) для систем с опциональным аналоговым входом, который позволяет расходомеру получать выходной сигнал от измерителя мощности.

Система FUE1010 имеется как в выделенной (IP65 (NEMA 4X)), так и в портативной конфигурациях.

Расходомеры для газа SITRANS FUG1010 Gas

Эти уникальные газовые расходомеры Clamp-On используют описанный выше принцип работы на основе времени переходаWideBeam. Однако из-за очень низких характеристик плотности и скорости звука газов, этот расходомер требует усилителя сигналов с высоким коэффициентом усиления и установку материала демпфирования трубы.

Материал демпфирования трубы состоит из вязкоупругой пленки с клеящейся основой, предназначенной для ослабления любой случайной передаваемой акустической энергии, которая мешала бы газовому сигналу, для которого измеряется время прохождения. Установка демпфирующего материала требует чистой (обезжиренной) поверхности трубы с хорошо держащейся краской.

Газовый расходомер Clamp-On gas может работать с большинством газов (природный газ, кислород, азот, угарный газ и т.д.) при типичном минимальном рабочем давлении 10 бар изб. Газы с низкими молярными весами, такие как гелий или водород, также могут измеряться, но при более высоком минимальном давлении. Обязательно посоветуйтесь со специалистом Siemens по технике clamp-on перед размещением заказа на систему газоизмерения.

Вычисление стандартного объема: газовый расходомер FUG1010 не имеет тех же возможностей вычисления объемной компенсации расхода, но он может предоставить выходной сигнал стандартного объемного или массового расхода для фиксированных составов газа. Все газовые расходомеры FUG1010 имеют аналоговый вход, который может использоваться для компенсации по давлению и температуре. При установке таблицы поиска AGA8 этот расходомер может динамически регулировать коэффициент сжимаемости (Zact) в ответ на изменения в давлении и температуре газа как показано ниже:

Станд. расход = Qact * Pact/Pbase * Tbase/Tact * Zbase/Zact

 

Углеводородные расходомеры SITRANS FUH1010 Hydrocarbon

В семейство 1010FUH включено две модели расходомеров, модель с компенсацией вязкости, использующаяся для приложений, где имеет место широкий диапазон вязкостей, и стандартная объемная (массовая) модель. Обе модели основаны на переменной, называемой “liquident”, которая используется для вычисления вязкости, и, в качестве опции, полотности жидкости. Эта переменная представляет измеренную скорость звука в жидкости, скомпенсированную с учетом рабочей температуры и давления, и, таким образом, для заданного жидкого продукта измеряемая величина liquident будет оставаться константой в пределах широкого диапазона давлений или температур.

Опция PV (компенсация вязкости):

Эта менее дорогая опция расходомера FUH, использующая переменную liquident для вычисления только фактической вязкостижидкости. Этот расходомер не предоставляет стандартного объемного, массового расхода, идентификации жидкости или выходных данных по плотности, имеющихся в описанном ниже расходомере DV. Расходомер PV пригоден для любых приложений с нефтью, где текущий объем требуется в качестве входного значения для внешнего дистанционного терминала или вычислителя расхода.

Опция DV (стандартный объем):

Эта переменная Liquident может также использоваться для определения названия жидкости (газолин, мазут, сырая нефть, ит.д.), а также ее физических свойств (удельного веса, API, вязкость и сжимаемость) при базовый условиях. С помощью этой информации этот расходомер может быть сконфигурирован на вывод скомпенсированного по температуре и давлению (стандартного) объемного расхода с помощью методов API 2540 и API MPMS главы 11.2.1, как показано ниже.

 

Коррекция по температуре:

 

Вычислить коэф. теплового расширения (αb):

 

 

αb = KO / ρb2 + K1 / ρb

 

 

где:

KO и K1 - константы, зависящие от типа жидкости, аρb - плотность жидкости при базовых условиях

 

Вычислить коэф. температурной коррекции (KT):

 

 

KT = ρb * EXP (- αb ΔT (1 + 0.8 αb ΔT))

 

 

где:

ΔT = (T – базовая температура)

Коррекция по давлению:

 

Вычислить коэф. сжимаемости (F):

 

 

F = EXP(A + B T + (C + D T) / ρb2

 

 

где:

A, B, C и D - константы, а “T” - температура жидкости

 

Вычислить коэф. коррекции по давлению (Kp):

 

 

Kp = 1 / (1 – F (Pact – Pbase) * 10-4)

Окончательная коррекция объема: Qstd = Qact * Kt * Kp

 

Имеющиеся выходные значения для данного расходомера включают: API, плотность, массовый расход, стандартный объемный расход и идентификация жидкости.

Опция B (обнаружение границы раздела):

Эта опция измерительного прибора предназначена для предоставления всех возможностей измерительного прибора DV, не связанных с расходом, что делает его идеальной не меняющей основного режима работы альтернативой плотномеру, детектору границы раздела или детектору скребка. Обратите внимание, что этот измерительный прибор НЕ измеряет расход.

Общие указания по установке для преобразователей Clamp-On на основе времени прохождения

  • Мин. диапазон измерения: скорость 0 до ± 0.3 м/с (см. график точности измерительного прибора ниже)
  • Макс. диапазон измерения: 0 до ± 12 м/с (± 30 м/с для преобразователей высокой точности). Окончательное определение диапазона расхода требует обследования задачи
  • Для очень низких значений расхода в линиях с малыми диаметрами (< DN 25) может быть рекомендован специально заказываемый встраиваемый FlowTube. За подробной информацией обращайтесь к торговому представителю
  • Труба должна быть полность заполненной в пределах установочного объема преобразователя для точного измерения расхода!
  • Типичные МИНИМАЛЬНЫЕ требования по прямому участку трубы: 10 диаметров выше по потоку / 5 диаметров ниже попотоку. Дополнительный прямой участок требуется для двойных изгибов не лежащих в одной плоскости и частично открытых клапанов. Для систем газоизмерения clamp-on требуется минимально 20 диаметров выше по потоку
  • Преобразователи должны устанавливаться как минимум на 20° от вертикали для горизонтальных труб. Это снижаетвероятность помех лучу от скоплений газа в верхней части трубы
  • Для достижения наилучшей точности следует избегать работы в пределах области перехода Рейнольдса, в диапазоне 1000 < Re < 5000
  • Возможно создание погружаемых и закладываемых непосредственно в грунт установок. За подробной информацией обращайтесь к торговому представителю
  • Для всех заказов преобразователей предоставляется ультразвуковой связывающий компаунд. Обеспечьтеиспользование компаунда для постоянного соединения для долгосрочных установок
  • Чтобы гарантировать надлежащее применение оборудования обратитесь к “Руководству по выбору типа преобразователя”

 

 


Чертеж

Системная информация и руководство по выбору
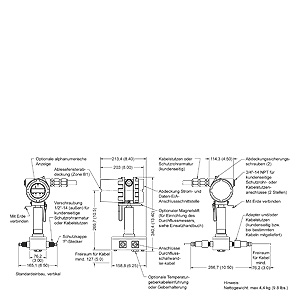
FUS1010, FUE1010, FUH1010 и FUG1010 корпус IP65 (NEMA 4X)

 

FUS1010, FUH1010 и FUG1010 Компактный взрывонепронецаемый копрус IP65 (NEMA 7)

 

FUS1010, FUH1010 Взрывонепроницаемый корпус для настенного монтажа IP66 (NEMA 7)

 

FUG1010 Взрывонепроницаемый корпус для настенного монтажа IP66 (NEMA 7)

 

FUP1010 Устойчивый к атмосферным воздействиям корпус IP67/63 (NEMA 6/3R)

 

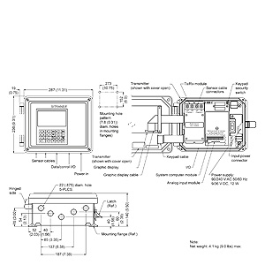
FUP1010 Стандартный портативный корпус IP40 (NEMA 12)

 

FUE1010 Портативный ударопрочный корпус IP40 (NEMA 12)

 

FUE1010 Портативный корпус IP40 (NEMA 1)

 

FUS1020 Корпус для настенного монтажа IP65 (NEMA 4)