0

Разделы

SCD 1215-E - SCD мониторы (варианты для 15 кГц)

SCD 1215-E - SCD мониторы (варианты для 15 кГц)

LCD монитор SCD 1215-E это надежный промышленный монитор с размером дисплея 12“ и строчной частотой 15кГц. Высокие технические характеристики гарантируют отличное качество изображения на протяжении всего срока службы

 

Основные технические характеристики SCD 1215-E :

  • Частота строк 15 ... 97 кГц
  • Подключение 5 x BNC

 

Особенности

  • Растояние от видеоисточника до монитора – до 25 м
  • Строчная частота 15... 97 кГц 
  • Малые монтажные размеры
  • Высокая устойчивость к ударам и вибрации
  • Низкое рентгеновское излучение
  • Высокая электромагнитная совместимость
  • Возможно встраивание в шкафы автоматизации  

Область применения

LCD мониторы могут применяться во многих областях промышленности:

  • Установках с высоким уровнем электромагнитного излучения
  • Информационных терминалах
  • Машиностроении

 

Возможно применение в следующих системах.

  • COROS LS-C (25 kHz)
  • DISIT, WF 470, CP 527n (15 kHz)
  • SIMATIC PC, PCS 7; WinCC, VIDEOMAT
  • TELEPERM XP, MX-Terminal
  • CP 581, PG 7xx, COROS LS-A/LS-B

 

Указание

Хорошее качество изображения гарантируется только при исправном нормированном сигнале на входе монитора. Информацио по теме „Требования по эксплуатации LCD с 15 kHz и обслуживание“ можно найти в Internet по адресу www.siemens.de/automation/mall.

Дополнительную информацию Вы можете получить, нажав кнопку с этим символом.

Указание к диагонали экрана

Для LCD применима формула – размер CRT монитора плюс 2“ (12“-LCD соответствует 14“-CRT).

Область применения [PDF]

Загрузить PDF-файл.

Для просмотра информации в формате PDF необходимо установить Adobe Acrobat Reader.
Adobe Acrobat Reader

Дизайн

SCD 1215-E это устройство отображения без функций управления. Кнопки для On-Screen-Display (OSD) находятся сзади. SCD 1215-E предусмотрен для встраивания в шкафы управления.

 

Функции

Для настройки LCD-монитора применяется On-Screen-Display (OSD). SCD 1215-E имеет функцию автоподстройки.

Технические данные

 

SCD 1215-E

Версия

Установка в шкафах управления

Диагональ в дюймах (см); тип

12 (31); TFT

Защитное стекло

Да

Количество точек (Г x В) в мм

0.33 x 0.33

Видимая область (Г x В) в мм

246 x 184

Яркость кд/м²

250

Контраст (тип.)

150 : 1

Интерфейс

VGA аналоговый

Видимость под углом (Г/В)

140°/120°

Количество цветов

256 k

Количество невидимых цветов

2

MTBF свечение

50,000 ч

Горизонтальная частота

15 - 97 кГц

Вертикальная частота

50 - 100 Гц

Синхронизация

Г/В индивидуальная, Г/В сотавная, синхронизация на зеленом

Оптимальное разрешение в пикселях

800 x 600

Другое расширение в пикселях

640 x 480

Изображение

1:1, фрейм, зумм

Установки

OSD

Клавиши контроля

Сзади

Кнопка питания

-

Конекторы сзади

5 x BNC (75 Ω, могут быть выключены)

Напряжение питания

AC 115/230 В
(DC 24 В:см. аксесуары)

Частота

47 до 63 Гц

Потребление энергии

30 ВА

Степень защиты

IP 65 спереди

Одобрения/рекомендации

CE, UL 1950

Допустимая температура окружающей среды

5 до 45 °C

Корпус: материал, цвет

Метал, светло серый

Габариты (Ш x В x Г) в мм

364 x 284 x 76

Вес, около

5 кг

Поставляемые аксесуары

Кабель питания, инструкция


 

 

Технические данные [PDF]

Загрузить PDF-файл.

Для просмотра информации в формате PDF необходимо установить Adobe Acrobat Reader.
Adobe Acrobat Reader

Дополнительно

В комплект поставки входит:

  • Сетевой кабель электропитания

Другие аксессуары

  • DC/DC-преобразователь
    • Для подключения 12“- и 15“-LCD-мониторов с питанием от DC 12 V к источнику DC 24 V -. Конвертер преобразует напряжение в DC 12 V.
  • Высококачественный видео-кабель:
    • Штекер: 15-pin / 3-штекер Sub-D / 5 x BNC.
    • EMV-совместимая версия с двумя ферритовыми фильтрами. Имеется кабель длиной 2м или, 5 м.

 

 

 

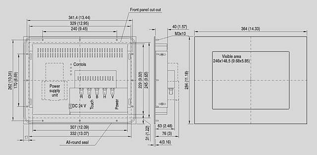
Чертеж

SCD 1215-E, чертеж, размеры в мм (дюймах)

Чертеж [PDF]

Загрузить PDF-файл.

Для просмотра информации в формате PDF необходимо установить Adobe Acrobat Reader.
Adobe Acrobat Reader

Заказные данные

Заказной №ОписаниеВес (кг)ДоставкаМин. зак. (шт)
6GF6240-4MVSCD 1297-E, 12" ПРОМЫШЛЕННЫЙ ВСТРАИВАЕМЫЙ LCD МОНИТОР, UL1950/IP65, 800X600 ТОЧЕК, 30-97 КГЦ, DSP МАСШТАБИРОВАНИЕ, ЦВЕТНАЯ TFT ПАНЕЛЬ, OSD, АНАЛОГОВЫЙ ВХОД: 5XBNC (75 ОМ)10по запросу (D)1

Аксессуары

Заказной №ОписаниеВес (кг)ДоставкаМин. зак. (шт)
6AV8107-1BA00-0AA0СЕТЕВОЙ БЛОК ПИТАНИЯ =24В ДЛЯ ДИСПЛЕЕВ SCD 1297/ SCD 15970.2153 - 5 недель (A)1