Самоцентрирующиеся подвижные опоры для весоизмерительных ячеек серии СС лучше всего подходит для работы с резервуарными, бункерными и автомобильными весами.
Качающаяся опора состоит из трех упоров, одной плиты основания и одной головной плиты.
В комбинации с измерительной ячейкой верхние компоненты образуют самоцентрирующийся узел. Это позволяет головной плите и, соответственно, несущей конструкции следовать горизонтальным отклонениям (например, при колебаниях температуры). Конструкция качающейся опоры создает противодействующую силу, которая зависит от величины отклонения и приложенной нагрузки.
Если несущая конструкция отклоняется по горизонтали более, чем на 8 мм, необходимо ограничить боковой ход несущей конструкции (например, с помощью упоров). Необходимо принять меры против подъема несущей конструкции, изменив ее соответствующим образом.
Весоизмерительная ячейка не входит в объем поставки опоры.
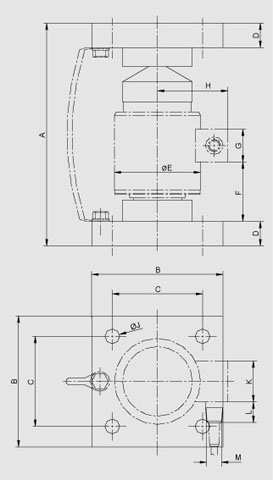
| Номинальная нагрузка | A | B | C | D | ØE | F | G | H | ØJ | K | L | M |
|---|---|---|---|---|---|---|---|---|---|---|---|---|
| 10 т, 25 т | 190 | 120 | 90 | 20 | 73 | 32 | 40 | 64 | 14 | 50 | 25 | 1/2" NPT |
| 40 т, 60 т | 274 | 160 | 110 | 30 | 105 | 72 | 40 | 87 | 18 | 50 | 25 | 1/2" NPT |
| 100 т | 385 | 200 | 150 | 40 | 152 | 133 | 40 | 108 | 18 | 50 | 25 | 1/2" NPT |
Качающаяся опора для весоизмерительных ячеек SIWAREX R серии CC, размеры
Цена на сайте указана розничная в ЕВРО без учета НДС.Для уточнения цены и размера предоставляемой скидки - звоните или присылайте заявки
| Заказной номер | PG | Описание продукта | Цена |
| 7MH4136-5EA11 | 817 | SIWAREX R УСТАНОВОЧНЫЙ МОДУЛЬ С САМОУСТАНАВЛИВАЮЩИМСЯ УЗЛОМ ВСТРОЙКИ ДЛЯ СЕРИИ CC, СОСТОИТ ИЗ 3 ПРИЖИМНЫХ КОМПОНЕНТОВ И 2 ПЛАСТИН РАЗМЕЩЕНИЯ, - СДЕЛАНО ИЗ НЕРЖАВЕЮЩЕЙ СТАЛИ - РАСЧЕТНАЯ НАГРУЗКА 10 / 25 T | 391.14 |
| 7MH4136-5LA11 | 817 | SIWAREX R УСТАНОВОЧНЫЙ МОДУЛЬ С САМОУСТАНАВЛИВАЮЩИМСЯ УЗЛОМ ВСТРОЙКИ ДЛЯ СЕРИИ CC, СОСТОИТ ИЗ 3 ПРИЖИМНЫХ КОМПОНЕНТОВ И 2 ПЛАСТИН РАЗМЕЩЕНИЯ, - СДЕЛАНО ИЗ НЕРЖАВЕЮЩЕЙ СТАЛИ - РАСЧЕТНАЯ НАГРУЗКА 40 / 60 T | 637.06 |
| 7MH4136-6AA11 | 817 | SIWAREX R УСТАНОВОЧНЫЙ МОДУЛЬ С САМОУСТАНАВЛИВАЮЩИМСЯ УЗЛОМ ВСТРОЙКИ ДЛЯ СЕРИИ CC, СОСТОИТ ИЗ 3 ПРИЖИМНЫХ КОМПОНЕНТОВ И 2 ПЛАСТИН РАЗМЕЩЕНИЯ, - СДЕЛАНО ИЗ НЕРЖАВЕЮЩЕЙ СТАЛИ - РАСЧЕТНАЯ НАГРУЗКА 100 T | 1860.30 |