0

Разделы

Скачать Заказные данные 
ENG: Remote seals of flange design

Clamp-on seals for flange-mounting

The clamp-on seal is completely integrated in the process line. It is particularly suitable for flowing and highly viscous media.

The clamp-on remote seal consists of a cylindrical jacket into which a thin-walled pipe is welded. It is clamped directly between two flanges in the pipeline.

 


Дизайн

Скачать Заказные данные 
ENG: Remote seals of flange design
  • Clamp-on seals for flange-mounting (flange design) to EN/ASME for SITRANS P pressure transmitters
    • For pressure: MK II, P300, DS III, DS III PA and DS III FF series
    • For differential pressure and flow: DS III, DS III PA and DS III FF
  • Sealing face to EN 1092-1 or ASME B16.5
  • Connection to the transmitter directly or by means of a flexible capillary (max. 10 m long)
  • See Technical data for details of materials used for the wetted parts
  • Material used for the capillary, the guard sleeve, the seal's main body and the measuring cell: Stainless steel, mat. No. 1.4571
  • Filling liquid: Silicone oil, high-temperature oil, halocarbon oil, vegetable oil or glycerin/water (not suitable for uses in low-pressure range)

 


Функции

Скачать Заказные данные 
ENG: Remote seals of flange design

The measured pressure is transferred from the diaphragm to the filling liquid and passes either directly or through the capillary to the measuring chamber of the pressure transmitter. The interior of the diaphragm seal and of the capillary, as well as the measuring chamber of the pressure transmitter, are filled gas-free by the filling liquid.

Note:

When operating in the low-pressure range, also during commissioning, it is recommended to use a vacuum-proof remote seal (see Ordering data).

 


Технические данные

Скачать Заказные данные 
ENG: Remote seals of flange design

Clamp-on seals for flange-mounting

Nom. diam.

Nom. press.

  • DN 25

PN 6 ... PN 100

  • DN 40

PN 6 ... PN 100

  • DN 50

PN 6 ... PN 100

  • DN 80

PN 6 ... PN 100

  • DN 100

PN 6 ... PN 100

  • 1 inch

Class 150 … class 2500

  • 1½ inch

Class 150 … class 2500

  • 2 inch

Class 150 … class 2500

  • 3 inch

Class 150 … class 2500

  • 4 inch

Class 150 … class 2500

Process connection

Flange to EN 1092‑1 or ASME B 16.5

Sealing face

To EN 1092‑1, form B1 or to ASME B16.5 RF 125 ... 250 A or RFSF

Materials

 
  • Main body

Stainless steel 1.4404/316L

  • Diaphragm

Stainless steel 1.4404/316L

  • Wetted parts

Stainless steel 1.4404/316L

 
  • Without foil
 
  • ECTFE coating
 
  • PFA coating (for vacuum on request)
 

Monel 400, mat. No. 2.4360

 

Hastelloy C276, mat. No. 2.4819

 

Hastelloy C4, mat. No. 2.4610

 

Tantalum

  • Capillary

Stainless steel, mat. No. 1.4571/316Ti

  • Sheath

Spiral hose made of stainless steel, mat. No. 1.4301/316

Capillary

 
  • Length

Max. 10 m (32.8 ft)

  • Internal diameter

2 mm (0.079 inch)

  • Minimum bending radius

150 mm (5.9 inch)

Filling liquid

Silicone oil M5

 

Silicone oil M50

 

High-temperature oil

 

Halocarbon oil

 

Food oil (FDA-listed)

 

Glycerin/water (not suitable for uses in low-pressure range)

Permissible ambient temperature

See pressure transmitters, see filling liquid

Weight

Approx. 4 kg (8.82 lb)

Certificate and approvals

 

Classification according to pressure equipment directive (DRGL 97/23/EC)

For gases of fluid group 1 and liquids of fluid group 1; complies with the requirements of Article 3, paragraph 1 (appendix 1); assigned to category III, conformity evaluation module H by the TÜV Nord

 


Чертеж

Скачать Заказные данные 
ENG: Remote seals of flange design

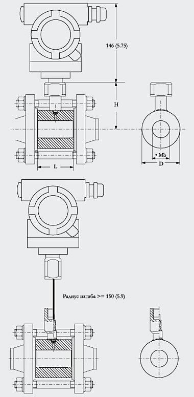
Connection to EN 1092-1

DN

PN

D

Mb

L

H

mm

bar

mm

mm

mm

mm

25

6 ... 100

63

28,5

60

78.5

40

6 ... 100

85

43

60

89.5

50

6 ... 100

95

54.5

60

92.5

80

6 ... 100

130

82.5

60

112

100

6 ... 100

150

107

60

122

Connection to ASME B16.5

DN

Class

D

Mb

L

H

(inch)

 

mm

mm

mm

mm

   

(inch)

(inch)

(inch)

(inch)

1

150 ... 2500

63

28.5

60

78.5

   

(2.48)

(1.12)

(2.36)

(3.1)

150 ... 2500

85

43

60

86

   

(3.35)

(1.69)

(2.36)

(3.4)

2

150 ... 2500

95

54.5

60

94.5

   

(3.74)

(2.15)

(2.36)

(3.72)

3

150 ... 2500

130

82.5

60

112

   

(5.12)

(3.25)

(2.36)

(4.4)

4

150 ... 2500

150

107

60

122

   

(5.9)

(4.21)

(2.36)

(4.8)

Clamp-on seal for flange-mounting, connected to SITRANS P pressure transmitter, dimensions in mm (inch)

 


Заказные данные

Скачать Заказные данные 

Цена на сайте указана розничная в ЕВРО без учета НДС.Для уточнения цены и размера предоставляемой скидки - звоните или присылайте заявки

Заказной номерPGОписание продуктаЦена
7MF4980-.....-..8087MF4980 - Трубчатый разделитель давления для монтажа между фланцами, для преобразователей избыточного или абсолютного давления, 0.00
7MF4983-.....-..8087MF4983 - Трубчатые разделители давления (2 шт.) для монтажа между фланцами, для преобразователей дифференциального давления, 0.00