Дискретный электронный модуль 1 F-RO =24 В/5A ~24 ... 230 В/5A имеет следующие характеристики:
Достижение уровня безопасности SIL3 (IEC61508) при управлении модулем F-RO с помощью F-выхода (например, через EM 4F-DO =24 В/2A PROFIsafe).
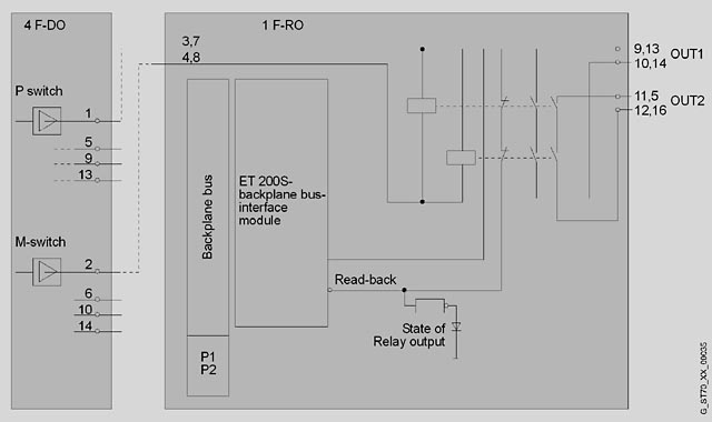
Модуль 1 F-RO может использоваться несколькими способами:
На схеме показан вариант управления с помощью модуля 4F-DO =24 В/2A PROFIsafe (6ES7138-4FB02-0AB0). Цепь управления должна быть подключена к контактам 3, 4 и 7, 8. Один канал F-DO может использоваться для управления работой нескольких модулей F-RO (группа отключения).
|
| 6ES7138-4FR00-0AA0 |
| Напряжения и токи |
|
| Напряжение питания нагрузки L+ |
|
| =24 В |
| Потребляемый ток |
|
| из цепи L+ (без нагрузки), не более | 100 мА |
| от внутренней шины, =3.3 В, не более | 10 мА |
| Потери мощности, типовое значение | 2.1 Вт |
| Адресное пространство |
|
| Адресное пространство на модуль |
|
| 2 бит |
| 1 байт |
| Дискретные входы |
|
| Длина кабеля |
|
| 10 м |
| Дискретные выходы |
|
| Количество выходов | 1 |
| Длина обычного кабеля, не более | 200 м |
| Длина экранированного кабеля, не более | 200 м |
| Защита выхода от короткого замыкания | Нет |
| Формирование сигналов для подключенного дискретного входа | Есть |
| Выходной ток |
|
| 5 A |
| 5 мА |
| Частота переключения выхода: |
|
| 2 Гц |
| 0.1 Гц |
| Суммарный ток выходов |
|
|
|
| 6 A |
|
|
| 8 A |
| 6 A |
| 5 A |
| Релейные выходы |
|
| Коммутационная способность контакта |
|
| 5 A |
| Состояния/прерывания/диагностика |
|
| Диагностические светодиоды |
|
| Есть |
| Изоляция |
|
| Гальваническое разделение цепей |
|
| Есть |
| Есть |
| Есть |
| Габариты и масса |
|
| Ширина | 30 мм |
| Высота | 81 мм |
| Глубина | 52 мм |
| Масса |
|
| Масса, приблизительно | 90 г |
Цена на сайте указана розничная в ЕВРО без учета НДС.Для уточнения цены и размера предоставляемой скидки - звоните или присылайте заявки
| Заказной номер | PG | Описание продукта | Цена |
| 6ES7138-4FR00-0AA0 | 241 | SIMATIC DP, ЭЛЕКТРОННЫЙ МОДУЛЬ ET200S, ШИРИНА 30 MM, 1 РЕЛЕЙНЫЙ ВЫХОД (2 НО-КОНТАКТА), ВЫХОДНОЙ ТОК 5 А, НОМИНАЛЬНОЕ НАПРЯЖЕНИЕ =24В И ~24 ... 230В, ИСПОЛЬЗОВАНИЕ ВПЛОТЬ ДО КАТЕГОРИИ 4 / SIL 3, ЕСЛИ УПРАВЛЯЕТСЯ F-DO (НАПРИМЕР 6ES7138-4FB02-0AB0) | 99.22 |
Цена на сайте указана розничная в ЕВРО без учета НДС.Для уточнения цены и размера предоставляемой скидки - звоните или присылайте заявки
| Заказной номер | PG | Описание продукта | Цена |
| 6ES7151-1BA02-0AB0 | 250 | SIMATIC DP, ИНТЕРФЕЙСНЫЙ МОДУЛЬ IM151-1 HIGH FEATURE ДЛЯ ET200S; СКОРОСТЬ ПЕРЕДАЧИ ДО 12МБИТ/С, ОБЪЁМ ДАННЫХ 244 БАЙТА ДЛЯ I/O, МАКС. 63 МОДУЛЯ, ИЗОХРОННЫЙ РЕЖИМ, ПОДКЛЮЧЕНИЕ К ШИНЕ ЧЕРЕЗ SUB-D СОЕДИНИТЕЛЬ С 9 КОНТАКТАМИ, ВКЛЮЧАЯ ТЕРМИНАЛЬНЫЙ МОДУЛЬ | 291.92 |
| 6ES7151-3BA23-0AB0 | 250 | SIMATIC DP,ИНТЕРФЕЙСНЫЙ МОДУЛЬ IM151-3 PN HF ДЛЯ ET200S; СКОРОСТЬ ПЕРЕДАЧИ ДО 100МБИТ/С, МАКС. 63 ПИТАЮЩИХХ, ЭЛЕКТРИЧЕСКИХ МОДУЛЕЙ ИЛИ МОДУЛЕЙ ПУСКАТЕЛЕЙ, ДО 2 МЕТРОВ ОБЩАЯ ДЛИНА, 2X ИНТЕРФЕЙСА RJ45, ТЕРМИНАЛЬНЫЙ МОДУЛЬ В КОМПЛЕКТЕ INCL. TERMINATING MODUL | 291.92 |
| 6ES7151-3BB23-0AB0 | 250 | SIMATIC DP, ИНТЕРФЕЙСНЫЙ МОДУЛЬ IM151-3 PN FO ДЛЯ ET 200S, 2 ИНТЕРФЕЙСА PROFINET FO, ВСТРОЕННЫЙ 2-ХПОРТОВЫЙ КОММУТАТОР, МАКС. 63 ПЕРИФЕРИЙНЫХ МОДУЛЯ, ВОЗМОЖНО ИСПОЛЬЗОВАНИЕ МОДУЛЕЙ PROFISAFE, МАКС. ШИРИНА СТАНЦИИ 2M ШИРИНОЙ, ОКОНЕЧНЫЙ МОДУЛЬ В КОМПЛЕКТЕ | 538.48 |
| 6ES7833-1FA12-0YA5 | 216 | SIMATIC S7, F PROGRAMMING TOOL STEP 7 SAFETY ADVANCED V12, FLOATING LICENSE FOR 1 USER, E-SW, SW AND DOCU. ON CD, CLASS A, 2 LANGUAGES (G,E), EXECUTABLE UNDER STEP7 PROFESSIONAL V12 SP1 | 593.60 |
| 6ES7833-1FA12-0YE5 | 216 | SIMATIC S7, F PROGRAMMING TOOL STEP 7 SAFETY ADVANCED V12, UPGRADE, COMBO LICENSE FOR PARALLEL USING OF STEP 7 SAFETY ADVANCED V11 AND STEP 7 SAFETY ADVANCED V12 COMBO LICENSE FOR 1 USER, E-SW, SW AND DOCU. ON CD, CLASS A, 2 LANGUAGES (G,E), EXECUTABLE UNDER STEP7 PROFESSIONAL V12 SP1 | 216.24 |
| 6ES7833-1FA12-0YF5 | 216 | SIMATIC S7, F PROGRAMMING TOOL STEP 7 SAFETY ADVANCED V12, UPGRADE, COMBO LICENSE FOR PARALLEL USING OF DISTRIBUTED SAFETY V5.4 SP5 AND STEP 7 SAFETY ADVANCED V12 COMBO LICENSE FOR 1 USER, E-SW, SW AND DOCU. ON CD, CLASS A, 2 LANGUAGES (G,E), EXECUTABLE UNDER STEP7 PROFESSIONAL V12 SP1 | 216.24 |
| 6ES7833-1FC02-0YA5 | 241 | SIMATIC S7, F СРЕДСТВО РАЗРАБОТКИ РАСПРЕДЕЛЕННЫХ СИСТЕМ ПОВЫШЕННОЙ БЕЗОПАСНОСТИ DISTRIBUTED SAFETY V5.4, ПЛАВАЮЩАЯ ЛИЦЕНЗИЯ ДЛЯ 1 ПОЛЬЗОВАТЕЛЯ, ИНЖЕНЕРНОЕ ПРОГР. ОБЕСПЕЧЕНИЕ, ПРОГР. ОБЕСП. И ДОКУМЕНТАЦИЯ НА CD, CLASS A, 3 ЯЗЫКА (НЕМ., АНГЛ.,ФРАНЦ.), РАБОТ | 585.12 |
| 6ES7833-1FC02-0YE5 | 241 | SIMATIC S7, F СРЕДСТВО ПРОГРАММИРОВАНИЯ DISTRIBUTED SAFETY V5.4, ПАКЕТ ОБНОВЛЕНИЯ ОТ ВЕРСИИ 5.X ДО ВЕРСИИ 5.4, ПЛАВАЮЩАЯ ЛИЦЕНЗИЯ ДЛЯ 1 ПОЛЬЗОВАТЕЛЯ, ИНЖЕНЕРНОЕ ПРОГР. ОБЕСПЕЧЕНИЕ, ПРОГР. ОБЕСП. И ДОКУМЕНТАЦИЯ НА CD, CLASS A, 3 ЯЗЫКА (НЕМ., АНГЛ.,ФРАНЦ.), | 224.93 |
| 6ES7998-8XC01-8YE0 | 230 | КОЛЛЕКЦИЯ РУКОВОДСТВ SIMATIC НА CD-ROM. PDF-ФОРМАТ, АНГ/ НЕМ/ ФР/ ИСП/ ИТ. ЯЗЫК. ВСЕ РУКОВОДСТВА ПО S7-200/ -300/ -400/ -C7/ -LOGO!; SIMATIC DP/ -PC/ -PG; STEP7, ИНСТР. СРЕДСТВАМ ПРОЕКТИРОВАНИЯ, ПРОГР. ОБЕСПЕЧЕНИЮ RUNTIME, SIMATIC PCS7/ HMI/ NET | 108.12 |
| 6ES7998-8XC01-8YE2 | 230 | КОЛЛЕКЦИЯ РУКОВОДСТВ SIMATIC НА CD-ROM, 5-ЯЗЫКОВАЯ ПОДДЕРЖКА (БЕЗ РУССКОГО), СЛУЖБА ОБНОВЛЕНИЯ В ТЕЧЕНИЕ 1 ГОДА | 328.60 |