
Дискретный электронный модуль 1 F-RO =24 В/5A ~24 ... 230 В/5A имеет следующие характеристики: - 1 релейный выход (2 замыкающих контакта).
- Выходной ток 5 A.
- Номинальное напряжение питания нагрузки =24 В или ~24 ... 230 В.
- Подключение цепи управления через контакты терминального блока.
Достижение уровня безопасности SIL3 (IEC61508) при управлении модулем F-RO с помощью F-выхода (например, через EM 4F-DO =24 В/2A PROFIsafe). |
Область примененияМодуль 1 F-RO может использоваться несколькими способами: - для коммутации внешних напряжений;
- при необходимости формирования внешних сигналов (например, для разрешения работы контроллера);
- при необходимости получения коммутационной способности более 2 А.
|
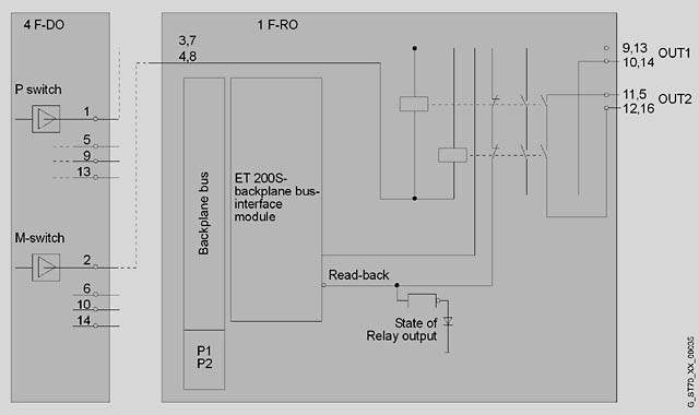
Дизайн На схеме показан вариант управления с помощью модуля 4F-DO =24 В/2A PROFIsafe (6ES7138-4FB02-0AB0). Цепь управления должна быть подключена к контактам 3, 4 и 7, 8. Один канал F-DO может использоваться для управления работой нескольких модулей F-RO (группа отключения). |
Технические данные (бумага) | | 6ES7 138-4FR00-0AA0 | | Напряжения и токи | | | Напряжение питания нагрузки L+ | | | | =24 В | | Потребляемый ток | | | из цепи L+ (без нагрузки), не более | 100 мА | | от внутренней шины, =3.3 В, не более
| 10 мА | | Потери мощности, типовое значение | 2.1 Вт | | Адресное пространство | | | Адресное пространство на модуль | | | | 2 бит | | | 1 байт | | Дискретные входы | | | Длина кабеля | | | | 10 м | | Дискретные выходы | | | Количество выходов | 1 | | Длина обычного кабеля, не более | 200 м | | Длина экранированного кабеля, не более | 200 м | | Защита выхода от короткого замыкания | Нет | | Формирование сигналов для подключенного дискретного входа | Есть | | Выходной ток | | - высокого уровня, номинальное значение
| 5 A | - высокого уровня, минимальное значение
| 5 мА | | Частота переключения выхода: | | - при активной нагрузке, не более
| 2 Гц | - при индуктивной нагрузке, не более
| 0.1 Гц | | Суммарный ток выходов | | | | | | | 6 A | | | | | | 8 A | | | 6 A | | | 5 A | | Релейные выходы | | | Коммутационная способность контакта | | - длительно допустимый ток, не более
| 5 A | | Состояния/прерывания/диагностика | | | Диагностические светодиоды | | - индикации состояния выхода (зеленый)
| Есть | | Изоляция | | | Гальваническое разделение цепей | | | | Есть | - каналов и внутренней шины
| Есть | - каналов и цепи питания L+
| Есть | | Габариты и масса | | | Ширина | 30 мм | | Высота | 81 мм | | Глубина | 52 мм | | Масса | | | Масса, приблизительно | 90 г | |
Заказные данные | Заказной № | Описание | Вес (кг) | Доставка | Мин. зак. (шт) | | 6ES7138-4FR00-0AA0 | SIMATIC DP, ЭЛЕКТРОННЫЙ МОДУЛЬ ET200S, ШИРИНА 30 MM, 1 РЕЛЕЙНЫЙ ВЫХОД (2 НО-КОНТАКТА), ВЫХОДНОЙ ТОК 5 А, НОМИНАЛЬНОЕ НАПРЯЖЕНИЕ =24В И ~24 ... 230В, ИСПОЛЬЗОВАНИЕ ВПЛОТЬ ДО КАТЕГОРИИ 4 / SIL 3, ЕСЛИ УПРАВЛЯЕТСЯ F-DO (НАПРИМЕР 6ES7138-4FB02-0AB0) | 0.001 | 3 - 5 недель (A) | 1 | |
Аксессуары | Заказной № | Описание | Вес (кг) | Доставка | Мин. зак. (шт) | | 6ES7151-1BA02-0AB0 | SIMATIC DP, ИНТЕРФЕЙСНЫЙ МОДУЛЬ IM151-1 HIGH FEATURE ДЛЯ ET200S; СКОРОСТЬ ПЕРЕДАЧИ ДО 12МБИТ/С, ОБЪЁМ ДАННЫХ 244 БАЙТА ДЛЯ I/O, МАКС. 63 МОДУЛЯ, ИЗОХРОННЫЙ РЕЖИМ, ПОДКЛЮЧЕНИЕ К ШИНЕ ЧЕРЕЗ SUB-D СОЕДИНИТЕЛЬ С 9 КОНТАКТАМИ, ВКЛЮЧАЯ ТЕРМИНАЛЬНЫЙ МОДУЛЬ | 0.001 | 3 - 5 недель (A) | 1 | | 6ES7151-3BA22-0AB0 | "SIMATIC DP, ИНТЕРФЕЙСНЫЙ МОДУЛЬ IM151-3 PN ST ДЛЯ ET200S; СКОРОСТЬ ПЕРЕДАЧИ ДО 100 МБИТ/С, МАКС. 63 МОДУЛЯ ПЕРИФЕРИИ, ДО 2 М ШИРИНА СТАНЦИИ, 2 ИНТЕРФЕЙСА RJ45, ОКОНЕЧНЫЙ МОДУЛЬ В КОМПЛЕКТЕ" | 0.188 | 3 - 5 недель (A) | 1 | | 6ES7151-3BB22-0AB0 | SIMATIC DP, ИНТЕРФЕЙСНЫЙ МОДУЛЬ IM151-3 PN FO ДЛЯ ET 200S, 2 ИНТЕРФЕЙСА PROFINET FO, ВСТРОЕННЫЙ 2-ПОРТОВЫЙ КОММУТАТОР, МАКС. 63 МОДУЛЯ ПЕРИФЕРИИ, ВОЗМОЖНО ПРИМЕНЕНИЕ МОДУЛЕЙ PROFISAFE, ДО 2М ШИРИНА СТАНЦИИ, ОКОНЕЧНЫЙ МОДУЛЬ В КОМПЛЕКТЕ | 0.2 | 3 - 5 недель (A) | 1 | | 6ES7833-1FC00-0YX2 | SIMATIC S7, F PROGRAMMING TOOL DISTRIBUTED SAFETY, АВТОМАТИЧЕСКИЙ СЕРВИС ОБНОВЛЕНИЙ ДЛЯ СРЕДСТВА ПРОЕКТИРОВАНИЯ СИСТЕМ РАСПРЕДЕЛЕННОЙ В ТЕЧЕНИИ ОДНОГО ГОДА, ТРЕБУЕТСЯ ПОСЛЕДНЯЯ ВЕРСИЯ ПРОГР. ОБЕСПЕЧЕНИЯ | 0.3 | 4 - 6 недель (B) | 1 | | 6ES7833-1FC02-0YA5 | SIMATIC S7, F СРЕДСТВО РАЗРАБОТКИ РАСПРЕДЕЛЕННЫХ СИСТЕМ ПОВЫШЕННОЙ БЕЗОПАСНОСТИ DISTRIBUTED SAFETY V5.4, ПЛАВАЮЩАЯ ЛИЦЕНЗИЯ ДЛЯ 1 ПОЛЬЗОВАТЕЛЯ, ИНЖЕНЕРНОЕ ПРОГР. ОБЕСПЕЧЕНИЕ, ПРОГР. ОБЕСП. И ДОКУМЕНТАЦИЯ НА CD, CLASS A, 3 ЯЗЫКА (НЕМ., АНГЛ.,ФРАНЦ.), РАБОТ | 0.3 | 3 - 5 недель (A) | 1 | | 6ES7998-8XC01-8YE0 | КОЛЛЕКЦИЯ РУКОВОДСТВ SIMATIC НА CD-ROM. PDF-ФОРМАТ, АНГ/ НЕМ/ ФР/ ИСП/ ИТ. ЯЗЫК. ВСЕ РУКОВОДСТВА ПО S7-200/ -300/ -400/ -C7/ -LOGO!; SIMATIC DP/ -PC/ -PG; STEP7, ИНСТР. СРЕДСТВАМ ПРОЕКТИРОВАНИЯ, ПРОГР. ОБЕСПЕЧЕНИЮ RUNTIME, SIMATIC PCS7/ HMI/ NET | 0.227 | 3 - 5 недель (A) | 1 | | 6ES7998-8XC01-8YE2 | КОЛЛЕКЦИЯ РУКОВОДСТВ SIMATIC НА CD-ROM, 5-ЯЗЫКОВАЯ ПОДДЕРЖКА (БЕЗ РУССКОГО), СЛУЖБА ОБНОВЛЕНИЯ В ТЕЧЕНИЕ 1 ГОДА | 0.3 | по запросу (X) | 1 | |
|