| |||||||||||||||
Особенности | |||||||||||||||
ФункцииСбой индицируется соответствующим светодиодом, этот сбой индицируется также в качестве сборного сбоя. Кроме этого инициируется сборный сбой. Соответствующий светодиод светится до тех пор, пока сбой не исчезнет. Кратковременные сбои остаются видимыми в индикации сборного сбоя до квитирования. | |||||||||||||||
Технические данные [PDF]Для просмотра информации в формате PDF необходимо установить Adobe Acrobat Reader. | |||||||||||||||
Технические данные | |||||||||||||||
Чертеж [PDF]Для просмотра информации в формате PDF необходимо установить Adobe Acrobat Reader. | |||||||||||||||
Чертеж | |||||||||||||||
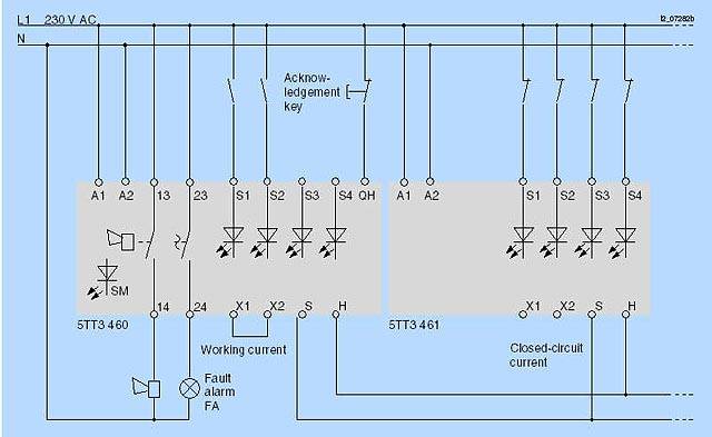
Схема подключения [PDF]Для просмотра информации в формате PDF необходимо установить Adobe Acrobat Reader. | |||||||||||||||
Схема подключенияПример принципиальной схемы, функциональная диаграммаКлеммы A1, S1 до S4 и QH должны быть подключены к одной и той же фазе. Если не предусматривается кнопка квитирования, то зажим QH должен напрямую подключаться к L1. При использовании перемычки X1/X2 осуществляется контроль цепи с замыкающим контактом (в противном случае − с размыкающим). Контакты 13/14 и 23/24 замыкаются при появлении сбоя. Загорается соответствующий светодиод и этот сбой индицируется также в качестве сборного сбоя СС. Аварийный сигнализатор (контакт 13/14) отключается кнопкой квитирования. Соответствующий светодиод и светодиод сигнализации сборного сбоя продолжают гореть, и контакт 23/24 остается замкнутым до устранения неисправности. Линии S и H подают малое напряжение. При прокладке этих линий между различными распределительными шкафами параллельно к имеющимся линиям потребителей необходимо использовать экранированный провод. В качестве светового индикатора для группового сообщения рекомендуется устройство 5TE5 7 или 5TE5 8; в качестве тревожного сигнализатора − устройства 5TT3 450 до 5TT3 453.
Электрические схемы5TT3 460
5TT3 461
| |||||||||||||||
Заказные данные
| |||||||||||||||