0

Разделы

Скачать Заказные данные 
Присоединительные головки
Соединительные головки для термометров сопротивления низкого/высокого давления, фланцевых термометров сопротивления и термометров сопротивления для дымового газа

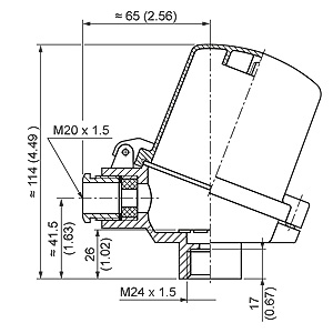
Соединительная головка, форма B, класс защиты IP 54, из легкого металла (литье), с резьбовой крышкой, размеры в мм (дюймах)

Соединительная головка, форма B, класс защиты IP 54, из пластика, с резьбовой крышкой, размеры в мм (дюймах)

Соединительная головка, форма B, класс защиты IP 65, из легкого металла (литье), со стандартной откидной крышкой, размеры в мм (дюймах)

Соединительная головка, форма B, класс защиты IP 65, из легкого металла (литье), с высокой откидной крышкой, размеры в мм (дюймах)

Соединительная головка, форма B-VA, класс защиты IP 65, из нерж. стали, с винтовой крышкой, размеры в мм (дюймах)

 


Заказные данные

Скачать Заказные данные 

Цена на сайте указана розничная в ЕВРО без учета НДС.Для уточнения цены и размера предоставляемой скидки - звоните или присылайте заявки

Заказной номерPGОписание продуктаЦена
7MC1907-1BA810СОЕДИНИТЕЛЬНАЯ ГОЛОВКА ФОРМА В, ДЛЯ НИЗКОГО/ВЫСОКОГО ДАВЛЕНИЯ, МЕТАЛЛ. ОТЛИВКА,1 КАБЕЛЬНЫЙ ВВОД, С РЕЗЬБОВОЙ КРЫШКОЙ 15.90
7MC1907-1BF810СОЕДИНИТЕЛЬНАЯ ГОЛОВКА ФОРМА В, ДЛЯ НИЗКОГО/ВЫСОКОГО ДАВЛЕНИЯ, ИЗ МЕТАЛЛ. СПЛАВА,1 КАБЕЛЬНЫЙ ВВОД, СО СТАНДАРТНОЙ ОТКИДНОЙ КРЫШКОЙ 19.08
7MC1907-1BK810СОЕДИНИТЕЛЬНАЯ ГОЛОВКА ФОРМА В, ДЛЯ НИЗКОГО/ВЫСОКОГО ДАВЛЕНИЯ, ИЗ МЕТАЛЛ. СПЛАВА,1 КАБЕЛЬНЫЙ ВВОД, С РЕЗЬБОВОЙ КРЫШКОЙ 12.72
7MC1907-1BL810СОЕДИНИТЕЛЬНАЯ ГОЛОВКА ФОРМА В, ДЛЯ НИЗКОГО/ВЫСОКОГО ДАВЛЕНИЯ, ДЛЯ ТЕРМОМЕТРОВ ДЫМОВЫХ ГАЗОВ, ДЛЯ ТЕРМОМЕТРОВ С ФЛАНЦЕВЫМ СОЕДИНЕНИЕМ ИЗ МЕТАЛЛ. СПЛАВА, 1 КАБЕЛЬНЫЙ ВВОД, С ВЫСОКОЙ ОТКИДНОЙ КРЫШКОЙ 30.53
7MC1907-1BS810ХОМУТ ДЛЯ БЫСТРОГО СОЕДИНЕНИЯ 5.30
7MC1907-1BV810СОЕДИНИТЕЛЬНАЯ ГОЛОВКА ФОМА В-VA ИЗ НЕРЖ. СТАЛИ С ВИНТОВОЙ КРЫШКОЙ И 1 КАБЕДЬНЫМ ВВОДОМ 125.08