0

Разделы

Преобразователь частоты G110D для распределенной периферии

Серия преобразователей частоты SINAMICS G110D это решение для простых задач сприводами в области подъёмно-транспортного оборудования. Преобразователь позволяет плавно регулировать скорость трехфазных асинхронных двигателей и отвечает требованиям транспортных приложений с частотным управлением. Благодаря своей компактной и плоской конструкции со степенью защиты IP65 он оптимально вписывается в установку. Через AS-Interface возможна макс. интеграция привода в систему автоматизации TIA от Siemens. Благодаря своему широкому диапазону мощностей от 0,75 кВт до 7,5 кВт он может использоваться во множестве децентрализованных решений с приводами.

Пример: SINAMICS G110D типоразмер FSA

Причины выбора децентрализованной приводной техники
  • модульные решения с приводами – это стандартные, тестируемые по отдельности мехатронные элементы
  • не требуется электрошкаф и тем самым меньше места и в охлаждении
  • отсутствие длинных кабелей между преобразователем и двигателем (меньше потерь мощности, меньше эмиссия помех, сокращение расходов на экранированные кабели и дополнительные фильтры)
  • для подъёмно-транспортного оборудования с его большим удаление объектов друг от друга (к примеру, в автомобильной промышленности или логистике) децентрализованная приводная техника является значительным преимуществом
Семейство децентрализованных приводов от Siemens

решений с приводами Siemens предлагает инновационную линейку преобразователей частоты. Сильные стороныотдельных участников линейки обеспечивают простое согласование с требованиями различных приложений:

  • идентичная соединительная техника
  • идентичные монтажные размеры SINAMICS G110D и SINAMICS G120D
  • унифицированные инструменты для ввода в эксплуатацию и проектирования

Продукты семейства децентрализованных приводов:

  • преобразователи частоты SINAMICS G110D
  • преобразователи частоты SINAMICS G120D
  • преобразователи частоты SIMATIC ET 200S FC
  • преобразователи частоты SIMATIC ET 200pro FC
  • устройство плавного пуска SIRIUS M200D
Конструкция устройства

SINAMICS G110D это компактный преобразователь со степенью защиты IP65, объединяющий в себе управляющий модуль (CU) и силовой модуль (PM).

Управляющая электроника управляет и контролирует силовую электронику и подключенный двигатель в нескольких типах регулирования по выбору. Находящиеся на устройстве цифровые и аналоговые входы позволяют подключать сенсорику непосредственно к приводу. Входные сигналы могут обрабатываться либо непосредственно в управляющем модуле и автономно запускать локальные реакции, либо они направляются через AS-Interface на централизованную систему управления, где обрабатываются в контексте системы в целом.

Силовая электроника питает двигатель в диапазоне мощностей от 0,75 кВт до 7,5 кВт. Она управляется микропроцессором из управляющего модуля. Для макс. надежной и гибкой работы двигателя используется самая современная технология IGBT с широтноимпульсной модуляцией. Различные функции безопасности обеспечивают высокий уровень защиты преобразователя и двигателя. Необычно плоская механическая конструкция оптимизирована для использования непосредственно в установке. Компактный преобразователь имеет одинаковые установочные отверстия для всех мощностей (стандартное „посадочное место“), кроме этого, размеры идентичны таковым преобразователя частоты SINAMICS G120D. Это значительно упрощает конструирование, монтаж и реконструкцию установки.

Актуальная техническая документация (каталоги, габаритные чертежи, сертификаты, справочники и руководства по эксплуатации) могут быть получены в Интернете по адресу:http://www.siemens.com/sinamics-g110d/documentation

или offline на DVD CA 01 в DT-конфигураторе. Дополнительно DT-конфигуратор может использоваться без установки в Интернете. По следующему адресу DT- конфигуратор находится в Industry Mall о Siemens: http://www.siemens.com/dt-configurator

ПО для ввода в эксплуатацию STARTER

ПО для ввода в эксплуатацию STARTER (от версии 4.1.3) упрощает ввод в эксплуатацию и ТО преобразователя SINAMICS G110D. Оно предлагает мастера для простого и быстрого ввода в эксплуатацию, в комбинации с удобными для пользователя и обширными функциями для решения с приводом.

Данные для выбора и заказные данные

Ном. мощность1)

Ном. выходнойток 2)

Входной ток

Типоразмер

SINAMICS G110Dсо встроенным сетевымфильтром класса A

SINAMICS G110Dсо встроенным сетевымфильтром класса A ивстроенным сервиснымвыключателем

кВт

л.с.

A

A

 формат

Заказной №

Заказной №

3 AC 380 … 500 В 3)

0.75

1.0

2.3

2.0

FSA

6SL3511-0PE17-5AM0

6SL3511-1PE17-5AM0

1.5

1.5 4)

4.3

3.8

FSA

6SL3511-0PE21-5AM0

6SL3511-1PE21-5AM0

3.0

4.0

7.7

7.0

FSA

6SL3511-0PE23-0AM0

6SL3511-1PE23-0AM0

4.0

5.0

10.2

9.1

FSB

6SL3511-0PE24-0AM0

6SL3511-1PE24-0AM0

5.5

7.5

13.2

12.2

FSC

6SL3511-0PE25-5AM0

6SL3511-1PE25-5AM0

7.5

10

19.0

17.9

FSC

6SL3511-0PE27-5AM0

6SL3511-1PE27-5AM0

1) Ном. мощность на основе ном. выходного тока In. В основе ном.выходного тока In лежит нагрузочный цикл для высокой перегрузки(high overload HO).2) В основе ном. выходного тока In лежит нагрузочный цикл для высокой перегрузки (high overload HO). Эти значения тока действуют при 400 Ви указаны на шильдике.

3) Вне режима UL возможны 500 В +10 %.4) Релевантные стандарты отсутствуют.

 


Особенности

Преобразователь частоты G110D для распределенной периферии
  • Большой диапазон мощности от 0.75 кВт до 7.5 кВт
  • Гибкое использование благодаря обширным устройствам параметрирования и разным интерфейсам (AS интерфейс, по спецификации 3.0)
    •  Меньшее количество интерфейсов
    •  Интегрированный инжиниринг
    •  Простое использование
  • Компактная, не занимающая много места конструкция, бесшумная работа двигателя в результате высокоимпульсной частоты  
  • Увеличение доступности благодаря тому, что отдельные модули и силовые компонеты могут быть заменены легко и быстро. Контсрукция заменяемых компонент основана  на принципе легкой и быстрой замены.
  • Идентичность кабелей, тем, что используются для SIRIUS M200D устройства мягкого пуска
  • Идентичность продуктов из серии для распределенной периферии для всеобъемлющего решения задач:
    • - SIRIUS M200D (устройство мягкого пуска)
    • - SINAMICS G110D (для базовых конвейерных систем)
    • - SINAMICS G120D (для сложных конвейерных систем)
  •  Быстрая стандартная пуско-наладка путем копирования параметров с помощью опционной панели оператора
  • Быстрое ограничение тока для безотказной работы в случае неожиданных перегрузок
  • Простое подключение, установка, обслуживание и контроль благодаря полной интеграции в систему TIA (Totally Integrated Automation)
  • Увеличение доступности оборудования в результате автоматического перезапуска, следующего за отключением электропитания или остановом
  • Функции безопасности упрощают интеграцию привода в станки или оборудлование, ориентированное на безопасность
  • Все рабочие показатели могут отслеживаться напрямую, предустановочные функции делают возмодным подогнать преобразователь под индивидуальные требования. 
  • Встроенный фильтр класса A EMC (согласно  EN 55011)
  • Встроенный тормозной блок с диапазоном напряжения 400 В AC/180В DC и 230 В AC/205 В DC
  • Встроенная термическая защита двигателя благодаря PTC, Thermo-Click или KTY 84 температурным датчикам
  • Простая замена устройств и быстрое копирование параметров с помощью опционной платы памяти MMC
  •  Проектирование и пуско-наладка с помощью программ проектирования, таких как SIZER, STARTER и Drive ES: ускоряет проектирование и упрощает пуско-наладку – Drive ES обеспечивает интеграции в среду автоматизации
  •  DIP переключатели для быстрой адаптации для 50 Гц или 60 Гц
  • Увеличенная степень износа и срок службы двигателя
  • Сертификация по всему миру: CE, UL, c-tick

 


Дизайн

Преобразователь частоты G110D для распределенной периферии

SINAMICS G110D компактный преобразователь частоты для распределенной периферии, используется в стандартных приводах. В одном устройстве соединены Модуль Питания и Блок Управления.  

Образец SINAMICS G110D со встроенным выключателем и ручной функцией контроля

SINAMICS G110D оснащен встроенным тормозным реле  и подходит для приводов с распредленной периферией.

Также присоединены внешние тормозные резисторы, которые рассеивают избыточную мощность в сети. Соединение опосредовано локальными входами (цифровыми или аналоговыми) или через  AS интерфейс, который доступен в стандартном исполнении.

Образец: SINAMICS G110D со встроенным эксплуатационным выключателем

Преобразователь доступен в 2 исполнениях: с/без эксплуатационного выключателя. Используя данный выключатель, преобразователь может быть просто отсоединен от питающей сети без дополнительных компонентов и электроэнергетических затрат, в случае необходимости сервисного обслуживания.

Дополнительное оборудование

Тормозные резисторы

Избыточная мощность в сети DC рассеивается с помощью тормозного резистора. Тормозные резисторы предназначены для использованря с силовыми модулями PM240. Они характеризуются встроенным тормозным прерывателем (электронный переключатель, который соединяет "тормозной резистор" со специфичным отношением «импульс-не импульс» с сетевым напряжением DC для преобразования энергию генератора (торможение) в энергию тепла и в итоге для ограничения сетевого напряжения DC до допустимых значений).

Интеллектуальная ручная панель оператора IOP 

Простая в использования и очень мощная панель оператора, для диагностики, контроля и мониторинга преобазователя SINAMICS G110D.

Ручной контроль питания. 

Контроль может осуществляться автоматически и также ручным способом. Он также может быть применим при необходимости выключения преобразователя. В него входят такие функции как: включение двигателя, переключение направления вращения, деактивация быстрой остановки в ручном режиме.

Плата памяти MMC

Установки параметров для преобразоваетеля сохраняются на плате памяти MMC. Во время сервисного обслуживания оборудования оно сразу же снова готово для использования после, например, замены частотного преобразователя и передачи данных с платы памяти. Плата MMC вставляется в блок управления сверху. Для расширения системы также имеется большое количество компонентов, например, силовые компоненты со стороны сети, компоненты сети DC, силовые компоненты со стороны нагрузки и дополнительные компоненты системы. 

Разъем для платы памяти MMC

Для использования платы памяти MMC требуется разъем который находится под контрольной панелью преобразователя.

RS232 кабель для подключения к  ПС

Для управления и пуско-наладки преобразователя непосредственно с ПК, если инсталлировано соответствующе программное обеспечение (STARTER).Программа пуско-наладки STARTER поставляется на DVD.

USB кабель для подключения к ПС

Для управления и пуско-наладки преобразователя непосредственно с ПК, если инсталлировано соответствующе программное обеспечение (STARTER).Программа пуско-наладки STARTER поставляется на DVD.

Адаптер для установки SINAMICS G110D вместо SIRIUS M200D

Адаптированный кабель для поключения преобразователя частоты SINAMICS G110D в разъемы устройства мягкого пуска SIRIUS M200D.

Кабель соединения

Кабель доступен как дополнительное оборудование для подключения двигателя к питающей сети.

Также его возможно использовать для соединения последовательного AS интерфейса и для подключения Силовокго модуля и блока управления в одном устройстве.

Запасные части

Доступны небольшие запасные части такие как: уплотнение, колпачки и винты.

Запасной вентилятор

Доступен вентилятор на замену, включая  защитную крышку и винты.

 

 


Интеграция

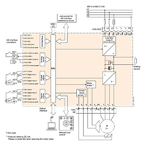
Преобразователь частоты G110D для распределенной периферии

Преобразователи частоты SINAMICS G110D в стандартном исполнении имеют следующие интерфейсы:

  • Подключение к двигателю через HAN Q8 (коннектор) включая контроль за тормозным блоком и датчики температуры
  • Подключение к питающей сети через HAN Q4/2
  • Подключение к тормозному резистору со степенью защиты IP65 через трехфазный коннектор
  • AS-интерфейс подключение через M12 (коннектор)
  • 4 цифровых входа через M12 
  • 1 аналоговый вход через M12; может быть также использован как цифровой вход
  • Подключение к AS-Interface через контактный штекер

Последовательный интерфейс идентичен у SINAMICS G120D и у SIRIUS M200D.

 

SINAMICS G110D со встроенным фильтром класса А, диаграмма подключения

 


Конфигурация

Преобразователь частоты G110D для распределенной периферии

Для преобразователей SINAMICS G110D имеются следующие инструментальные средства конфигурации электроники и проектирования:

Конфигуратор – помощник в выборе SD,каталог CA 01

Интерактивный каталог CA 01 – автономный молл департамента Automation and Drives (A&D) – содержит свыше 100000 продуктов прибл. с 5 миллионами потенциальных вариантов системы привода. Конфигуратор SD был разработан для упрощения выбора правильного двигателя и/или преобразователя из широкого спектра продуктов A&D SD. Конфигуратор интегрирован в этот каталог с инструментами выбора и конфигурации в качестве "помощника в выборе" на CD 2 "Configuring".

Конфигуратор – помощник в выборе SD, он-лайн версия

Также программа SD Configurator может быть использована в он-лайн версии без непосредственной установки, перейдите по ссылке:

http://www.siemens.com/

Программное обеспечение пуско-наладки привода STARTER

Программное обеспечение пуско-наладки привода STARTER обеспечивает поддержку с помощью меню во время пуско-наладки, оптимизации и диагностики. STARTER предназначен не только для использования на приводах SINAMICS, но и для устройств MICROMASTER4 и частотных преобразователей для централизованной периферии SIMATIC ET 200S FC.

 

Система проектирования Drive ES

Drive ES – это система проектирования, используемая для простой, эффективной и экономичной интеграции технологии приводов Siemens в среду автоматизации SIMATIC касательно коммуникации, конфигурации и управления данными. Пользовательский интерфейс STEP 7 Manager обеспечивает базу для этой процедуры. Для SINAMICS предлагается множество пакетов программного обеспечения, например, Drive ES Basic, Drive ES SIMATIC и Drive ES PCS 7.

 


Технические данные

Преобразователь частоты G110D для распределенной периферии

Если не определено что-либо иное, для всех последующих компонентов преобразователя SINAMICS G110D действуют следующие технические спецификации.

Общие технические характеристики

Механические данные

Вибрационная нагрузка по EN 60068-2-6

 

  • Транспортировка 1)

5 … 9 Гц: постоянное отклонение 3.1 мм9 … 200 Гц: постоянное ускорение= 9.81 м/с2 (1 × g)

  • Эксплуатация

2 … 9 Гц: k постоянное отклонение 7 мм9 … 200 Гц: постоянное ускорение= 19.62 м/с2 (2 × g)

Ударная нагрузка по EN 60068-2-27

 

  • Транспортировка  1)

147.15 м/с2 (15 × g)/11 мс

3 толчка по любой из осей и направлению

  • Эксплуатация

147,15 м/с2 (15 × g)/11 мс

3 толчка по любой из осей и направлению

Степень защиты

IP65

Окружающие условия

Класс защиты по EN 61800‑5‑1

Класс III (PELV)

Защита от ударов по EN 61800‑5‑1

Класс I (mit Schutzleitersystem)

Макс. влажность,

95 % на 40 °C

Температура окружающей среды

 

  • Хранение1) по EN 60068‑2‑1

-40 … +70 °C

  • Транспортировка 1) по EN 60068‑2‑1

-40 … +70 °C

  • Эксплуатация по EN 60068‑2‑2

-10 … +40 °C без выхода из нормы> 40 … 55 °C см. коэффициэнты выхода из нормы

Температурный класс/вредные химические вещества

 

  • Эксплуатация по EN 60721‑3‑3

класс 3C2

Степень загрязнения по EN 61800‑5‑1

2

Стандарты

Соответствие стандартам

UL 508C (UL-Listennummer E121068), CE, c-tick

CE

Соответствие правилам о низком напряжении 73/23/EWG и директиве машиностроения  98/37/EG

EMC-директива2) в соответствии с EN 61800‑3 (соответствие классу A по EN 55011)

 

  • Типоразмеры от FSA до FSC со всроенным фильтром класс A

категория C2 3)

Note: Стандарт по ЭМС EN 61800-3 не применяется напрямую к преобразователю частоты, но применяется ко всей системе привода, которая включает в себя всю цепь, двигатель с проводами и дополнительные элементы к преобразователю частоты. Преобразователь частоты как отдельный элемент не требует идентификации в соответствии со стандартом по ЭМС.

1) В транспортной упаковке.

2) Для дополнительной информации смотрите SINAMICS G110 Технические характеристики, Соответствие стандартам.

3) С экранированным кабелем двигателя до 15 м.

Технические спецификации, электрические

Электрические характеристики

Рабочее напряжение

 DC 24 В необходимо

Максимальное потребление 1)

(из невыключенного 24 В питания, желтый AS-кабель)

320 мA

Максимальное потребление

(из выключенного 24 В питания, черный AS-кабель)

 

  • без дополнителльного вентилятора

180 мA

  • с дополнительным вентилятором

350 мA

Фиксированные частоты

6, параметрируемые

Интерфейс

Цифровые входы

4

Аналоговый вход

(0 ... 10 V)

1

Интерфейс

AS-Interface

PTC/KTY интерфейс

подключение через силовой модуль

  • Температурный датчик двигателя

1 вход,могут быть подключены: PTC, KTY или Thermo-Click

Интерфейс тормозного реле

подключение через силовой модуль

MMC разъем для платы памяти

стандартный

RS232 интерфейс

подключение кабеля RS232 интерфейса через оптический интерфейс модуля управления

USB интерфейс

подключение кабеля USB интерфейса через оптический интерфейс модуля управления

Функции управления по разомкнутому и замкнутому циклу

V/f линейное/квадратичное/параметрируемое

✓ 

V/f  с управлением потока тока (FCC)

✓ 

Функци защиты

  • BICO технология
  • Автоматический запуск после падения напряжения или оперрационной ошибки
  • Компенсация пробуксовки
  • Функциональные блоки (FFB), определяемые пользователем, для логических и арифметических операций
  • Кинетическая буферизация
  • 3 выбираемых набора данных привода
  • 3  выбираемых набора данных привода(CDS) (ручной/автоматический)
  • Подхват на ходу
  • JOG (толчок)
  • Технологический контроллер (PID)
  • Тепловая защита двигателя
  • Тепловая защита преобразователя частоты
  • Setpoint input технология
  • Идентификация двигателя
  • Управление удерживающим тормозом двигателя

1) Включает потребление подсоединенных датчиков.В аналоговом входе напряжение, 0 В до 10 В.

 

Общие технические и электрические храктеристики

Рабочее напряжение

 380 ... 500 В ±10 % 3 AC

Рекомендованное напряжение сети и схема пдключения uK

keine Einschränkung

Входная частота

47 ... 63 Гц

Выходная частота

 

  • Тип управления V/f

0 ... 650 Гц

Частота импульсов

4 кГц (стандарт), höhere Pulsfrequenzen bis 16 кГц siehe Derating-Daten

Силовой фактор

0.7 ... 0.85

Эффективность преобразователяη

95 %

Глубина модуляции

95 %

Перегрузочная способность

 

  • Высокая перегрузка (HO)
  • Максимальный номинальный выходной ток за время цикла в 300 с
  • 1.5 x расчетный выходной ток в течении 60 с, время цикла 300 с
  • 2 × расчетный выходной ток в течении 60 с, время цикла 300 с

Электромагнетическая совместимость

Встроенный фильтр класс A в соответствии с EN 55011

Возможные методы торможения

DC тормоз

встроенный тормозной контроль 180 В DC (соответствует 400 В AC)и 205 В DC (соответствует 230 В AC)Быстрое торможение DC

  • Выходной ток, макс.
  • 600 мА (с UL )
  • 1 A (без UL )

Разрешенная установка

Горизонтальное установление на стену или обычная горизонтальная установка

Влажность

< 95 % RH, конденсат не допустим

Охлаждение

  • методом конвекции
  • встроенным вентилятром

Высота установки над уровнем моря

  • больше 1000 м над уровнем моря без изменения мощности
  • > 1000 м смотрите данные по дефорсированию.

Standard Short Circuit Current Rating(SCCR) 1)

10 kA

Функции защиты по

  • Пониженному напряжению
  • Перенапряжению
  • Перегрузке
  • Включению на земля 
  • Короткому замыканию  
  •  Блокировке двигателя
  •  Перегреву преобразователя
  •  Перегреву двигателя
  • Подхват на ходу
  • Компенсация пробуксовки

Соответствие стандартам

UL 508C (UL list number E121068), CE, c-tick

CE маркировка

соответствует правилам о низком напряжении 73/23/EEC и машиностроительной директиве 98/37/EC

1) В соответствии с NEC Article 409/UL 508A. Для дополнительной информации перейдите по ссылке:

http://support.automation.siemens.com/WW/view/en/23995621

 

Технические характеристики SINAMICS G110D

Напряжение питающей сети 380 ... 500 В 3 AC

6SL3511- .PE17‑5AM0

6SL3511- .PE21‑5AM0

6SL3511- .PE23‑0AM0

6SL3511- .PE24‑0AM0

6SL3511- .PE25‑5AM0

6SL3511- .PE27‑5AM0

Номинальный выходной ток Irated1)

A

2.3

4.3

7.7

10.2

13.2

19

Выходной токImax

A

4.6

8.6

15.4

20.4

26.4

38

Номинальная частота импульсов

кВт

0.75

1.5

3

4

5.5

7.5

Эффективность η

кГц

4

4

4

4

4

4

Номинальная мощность

%

95

95

95

95

95

95

Номинальный входной ток2)

A

2.0

3.8

7.0

9.1

12.2

17.9

Подсоединение к питающей сетиU1/L1, V1/L2, W1/L3, PE

 

HAN Q4/2 (коннектор)

HAN Q4/2 (коннектор)

HAN Q4/2 (коннектор)

HAN Q4/2 (коннектор)

HAN Q4/2 (коннектор)

HAN Q4/2 (коннектор)

  • Поперечное сечение

мм2

1.5 ... 6

1.5 ... 6

2.5 ... 6

2.5 ... 6

4 ... 6

4 ... 6

Подсоединение двигателяU2, V2, W2, PE, тормоз, датчик температуры

 

HAN Q8 (гнездо)

HAN Q8 (гнездо)

HAN Q8 (гнездо)

HAN Q8 (гнездо)

HAN Q8 (гнездо)

HAN Q8 (гнездо)

  • Поперечное сечение

мм2

1 ... 4

1 ... 4

2.5 ... 4

2.5 ... 4

4

4

Длина кабеля двигателя,макс.

м

15

15

15

15

15

15

Степень защиты

 

IP65

IP65

IP65

IP65

IP65

IP65

Размеры

 

 

 

 

 

 

 

  • Ширина

мм

450

450

450

450

450

450

  • Высота

мм

210

210

210

210

210

210

  • Глубина

 

 

 

 

 

 

 

  • Без эксплуатационного выключателя

мм

125

125

125

165

240

240

  • С эксплуатационным выключателем

мм

145

145

145

165

240

240

Типоразмер

 

FSA

FSA

FSA

FSB

FSC

FSC

Вес,приблизительно

 

 

 

 

 

 

 

  • Без эксплуатационного выключателя

кг

6.7

6.7

6.9

7.4

9.4

9.5

  • С эксплуатационным выключателем

кг

7.0

7.0

7.2

7.7

9.7

9.8

1) Номинальный выходной ток базируется на рабочем цикле для большой перегрузки (HO).

2) Входной ток зависит от сопротивления питающей сети. uK = 1 %.

 


Характеристика

Преобразователь частоты G110D для распределенной периферии
Данные по дефорсированию

Частота импульсов

Номинальная мощность

при 3 AC 400 В

Номинальная сила выходного тока A

при частоте импульсов

кВт

л.с.

4 кГц

6 кГц

8 кГц

10 кГц

12 кГц

14 кГц

16 кГц

0.75

1.0

2.2

1.9

1.5

1.3

1.1

1.0

0.9

1.5

1.5 1)

4.1

3.5

2.9

2.5

2.1

1.8

1.6

3.0

4.0

7.7

6.5

5.4

4.6

3.9

3.5

3.1

4.0

5.0

10.2

8.7

7.1

6.1

5.1

4.6

4.1

5.5

7.5

13.2

11.2

9.2

7.9

6.6

5.9

5.3

7.5

10

19

16.2

13.3

11.4

9.5

8.6

7.6

1) Невозможные дополнительные задания к выбранному стандарту.

Температура окружающей среды

Высота установки над уровнем моря

 


Чертеж

Преобразователь частоты G110D для распределенной периферии

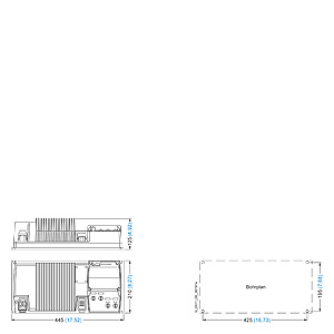
SINAMICS G110D типоразмера FSA со встроенным фильтром класс A

SINAMICS G110D типоразмера FSB со встроенным фильтром класса A

 

SINAMICS G110D типоразмера FSC со встроенным фильтром класса A

Крепление 4 винта М5, 4 гайки М5, 4 шайбы М5.

Рекомендуемая вентиляция (для установки на стене) снизу и сверху: 150 мм (5,9дюйма).

Все размеры в мм (в скобках в дюймах).

 

SINAMICS G110D типоразмера FSA со встроенным фильтром класса A и эксплуатационным выключателем.

SINAMICS G110D типоразмера FSB со встроенным фильтром класса A и эксплуатационным выключателем.

 

SINAMICS G110D типоразмера FSC со встроенным фильтром класса A и эксплуатационным выключателем.

Крепление 4 винта М5, 4 гайки М5, 4 шайбы М5

Рекомендуемая вентиляция (для установки на стене) снизу и сверху: 150мм (5.9 дюйма).

Все размеры в мм (в скобках в дюймах).

 


Заказные данные

Цена на сайте указана розничная в ЕВРО без учета НДС.Для уточнения цены и размера предоставляемой скидки - звоните или присылайте заявки

Заказной номерPGОписание продуктаЦена
6SL3511-0PE17-5AM0346SINAMICS G110D ПРИВОД ПЕР. ТОКА С РЕМОНТНЫМ ВЫКЛЮЧАТЕЛЕМ, СО ВСТРОЕННЫМ ФИЛЬТРОМ КЛАССА А, СО ВСТРОЕННЫМ ТОРМОЗНЫМ МОДУЛЕМ, С ШИННЫМ ИНТЕРФЕЙСОМ AS 3-ФАЗН.380-500В +10/-10% 47-63 ГЦ ВЫСОКИЙ УРОВЕНЬ ПЕРЕГРУЗКИ: 0,75 КВТ ПРИ 200% 3С,150% 60С,100% 300С ТЕМП. 751.58
6SL3511-0PE21-5AM0346SINAMICS G110D ПРИВОД ПЕР. ТОКА С РЕМОНТНЫМ ВЫКЛЮЧАТЕЛЕМ, СО ВСТРОЕННЫМ ФИЛЬТРОМ КЛАССА А, СО ВСТРОЕННЫМ ТОРМОЗНЫМ МОДУЛЕМ, С ШИННЫМ ИНТЕРФЕЙСОМ AS 3-ФАЗН.380-500В +10/-10% 47-63 ГЦ ВЫСОКИЙ УРОВЕНЬ ПЕРЕГРУЗКИ: 1,5 КВТ ПРИ 200% 3С,150% 60С,100% 300С ТЕМП. 885.19
6SL3511-0PE23-0AM0346SINAMICS G110D ПРИВОД ПЕР. ТОКА С РЕМОНТНЫМ ВЫКЛЮЧАТЕЛЕМ, СО ВСТРОЕННЫМ ФИЛЬТРОМ КЛАССА А, СО ВСТРОЕННЫМ ТОРМОЗНЫМ МОДУЛЕМ, С ШИННЫМ ИНТЕРФЕЙСОМ AS 3-ФАЗН.380-500В +10/-10% 47-63 ГЦ ВЫСОКИЙ УРОВЕНЬ ПЕРЕГРУЗКИ: 3,0 КВТ ПРИ 200% 3С,150% 60С,100% 300С ТЕМП. 1135.72
6SL3511-0PE24-0AM0346SINAMICS G110D ПРИВОД ПЕР. ТОКА С РЕМОНТНЫМ ВЫКЛЮЧАТЕЛЕМ, СО ВСТРОЕННЫМ ФИЛЬТРОМ КЛАССА А, СО ВСТРОЕННЫМ ТОРМОЗНЫМ МОДУЛЕМ, С ШИННЫМ ИНТЕРФЕЙСОМ AS 3-ФАЗН.380-500В +10/-10% 47-63 ГЦ ВЫСОКИЙ УРОВЕНЬ ПЕРЕГРУЗКИ: 4,0 КВТ ПРИ 200% 3С,150% 60С,100% 300С ТЕМП. 1325.00
6SL3511-0PE25-5AM0346SINAMICS G110D ПРИВОД ПЕР. ТОКА С РЕМОНТНЫМ ВЫКЛЮЧАТЕЛЕМ, СО ВСТРОЕННЫМ ФИЛЬТРОМ КЛАССА А, СО ВСТРОЕННЫМ ТОРМОЗНЫМ МОДУЛЕМ, С ШИННЫМ ИНТЕРФЕЙСОМ AS 3-ФАЗН.380-500В +10/-10% 47-63 ГЦ ВЫСОКИЙ УРОВЕНЬ ПЕРЕГРУЗКИ: 5,0 КВТ ПРИ 200% 3С,150% 60С,100% 300С ТЕМП. 1614.50
6SL3511-0PE27-5AM0346SINAMICS G110D ПРИВОД ПЕР. ТОКА С РЕМОНТНЫМ ВЫКЛЮЧАТЕЛЕМ, СО ВСТРОЕННЫМ ФИЛЬТРОМ КЛАССА А, СО ВСТРОЕННЫМ ТОРМОЗНЫМ МОДУЛЕМ, С ШИННЫМ ИНТЕРФЕЙСОМ AS 3-ФАЗН.380-500В +10/-10% 47-63 ГЦ ВЫСОКИЙ УРОВЕНЬ ПЕРЕГРУЗКИ: 7,5 КВТ ПРИ 200% 3С,150% 60С,100% 300С ТЕМП. 1993.07
6SL3511-1PE17-5AM0346SINAMICS G110D ПРИВОД ПЕР. ТОКА С РЕМОНТНЫМ ВЫКЛЮЧАТЕЛЕМ, СО ВСТРОЕННЫМ ФИЛЬТРОМ КЛАССА А, СО ВСТРОЕННЫМ ТОРМОЗНЫМ МОДУЛЕМ, С ШИННЫМ ИНТЕРФЕЙСОМ AS 3-ФАЗН.380-500В +10/-10% 47-63 ГЦ ВЫСОКИЙ УРОВЕНЬ ПЕРЕГРУЗКИ: 0,75 КВТ ПРИ 200% 3С,150% 60С,100% 300С ТЕМП. 818.38
6SL3511-1PE21-5AM0346SINAMICS G110D ПРИВОД ПЕР. ТОКА С РЕМОНТНЫМ ВЫКЛЮЧАТЕЛЕМ, СО ВСТРОЕННЫМ ФИЛЬТРОМ КЛАССА А, СО ВСТРОЕННЫМ ТОРМОЗНЫМ МОДУЛЕМ, С ШИННЫМ ИНТЕРФЕЙСОМ AS 3-ФАЗН.380-500В +10/-10% 47-63 ГЦ ВЫСОКИЙ УРОВЕНЬ ПЕРЕГРУЗКИ: 1,5 КВТ ПРИ 200% 3С,150% 60С,100% 300С ТЕМП. 952.00
6SL3511-1PE23-0AM0346SINAMICS G110D ПРИВОД ПЕР. ТОКА С РЕМОНТНЫМ ВЫКЛЮЧАТЕЛЕМ, СО ВСТРОЕННЫМ ФИЛЬТРОМ КЛАССА А, СО ВСТРОЕННЫМ ТОРМОЗНЫМ МОДУЛЕМ, С ШИННЫМ ИНТЕРФЕЙСОМ AS 3-ФАЗН.380-500В +10/-10% 47-63 ГЦ ВЫСОКИЙ УРОВЕНЬ ПЕРЕГРУЗКИ: 3,0 КВТ ПРИ 200% 3С,150% 60С,100% 300С ТЕМП. 1202.53
6SL3511-1PE24-0AM0346SINAMICS G110D ПРИВОД ПЕР. ТОКА С РЕМОНТНЫМ ВЫКЛЮЧАТЕЛЕМ, СО ВСТРОЕННЫМ ФИЛЬТРОМ КЛАССА А, СО ВСТРОЕННЫМ ТОРМОЗНЫМ МОДУЛЕМ, С ШИННЫМ ИНТЕРФЕЙСОМ AS 3-ФАЗН.380-500В +10/-10% 47-63 ГЦ ВЫСОКИЙ УРОВЕНЬ ПЕРЕГРУЗКИ: 4,0 КВТ ПРИ 200% 3С,150% 60С,100% 300С ТЕМП. 1391.81
6SL3511-1PE25-5AM0346SINAMICS G110D ПРИВОД ПЕР. ТОКА С РЕМОНТНЫМ ВЫКЛЮЧАТЕЛЕМ, СО ВСТРОЕННЫМ ФИЛЬТРОМ КЛАССА А, СО ВСТРОЕННЫМ ТОРМОЗНЫМ МОДУЛЕМ, С ШИННЫМ ИНТЕРФЕЙСОМ AS 3-ФАЗН.380-500В +10/-10% 47-63 ГЦ ВЫСОКИЙ УРОВЕНЬ ПЕРЕГРУЗКИ: 5,0 КВТ ПРИ 200% 3С,150% 60С,100% 300С ТЕМП. 1681.30
6SL3511-1PE27-5AM0346SINAMICS G110D ПРИВОД ПЕР. ТОКА С РЕМОНТНЫМ ВЫКЛЮЧАТЕЛЕМ, СО ВСТРОЕННЫМ ФИЛЬТРОМ КЛАССА А, СО ВСТРОЕННЫМ ТОРМОЗНЫМ МОДУЛЕМ, С ШИННЫМ ИНТЕРФЕЙСОМ AS 3-ФАЗН.380-500В +10/-10% 47-63 ГЦ ВЫСОКИЙ УРОВЕНЬ ПЕРЕГРУЗКИ: 7,5 КВТ ПРИ 200% 3С,150% 60С,100% 300С ТЕМП. 2059.88