0

Разделы

Скачать Заказные данные 
Накладные бесконтактные датчики

Инновационный и улучшенный зажим для системы измерения температуры, который был раньше достижим только используемыми ранее методами.

  • Для диаметра трубы от  4 до 57 мм, опционально выше 200 мм
  • Взаимозаменяемая вставка
  • Все нормальные выходные сигналы
  • Искробезопасная и Ех версии
  • Гинетическая версия по  EHEDG

 


Особенности

Скачать Заказные данные 
Накладные бесконтактные датчики
  • Быстрый отклик и высокая точность
  • Измерение температуры без мертвых пространств
  • Дополнительная ошибка по температуре (влияние температуры) приблизительно 0,2%/10 К
  • Может быть повторно калиброван
  • Снижение издержек во время установки и операций.  Не требует сварки,  легко демонтировать для перекалибровки.

 


Область применения

Скачать Заказные данные 
Накладные бесконтактные датчики

Инновационный зажим используется в системе измерения температуры прежде всего для температурного контроля и управления производственным процессом в пищевых и фармацевтических промышленностях, а также в стерийных производствах.

Это полностью заменяет обычно используемую действующую систему измерения, не имея ни одного из неудобств: открытые трубопроводы, высокая стоимость сварочных работ, проблема потока и гигиены.

 

 

Siemens clamp-on-техника

Обычное измерение в линии    

Измерения, сопоставимые с встроенными (контактными) измерениями.

Пример применения показан на трубопроводе 13 x 1.5 mm (0.51 x 0.06 inch) сделаннном из нерж. стали с использованием термопасты.

 

 


Дизайн

Скачать Заказные данные 
Накладные бесконтактные датчики

Измерение температуры выполняется с помощью модернизированного термометра сопротивления Pt100 с малым временем отклика, который помещен специальный одетый на трубу корпус, изготовленный из огнеупорной пластмассы. Измерительная вставка имеет специальный кончик температурного датчика, покрытый серебром, кончик равномерно прижимается к трубопроводу посредством пружины. Вставка гарантирует надёжный контакт к трубопроводу, что гарантирует надёжный результат измерений.

 


Интеграция

Скачать Заказные данные 
Накладные бесконтактные датчики

Устройство датчика Pt100 обычное, а также версия с соединительной головкой для установки преобразователя, стандартные сигналы 4-20 мА, а также HART, PROFIBUS PA и FOUNDATION fieldbus. Это гарантирует легкую интеграцию устройства.

 


Конфигурация

Скачать Заказные данные 
Накладные бесконтактные датчики

Чтобы гарантировать выбор правильного устройства, необходимо знать диаметр трубы, на которой будет установлен датчик. Для специальных размеров, сначала выберите правильный размер воротника и определите необходимый размер в дополнительном тексте. Экономящие место версии для узких инсталляционных условий (например, связки трубы) также доступны (быстрозакрепляющаяся версия).Необходимый сигнал продукции может быть выбран, как описано в разделе  "Интеграция". Кабельный ввод может быть разный. Доступна искробезопасная версия по ATEX, и для газов и для пыли. Для правильного назначения после перекалибровки и воротник и имеющая размеры вставка отмечены регистрационным номером и диаметром трубопровода. Эти данные могут также быть выгравированы если требуется. Кроме того, клиенты могут выбрать уставки для передатчика, маркировку TAG и выбор 4-х проводной версии.Мы рекомендуем использовать термо-пасту.

 


Програмирование

Скачать Заказные данные 
Накладные бесконтактные датчики

Версии PROFIBUS PA соединены шиной и используется программное обеспечение SIMATIC PDM. Датчики FOUNDATION fieldbus установлены AMS. HART версия может быть конфигурирована через HART модем и соединена с SIMATIC PDM или AMS.

Для датчиков с 4 ... 20 мА без HART протокола, требуется специальный модем и ПО SIPROM T. Мы рекомендуем пользоваться USB версии модема. Интерфейс USB также обеспечивает питание.

 


Технические данные

Скачать Заказные данные 
Накладные бесконтактные датчики

Вход

 

Измеряемая величина

Температура

Диапазон измерения

-20 °C ... +160 °C(-4 °F ... +320 °F)

Измеряемое сопротивление

1 x Pt100 согласно EN 60751, Class A в 3-х проводной версии

Выход

 

  • Сигнал сенсора

Pt100

  • Токовый сигнал

4 ... 20 мA

HART

4 ... 20 мA, наложенный HART

PROFIBUS PA и FOUNDATION fieldbus

Цифровой сигнал

Погрешность измерения

 

Время отклика/погрешность (смотри "Применения")

T0.9 = 6 с / приб. 0.5 °C (32.9 °F), стандартная версия

Сравнительные условия

 

  • Трубка

13 x 1.5 мм (0.51 x 0.06 дюйма) сделан из нерж. стали

  • Внешняя температура

20 °C (68 °F)

  • Среда-вода

120 °C (248 °F)

  • Скорость потока

3 м/с (9.84 фут/сек)

Условия использования

 

Номинальные диаметры трубы

Применяется для всех труб номинального диаметра 4 … 57 мм (0.16 … 2.24 дюйма).

Специальные версии до 200 мм (7.87 дюймов) возможна версия с ленточным хомутом

Степень защиты

IP65 согласно EN 60529(IP65 для трубной соединительной муфты и IP67 электрического соединения)

Конструкция

 

Электрическое соединение

  • Штекер M12 x 1.5 
  • Соединительная коробка из нерж. стали Mat. No. 1.4305 с кабельным вводом из полиамида для кабеля диаметром 3 … 6.5 mm

Вес

 

  • Версия со штекером M12

 

  • диаметр трубки 4 … 17.2 мм (0.16 … 0.7 дюйм)

прибл. 100 g

  • диаметр трубки 18 … 38 мм (0.7 … 1.5 дюйм)

прибл. 200 g 

  • диаметр трубки 38 … 57 мм (1.5 … 2.24 дюйм)

прибл. 250 g 

  • Версия с соединительной коробкой из нерж. стали

 

  • диаметр трубки 13.5 … 17.2 mm (0.53 … 0.7 дюйм)

прибл. 300 g 

  • диаметр трубки 18 … 38 mm (0.7 … 1.5 дюйм)

прибл. 400 g 

  • диаметр трубки 38 … 57 mm (1.5 … 2.24 дюйм)

прибл. 450 g 

Измеряемый вход

  • Специальная версия с соединительной коробкой из нерж. стали ; гигиеническая версия
  • Измерительная вставки из серебра, тепловое разделение через пластмассовую вставку.
  • Измерение вставки ввернуто в воротник с весенней напряженностью. Используйте thermo-смазку (см. принадлежности) до установки устройства.Measuring insert screwed into collar with spring tension. Use thermo-lubricant (see accessories) prior to mounting the device.

Труба

 

  • Материал

PVDF со встроенной системой в гигиеническом корпусе

  • Влияние внешней температуры

Прибл. 0.2 %/10 K

Сертификаты и допуски (available soon)

 

Explosion protection ATEX

 

EC сертификат

 

Тип защиты  "искробезопасное i"

  • II 1 G Ex ia IIC T6/T5/T4
  • II 2 G Ex ib IIC T6/T5/T4
  • II 1 D Ex iaD 20 T89°C
  • II 2 D Ex ibD 21 T121°C

Интерфейс

U i ≤ 30 V, Pi ≤ 200 mW

 

C i и Li are negligibly small.

 

 


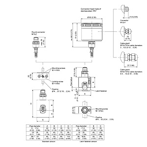
Чертеж

Скачать Заказные данные 
Накладные бесконтактные датчики

Resistance thermometers in clamp-on technique, round connector, field enclosure, cable gland, versions, dimensions in mm (inch)

 


Схема подключения

Скачать Заказные данные 
Накладные бесконтактные датчики

Схема подключений соединительной головки

 

Схема соединения 4-/8-контактным круглым штекером M12

 


Заказные данные

Скачать Заказные данные 

Цена на сайте указана розничная в ЕВРО без учета НДС.Для уточнения цены и размера предоставляемой скидки - звоните или присылайте заявки

Заказной номерPGОписание продуктаЦена
7MC8016-.....810RESISTANCE THERMOMETERS FOR FOOD, PHARMACEUTICALS AND BIOTECHNOLOGY, CLAMP-ON-RTD, WITH EXCHANCEABLE INSERT 295.74

 


Аксессуары

Скачать Заказные данные 

Цена на сайте указана розничная в ЕВРО без учета НДС.Для уточнения цены и размера предоставляемой скидки - звоните или присылайте заявки

Заказной номерPGОписание продуктаЦена
7MF4997-1DA807HART-модем с интерфейсом RS232 для подключения преобразователей к компьютеру. 414.46
7MF4997-1DB807HART-модем с интерфейсом USB для подключения преобразователей к компьютеру. 534.24
7NG3092-8KM806МОДЕМ С ИНТЕРФЕЙСОМ RS232 ДЛЯ ПАРАМЕТРИРОВАНИЯ ИЗМЕРИТЕЛЬНЫХ ПРЕОБРАЗОВАТЕЛЕЙ ТЕМПЕРАТУРЫ SITRANS TH100/200, С ПРОГРАММНЫМ ОБЕСПЕЧЕНИЕМ SIPROM T 287.26
7NG3092-8KU806МОДЕМ С USB- ИНТЕРФЕЙСОМ ДЛЯ ПАРАМЕТРИРОВАНИЯ ИЗМЕРИТЕЛЬНЫХ ПРЕОБРАЗОВАТЕЛЕЙ ТЕМПЕРАТУРЫ SITRANS TH100/200, С ПРОГРАММНЫМ ОБЕСПЕЧЕНИЕМ SIPROM T 228.96
A5E00364512806CD-ROM FOR TEMPERATURE MEASURE- MENT DEVICES WITH DOKUMENTATION AND SOFTWARE SIPROM T 7.74