0

Разделы

MPS серия (погружной прибор) - Датчики относительного, абсолютного и дифдавления

MPS серия (погружной прибор) - Датчики относительного, абсолютного и дифдавления

SITRANS P измерительный преобразователь уровня, серии MPS (погружной)

SITRANS P измерительный преобразователь уровня, серии MPS, является погружным сенсором для измерения уровня гидростатическим способом.

Измерительные преобразователи серии MPS поставляются в рразличных конфигурациях.

В комплект поставки входит: прибор с присоединенным кабелем, кабельная коробка и держатель (оттяжная клемма).

Особенности

  • Компактная конструкция
  • Простой монтаж 
  • Небольшая погрешность измерения (0.3 %)
  • Класс защиты IP 68

Область применения

Измерительный преобразователь давления SITRANS P, серии MPS среди прочего используется в следующих отраслях промышленности:

  • Нефтяная и газовая промышленность
  • Судостроение
  • Водоснабжение 

Дизайн

Измерительный преобразователь давления SITRANS P, серия MPS оборудован встроенным с фронтальной стороны тензорезисторным датчиком с измерительной мембраной из нержавеющей стали.

Измерительный преобразователь давления оснащен электроникой, которая вместе с датчиком установлена в корпусе из нерж. стали. На соединительном кабеле кроме этого находится несущий тросик и вентиляционная трубка.

Измерительная мембрана эффективно защищена от внешних воздействий защитным колпаком.

Датчик, электроника и соединительный кабель заключены в герметический корпус небольших размеров. 

Измерительный преобразователь давления может использоваться в широком температурном диапазоне

Функции

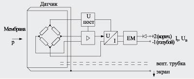
Измерительный преобразователь давления SITRANS P, серия MPS, принцип работы и схема соединения 

Измерительный преобразователь давления SITRANS P, серия MPS, измеряет уровень жидкости в водохранилищах, резервуарах, каналах и платинах.

На одной стороне датчика на мембрану воздействует гидростатическое давление, пропорциональное глубине погружения. Это давление сравнивается с атмосферным давлением. Выравнивание давлений осуществляется через находящуюся на соединительном кабеле вентиляционную трубку.

Выходной сигнал напряжения датчика подается на электронику, где он преобразуется в выходной сигнал тока от 4 до 20 мА.

Соединительный кабель измерительного преобразователя 7MF1570 всегда должен быть подключен к прилагаемой ответвительная коробке для кабеля. Ответвительная коробка для кабеля должна быть установлена вблизи от места измерения.

Интеграция

Ответвительная коробка для кабеля 7MF1570-8AA, открытая

Конструкция мест измерения, принципиальная

Технические данные

Измерительный преобразователь давления SITRANS P, серия MPS (погружной зонд)

Принцип работы

 

Принцип измерения

тензорезистивный

Вход

 

Измеряемая величина

давление

Диапазон измерения

макс. доп. рабочее давление

  • 0 ... 2 mH20 (0 ... 6 ftH20)
  • 1.4 bar (20.3 psi) (соответствует 14 mH20 (42 ftH20))
  • 0 ... 4 mH20 (0 ... 12 ftH20)
  • 1.4 bar (20.3 psi) (соответствует 14 mH20 (42 ftH20))
  • 0 ... 6 mH20 (0 ... 18 ftH20)
  • 3.0 bar (43.5 psi) (соответствует 30 mH20 (90 ftH20))
  • 0 ... 10 mH20 ( ... 30 ftH20)
  • 3.0 bar (43.5 psi) (соответствует 30 mH20 (90 ftH20))
  • 0 ... 20 mH20 (0 ... 60 ftH20)
  • 6.0 bar (87.0 psi) (соответствует 60 mH20 (180 ftH20))

Выход

 

Выходной сигнал

4 ... 20 mA

Точность измерения

 

Погрешность измерения (вкл. нелинейность, гистерезис и повторяемость, при 25 °C)

0,3 % от кон. знач. диапазонаизмер. (тип.)

Воздействие внешней температуры 

 

 

Нулевая точка и интервал

 

  • 1 ... 6 mH2O (3 ... 18 ftH2O)

0,45 %/10 K от кон. знач. диапазона измер.

  • ≥ 6 mH20 (≥ 18 ftH2O)

0,3 %/10 K от кон. знач. диапазона измер.

Долговременная стабильность

 

Нулевая точка и интервал

 

  • 1 ... 6 mH2O (3 ...18 ftH2O)

0,25 % от кон. знач. диапазона измер.

  • ≥ 6 mH20 (≥ 18 ftH2O)

0,2 % от кон. знач. диапазона измер.

Условия использования

 

Внешние условия

 

  • рабочая температура

-10 ... +80 °C (+14 ... +176 °F)

  • температура хранения

-40 ... +100 °C (-40 ... +212 °F)

Класс защиты по DIN EN 60529

IP68

Конструктивные особенности 

 

Вес

 

  • Измерительный преобразователь давления

≈ 0.4 kg (≈ 0.88 lb)

  • Кабель 

0.08 kg/m (≈ 0.054 lb/ft)

Электрическое соединение

Кабель с 2 жилами с экраном и вентиляционной трубкой, несущий трос (макс. 300 N)

Материал

 

  • датчик 

нерж. сталь, мат. 1.4571/316 Ti

  • корпус 

нерж. сталь, мат. 1.4571/316 Ti

  • уплотнительное кольцо

Viton

  • соединительный кабель

оболочка PE/HFFR (не галоидная)

Питание

 

Напряжение на клеммах изм. преобразователя (UB)

10 ... 36 V DC

Сертификаты и допуски

 

Прибор не подлежит руководству по устройствам давления (DGRL 97/23/EC)

Взрывозащита

 

  • Искробезопасность "i"

TÜV 03 ATEX 2004X

  • Обозначение 

Ex II 1 G EEx ia IIC T4


 

Ответвительная коробка для кабеля

 

Сфера применения

для подключения кабеля измерительного преобразователя

Конструктивные особенности

 

Вес

0.2 kg (0.44 lb)

Электрическое соединение

2x 3-кратное (28 ... 18 AWG)

Ввод кабедя

2x Pg 13.5

Материал корпуса

поликарбонат

Вентиляционная трубка для атмосферного давления

 

Винт для несущего тросика

 

Условия использования

 

Класс защиты по DIN EN 60529

 DIN EN 60529

IP 54


 

Зажим

 

Сфера применения

для крепежа измерительного преобразователя

Конструктивные особенности

 

Вес

0.16 kg (0.35 lb)

Материал

оцинкованная сталь, сталь, полиамид


 

Чертеж

Измерительный преобразователь давления SITRANS P, серия MPS, размеры в мм (дюймах)

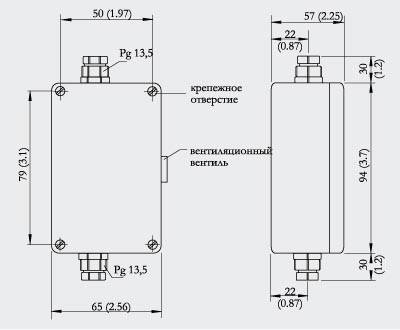
Ответвительная коробка для кабеля, размеры в мм (дюймах)

Зажим, размеры в мм (дюймах)

Заказные данные [PDF]

Загрузить PDF-файл.

Для просмотра информации в формате PDF необходимо установить Adobe Acrobat Reader.
Adobe Acrobat Reader

Заказные данные

Заказной №ОписаниеВес (кг)ДоставкаМин. зак. (шт)
7MF1570-.....PRESSURE TRANSMITTER FOR LEVEL MEASUREMENT; SITRANS P, MPS SERIES, ACCURACAY 0.3%,TWO- WIRE-SYSTEM 4 TO 20 MA, MATERIAL: STAINLESS STEEL SS 316 TI0.001по запросу (X)1
7MF1570-1BA01PRESSURE TRANSMITTER FOR LEVEL MEASUREMENT; SITRANS P, MPS SERIES, ACCURACAY 0.3%,TWO- WIRE-SYSTEM 4 TO 20 MA, MATERIAL: STAINLESS STEEL SS 316 TI MEASURING RANGE: 0 TO 5M WG WITHOUT EXPLOSION PROTECTION CABLE LENGTH: 25M (JUNCTION BOX AND CABLE HANGER IN 3.53 - 5 недель (A)1
7MF1570-1CA01ДАТЧИК ДАВЛЕНИЯ ДЛЯ ИЗМЕРЕНИЯ УРОВНЯ, SITRANS P MPS, ПОГРЕШНОСТЬ 0.3%, ДВУХПРОВОДНОЕ ПОДКЛЮЧЕНИЕ 4... 20 МА, МАТЕРИАЛ КОРПУСА SS 316 TI, ДИАПАЗОН ИЗМЕРЕНИЙ 0 ДО 2 М., НЕ ВЗРЫВОЗАЩИЩЕННЫЙ С КАБЕЛЕМ 10 М.23 - 5 недель (A)1
7MF1570-1CA02ДАТЧИК ДАВЛЕНИЯ ДЛЯ ИЗМЕРЕНИЯ УРОВНЯ, SITRANS P MPS, ПОГРЕШНОСТЬ 0.3%, ДВУХПРОВОДНОЕ ПОДКЛЮЧЕНИЕ 4... 20 МА, МАТЕРИАЛ КОРПУСА SS 316 TI, ДИАПАЗОН ИЗМЕРЕНИЙ 0 ДО 2 М.,ВЗРЫВОЗАЩИЩЕННЫЙ EEX IA IIC T4 С КАБЕЛЕМ 10 М.23 - 5 недель (A)1
7MF1570-1DA01ДАТЧИК ДАВЛЕНИЯ ДЛЯ ИЗМЕРЕНИЯ УРОВНЯ, SITRANS P MPS, ПОГРЕШНОСТЬ 0.3%, ДВУХПРОВОДНОЕ ПОДКЛЮЧЕНИЕ 4... 20 МА, МАТЕРИАЛ КОРПУСА SS 316 TI, ДИАПАЗОН ИЗМЕРЕНИЙ 0 ДО 4 М., НЕ ВЗРЫВОЗАЩИЩЕННЫЙ С КАБЕЛЕМ 10 М.23 - 5 недель (A)1
7MF1570-1DA02ДАТЧИК ДАВЛЕНИЯ ДЛЯ ИЗМЕРЕНИЯ УРОВНЯ, SITRANS P MPS, ПОГРЕШНОСТЬ 0.3%, ДВУХПРОВОДНОЕ ПОДКЛЮЧЕНИЕ 4... 20 МА, МАТЕРИАЛ КОРПУСА SS 316 TI, ДИАПАЗОН ИЗМЕРЕНИЙ 0 ДО 4 М.,ВЗРЫВОЗАЩИЩЕННЫЙ EEX IA IIC T4 С КАБЕЛЕМ 10 М.23 - 5 недель (A)1
7MF1570-1EA01ДАТЧИК ДАВЛЕНИЯ ДЛЯ ИЗМЕРЕНИЯ УРОВНЯ, SITRANS P MPS, ПОГРЕШНОСТЬ 0.3%, ДВУХПРОВОДНОЕ ПОДКЛЮЧЕНИЕ 4... 20 МА, МАТЕРИАЛ КОРПУСА SS 316 TI, ДИАПАЗОН ИЗМЕРЕНИЙ 0 ДО 10 М., НЕ ВЗРЫВОЗАЩИЩЕННЫЙ С КАБЕЛЕМ 25 М.3.53 - 5 недель (A)1
7MF1570-1EA02ДАТЧИК ДАВЛЕНИЯ ДЛЯ ИЗМЕРЕНИЯ УРОВНЯ, SITRANS P MPS, ПОГРЕШНОСТЬ 0.3%, ДВУХПРОВОДНОЕ ПОДКЛЮЧЕНИЕ 4... 20 МА, МАТЕРИАЛ КОРПУСА SS 316 TI, ДИАПАЗОН ИЗМЕРЕНИЙ 0 ДО 6 М.,ВЗРЫВОЗАЩИЩЕННЫЙ EEX IA IIC T4 С КАБЕЛЕМ 25 М.3.53 - 5 недель (A)1
7MF1570-1FA01ДАТЧИК ДАВЛЕНИЯ ДЛЯ ИЗМЕРЕНИЯ УРОВНЯ, SITRANS P MPS, ПОГРЕШНОСТЬ 0.3%, ДВУХПРОВОДНОЕ ПОДКЛЮЧЕНИЕ 4... 20 МА, МАТЕРИАЛ КОРПУСА SS 316 TI, ДИАПАЗОН ИЗМЕРЕНИЙ 0 ДО 6 М., НЕ ВЗРЫВОЗАЩИЩЕННЫЙ С КАБЕЛЕМ 25 М.3.53 - 5 недель (A)1
7MF1570-1FA02ДАТЧИК ДАВЛЕНИЯ ДЛЯ ИЗМЕРЕНИЯ УРОВНЯ, SITRANS P MPS, ПОГРЕШНОСТЬ 0.3%, ДВУХПРОВОДНОЕ ПОДКЛЮЧЕНИЕ 4... 20 МА, МАТЕРИАЛ КОРПУСА SS 316 TI, ДИАПАЗОН ИЗМЕРЕНИЙ 0 ДО 10 М.,ВЗРЫВОЗАЩИЩЕННЫЙ EEX IA IIC T4 С КАБЕЛЕМ 25 М.3.53 - 5 недель (A)1
7MF1570-1GA01ДАТЧИК ДАВЛЕНИЯ ДЛЯ ИЗМЕРЕНИЯ УРОВНЯ, SITRANS P MPS, ПОГРЕШНОСТЬ 0.3%, ДВУХПРОВОДНОЕ ПОДКЛЮЧЕНИЕ 4... 20 МА, МАТЕРИАЛ КОРПУСА SS 316 TI, ДИАПАЗОН ИЗМЕРЕНИЙ 0 ДО 20 М., НЕ ВЗРЫВОЗАЩИЩЕННЫЙ С КАБЕЛЕМ 25 М.3.53 - 5 недель (A)1
7MF1570-1GA02ДАТЧИК ДАВЛЕНИЯ ДЛЯ ИЗМЕРЕНИЯ УРОВНЯ, SITRANS P MPS, ПОГРЕШНОСТЬ 0.3%, ДВУХПРОВОДНОЕ ПОДКЛЮЧЕНИЕ 4... 20 МА, МАТЕРИАЛ КОРПУСА SS 316 TI, ДИАПАЗОН ИЗМЕРЕНИЙ 0 ДО 20 М.,ВЗРЫВОЗАЩИЩЕННЫЙ EEX IA IIC T4 С КАБЕЛЕМ 25 М.3.53 - 5 недель (A)1
7MF1570-1KA01ДАТЧИК ДАВЛЕНИЯ ДЛЯ ИЗМЕРЕНИЯ УРОВНЯ, SITRANS P MPS, ПОГРЕШНОСТЬ 0.3%, ДВУХПРОВОДНОЕ ПОДКЛЮЧЕНИЕ 4... 20 МА, МАТЕРИАЛ КОРПУСА SS 316 TI, ДИАПАЗОН ИЗМЕРЕНИЙ 0 ДО 6 FT, НЕ ВЗРЫВОЗАЩИЩЕННЫЙ С КАБЕЛЕМ 32 FT.2по запросу (D)1
7MF1570-1KA02ДАТЧИК ДАВЛЕНИЯ ДЛЯ ИЗМЕРЕНИЯ УРОВНЯ, SITRANS P MPS, ПОГРЕШНОСТЬ 0.3%, ДВУХПРОВОДНОЕ ПОДКЛЮЧЕНИЕ 4... 20 МА, МАТЕРИАЛ КОРПУСА SS 316 TI, ДИАПАЗОН ИЗМЕРЕНИЙ 0 ДО 6 FT.,ВЗРЫВОЗАЩИЩЕННЫЙ EEX IA IIC T4 С КАБЕЛЕМ 32 М.2по запросу (D)1
7MF1570-1LA01ДАТЧИК ДАВЛЕНИЯ ДЛЯ ИЗМЕРЕНИЯ УРОВНЯ, SITRANS P MPS, ПОГРЕШНОСТЬ 0.3%, ДВУХПРОВОДНОЕ ПОДКЛЮЧЕНИЕ 4... 20 МА, МАТЕРИАЛ КОРПУСА SS 316 TI, ДИАПАЗОН ИЗМЕРЕНИЙ 0 ДО 12 FT, НЕ ВЗРЫВОЗАЩИЩЕННЫЙ С КАБЕЛЕМ 32 FT.2по запросу (D)1
7MF1570-1LA02ДАТЧИК ДАВЛЕНИЯ ДЛЯ ИЗМЕРЕНИЯ УРОВНЯ, SITRANS P MPS, ПОГРЕШНОСТЬ 0.3%, ДВУХПРОВОДНОЕ ПОДКЛЮЧЕНИЕ 4... 20 МА, МАТЕРИАЛ КОРПУСА SS 316 TI, ДИАПАЗОН ИЗМЕРЕНИЙ 0 ДО 12 FT.,ВЗРЫВОЗАЩИЩЕННЫЙ EEX IA IIC T4 С КАБЕЛЕМ 32 FT.2по запросу (D)1
7MF1570-1MA01ДАТЧИК ДАВЛЕНИЯ ДЛЯ ИЗМЕРЕНИЯ УРОВНЯ, SITRANS P MPS, ПОГРЕШНОСТЬ 0.3%, ДВУХПРОВОДНОЕ ПОДКЛЮЧЕНИЕ 4... 20 МА, МАТЕРИАЛ КОРПУСА SS 316 TI, ДИАПАЗОН ИЗМЕРЕНИЙ 0 ДО 20 FT, НЕ ВЗРЫВОЗАЩИЩЕННЫЙ С КАБЕЛЕМ 82 FT.3.5по запросу (D)1
7MF1570-1MA02ДАТЧИК ДАВЛЕНИЯ ДЛЯ ИЗМЕРЕНИЯ УРОВНЯ, SITRANS P MPS, ПОГРЕШНОСТЬ 0.3%, ДВУХПРОВОДНОЕ ПОДКЛЮЧЕНИЕ 4... 20 МА, МАТЕРИАЛ КОРПУСА SS 316 TI, ДИАПАЗОН ИЗМЕРЕНИЙ 0 ДО 20 FT.,ВЗРЫВОЗАЩИЩЕННЫЙ EEX IA IIC T4 С КАБЕЛЕМ 82 FT.3.5по запросу (D)1
7MF1570-1NA01ДАТЧИК ДАВЛЕНИЯ ДЛЯ ИЗМЕРЕНИЯ УРОВНЯ, SITRANS P MPS, ПОГРЕШНОСТЬ 0.3%, ДВУХПРОВОДНОЕ ПОДКЛЮЧЕНИЕ 4... 20 МА, МАТЕРИАЛ КОРПУСА SS 316 TI, ДИАПАЗОН ИЗМЕРЕНИЙ 0 ДО 30 FT, НЕ ВЗРЫВОЗАЩИЩЕННЫЙ С КАБЕЛЕМ 82 FT.3.5по запросу (D)1
7MF1570-1NA02ДАТЧИК ДАВЛЕНИЯ ДЛЯ ИЗМЕРЕНИЯ УРОВНЯ, SITRANS P MPS, ПОГРЕШНОСТЬ 0.3%, ДВУХПРОВОДНОЕ ПОДКЛЮЧЕНИЕ 4... 20 МА, МАТЕРИАЛ КОРПУСА SS 316 TI, ДИАПАЗОН ИЗМЕРЕНИЙ 0 ДО 30 FT.,ВЗРЫВОЗАЩИЩЕННЫЙ EEX IA IIC T4 С КАБЕЛЕМ 82 FT.3.5по запросу (D)1
7MF1570-1PA01ДАТЧИК ДАВЛЕНИЯ ДЛЯ ИЗМЕРЕНИЯ УРОВНЯ, SITRANS P MPS, ПОГРЕШНОСТЬ 0.3%, ДВУХПРОВОДНОЕ ПОДКЛЮЧЕНИЕ 4... 20 МА, МАТЕРИАЛ КОРПУСА SS 316 TI, ДИАПАЗОН ИЗМЕРЕНИЙ 0 ДО 60 FT, НЕ ВЗРЫВОЗАЩИЩЕННЫЙ С КАБЕЛЕМ 82 FT.3.5по запросу (D)1
7MF1570-1PA02ДАТЧИК ДАВЛЕНИЯ ДЛЯ ИЗМЕРЕНИЯ УРОВНЯ, SITRANS P MPS, ПОГРЕШНОСТЬ 0.3%, ДВУХПРОВОДНОЕ ПОДКЛЮЧЕНИЕ 4... 20 МА, МАТЕРИАЛ КОРПУСА SS 316 TI, ДИАПАЗОН ИЗМЕРЕНИЙ 0 ДО 60 FT.,ВЗРЫВОЗАЩИЩЕННЫЙ EEX IA IIC T4 С КАБЕЛЕМ 82 FT.3.5по запросу (D)1

Аксессуары

Заказной №ОписаниеВес (кг)ДоставкаМин. зак. (шт)
7MF1570-8AAКЛЕМНАЯ КОРОБКА ДЛЯ ДАТЧИКА 7MF1570 С ВЕНТИЛЯЦИЕЙ, КЛАСС ЗАЩИТЫ IP54, ПЛАСТИК0.253 - 5 недель (A)1
7MF1570-8ABКРОНШТЕЙН ДЛЯ НАСТЕННОГО МОНТАЖА ДЛЯ ДАТЧИКА 7MF1570, МАЛОУГЛЕРОДИСТАЯ СТАЛЬ - ОЦИНКОВАННАЯ0.53 - 5 недель (A)1