0

Разделы

Скачать Заказные данные 
ENG: Mounting set

The mounting set is suitable for the double shut-off valves 7MF9011-4.A and for wall, rack and pipe mounting.

 


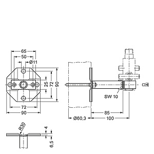
Чертеж

Скачать Заказные данные 
ENG: Mounting set

Mounting bracket (7MF9011-8AB) for shut-off valves 7MF9011-4DA and 7MF9011-4EA for wall, rack or pipe mounting, dimensions in mm

Mounting bracket (7MF9011-8AC) for shut-off valves 7MF9011-4FA and 7MF9011-4GA for wall, rack or pipe mounting, dimensions in mm

 


Заказные данные

Скачать Заказные данные 

Цена на сайте указана розничная в ЕВРО без учета НДС.Для уточнения цены и размера предоставляемой скидки - звоните или присылайте заявки

Заказной номерPGОписание продуктаЦена
7MF9011-8AB807Монтажный набор для 2-х вентильных блоков 7MF9011-4DA или -4EA, состав: 1 уголок, 2 болта M6X40; 1 бугель; 2 шайбы 8.4, 2 гайки M8. 36.04
7MF9011-8AC807Монтажный набор для 2-х вентильных блоков 7MF9011-4FA или -4GA, состав: 1 уголок, 2 болта M6X10; 1 крепёжный хомут; 2 шайбы 8.4, 2 гайки M8. 36.04