0

Разделы

Скачать Заказные данные 
Монтажные наборы
  • Cоединительный цоколь
  • Cоединительная клемма
  • Уплотнительные кольца
  • Подкладные шайбы
  • Упорный фланец
  • Резьбовая муфта

 


Чертеж

Скачать Заказные данные 
Монтажные наборы

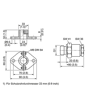
Упорный фланец по DIN 43734 (слева) и резьбовая муфта (справа) для монтажа прямых термопар, размеры в мм (дюймах)

 


Заказные данные

Скачать Заказные данные 

Цена на сайте указана розничная в ЕВРО без учета НДС.Для уточнения цены и размера предоставляемой скидки - звоните или присылайте заявки

Заказной номерPGОписание продуктаЦена
7MC2998-1AA810СОЕДИНИТЕЛЬНЫЙ БЛОК ДЛЯ МЕТАЛЛИЧЕСКОГО ЭЛЕМЕНТА 2.33
7MC2998-1BA810СОЕДИНИТЕЛЬНЫЙ БЛОК ДЛЯ МЕТАЛЛИЧЕСКОГО ЭЛЕМЕНТА 2.44
7MC2998-1CA810УПЛОТНЯЮЩЕЕ КОЛЬЦО (100 ШТ.) ДЛЯ СОЕДИНИТЕЛЬНОЙ ГОЛОВКИ 74.20
7MC2998-1CB810ШАЙБА (100 ШТУК) ДЛЯ СОЕДИНИТЕЛЬНОГО БЛОКА 38.27
7MC2998-2CB810КРЕПЕЖНЫЙ ФЛАНЕЦ ДЛЯ ПРЯМОЙ ТЕРМОПАРЫ ДЛЯ ЗАЩИТНОЙ ГИЛЬЗЫ ДИАМЕТРОМ 22 ММ 12.40
7MC2998-2CC810КРЕПЕЖНЫЙ ФЛАНЕЦ ДЛЯ ПРЯМОЙ ТЕРМОПАРЫ ДЛЯ ЗАЩИТНОЙ ГИЛЬЗЫ ДИАМЕТРОМ 26 ММ 10.92
7MC2998-2DB810УПЛОТНИТЕЛЬНАЯ РЕЗЬБОВАЯ МУФТА G1, W-NO.1.0718 ДЛЯ ПРЯМОЙ ТЕРМОПАРЫ С ЗАЩИТНОЙ ГИЛЬЗОЙ 22 ММ 40.39
7MC2998-2DC810КРЕПЕЖНЫЙ ФЛАНЕЦ ПЕРЕСТАВНОЙ ДЛЯ ТЕРМОМЕТРА ДИАМЕТРОМ 26MM, СТАЛЬ 0.8035 52.36