0

Разделы

Модуль дискретного ввода/вывода с IP67 - Модули ввода-вывода IP65

Модуль дискретного ввода/вывода с IP67 - Модули ввода-вывода IP65

Прикладные модули были первыми ведомыми устройствами AS-Interface со степенью защиты IP 67. Основные идеи и тех­нологии, заложенные в прикладные модули, получили даль­нейшее развитие в компактных модулях серий K45 и K60.

Во всех новых разработках вместо прикладных модулей реко­мендуется использовать модули серии K45. Прикладные мо­дули остаются доступными для заказа только в качестве за­пасных частей.

 

Дополнительную информацию Вы можете получить в Интернете по адресу.

http://mall.ad.siemens.com/

 

Преимущества модулей серии K45

По сравнению с прикладными модулями модули серии К45 обладают следующими преимуществами:

  • Наличие встроенного гнезда для установки адреса в AS-Interface
  • Более удобные способы монтажа: модуль крепится в рабочем положении на монтажной плате всего одним винтом.
  • Исчерпывающая диагностическая информация, выводимая на светодиоды: нулевой адрес в AS-Interface, потеря связи с ведущим устройством AS-Interface, перегрузка и т.д.
  • Пропуск профилированных кабелей AS-Interface в вертикальной или горизонтальной плоскости модуля
  • Меньшая монтажная глубина
  • Наличие моделей с подключением внешних цепей через гнезда М8 или М12 
  • Поддержка технологии А/В, подключение к одному ведущему устройству до 62 ведомых А/В устройств

Таблица рекомендуемых замен

Прикладные модули 

Модули серии К45

Заказной номер 

Назначение модуля

Заказной номер

Назначение модуля

3RG9 001-0AA00

4 входа (100 мА)

3RK1 200-0CQ20-0AA3

4 входа (200 мА)

3RG9 001-0AG00

4 входа (200 мА)

3RK1 200-0CQ20-0AA3

4 входа (200 мА)

3RG9 001-0AH00

2 x 2 входа

3RK2 200-0CQ22-0AA3

2 x 2 ведомое устройство А/В

3RG9 001-0AC00

2 входа/2 выхода с реле

3RK1 400-1BQ20-0AA3

2 входа/2 электронных выхода

3RG9 001-0CC00

2 входа/2 электронных выхода

3RK1 400-1BQ20-0AA3

2 входа/2 электронных выхода

3RG9 001-0AM00

2 входа/2 электронных выхода
Uaux через M12

3RK1 400-1BQ20-0AA3

2 входа/2 электронных выхода

U aux через черный профилированный кабель

3RG9 001-0AJ00

2 x (1 вход / 1 выход)
питание входов/выходов от AS-Interface

3RK1 400-0GQ20-0AA3

2 x (1 вход / 1 выход)
питание входов-выходов через AS-Interface

3RG9 001-0AB00

4 выхода с контактами реле

3RK1 100-1CQ20-0AA3

4 электронных выхода

3RG9 001-0AL00

4 выхода
Uaux через M12

3RK1 100-1CQ20-0AA3

4 выхода

U aux  через черный профилированный кабель

3RG9 001-0CB00

4 электронных выхода

3RK1 100-1CQ20-0AA3

4 электронных выхода

Замечание: при замене модулей 3RG9 010-0AA00 и 3RG9 030-0AA00 модулями серии К45 дополнительно необходимы монтажные платы 3RK1 901-2EA00 (wall mounting) или 3RK1 901-2DA00.


 

Технические данные

 

4 входа
100 мA
PNP транзистор
Стандартное назначение контактов

3RG9 001-0AA00

4 входа
200 мА
PNP транзистор
Стандартное назначение контактов
3RG9 001-0AG00

4 входа
200 мА
NPN транзистор
Назначение контактов Y-II 

3RK1 200-0CQ01-0AA3

2 × 2 входа
200 мА
PNP транзистор Назначение контактов Y
3RG9 001-0AH00

Тип ведомого устройства AS-Interface

Стандартное

Рабочее напряжение в соответствии со спецификацией AS-Interface

26.5 ... 31.6 В

Суммарный потребляемый ток, не более

120 мА

250 мА

290 мА

250 мА

Тип входа

PNP

PNP

NPN

PNP

Входы:

 

  • Защита цепей питания датчика от AS-Interface

От перегрузки и короткого замыкания

  • Напряжение питания датчика

20 ... 30 В

20 ... 27 В

20 ... 30 В

  • Суммарный ток всех входов при температуре до +40 °C

100 мА

200 мА

  • Схема подключения датчиков

2- и 3-проводная

2-, 3- и 4-проводная

  • Входной сигнал высокого уровня, не менее

10 В

  • Входной сигнал низкого уровня, не более

1.5 В при токе 5 мА

AS-Interface

EMS

Сторожевой таймер

--

Конфигурация ввода-вывода

0

Идентификационный код ID

0

1

Назначение бит данных:

 

  • Гнездо 1

Вход (D0)

Контакт 4 = Вход 1 (D0)
Контакт 2 = Вход 2 (D1)

Вход (D0 и D1)

  • Гнездо 2

Вход (D1)

Контакт 4 = Вход 2 (D1)

--

  • Гнездо 3

Вход (D2)

Контакт 4 = Вход 3 (D2)
Контакт 2 = Вход 4 (D3)

--

  • Гнездо 4

Вход (D3)

Контакт 4 = Вход 4 (D3)

Вход (D2 и D3)

Сертификат AS-Interface

Есть

Одобрения

UL/CSA/морские сертификаты

Степень защиты

IP67

Диапазон рабочих температур °C

-25 ... +85 °C

Диапазон температур хранения и транспортировки °C

-40 ... +85 °C

Количество гнезд

4

2

Индикация состояний цепей ввода-вывода дискретных сигналов

Желтый светодиод на каждый канал

Индикация наличия напряжения питания UAUX 

Зеленый светодиод

Красный/желтый/зеленый светодиод

Зеленый светодиод

Индикация состояний AS-Interface/диагностики

нет

Зеленый-нормальная работа, красный-нет обмена данными, мерцающий красно-желтый-нулевой адрес, мерцающий красный-перегрузка в цепи датчика

нет

Подключение к AS-Interface

Через соединительные модули FK или Pg


 

 

2 входа / 2 выхода 
Реле 
3RG9 001-0AC00

2 входа / 2 выхода
PNP транзистор
3RG9 001-0CC00

2 входа / 2 выхода
PNP транзистор
3RG9 001-0AM00

2 входа / 2 выхода
NPN транзистор
3RK1 400-1BQ01-0AA3

Тип ведомого устройства AS-Interface

Стандартное

Рабочее напряжение в соответствии со спецификацией AS-Interface

26.5 ... 31.6 В

Суммарный потребляемый ток, не более

140 мА

270 мА

270 мА

290 мА

Тип входа

PNP

NPN

Входы:

 

  • Защита цепей питания датчика от AS-Interface

От короткого замыкания и перегрузки

  • Датчики

2- и 3-проводные

  • Напряжение питания датчика

20 ... 30 В

20 ... 27 В

  • Суммарный ток всех входов при температуре до +40 °C

100 мА

200 мА

  • Схема подключения датчиков

2- и 3-проводная

  • Входной сигнал высокого уровня, не менее

10 В

  • Входной сигнал низкого уровня, не более

1.5 В при токе 5 мА

Выходы:

 

  • Тип выходов

Реле

Электронные

  • Ток выходаDC 12/13, типовое значение

1 А (DC 12)
0.5 А (DC 13 24 V)

2 А

1 А

  • Суммарный выходной ток модуля, не более

2 А

  • Защита от короткого замыкания

Встроенная

  • Защита от коммутационных перенапряжений в цепи нагрузки

Встроенная

  • Внешнее напряжение питания нагрузки =24 В

через соединитель  M12

Через черный профилированный кабель AS-Interface

через соединитель М12

Через черный профилированный кабель AS-Interface

  • Сторожевой таймер

нет

Встроеный

AS-Interface

EMS

EEMS

EMS

EEMS

Конфигурация ввода-вывода

3

Идентификационный код ID

0

1

Назначение бит данных

 

  • Гнездо 1

Вход (D0)

Контакт 4 = Вход 1 (D0)
Контакт 2 = Вход 2 (D1)

  • Гнездо 2

Вход (D1)

Контакт 4 = Вход 2 (D1)

  • Гнездо 3

Выход (D2)

Контакт 4 = Выход 1 (D2)
Контакт 2 = Выход 2 (D3)

  • Гнездо 4

Выход (D3)

Контакт 4 = Выход 2 (D3)

СертификатAS-Interface

Есть

Одобрения

UL/CSA/морские сертификаты

Степень защиты

IP67

Диапазон рабочих температур 

-25 ... +85 °C

Диапазон температур хранения и транспортировки 

-40 ... +85 °C

Количество гнезд

4

Индикация ввода-вывода

Желтый светодиод на каждый канал

Индикатор работы AS-Interface

Зеленый светодиод

Красно-желто-зеленый светодиод

Диагностический индикатор

Нет

Зеленый-нормальная работа, красный-нет обмена данными, мерцающий красно-желтый-нулевой адрес, мерцающий красный-перегрузка в цепи датчика

Подключение к AS-Interface

Через соединительные модули FK или Pg

Замечание 1:

Для питания выходных цепей модуля необходим внешний блок питания напряжением =20...30 В(UAUX). Внешний блок питания должен отвечать требованиям стандарта VDE 0106 (PELV), класс безопасности III

Замечание 2:

При нарушении связи с ведущим устройством выходные контакты модуля остаются в текущих коммутационных состояниях

--


 

 

2 × (1 вход / 1 выход)
PNP транзистор
3RG9 001-0AJ00

Тип ведомого устройства AS-Interface

Стандартное

Напряжение питания в соответствии со спецификацией  AS-Interface

26.5 ... 31.6 В

Суммарный потребляемый ток, не более

270 мА

Тип входов

PNP

Входы:

 

  • Защита цепей питания датчиков от AS-Interface

От короткого замыкания и перегрузки

  • Напряжение питания

20 ... 30 В

  • Суммарный входной ток при температуре до +40 °C

200 мА

  • Схемы подключения датчиков

2-проводные

  • Входное напряжение высокого уровня, не менее

10 В

  • Входное напряжение низкого уровня, не более

1.5 В при токе 5 мА

Выходы:

 

  • Тип выхода

Электронный

  • Ток выхода DC 12/13, типовое значение

0.2 А

  • Суммарный выходной ток модуля, не более

0.2 А

  • Внешний источник питания

Не требуется

  • Защита от короткого замыкания в цепи нагрузки

Встроенная

  • Защита от коммутационных перенапряжений

Встроенная

  • Внешнее напряжение питания нагрузки =24 В

Через желтый профилированный кабель AS-Interface

  • Сторожевой таймер 

Встроенный

AS-Interface

EMS

Конфигурация ввода-вывода

3

Идентификационный код ID

F

Назначение бит данных

 

  • Гнездо 1

Вход  D0 и Dыход  D2

  • Гнездо 2

--

  • Гнездо  3

Вход D1 и выход D3

  • Гнездо 4

--

Сертификат AS-Interface

Есть

Одобрения

UL/CSA/морские сертификаты

Степень защиты

IP67

Диапазон рабочих температур °C

-25 ... +85 °C

Диапазон температур хранения и транспортировки

-40 ... +85 °C

Количество гнезд

2

Индикация ввода-вывода

Желтыйсветодиод на каждый канал

Индикатор работы AS-Interface

Зеленый светодиод

Диагностический индикатор

Нет

Подключение к AS-Interface

Через соединительные модули FK или Pg

Замечание:

Черный кабель AS-Interface не требуется


 

 

4 выхода 
Реле
3RG9 001-0AB00

4 выхода
PNP транзистор 
3RG9 001-0AL00

4 выхода
NPN транзистор
3RK1 100-1CQ01-0AA3

4 выхода
PNP транзистор
3RG9 001-0CB00

Тип ведомого устройства AS-Interface

Стандартное

Напряжение питания в соответствии со спецификацией  AS-Interface

26.5 ... 31.6 В

Суммарный потребляемый ток, не более

60 мА

50 мА

60 мА

Тип выходов

PNP

NPN

PNP

Выходы:

 

  • Тип выхода

Реле

Электронный

  • Ток выхода DC 12/13, типовое значение

1 А /DC 12;

0.5 А /DC 13, =24 В

1

  • Суммарный выходной ток модуля, не более

2 А

  • Защита от коротккогозамыкая

Встроенная

  • Защита от коммутационных перенапряжений

Встроенная

  • Внешнее напряжение питания нагрузки =24 В

Через соединитель М12

Через соединительные модули FK иkb Pg

Сторожевой таймер

нет

Встроенный

AS-Interface

EMS

EEMS

Конфигурация ввода-вывода

8

Идентификационный код ID

0

1

0

Назначение бит данных

 

  • Гнездо 1

Выход (D0)

Контакт 4 = Выход 1 (D0)
Контакт 2 = Выход 2 (D1)

Выход (D0)

  • Гнездо 2

Выход (D1)

Контакт 4 = Выход 2 (D1)

Выход (D1)

  • Гнездо 3

Выход (D2)

Контакт 4 = Выход 3 (D2)
Контакт 2 = Выход 4 (D3)

Выход (D2)

  • Гнездо 4

Выход (D3)

PIN4 = OUT4(D3)

Выход (D3)

Сертификат AS-Interface

Есть

Одобрения

UL/CSA/морские сертификаты

Степень защиты

IP67

Диапазон рабочих температур

-25 ... +85 °C

Диапазон температур хранения и транспортировки

-40 ... +85 °C

Количесвто гнезд

4

Индикация ввода-вывода

Желтый светодиод на каждый канал

Индикатор работы AS-Interface

Зеленый светодиод

Красно-желто-зеленый светодиод

Зеленый светодиод

Диагностический индикатор

Нет

Зеленый-нормальная работа, красный-нет обмена данными, мерцающий красно-желтый-нулевой адрес, мерцающий красный-перегрузка в цепи датчика

Нет

Подключение к AS-Interface

Через соединительные модули FK или Pg

Через соединительные модули FK-E или Pg-E

Замечание 1:

Для питания выходных цепей модуля необходим внешний блок питания напряжением =20...30 В(UAUX). Внешний блок питания должен отвечать требованиям стандарта VDE 0106 (PELV), класс безопасности III

Замечание 2:

При нарушении связи с ведущим устройством выходные контакты модуля остаются в текущих коммутационных состояниях.

--


 

 

Пассивный распределитель

4 гнезда М12

Без светодиодов

3RG9 001-0AD00

Назначение

Пассивный прикладной модуль для подключения интеллектуальных устройств ввода-вывода к AS-Interface

Рабочее напряжение в соответствии со спецификацией AS-Interface

26.5 ... 31.6 В

Допустимый диапазон изменения напряжения питания

20 ... 30 В

Суммарный ток нагрузки, не более

2 А

Назначение контактов гнезд  М12

1 = AS-i "+"3 = AS-i "-"

Подключение

4 × Гнезда M12 для подключения интеллектуальных устройств ввода-вывода к  AS-Interface

Степень защиты

IP67

Диапазон рабочих температур

-25 ... +85 °C

Диапазон температур хранения и транспортировки

-40 ... +85 °C

Количество гнезд М12

4

Подключение к AS-Interface

Через соединительные модули FK или Pg


 

 

Соединительный модуль FK
Подключение к двум желтым профилированным кабелям AS-Interface

Стандартное исполнение
3RG9 010-0AA00

Соединительный модуль FK
Подключение к двум желтым профилированным кабелям

Исполнение из высококачественной стали

3RK1 901-1HA00

Соединительный модуль FK-E
Подключение к одному желтому и одному черному профилированному кабелю AS-Interface
Стандартное исполнение
3RG9 030-0AA00

Соединительный модуль FK-E
Подключение к одному желтому и одному черному профилированному кабелю AS-Interface

Исполнение из высококачественной стали

3RK1 901-1JA00

Рабочее напряжение в соответствии со спецификацией AS-Interface

26.5 ... 31.6 В

Токовая нагрузка, не более

2 А

Интерфейс

EMS

EEMS

Диапазон рабочих температур

-40 ... +85 °C

Степень защиты

IP67 (с установленной крышкой/прикладным модулем)

Технология подключения

Методом прокалывания изоляции профилированного кабеля AS-Interface

Монтаж

Настенный или на стандартную профильную шину DIN

Комплект поставки

1 × соединительный модуль
4 × профильные уплотнительные прокладки
3 × терминальные уплотнительные прокладки

1 × соединительный модуль
4 × профильные уплотнительные прокладки (витон)
3 × терминальные уплотнительные прокладки(витон)

1 × соединительный модуль
4 × профильные уплотнительные прокладки
3 × терминальные уплотнительные прокладки

1 × соединительный модуль
4 × профильные уплотнительные прокладки (витон)
3 × терминальные уплотнительные прокладки(витон)

Специальные характеристики

--

Втулки из высоковачественной стали

--

Втулки из высоковачественной стали

Замечание

Параллельное соединение цепей, использование в качестве Т-соединителей

--


 

 

Соединительный модуль PG
3RG9 220-0AA00

Соединительный модуль PG-E
3RG9 240-0AA00

Рабочее напряжение в соответствии со спецификацией AS-Interface

26.5 ... 31.6

Токовая нагрузка, не более

4 А

Интерфейс

EMS

EEMS

Диапазон рабочих температур

-25 ... +85 °C

Степень защиты

IP67 (с установленной крышкой/прикладным модулем)

Технология подключения

Через контакты под винт в верхней часть модуля к кабелю AS-Interface

Через контакты под винт в верхней части модуля к кабелю AS-Interface и Uaux

Монтаж

Настенный или на стандартную профильную шину DIN

Комплект поставки

1 × Соединительный модуль PG
4 × сухарика

2 × Кабельных уплотнителя PG11
3 × фиксирующих болта

Диаметр внешнего кабеля

6 ... 10 мм

Сечение подключаемых проводников

1 ... 2.5 мм2

Ввинчиваемый кабельный уплотнитель

Pg11

Замечание

При подключении к профилированному кабелю AS-Interface необходимы PG прокладки 3RX9 805-0AA00


 

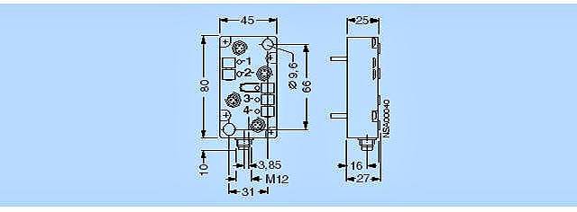
Чертеж

Габариты прикладных модулей в миллиметрах

 

3RG9 001-0AA00
3RG9 001-0AD00
3RG9 001-0AG00
3RG9 001-0CB00
3RG9 001-0CC00
3RK1 200-0CQ01-0AA3
3RK1 400-1BQ01-0AA3
3RK1 100-1CQ01-0AA3

 

3RG9 001-0AB00
3RG9 001-0AC00
3RG9 001-0AL00
3RG9 001-0AM00

 

3RG9 001-0AH00
3RG9 001-0AJ00

 

Габариты соединительных модулей в миллиметрах

 

Модуль FK
3RG9 010-0AA00

Модуль PG
3RG9 220-0AA00

МодульFK-E
3RG9 030-0AA00
3RG9 901-1NA00
3RG9 901-1JA0

Модуль PG-E
3RG9 240-0AA00

Заказные данные

Заказной №ОписаниеВес (кг)ДоставкаМин. зак. (шт)
3RK1100-1CQ20-0AA3AS-ИНТЕРФЕЙС КОМПАКТ. МОДУЛЬ K45, IP67, ЦИФРОВ., 4 ВЫХ., 4XВЫХОД, ЭЛЕКТР.; 1, 0 A, DC 24V MAX. 3A ДЛЯ ВСЕХ ВЫХОДОВ. 4 X M12-ГНЕЗДА РАЗЪЕМОВ0.13 - 5 недель (P)1
3RK1200-0CQ20-0AA3AS-ИНТЕРФЕЙС KOMПAKT. МОДУЛЬ K45, IP67, ЦИФР, 4 ВХ. 4 X 1 ВХ, MAX. 200MA, PNP, 4 X M12-РАЗЪЕМ0.0863 - 5 недель (P)1
3RK1400-0GQ20-0AA3AS-ИНТЕРФЕЙС КОМПАКТНЫЙ МОДУЛЬ K45 ЦИФР., 2X 1E/1A, IP67 2 X 1 ВХОД/ВЫХОД 2 X M12-ГНЕЗДА СУММАРНЫЙ ТОК ДЛЯ ВХОДОВ И ВЫХОДОВ MAX. 200 MA ПИТАНИЕ ТОЛЬКО ПО ЖЕЛТОМУ КАБЕЛЮ. МОНТ.ПЛ. 3RK1901-2EA00 ИЛИ 3RK1901-2DA00 ЗАКАЗЫВАЕТСЯ ОТДЕЛЬНО0.0983 - 5 недель (A)1
3RK1400-1BQ20-0AA3AS-ИНТЕРФЕЙС КОМПАКТНЫЙ МОДУЛЬ K45, IP67, ЦИФР.,2 ВХ-/ВЫХ. 2X1 ВХОД, MAX. 200MA, PNP, 2X1 ВЫХОД, ЭЛЕКТР.;1,5A,DC 24V MAX. 3A ДЛЯ ВСЕХ ВЫХ., 4 X M12-ГНЕЗДА0.13 - 5 недель (P)1
3RK2200-0CQ22-0AA3AS-ИНТЕРФЕЙС КОМПАКТНЫЙ МОДУЛЬ K45 A/B-SLAVE, ЦИФР., 2X2E, IP67 2X2 ВХОД, MAX. 200 MA, PNP 2 X M12-ГНЕЗДА Y-ИСПОЛНЕНИЕ, МОНТ.ПЛ. 3RK1901-2EA00 ИЛИ 3RK1901-2DA00 ЗАКАЗЫВАЕТСЯ ОТДЕЛЬНО0.13 - 5 недель (A)1