0

Разделы

Модуль дискретного ввода/вывода К60 с IP67

Цифровые компактные модули AS-Interface серии K60 характеризуются оптимизированным управлением и большим удобством в обращении по сравнению с прикладными модулями. Они дают пользователю возможность сократить время на монтаж и запуск  AS-Interface до 40%.

Модули AS-Interface компактной серии K60 состоят из двух частей:

 

  • монтажной платы и
  • компактного модуля.

Профилированные кабели AS-Interface и компактный модуль присоединены к монтажной плате. Предлагаются два вида монтажных плат

  • для монтажа на стене и
  • для монтажа на стандартных монтажных шинах

Отличительной особенностью модулей AS-Interface компактной серии является наличие контакта для подключения проводов защитного заземления. Адресация может осуществляться также в смонтированном состоянии через адресующую розетку, встроенную в компактный модуль.

 

Компактные модули K60, содержащие до четырех цифровых входов и выходов

Эти компактные модули содержат коммуникационную электронику и стандартные разъемы M12 для входов и выходов. Через стандартные штепсельные разъемы M12 к компактному модулю можно легко и надежно подключить до четырех датчиков и четырех исполнительных устройств.Монтажная плата и компактный модуль соединены друг с другом одним винтом, который одновременно создает необходимый контакт с кабелем AS-Interface методом прорезания изоляции.

Компактные модули K60, содержащие до восьми цифровых входов

Эти модули имеют восемь цифровых входов, которые могут быть подключены через штепсельные разъемы M12.Для обработки всех восьми входов эти модули нуждаются в двух адресах AS-Interface. Эти адреса могут быть здесь назначены таким же образом, как для компактного модуля через двойную адресующую розетку.

 


Дизайн

Модуль дискретного ввода/вывода К60 с IP67
Компактный модуль K60

 

 

 

Компактные модули монтируются на монтажной плате в два этапа:

  • На монтажной плате прокладывается плоский кабель AS-Interface.
  • На монтажной плате размещается и фиксируется винтом модуль.

Контакт с кабелем AS-Interface создается с помощью прокалывающих изоляцию клемм, встроенных в верхнюю часть, при завинчивании винта.Адресация выполняется через встроенную адресную розетку. Ненужные розетки M12 должны быть герметизированы герметизирующими крышками 3RK1 901-1KA00, чтобы гарантировать указанную степень защиты. Компактный модуль с восемью входами требует двух адресов AS-Interface. Эти адреса назначаются с помощью двойной адресующей розетки, встроенной в модуль.

Монтажная плата K60

Монтажная плата K60 используется для монтажа цифровых и аналоговых модулей K60. У них имеются кабельные колодки для желто-черного плоского кабеля AS-Interface.

Если желто-черные кабели AS-Interface полностью проложены через модуль, то дополнительные уплотнители не требуются.

Дополнительные уплотнения необходимы только в том случае, если оба ввода или только один из них оканчиваются внутри модуля. В этом случае в монтажную плату должны быть вставлены дополнительные уплотнители (прямые и фасонные). Эти уплотнители не входят  в объем поставки и должны заказываться отдельно (3RK1 902-0AR00, см. данные для выбора и заказа).

 

 


Технические данные

Модуль дискретного ввода/вывода К60 с IP67

Общие технические данные

Рабочее напряжение в соответствии со спецификацией  AS-Interface

26.5 ... 31.6 В

Тип входа

PNP

Дискретные выходы:

 

  • Защита цепей питания датчика от AS-Interface

От перегрузки и короткого замыкания

  • Схемы подключения датчиков 

2- или 3-проводные

  • Напряжение питания датчика

20 ... 30 В

  • Суммарный ток всех входов при температуре до +40  °C

200 мА

  • Входной сигнал высокого уровня, не менее

10 В

  • Входной сигнал низкого уровня, не более

1.5 В при токе не менее 6 мА

Дискретные выходы:

 

  • Тип выхода

Электронный

  • Защита от короткого замыкания в цепи нагрузки

Встроеннная

  • Защита от коммутационных перенапряжений

Встроеннная

  • Внешнее напряжение питания =24 В

Через черный кабель AS-Interface

  • Сторожевой таймер

Встроенный

Сертификат AS-Interface

Есть

Одобрения

UL, CSA, морские сертификаты

Степень защиты

IP67

Заземление

Контакт 5 каждого гнезда М12 соединен с корпусом монтажной платы К60

Диапазон рабочих температур 

-25 ... +85 °C

Диапазон температур хранения и транспортировки

-40 ... +85 °C

Индикация:

 

  • Состояние цепей ввода/вывода дискретных сигналов

Желтый светодиод на каждый канал

  • Наличия напряжения питания UAux

Зеленый светодиод

  • Состояний AS-Interface/диагностики

2-цветный (зеленый/красный) светодиод

Подключение к AS-Interface

С помощью монтажной платы К60

Замечание 1

Все гнезда М12 модулей К60 снабжены втулками из высококачесткенной стали винтовой резьбой на внутренней поверхности. Эта втулка используется для надежной фиксации штекера М12, через который производится подключение внешних цепей модуля.

Замечание 2

Для питания выходных цепей модуля необходим внешний блок питания напряжением =20 ... 30 В (UAUX). Внешний блок питания должен отвечать требованиям стандарта VDE 0601 (PEVL), класс безопасности III

  

 

8 входов/2 выхода

8 входов

8 входов новые

2 усилителя

--

--

A/B slave-устройство

Стандартные slave-устройства

A/B slave-устройства

Специальное назначение

Назначение Y-II

Назначение Y-II

3RK2 400–1HQ00–0AA3

3RK1 200–0DQ00–0AA3

3RK2 200–0DQ00–0AA3

Суммарный входной ток в мА

≤ 300

≤ 270

≤ 270

Назначение контактов розетки, входы

Контакт 1 = Питание датчиков L+Контакт 2 = Вход данных IIКонтакт 3 = Питание датчиков L-Контакт 4 = Вход данных IКонтакт 5 = Контакт заземления

Контакт 1 = Питание датчиков L+Контакт 2 = Вход данных IIКонтакт 3 = Питание датчиков L-Контакт 4 = Вход данных IКонтакт 5 = Контакт заземления

Контакт 1 = Питание датчиков L+Контакт 2 = Вход данных IIКонтакт 3 = Питание датчиков L-Контакт 4 = Вход данных IКонтакт 5 = Контакт заземления

Выходы

 

 

 

  • Допустимая нагрузка по току в А DC 12 / DC 13 тип.

2

--

--

  • Максимальный суммарный ток на модуль в А

4

--

--

  • Назначение контактов розетки, выходы

3 = "-"4 = Выход5 = Контакт заземления

--

--

Конфигурация входов/выходов

0 (адр. 1) / 7 (адр. 2)

0

0

Код ID/ID2

A/E (адр. 1 и 2)

1/F

A/E

Назначение битов данных

 

 

 

  • Розетка 1

PIN4 = IN1(D0) (адр. 1)PIN2 = IN2(D1) (адр. 1)

PIN4 = IN1(D0) (адр. 1)PIN2 = IN2(D1) (адр. 1)

PIN4 = IN1(D0) (адр. 1)PIN2 = IN2(D1) (адр. 1)

  • Розетка 2

PIN4 = IN2(D1) (адр. 1)

PIN4 = IN2(D1) (адр. 1)

PIN4 = IN2(D1) (адр. 1)

  • Розетка 3

PIN4 = IN3(D2) (адр. 1)PIN2 = IN4(D3) (адр. 1)

PIN4 = IN3(D2) (адр. 1)PIN2 = IN4(D3) (адр. 1)

PIN4 = IN3(D2) (адр. 1)PIN2 = IN4(D3) (адр. 1)

  • Розетка 4

PIN4 = IN4(D3) (адр. 1)

PIN4 = IN4(D3) (адр. 1)

PIN4 = IN4(D3) (адр. 1)

  • Розетка 5

PIN4 = IN1(D0) (адр. 2)PIN2 = IN2(D1) (адр. 2)

PIN4 = IN1(D0) (адр. 2)PIN2 = IN2(D1) (адр. 2)

PIN4 = IN1(D0) (адр. 2)PIN2 = IN2(D1) (адр. 2)

  • Розетка 6

PIN4 = IN2(D1) (адр. 2)

PIN4 = IN2(D1) (адр. 2)

PIN4 = IN2(D1) (адр. 2)

  • Розетка 7

PIN4 = OUT1(D0) (адр. 2)PIN2 = IN3(D2) (адр. 2)

PIN4 = IN3(D2) (адр. 2)PIN2 = IN4(D3) (адр. 2)

PIN4 = IN3(D2) (адр. 2)PIN2 = IN4(D3) (адр. 2)

  • Розетка 8

PIN4 = OUT2(D1) (адр. 2)PIN2 = IN4(D3) (адр. 2)

PIN4 = IN4(D3) (адр. 2)

PIN4 = IN4(D3) (адр. 2)

Число розеток ввода/вывода

8

8

8

Указание

Модулю нужно два адреса

Модулю нужно два адреса

Модулю нужно два адреса

 

 

4 входа/4 выхода

4 входа/4 выхода

4 входа/4 выхода

2 усилителя

2 усилителя

1 усилитель

Стандартные slave-устройства

Стандартные slave-устройства

Стандартные slave-устройства

Назначение Y-II

Стандартное назначение

Назначение Y-II

3RK1 400–1DQ00–0AA3

3RK1 400–1CQ00–0AA3

3RK1 400–1DQ00–0AA3

Суммарный входной ток в мА

≤ 270

≤ 270

≤ 270

Назначение контактов розетки, входы

Контакт 1 = Питание датчиков L+Контакт 2 = Вход данных IIКонтакт 3 = Питание датчиков L-Контакт 4 = Вход данных IКонтакт 5 = Контакт заземления

Контакт 1 = Питание датчиков L+Контакт 2 = Вход данных IКонтакт 3 = Питание датчиков L-Контакт 4 = Вход данных IКонтакт 5 = Контакт заземления

Контакт 1 = Питание датчиков L+Контакт 2 = Вход данных IIКонтакт 3 = Питание датчиков L-Контакт 4 = Вход данных IКонтакт 5 = Контакт заземления

Выходы

 

 

 

  • Допустимая нагрузка по току в А DC 12 / DC 13 тип.

2

2

1

  • Максимальный суммарный ток на модуль в А

4

4

4

  • Назначение контактов розетки, выходы

3 = "-"2/4 = Выход5 = Контакт заземления

3 = "-"4 = Выход5 = Контакт заземления

3 = "-"2/4 = Выход5 = Контакт заземления

Конфигурация входов/выходов

7

7

7

Код ID/ID2

F/F

0/F

F/F

Назначение битов данных

 

 

 

  • Розетка 1

PIN4 = IN1 (D0)PIN2 = IN2 (D1)

PIN2/4 = IN1(D0)

PIN4 = IN1 (D0)PIN2 = IN2 (D1)

  • Розетка 2

PIN4 = IN2(D1)

PIN2/4 = IN2(D1)

PIN4 = IN2(D1)

  • Розетка 3

PIN4 = IN3 (D2)PIN2 = IN4 (D3)

PIN2/4 = IN3(D2)

PIN4 = IN3 (D2)PIN2 = IN4 (D3)

  • Розетка 4

PIN4 = IN4(D3)

PIN2/4 = IN4(D3)

PIN4 = IN4(D3)

  • Розетка 5

PIN4 = OUT1 (D0)PIN2 = OUT2 (D1)

PIN4 = OUT1(D0)

PIN4 = OUT1 (D0)PIN2 = OUT2 (D1)

  • Розетка 6

PIN4 = OUT2(D1)

PIN4 = OUT2(D1)

PIN4 = OUT2(D1)

  • Розетка 7

PIN4 = OUT3(D2)PIN2 = OUT4(D3)

PIN4 = OUT3(D2)

PIN4 = OUT3(D2)PIN2 = OUT4(D3)

  • Розетка 8

PIN4 = OUT4(D3)

PIN4 = OUT4(D3)

PIN4 = OUT4(D3)

Число розеток ввода/вывода

8

8

8

 

 

4 входа/4 выхода

4 входа/ 3 выхода

4 входа/2 выхода

1 усилитель

2 усилителя

2 усилителя

Стандартные slave-устройства

A/B slave-устройства

Стандартные slave-устройства

Стандартное назначение

Назначение Y-II

Назначение Y-II

3RK1 400–1DQ03–0AA3

3RK2 400–1FQ03–0AA3

3RK1 400–1MQ00–0AA3

Суммарный входной ток в мА

≤ 270

≤ 270

≤ 270

Назначение контактов розетки, входы

Контакт 1 = Питание датчиков L+Контакт 2 = Вход данных IКонтакт 3 = Питание датчиков L-Контакт 4 = Вход данных IКонтакт 5 = Контакт заземления

Контакт 1 = Питание датчиков L+Контакт 2 = Вход данных IIКонтакт 3 = Питание датчиков L-Контакт 4 = Вход данных IКонтакт 5 = Контакт заземления

Контакт 1 = Питание датчиков L+Контакт 2 = Вход данных IIКонтакт 3 = Питание датчиков L-Контакт 4 = Вход данных IКонтакт 5 = Контакт заземления

Выходы

 

 

 

  • Допустимая нагрузка по току в А DC 12 / DC 13 тип.

1

2

2

  • Максимальный суммарный ток на модуль в А

4

4

4

  • Назначение контактов розетки, выходы

3 = "-"4 = Выход5 = Контакт заземления

3 = "-"2/4 = Выход5 = Контакт заземления

3 = "-"2/4 = Выход5 = Контакт заземления

Конфигурация входов/выходов

7

7

7

Код ID/ID2

0/F

A/2

F/F

Назначение битов данных

 

 

 

  • Розетка 1

PIN2/4 = IN1(D0)

PIN4 = IN1 (D0)PIN2 = IN2 (D1)

PIN4 = IN1 (D0)PIN2 = IN2 (D1)

  • Розетка 2

PIN2/4 = IN2(D1)

PIN4 = IN2(D1)

PIN4 = IN2(D1)

  • Розетка 3

PIN2/4 = IN3(D2)

PIN4 = IN3 (D2)PIN2 = IN4 (D3)

PIN4 = IN3 (D2)PIN2 = IN4 (D3)

  • Розетка 4

PIN2/4 = IN4(D3)

PIN4 = IN4(D3)

PIN4 = IN4(D3)

  • Розетка 5

PIN4 = OUT1(D0)

PIN4 = OUT1 (D0)PIN2 = OUT2 (D1)

PIN4 = OUT1 (D0)PIN2 = OUT2 (D1)

  • Розетка 6

PIN4 = OUT2(D1)

PIN4 = OUT2(D1)

PIN4 = OUT2(D1)

  • Розетка 7

PIN4 = OUT3(D2)

PIN4 = OUT3(D2)

Не назначена (гермети-зирована)

  • Розетка 8

PIN4 = OUT4(D3)

Не назначена (гермети-зирована)

Не назначена (гермети-зирована)

Число розеток ввода/вывода

8

7

6

 

 

4 входа

2 x 2 входа / 2 x 2 выхода

4 выхода

--

1 усилитель

2 усилителя

Стандартные slave-устройства

Стандартные slave-устройства

Стандартные slave-устройства

Назначение Y-II

Назначение Y

Назначение Y-II

3RK1 200–0CQ00–0AA3

3RK1 400–1DQ02–0AA3

3RK1 100–1CQ00–0AA3

Суммарный входной ток в мА

≤ 270

≤ 270

≤ 270

Назначение контактов розетки, входы

Контакт 1 = Питание датчиков L+Контакт 2 = Вход данных IIКонтакт 3 = Питание датчиков L-Контакт 4 = Вход данных IКонтакт 5 = Контакт заземления

Контакт 1 = Питание датчиков L+Контакт 2 = Вход данных IIКонтакт 3 = Питание датчиков L-Контакт 4 = Вход данных IКонтакт 5 = Контакт заземления

--

Выходы

 

 

 

  • Допустимая нагрузка по току в А DC 12 / DC 13 тип.

--

1

2

  • Максимальный суммарный ток на модуль в А

--

4

4

  • Назначение контактов розетки, выходы

--

3 = "-"2/4 = Выход5 = Контакт заземления

3 = "-"2/4 = Выход5 = Контакт заземления

Конфигурация входов/выходов

0

7

8

Код ID/ID2

1/F

F/F

1/F

Назначение битов данных

 

 

 

  • Розетка 1

PIN4 = IN1 (D0)PIN2 = IN2 (D1)

PIN4 = IN1 (D0)PIN2 = IN2 (D1)

--

  • Розетка 2

PIN4 = IN2(D1)

Не назначена (герметизи-рована)

--

  • Розетка 3

PIN4 = IN3 (D2)PIN2 = IN4 (D3)

PIN4 = IN3 (D2)PIN2 = IN4 (D3)

--

  • Розетка 4

PIN4 = IN4(D3)

Не назначена (герметизи-рована)

--

  • Розетка 5

Не назначена (герметизи-рована)

PIN4 = OUT1 (D0)PIN2 = OUT2 (D1)

PIN4 = OUT1 (D0)PIN2 = OUT2 (D1)

  • Розетка 6

Не назначена (герметизи-рована)

Не назначена (герметизи-рована)

PIN4 = OUT2(D1)

  • Розетка 7

Не назначена (герметизи-рована)

PIN4 = OUT3(D2)PIN2 = OUT4(D3)

PIN4 = OUT3(D2)PIN2 = OUT4(D3)

  • Розетка 8

Не назначена (герметизи-рована)

Не назначена (герметизи-рована)

PIN4 = OUT4(D3)

Число розеток ввода/вывода

4

4

4

 

 

Монтажная плата K60

Концентратор

Для монтажа на стене

Для монтажа на шине

--

3RK1 901-0CA00

3RK1 901-0CB00

3RK1 901-1NN00

Температура окружающей среды в °C

от -40 до +85

от -40 до +85

от -40 до +85

Защита

IP67 с привинченным компактным модулем K60

IP67 с привинченным компактным модулем K60

IP65 с привинченной верхней частью

Способ подключения

Для профилированного кабеля AS-Interface, контакт через прорезающие изоляцию клеммы, встроенные в компактный модуль

Для профилированного кабеля AS-Interface, контакт через прорезающие изоляцию клеммы, встроенные в компактный модуль

Для черно-желтого профилированного кабеля AS-Interface, контакт через прорезающие изоляцию клеммы, встроенные в верхнюю часть

Монтаж

  • Монтаж на стене
  • На фасонном кронштейне (необходимы соответствующие уплотнительные кольца)
  • Интервал между отверстиями совместим с монтажной платой K45 для монтажа на стене
  • Монтаж на стандартной шине
  • Монтаж на стандартной шине  или стене
  • На фасонном кронштейне (необходимы соответствующие уплотнительные кольца)
  • Интервал между отверстиями совместим также с сопрягающим модулем FK/FK-E (прикладной модуль)

Указание

Дополнительные уплотнители нужны только в том случае, если плоские кабели оканчиваются внутри модуля (3RK1 902-0AR00)

Дополнительные уплотнители нужны только в том случае, если плоские кабели оканчиваются внутри модуля (3RK1 902-0AR00)Адаптеры стандартной шины могут быть заказаны отдельно как запасные части: 3RX1 660-0B

Распределительные устройства могут быть использованы для следующих целей:

  • Конфигурирование сетевых структур (функция ветвления)
  • Отделение друг от друга сегментов кабеля (функция изоляции)
  • Герметизация концов кабеля внутри модуля (функция герметизации)

Если один или оба кабеля заканчиваются в модуле, то требуются уплотнители (прямые и фасонные), которые могут быть вставлены  в нижнюю часть распределительного устройства. Эти уплотнители не входят  в объем поставки и должны заказываться отдельно (3RK1 902-0AR00). Если оба кабеля проложены через модуль, то дополнительные уплотнители не требуются.

 

 


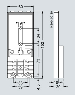
Чертеж

Модуль дискретного ввода/вывода К60 с IP67

 

Модуль ввода-вывода с монтажной платой 3RK1 901-0CA00

 

 

Монтажная плата 3RK1 901-0CA00 для настенного монтажа

 

 

Монтажная плата 3RK1 901-0CB00 для монтажа на стандартную профильную шину DIN

 

 


Схема подключения

Модуль дискретного ввода/вывода К60 с IP67
Назначение контактов гнезд  М12 для подключения датчиков 

 

Стандартное назначение контактов

 

 

Y-образное расположение контактов

 

 

Y-II-образное расположение контактов 

 

Назначение контактов гнезд М12 для подключения нагрузки 

 

Стандартное назначение контактов

 

 

Y-образное расположение контактов

 

 

Y-II-образное расположение контактов

 

 


Заказные данные

Цена на сайте указана розничная в ЕВРО без учета НДС.Для уточнения цены и размера предоставляемой скидки - звоните или присылайте заявки

Заказной номерPGОписание продуктаЦена
3RK1400-1DQ00-0AA342CSIRIUS NET, КОМПАКТНЫЙ МОДУЛЬ 4ВХОДА 4ВЫХОДА, AS-I, 4 ЦИФРОВЫХ ВХОДА 200MA, PNP, Y-II, 4 ЦИФР. ВЫХ. 4A, PNP, Y-II, M12 ВСТАВНОЙ РАЗЪЕМ IP67 167.90