
Предписания Директива ЕС для механизмов 98/37/EG, вступившая в силу с 31.12.1994 г., определяет только нормативную базу глобальной безопасности. Каким образом должны быть реализованы требования по безопасности в каждом конкретном случае, определено в стандартах, которые разработаны, например, европейским комитетом по электротехнической стандартизации (CENELEC) на основании международных норм. Важнейшие стандарты - DIN EN 60204-1 (VDE 0113 Часть 1):1998
"Безопасность машин – электрическое оснащение машин, часть 1:Общие требования“ - Директива EC для механизмов 98/37/EG:1998
"Директива конвергенции нормативных документов стран членов ЕС в части машин и механизмов" - EN 292-1:1991
"Основные понятия, общие принципы конструирования; часть 1: Базовая терминология, методика" - EN 292-2:1991 и EN 292-2/A1:1995
"Основные понятия, общие принципы конструирования; часть 2: Технические руководящие принципы и спецификации" - EN 418:1992
"Безопасность машин – аварийное отключение оборудования, функциональные аспекты, принципы конструирования" - EN 954-1:1996
"Безопасность машин –части систем управления, имеющие отношение к безопасности; часть 1: Общие принципы конструирования" - EN 1088:1995
"Безопасность машин – блокирующее оборудование во взаимосвязи с размыкающими предохранительными устройствами; руководящие принципы для конструирования и выбора" Категория частей систем управления, имеющих отношение к безопасности в соответствии с CEN/TC 114 DIN EN 954-1 | Категория | Сокращенное изложение требований | Поведение системы | | B | Части систем машинного управления и/или их защитных устройств, а также их конструктивные элементы, имеющие отношение к обеспечению безопасности, должны конструироваться, выбираться, компоноваться и комбинироваться в соответствии с уровнем развития техники таким образом, чтобы они могли противостоять ожидаемым влияниям. | Возникновение сбоя может привести к потере функции безопасности. Некоторые сбои остаются нераспознанными. | | 1 | Должны выполняться требования категории B. Применение конструктивных элементов и принципов, проверенных с точки зрения техники безопасности. | Как описано для категории B, но с более высокой надежностью элементов, имеющих отношение к обеспечению безопасности. | | 2 | Должны выполняться требования категории B с применением принципов, проверенных с точки зрения техники безопасности. Функции безопасности должны проверяться через определенные промежутки времени системой машинного управления. Примечание: применимость определяется приложением и типом машины. | Возникновение сбоя может привести к потере функции безопасности в период между проверками. Сбой распознается при проверке. | | 3 | Обязательно выполнение требований категории B и применение принципов, проверенных с точки зрения техники безопасности. Системы управления должны конструироваться таким образом, чтобы: a) отдельный сбой в системах управления не приводил к потере функции (−ий) безопасности и b) по мере возможности, отдельный сбой определялся подходящими средствами, соответствующими уровню техники. | При возникновении отдельного сбоя, функция безопасности всегда сохраняется. Распознаются некоторые, но не все сбои. Накопление нераспознанных сбоев может привести к потере функции безопасности. | | 4 | Обязательно выполнение требований категории B и применение принципов, проверенных с точки зрения техники безопасности. Системы управления должны конструироваться таким образом, чтобы: a) отдельный сбой в системах управления не приводил к потере функции (−ий) безопасности и b) по мере возможности, отдельный сбой определялся подходящими средствами, соответствующими уровню техники или c) если b) реализовать невозможно, то накопление нераспознанных сбоев не приведет к потере функции безопасности. | При возникновении сбоев функция безопасности всегда сохраняется. Сбои распознаются своевременно, чтобы предотвратить потерю функции безопасности. | Сфера действия - Стационарные,
- Передвижные,
- С ручным управлением,
- Подвижные
- Обрабатывающие станки
- Энергетические и рабочие машины
- Компрессоры,
- Испытательные и упаковочные машины,
- Машины для разработки подземным способом,
- Машины для земляных работ и уборочные машины,
- Подъемные маханизмы,
- Напольные транспортные средства,
- Механизмы для поднятия людей
- Оборудование,
- Сменное оснащение, такое как устройства для очистки от снега и уборки улиц
Оценка риска и выбор соответствующей категории Ответственность за правильную оценку риска возлагается на проектировщиков и эксплуатационников. Количественный учет риска является сложной задачей, так что при выборе категории приемлемый риск может быть определен только в пределах достаточно большого диапазона. Это становится очевидным, если, например, на графе рисков (смотри рисунок) для параметра риска „F − повторяемость и продолжительность пребывания“ вместо „F1 − от редко до иногда“, выбрать „F2 − от часто до продолжительно“. Между оценками „иногда“ и „часто“ может при определенных обстоятельствах находиться весь диапазон категорий безопасности. |
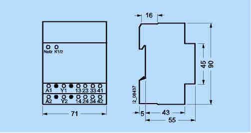
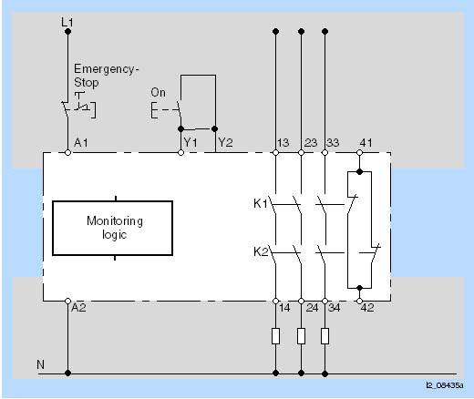
Схема подключенияПримеры принципиальных схем Прямое подключение 230 В/400 В до 5 A Блок контрольной логики проверяет через неизображенныe внутренние контакты реле, отпали ли перед включением оба реле. Этим самым гарантируется, что отсутствует сваривание контактов. Дополнительно к этому контролируется уровень напряжения на зажиме A1. Включенные параллельно НЗ контакты (клеммы 41 и 42), связанные с K1 и K2, имеются в распоряжении для произвольного монтажа. Присоединение внешних контакторов Внешние контакторы разрешается применять, если они снабжены контактами с принудительным приводом в соответствии с Правилами безопасности ZH1/457 Генерального объединения профессиональных союзов (каталог ET B1 · 2002, Технические данные, страницы 6/15 или 6/20). Следует применять контакторы с тремя НО и одним НЗ контактом, причем контакты НЗ должны включаться в контрольный шлейф – клеммы Y1/Y2. Включенные параллельно НЗ контакты (клеммы 41 и 42), связанные с K1 и K2, имеются в распоряжении для произвольного монтажа. |