0

Разделы

Milltronics WD600

 

Milltronics WD600 Весоизмерительная платформа большой длины, для малых и средних нагрузок

 


Особенности

Milltronics WD600
  • Простой монтаж
  • Весовая платформа большой длины (материал дольше находится в зоне взвешивания)
  • Малый профиль по высоте

 


Область применения

Milltronics WD600

WD600 работает с любым из существующих плоских ленточных конвейеров и с избранными интеграторами Сименса. По мере движения вещества по конвейеру и относительно конвейерной ленты оно оказывает давление, пропорциональное массе вещества. Это давление через платформенные весы передаётся на весоизмерительные ячейки.

WD600 реагирует только на вертикальную составляющую приложенной силы. В каждой весоизмерительной ячейке тензодатчик регистрирует результирующее движение. Тензодатчики, запитанные напряжением от электронного интегратора, выдают электрический сигнал, пропорциональный весу, этот сигнал затем поступает в интегратор.

Вертикальное перемещение весоизмерительных ячеек ограничено защитным ограничителем перегрузки, который встроен в монтажные элементы ячейки.

 


Технические данные

Milltronics WD600

 

Технические параметры

 

Точность1)

  • ± 0.5 to 1%1.0 % суммарного количества 25 - 100% рабочего диапазона, в зависимости от применения

Ширина ленты

  • 12, 18, 24, 30, 36, 42, 48” (300, 450, 600, 750, 900, 1000, 1200 мм)

Скорость ленты

  • 2.0 м/с максимум

Мощность

До 50 т/час

Наклон ленточного транспортера

  • ± 20° от горизонтали, фиксированный наклон
  • До ± 30° с уменьшением точности2)

Роликовая опора ленточного транспортера

  • Горизонтальная

Нагрузка

  • Минимум 1.0 кг/м
  • Максимум 60 кг/м

Весоизмерительная ячейка

 

Питание:

10 В DC ном., 15 В DC макс.

Выход:

2 мВ/В

Нелинейность:

0.02% ном. выходной мощности

Воспроизводимость:

0.01% ном. выходной мощности

Мощность:

Нерж. сталь: 6, 12, 30 кг

 

Никелерованная: 10, 15, 20, 30 кг

Перегрузка:

150% макс.

Температура:

  • -40 ... +65 °C  с компенсацией
  • -10 ... +40 °C  рабочий диапазон

Конструкция

  • Нерж. сталь
  • UMHW - PE вставки

Hazardous locations

Проконсультируйтесь с заводом

Допуски

CE, FDA/USDA, C-TICK

 1)  Указанная точность измерения: при соблюдении всех требований завода-изготовителя к месту установки и монтажу, точность измерения суммарного веса будет соответствовать значению, указанному в спецификации, при условии калибровки весов с помощью материала. Калибровка должна проводится при расходе соответствующем диапазону измерения весов. Расход материала при проведении процедуры калибровки должен быть постоянным. Длительность процедуры калибровки должна  быть равна времени соответсвующем  трем полным оборотам ленты конвейера или, по крайней мере, 10 минутам.

 2) Требуется консультация с инженером Siemens.

 


Чертеж

Milltronics WD600

 Размеры WD600 

Ширина ленты

A

B

12” (300 мм)

13.25” (330 мм)

20.25” (510 мм)

18” (450 мм)

19.25” (485 мм)

26.25” (665 мм)

24” (600 мм)

25.25” (640 мм)

32.25” (815 мм)

30” (750 мм)

31.25” (790 мм)

38.25” (970 мм)

36” (900 мм)

37.25” (945 мм)

44.25” (1120 мм)

42” (1000 мм)

43.25” (1095 мм)

50.25” (1275 мм)

48” (1200 мм)

49.25” (1250 мм)

56.25” (1425 мм)

 

 


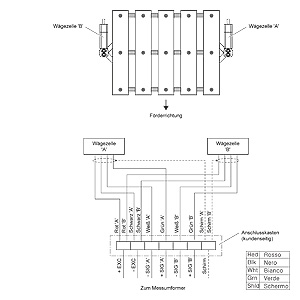
Схема подключения

Milltronics WD600

Подключение WD600

 


Заказные данные

Цена на сайте указана розничная в ЕВРО без учета НДС.Для уточнения цены и размера предоставляемой скидки - звоните или присылайте заявки

Заказной номерPGОписание продуктаЦена
7MH7185-....854WEIGH DECK 600, 304 SS CONSTRUCTION WITH UHMW POLYETHELENE SLIDERS, LOAD CELLS ARE AVAILABLE IN NICKLE PL., OR STAINLESS STEEL. TWO CALIBRATION WEIGHTS ARE REQUIRED AND ORDERED AS SEPARATE ITEM. REFER TO OPTIONAL EQUIPMENT. 0.00

 


Аксессуары

Цена на сайте указана розничная в ЕВРО без учета НДС.Для уточнения цены и размера предоставляемой скидки - звоните или присылайте заявки

Заказной номерPGОписание продуктаЦена
7MH7724-1AF854КАЛИБРОВОЧНЫЙ ГРУЗ 200Г ДЛЯ MILLFLO, ILE 37/ILE 61 53.00
7MH7724-1AG854КАЛИБРОВОЧНЫЙ ГРУЗ 500Г ДЛЯ MILLFLO, ILE 37/ILE 61 104.94
7MH7724-1AH854КАЛИБРОВОЧНЫЙ ГРУЗ 1000Г ДЛЯ MILLFLO, ILE 37/ILE 61 124.02
7MH7725-1EG8ZMLOADCELL SPARE, WD600 6KG SS, W HW 875.56
7MH7725-1EH8ZMLOADCELL SPARE, WD600 12KG STAINLESS STEEL, WITH HARDWARE 875.56
7MH7725-1EJ8ZMLOADCELL SPARE, WD600 30KG STAINLESS STELL, WITH HARDWARD 875.56
7MH7725-1EK8ZMLOADCELL SPARE, WD600 10KG NICKEL-PLATED, WITH HARDWARE 251.22
7MH7725-1EL8ZMLOADCELL SPARE, WD600 15KG NICKEL-PLATED, WITH HARDWARE 251.22
7MH7725-1EM8ZMLOADCELL SPARE, WD600 20KG NICKLE PLATED, WITH HARDWARE 251.22
7MH7725-1EN8ZMLOADCELL SPARE, WD600 30KG NICKEL-PLATED, WITH HARDWARE 251.22
PBD:20568-108ZMWEIGHFEEEDER CALIBRATION WEIGHT, 2000G 227.90
PBD:20568-208ZMWEIGHFEEDER CALIBRATION WEIGHT, 5000G 249.10
PBD:20568-308ZMWEIGHFEEDER CALIBRATION WEIGHT, 7500G 313.76
PBD:20568-408ZMWEIGHFEEDER CALIBRATION WEIGHT, 8500G 281.96
PBD:20568-508ZMWEIGHFEEDER CALIBRATION WEIGHT, 10,000G 351.92
PBD:20568-608ZMWEIGHFEEDER CALIBRATION WEIGHT, 12,000G 319.06
PBD:20568-708ZMWEIGHFEEDER CALIBRATION WEIGHT, 15,000G 332.84
PBD:20568-808ZMWEIGHFEEDER CALIBRATION WEIGHT, 3500G 205.64