0

Разделы

Скачать Заказные данные 
MASSFLO MASS MC1 Di 50 до Di 150

MASS 2100 MC1 DN 50 до DN 150 подходит для точного измерения массового расхода любых жидкостей и газов.

Преобразователь расхода обеспечивает отличные результаты по точности расхода, динамическом диапазоне и точности измерения плотности. Удобная установка с помощью механического и электрического интерфейса Plug & Play гарантирует оптимальную производительность и простое управление.

Преобразователь расхода обеспечивает точное измерение массового расхода, объемного расхода, плотности, температуры и расхода фракций.

 


Особенности

Скачать Заказные данные 
MASSFLO MASS MC1 Di 50 до Di 150
  • Высокая точность: лучше чем 0.15% от количества массового расхода
  • большой динамический диапазон свыше 500:1, от 65 кг/час до нескольких гр/час.
  • Благодаря точности измерения плотности лучше чем в 0,005 гр/см3 с точностью повторяемости лучше чем в 0,0001 гр/см3 обеспечивается полная функциональность плотномера.
  • Использование самой толстой трубы, из представленных на рынке, гарантирует оптимальный срок службы, коррозиоустойчивость и высокую стойкость к давлению.
  • Малая потеря давления, так как одинаковый внутренний диаметр во всём преобразователе расхода
  • Параллельная конструкция трубы S и оптимально выровненный индуктивный преобразователь расхода увеличивают точность и динамический диапазон.
  • Самодренаж при горизонтальном и вертикальном монтаже
  • Жесткая конструкция корпуса уменьшает воздействия вибраций трубопровода и температурную нагрузку.
  • Наивысшая точность при измерении расхода, плотности и фракционного расхода благодаря 4-проводному измерению температуры Pt1000.
  • SENSORPROM обеспечивает настоящий Plug & Play. Монтаж и ввод в эксплуатацию менее чем за 10 минут
  • Безопасность во взрывоопасных зонах благодаря EEx em [ib] IIC
  • Для оптимальной защиты от коррозии поставляются трубы преобразователя расхода из высококачественной нерж. стали AISI 316L 1.4571 или Hastelloy C 4 2.4610.
  • Калибровочный коэффициент преобразователя расхода действует и для измерений газа.

 


Область применения

Скачать Заказные данные 
MASSFLO MASS MC1 Di 50 до Di 150

Измерительные устройства массового расхода, работающие по принципу измерения Кориолиса, подходят для измерения дюбых жидкостей и газов. Измерение осуществляется независимо от изменения таких условий и параметров процесса, как температура, плотность, давление, вязкость, проводимость и профиль протока.

Благодаря такому многообразию монтаж расходомера является очень простым. Этот кориолисовый расходомер известен своей высокой точностью в широком динамическом диапазоне, что является решающим аргументом для использования во многих приложениях.

Основными сферами применения кориолисова расходомера являются различные отрасли промышленности, например:

Химическая и фармацевтическая промышленность

Моющие средства, основы, фармацевтические продукты, кислоты, щёлочи

Пищевая и пиво-безалкагольная промышленность

Молочые продукты, пиво, вино, безадкогольные напитки, сахарометры/ареометры, фруктовые соки и плодоягодные пюре, розлив, дозровка СО2, жидкости CIP

Нефть и газ

Измерение газа, управление горелками, контрольные уловители, сжиженный газ, нефтехранилища

Воды и сточные воды

Дозировка химикатов для водоподготовки

Благодаря широкому спектру возможностей комбинирования и версий модульной системы имеется идеальное решение для любой задачи измерения.

 


Дизайн

Скачать Заказные данные 
MASSFLO MASS MC1 Di 50 до Di 150

Преобразователь расхода MC1 состоит из двух параллельных измерительных трубок, которые привариваются двумя концами напрямую на расходный делитель, чтобы исключить прямое соединение с подключениями к процессу и значительно уменьшить воздействие внешних вибраций.

Расходные делители привариваются на жесткий корпус преобразователя расхода, который работает как механический фильтр нижних частот.

Преобразователь расхода поставляется из 2-х материалов - AISI 316L или Hastelloy C4 - а также с различными подключениями к процессу.

 


Функции

Скачать Заказные данные 
MASSFLO MASS MC1 Di 50 до Di 150

Принцип измерения расхода базируется на законе движения Кориолиса, см. "Системная информация по массовым расходомерам MASSFLO с кориолисовым принципом измерения".

 


Интеграция

Скачать Заказные данные 
MASSFLO MASS MC1 Di 50 до Di 150
Руководство по монтажу MC1 DN 50 ... DN 150

Монтаж преобразователя расхода

Наилучшей является вертикальная позиция установки с направлением протока снизу вверх (см. рисунок). Преимуществом этого является то, что при скорости расхода ноль содержащиеся в жидкости твердые примести осаждаются вниз, а пузырьки газа из измерительной трубки поднимаются вверх. Кроме этого возможно простое опорожнение измерительной трубы. Это предотвращает отложения.

Вертикальная позиция установки:

Вертикальный монтаж - самодренаж (напрвление протока вверх)

Горизонтальная позиция установки

Горизонтальный монтаж

Горизонтальная позиция установки, самодренаж

Горизонтальная позиция установки, самодренаж, О± 2° ... 4°

Монтаж в стояк

Показанная на следующем рисунке рекомендуемая позиция монтажа возможна только в том случае, если может быть установлен переходник или диафрагма с меньшим поперечным сечением, чтобы избежать частичного опорожнения преобразователя расхода при измерениях. 

Монтаж в стояк

Проблематичные места монтажа

Скопление пузырьков воздуха или газа в измерительной трубе может привести к значительным неточностям. Рисунок ниже показывает примеры проблематичного монтажа. Монтаж в высшей точке системы (рис. A) может привести к образованию воздушных пробок, которые приводят к значительным неточностям.

Другим примером неудачной установки является монтаж непосредственно перед свободным выпуском (рис. В) в стояке.

Проблематичные места монтажа

 


Технические данные

Скачать Заказные данные 
MASSFLO MASS MC1 Di 50 до Di 150

Конструкция

мм (дюймов)

50 (2)

65 (2½)

80 (3)

100 (4)

150 (6)

Внутренний диаметр трубы(сенсор состоит из one continuous pipe)

2 x мм (дюймов)

25.0 (0.98)

33.7 (1.33)

38.0 (1.49)

48.3 (1.90)

76.1 (2.99)

Толщина стенки трубы

мм (дюймов)

1.5 (0.06)

1.5 (0.06)

2.0 (0.08)

2.6 (0.10)

3.2 (0.13)

Диапазон измерения массового расхода при перепаде давления в 2 бар (29 psi) при 1 гр/см3 (0.036 lb/дюйм3)

кг/час

42.600 (11.254)

87.000 (22.983)

113.400 (29.957)

192.000 (50.721)

510.000 (134.727)

Плотность

гр/cм3 (lb/дюймов3)

0.5 ... 3.5 (0.0018 ... 0.126)

Фракция

°Brix

0 ... 100

Температура

 

 

Стандарт

°C (°F)

-50 ... +180 °C (-58 ... +356 °F)

Ex

°C (°F)

-20 ... +180 °C (-4 ... +356 °F)

Давление жидкости в измерительной трубе1)

 

 

 

 

 

 

Нерж. сталь (DIN 2413, 20 °C (68 °F))

PN

100

100

100

40

40

Maтериалы

 

Измерительная труба

 

SS 1.4571 or Hastelloy C4

Фланец

 

SS 1.4571 or Hastelloy C4

Корпус

 

IP67

Материал корпуса/клеммной коробки

 

1.4301 /алюминий

Подключения к процессу

 

см. Габаритные чертежи

Электрические соединения

 

Винтовые клеммы, Pg 13.5

Длина кабеля

 

5 x 2 x 0.35 мм2 попарно скрученный и экранированный, наружный Ø 12 мм

Ex-версия

 

 

ATEX 1388X

 

II 1/2 EEx em [ib] IIC T2-T6

Вес около

kg (lb)

34 (75)

47 (104)

58 (128)

90 (198)

190 (419)

 

 


Чертеж

Скачать Заказные данные 
MASSFLO MASS MC1 Di 50 до Di 150

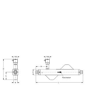
Раздельная конструкция, фланцевая, DIN/ANSI

Диаметр измерительного прибора

Диаметр подключения к процессу

L

G 1)

F

B

A

Вес кг

 

дюйм

DN

дюймов

DN

DIN 2635PN 40

DIN 2637PN 100

ANSICL 150

ANSICL 300

ANSICL 600

H

2

 

50

 

40

1045

1078

1075

1090

1108

403

148

80

110

32

2

50

940

979

970

980

1001

403

148

80

110

34

65

1100

1148

1135

1145

1166

403

148

80

110

38

I

 

 

65

2

50

1220

1259

1250

1260

1281

429

164

97

130

43

65

1100

1148

1218

1145

1249

429

164

97

130

47

3

80

1220

1260

1240

1260

1282

429

164

97

130

50

J

 

3

 

80

65

1330

1256

1365

1375

1396

456

186

108

140

56

3

80

1220

1260

1240

1260

1282

456

186

108

140

58

4

100

1480

N/A

1500

1520

N/A

456

186

108

140

69

K

 

4

 

100

3

80

1640

N/A

1660

1680

N/A

500

215

131

170

84

4

100

1480

N/A

1500

1520

N/A

500

215

131

170

91

L

6

150

6

150

2040

N/A

2070

2090

N/A

613

285

190

250

248

1) для EEx доп. 54 мм

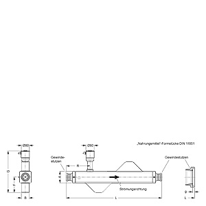
Раздельная конструкция, арматура для пищевой промышленности, DIN 11851

Диаметр измерительного прибора

Диаметр подключения к процессу

L

g

G 1)

F

B

A

R

Вес кг

дюйм

DN

 

H

 

(50)

40

Rd 65 x 1/6

1025

7

403

148

80

110

233

28

2

50

Rd 78 x 1/6

915

7

403

148

80

110

177

30

65

Rd 95 x 1/6

1066

8

403

148

80

110

254

34

I

 

(65)

2

50

Rd 78 x 1/6

1203

7

429

164

97

130

291

40

65

Rd 95 x 1/6

1078

8

429

164

97

130

227

44

3

80

Rd 95 x 1/6

1184

8

429

164

97

130

281

47

J

 

(80)

65

Rd 95 x 1/6

1316

8

456

186

108

140

319

54

3

80

Rd 95 x 1/6

1195

8

456

186

108

140

258

56

4

100

Rd 103 x ¼

1440

10

456

186

108

140

381

60

K

 

(100)

3

80

Rd 95 x 1/6

1632

8

500

215

131

170

401

82

4

100

Rd 103 x ¼

1460

10

500

215

131

170

314

86

1) для EEx доп. 54 мм

Раздельная конструкция, Tri-clamp ISO 2852

Диаметр измерительного прибора

Диаметр пордключения к процессу

L

±3

G 1)

F

B

A

R

Вес кг

 

 

дюймов

DN

H

 

(50)

40

1010

403

148

80

110

275

27

2

50

910

403

148

80

110

225

26

65

1070

403

148

80

110

305

27

I

 

(65)

2

50

1190

429

164

97

130

335

36

65

1070

429

164

97

130

275

37

3

80

1176

429

164

97

130

328

38

J

 

(80)

65

1340

456

186

108

140

378

45

3

80

1176

456

186

108

140

296

44

4

100

1445

456

186

108

140

430

46

K

 

(100)

3

80

1596

500

215

131

170

440

71

4

100

1445

500

215

131

170

365

69

1) для EEx доп. 54 мм

 

 


Заказные данные

Скачать Заказные данные 

Цена на сайте указана розничная в ЕВРО без учета НДС.Для уточнения цены и размера предоставляемой скидки - звоните или присылайте заявки

Заказной номерPGОписание продуктаЦена
7ME430.-.....-....831Массовый расходомер SITRANS F C MASSFLO MASS MC2 0.00
7ME431.-.....-....831Сенсор массового расходомера SITRANS F C MASSFLO MASS MC2 Санитарная версия 0.00

 


Аксессуары

Скачать Заказные данные 

Цена на сайте указана розничная в ЕВРО без учета НДС.Для уточнения цены и размера предоставляемой скидки - звоните или присылайте заявки

Заказной номерPGОписание продуктаЦена
A5E02154544835SITRANS F C MC2 OP INSTR EN 24.38
A5E02384868835SITRANS F C MC2 OP INSTR FR 24.38
A5E02384945835SITRANS F C MC2 OP INSTR ES 24.38
A5E02407329835SITRANS F C MC2 OP INSTR DE 24.38
FDK:083H300183110M CABLE - 105 DEGREES 118.72
FDK:083H300283125M CABLE - 105 DEGREES 207.76
FDK:083H300383175M CABLE - 105 DEGREES 506.68
FDK:083H3004831150 M CABLE - 105 DEGREES 864.96
FDK:083H4410831MASS6000 SENSORPROM 2KB. QUOTE SENSOR CODE NO., SERIAL NO. AND CAL.FACTOR 55.12