0

Разделы

Скачать Заказные данные Скачать Заказные данные 
MASSFLO MASS 6000 Exd интегральный/удаленный монтаж

MASS 6000 сконструирован согласно новейшим разработкам в цифровой обработке сигналов и рассчитан на высокую производительность, быстрый отклик, быстрое дозирование, высокую помехоустойчивоть к шумам процесса, простой монтаж, ввод в эксплуатацию и обслуживание.

Преобразователь сигналов MASS 6000 обеспечивает точные мультипараметрические измерения : массового расхода, бъемного расхода, плотности, температуры и фракций.

Преобразователь сигналов MASS 6000 Exd изготовлен из нерж. стали (AISI 316L) и может использоваться при сложных условиях монтажа и опасных приложениях в технологической промышленности и химической промышленности. Проверенный материал корпуса обеспечивает небольшие затраты для пользователя и длительный срок службы. Измерительный преобразовател Exd в компактной версии может размешаться на всех преобразователях расхода типа MASS 2100 DI 3 до DI 40, а в раздельной версии - использоваться для всех типов MASS 2100.

 


Особенности

Скачать Заказные данные Скачать Заказные данные 
MASSFLO MASS 6000 Exd интегральный/удаленный монтаж
  • оптимальный ценовой диапазон для пользователя благодаря цельному вызрывонепроницаемому корпусу EEx d из нерж. стали
  • искробезопасные клавиатура и индикация с возможностью программирования в опасной зоне
  • преобразователь сигналов с допуском ATEX подходит для монтажа в зоне 1 или 2
  • искробезопасный интерфейс преобразователя расхода и рпеобразователя сигналов согласно Ex ia IIC
  • замена преобразователя сигналов прямо в опасной зоне без остановки трубопровода процесса благодаря интерфейсу преобразователя расхода/измерительного преобразователья ia IIC.
  • специальный чип массового расхода с новейшей технологией ASIC
  • быстрое дозирование и короткое время отклика с действительной скоростью обновления в 30 Гц
  • отличная помехоустойчивость благодаря запатентованному алгоритму DFT (Discrete Fourier Transformation)
  • улучшенная стабильность нулевой точки и увеличенная динамика точности измерения расхода и плотности благодаря входному разрешению свыше 0,35 ns
  • упрошенный поиск ошибок и поверка прибора благодаря специальному диагностическому и сервисному меню
  • встроенное управление дозировкой с компенсацией и контролем и 2 встроенными счетчиками
  • универсальные выходы, конфигурируются по отдельности на массовый расход, объемный расход, плотность, температуру или фракционный расход, например, °BRIX или ° PLATO
  • 1 токовый выход, 1 частотный/импульсный выход и 1 релейный выход как стандартный выход
  • токовый выход как опция в качестве пассивного или активного выхода
  • цифровой вход для управления дозировкой, дистанционной установки нулевой точки или принудительного выходного режима
  • все выходы для целей моделирования, контроля или калибровки могут принудительно устанавливаться на заданные значения
  • конфигурируемое меню управления с защитой паролем
    • индикация 3 строки по 20 знаков каждая на 11 языках
    • простая обработка и запись ошибок в текстово формате
    • клавиатура может использоваться для управления дозировкой (Start/Stop/Hold/Reset)
  • технология SENSORPROM автоматически конфигурирует преобразователь сигналов при вводе в эксплуатацию и предлагает:
    • заводское предварительное прграммирование данных калибровки, размера трубы, типа преобразователя расхода,  выходных установок
    • автоматическое сохранение всех введенных пользователем значений и установок
    • автоматическое программирование нового преобразователя сигналов без потери точности
    • замена преобразователя сигналов менее чем за 5 минут благодаря реальному Plug & Play
  • Наивысшая точность при измерении расхода, плотности и фрракций благодаря 4-х проводному подключениб датчика температуры PT 1000
  • вычисление расхода фракций на базе 5-ти значного алгоритма, подходящего для всех приложений
  • комплектация дополнительных шинных модулей без потери функциональности через платформу USM II
    • все модули могут комплектоваться с реальным "Plug & Play"
    • автоматическое конфигурирование модуля и преобразователя сигналов через SENSORPROM
  • простой "Plug &Play" при монтаже преобразователя сигналов на преобразователь расхода через цоколь преобразователя расхода

 


Область применения

Скачать Заказные данные Скачать Заказные данные 
MASSFLO MASS 6000 Exd интегральный/удаленный монтаж

Массовые расходомеры SITRANS F C MASSFLO могут использовать для решения любых задач в технологической промышленности, для которых необходимо точное измерение расхода. Расходомер может использоваться для измерения жидкостей и газов.

Преобразователь сигналов MASS 6000 Exd преимущественно используется в следующих отраслях:

  • химическая технологическая промышленность
  • фармацевтическая промышленность
  • автомобильная промышленность
  • нефть и газ
  • производство и распределение энергии

 


Дизайн

Скачать Заказные данные Скачать Заказные данные 
MASSFLO MASS 6000 Exd интегральный/удаленный монтаж

Преобразователь сигналов размещен в компактном корпусе Exd из нерж. стали, который при компактном монтаже крепится к преобразователям расхода серии MASS 2100 DI 3 до DI 40, а при раздельном монтаже может использоваться для всей серии преобразователей расхода.

MASS 6000 Exd в стандартной версии поставляется с 1 токовым выходом, 1 частотным/импульсным и 1 релейным выходом и может быть укомплектован всеми доп. модулями для шинной коммуникации.

  • взрывонепроницаемый корпус "d"
  • корпус из нерж.стали, IP67/NEMA 4X как компактная и IP65/NEMA 4X как раздельная
  • напряжение питания 24V AC/DC.
  • MASS 6000 Exd имеет допуск ATEX со всеми измерительными датчиками  MASS 2100

 


Функции

Скачать Заказные данные Скачать Заказные данные 
MASSFLO MASS 6000 Exd интегральный/удаленный монтаж

Доступны следующие функции:

  • количество массового расхода, количество объёмного расхода, плотность, температура и фракционный расход
  • 1 токовый выход, 1 частотный/импульсный выход, 1 релейный выход, 1 цифровой вход
  • все выходы по отдельности могут конфигурироваться на массу, объем, плотность и т.д.
  • 2 встроенных счётчика для расхода вперёд, назад или нетто
  • отсечка малого расхода
  • установка отключения по плотности или опорожнению
  • направление протока
  • система ошибок, состоящая из записи ошибок и индикации имеющихся ошибок
  • продолждительность эксплуатации
  • одно- или двунаправленное измерение расхода
  • релейный выход с 1 или 2 конечными положениями, может программироваться для расхода, плотности или тепературы 
  • установка фильтра шумов для оптимизации измерительной мощности при неблагоприятных условиях использования
  • полное управление дозировкой
  • меню для автоматической установки нулевой точки с проверкой качества установки нулевой точки
  • комплексное сервисное меню для эффективного и простого использования и поиска ошибок

 


Технические данные

Скачать Заказные данные Скачать Заказные данные 
MASSFLO MASS 6000 Exd интегральный/удаленный монтаж

Преобразователь сигналов

Измерение

Массовый расход[кг/сек (lb/мин)], объемный расход [л/сек (gpm)], Фракция [%], °Brix, плотность [кг/м3, lb/ft3], температура [°C (°F)]

Токовый выход

Классификация Ex ia, как опция в качестве активного или пассивного выхода, пассивный режим установлен стандартно

  • ток

0 ... 20 mA или 4 ... 20 mA

  • нагрузка

< 350 Ω

  • постоянная времени

0.1 ... 30 сек, устанавливаемая

Параметрические значения тока (соединения: 31-32)

 

Активный режим

Uo = 24 V, Io = 82 mA, Po = 0.5 W, Co = 125 nF, Lo = 2.5 mH

Пассивный режим (макс. вход от внешнего барьера)

Ui = 30 V, Ii = 100 mA, Pi = 0.75 W, Ci = 52 nF, Li = 100 μH

Цифровой выход

 

  • частота

0 ... 10 kHz, 50% скважности

  • потсоянная времени

0.1 ... 30сек, устанавливаемая

  • пассивный

6 ... 30 V DC, макс. 110 mA, 1 KΩ ≤ Rload ≤ 10 KΩ

Параметрические значения выхода (соединения: 56-57-58)

 

Активный режим

не доступен

Пассивный режим (макс. вход от внешнего барьера)

Ui = 30 V, Ii = 100 mAa, Pi = 0.75 W, Ci = 52 nF, Li = 100 μH

Реле (соединения: 44-45-46)

 

  • тип

реле переключения

  • нагрузка

30 V / 100 mA

  • функции

уровень ошибки, номер ошибки, предельное значение, направление

  • параметрические значения выхода

Ui = 30 V, Ii = 100 mA, Pi = 0.75 W, Ci = 0 nF, Li = 0 mH

Цифровой вход (соединенияs: 77-78)

11 ... 30 V DC (Ri = 13.6 KΩ

  • функциональность

предварительный выбор Старт/Стоп/Дальше, установка нулевой точки, сброс счетчика 1/2, управление выходом, замораживание выхода

  • параметрические значения выхода

Ui = 30 V, Ii = 3.45 mA, Pi = 0.10 W, Ci = 0 nF, Li = 0 mH

Гальваническая развязка

Все входы и выходы гальванически разделены, изоляционное напряжение 500 V

Отсечка малого расхода

 

  • возможное значение

0 ... 9.9% от макс. расхода

  • пустая труба

сенсор определения опорожнения

  • плотность

0 ... 2.9 гр/см3

Счётчик

Два 8-значных счетчика для расхода вперед/назад/нетто

Индикация

  • фоновая подсветка с алфавитно-цифровым текстом, 3х20 знаков для индикации расхода, суммарных значений, установок и ошибок, постоянная времени как токового выхода 1
  • обратный расход показывается знаком минус 

Установка нулевой точки

Вручную через клавиатуру или дистанционно через цифровой вход

Внешняя температура

 

  • работы

-20 ... +50°C (-4 ... +122 °F)

  • хранение

-40 ... +70°C (-4 ... +158 °F) (влажность макс. 95%)

Коммуникация

подготовлен для опционных доп модулей с сертификатом для Ex-использования

HART (соединения: 91-92)

 

Активный режим

Uo = 6.88 V, Io = 330 mA, Po = 0.57 W, Co = 20 nF, Lo = 100 μH

Пассивный режим (макс. выход от внешнего барьера)

Ui = 10 V, Ii = 200 mA, Pi = 0.5 W, Ci = 0 nF, Li = 0 μH

PROFIBUS PA (соединения: 95-96)

 

Активный режим

не доступен

Пассивный режим

Ui = 17.5 V, Ii = 380 mA, Pi = 5.32 W, Ci = 5 nF, Li = 10 μH

Корпус

 

  • материал

нерж.сталь AISI 316 W1.4435

  • Класс защиты
  • компактный монтаж на преобразователь расхода: IP67/NEMA 4X по IEC 529 и DIN 40050
  • раздельный монтаж: IP65/NEMA 4X по IEC 529 и DIN 40050
  • нагрузка

18 ... 1000 Гц любая, 1.14 G гр эффективная во всех направлениях, по IEC 68-2-36, кривая E

Напряжение питания

 

24 V AC

 

  • диапазон

20 ... 30 V AC

  • потребляемая мощность

6 VA IN = 250 mA, IST = 2 A (30 мсек)

  • питание

Предусмотреть питание от безопасного трансформатора. Макс. поперечное сечение кабеля 1,5 мм2

24 V DC

 

  • диапазон

18 ... 30 V DC

  • потребляемая мощность 

6 VA IN = 250 mA, IST = 2 A (30 мсек)

  • питание

Предусмотреть питание от безопасного трансформатора. Макс. поперечное сечение кабеля 1,5 мм2

Параметры ЭМС

 

  • излучение помех

EN 50081-1 (лёгкая промышленность)

  • помехоустойчивость

EN 50082-2 (промышленность)

NAMUR

В пределах ограничений по "Общим требованиям" с критериями ошибки A по NE 21

Ex допуск

EEx de [ia/ib] IIC T6, DEMKO 03 ATEX 13253X

Температурный класс:

Температура жидкости процесса:

  • T6
  • T < 85 °C (185 °F)
  • T5
  • 85 °C < T < 100 °C (185 °F < T < 212 °F)
  • T4
  • 100 °C < T < 135 °C (212 °F < T < 275 °F)
  • T3
  • 135 °C < T < 180 °C (275 °F < T < 356 °F)

 

 

 


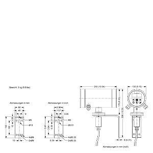
Чертеж

Скачать Заказные данные Скачать Заказные данные 
MASSFLO MASS 6000 Exd интегральный/удаленный монтаж

MASS 6000 Exd компактная версия

Диаметр измерительного датчика [DN (дюймов)]

L3[мм (дюймов)]

H5[мм (дюймов)]

H6[мм (дюймов)]

H5 + H6[мм (дюймов)]

3 (1/8)

75 (2.95)

82 (3.23)

307 (12.1)

389 (15.32)

6 (¼)

62 (2.44)

72 (2.83)

317 (12.48)

389 (15.32)

15 (½)

75 (2.95)

87 (3.43)

328 (12.91)

414 (16.30)

25 (1)

75 (2.95)

173 (6.81)

332 (13.07)

504 (19.84)

40 (1½)

75 (2.95)

227 (8.94)

332 (13.07)

558 (21.97)

 

MASS 6000 Exd раздельная версия

 


Схема подключения

Скачать Заказные данные Скачать Заказные данные 
MASSFLO MASS 6000 Exd интегральный/удаленный монтаж
Электрическое соединение компактной и раздельной версии

 


Заказные данные

Скачать Заказные данные Скачать Заказные данные 

Цена на сайте указана розничная в ЕВРО без учета НДС.Для уточнения цены и размера предоставляемой скидки - звоните или присылайте заявки

Заказной номерPGОписание продуктаЦена
7ME411.-.....-....831Преобразователь массового расходомера MASS 6000 1982.20

 


Аксессуары

Скачать Заказные данные Скачать Заказные данные 

Цена на сайте указана розничная в ЕВРО без учета НДС.Для уточнения цены и размера предоставляемой скидки - звоните или присылайте заявки

Заказной номерPGОписание продуктаЦена
A5E02318728835SITRANS F FOUNDATION FIELDBUS H1 COMM MODULE OP INSTR EN 29.68
A5E02488856835SITRANS F FOUNDATION FIELDBUS H1 COMM MODULE OP INSTR DE 29.68
A5E02512169835SITRANS F FOUNDATION FIELDBUS H1 COMM MODULE OP INSTR FR 29.68
A5E02512177835SITRANS F FOUNDATION FIELDBUS H1 COMM MODULE OP INSTR ES 29.68
A5E03089708835SITRANS F HART COMM MODULE OP INSTR EN 11.66