
Магнитно-индуктивный преобразователь расхода SITRANS F M MAGFLO MAG 3100 W разработан для применения в области измерения расхода грунтовых вод, питьевой воды, сточных вод, загрязненной воды и взвесе. |
Особенности - поставляется с диаметрами от DN 25 до DN 1200
- высококачественные электроды заземления и измерительные электроды
- допуски для питьевой воды
- допуск для коммерческого учета
- отвечает требованиям EEC: DGRL, 97/23/EC руководство по далению для фланцев по EN 1092-1
- подходит для зарывания в землю и постоянного затопления
- монтажная длина по ISO 13359
- простая доработка на месте стандартного измерительного датчика до IP68/NEMA 6.
- простой ввод в эксплуатацию и автоматическая загрузка значений и установок калибровки через SENSORPROM
- Запатентованный метод проверки на месте. Использование данных из SENSORPROM.
|
Область примененияОсновными сферами применения магнитно - индуктивных измерительных датчиков SITRANS F M MAGFLO являются: - водозабор
- водоподготовка
- водораспределительные сети (управление определением утечек)
- водомеры для коммерческого учета
- орошение
- подготовка сточных вод
- фильтрационные установки (примеру, обратный осмос и ультрафильтрация)
- использование с промышленной водой
|
ДизайнИзмерительный датчик состоит из стального трубопровода, двух катушек, двух электродов, изолированной обшивки, корпуса и фланцевого соединения . |
Способ действияПринцип измерения расхода основывается на законе электромагнитной индукции Фарадея, при котором измерительный датчик преобразует расход пропорциональное скорости протока электрическое напряжение. |
ФункцииКалибруется индивидуально в аккредитованой по UKAS EN 45001 калибровочной лаборатории с погрешностью в ±0,1%. |
ИнтеграцияРасходомер в комп екте состоит из измерительного датчика и соответствующего измерительного преобразователя SITRANS F M MAG-FLO MAG 5000, 6000 или 6000 I (только раздельная версия). Гибкая концепция коммуникации USM II обеспечивает простую интеграцию и актуа изацию различных систем полевых шин, к примеру, HART, PROFIBUS DP и PA, DeviceNet, CANopen, MODBUS RTU/RS 485. |
Технические данные | Принцип измерения | электромагнитная индукция | | Частота возбуждения | 3.125 | | Вход | | | Диаметр | DN 25 … DN 1200 (1" … 48") | | Фланец | | - EN 1092-1
( же подходящие размеры для фланец по EN 1092-I, DIN 2501 и BS 4504) | DN 25 ... 50 (1“ … 2”): PN 40 (580 psi) DN 65 ... 150 (2½“ … 6”): PN 16 (232 psi) DN 200 ... 1200 (8“ … 48): PN 10/PN 16 (145/232 psi) | | | ¾” ... 24”: Class 150 (20 бар (290 psi)) | | | 28” ... 48”: Class D (10 бар (145 psi)) | | Рабочие условия | | | Окружающие условия | | | Окружающая температура | | - раздельный измерительный преобразователь
| -40 … +100°C (-40 … +212 °F) | - компактный измерительный преобразователь
| -20 … +50°C (-4 … +122 °F) | | Рабочее давление | | | | | | | 0.01 ... 40 бар (0.15 ... 580 psi) | | Класс защиты корпуса | | | | IP67/NEMA 4X to EN 60 529, 1 mH2O на 30 мин | | | IP68/NEMA 6 to EN 60 529, 10 mH2O пост. | | Свойства измеряемой среды | | | Температура вещества | | | | | | | 0 … 70 °C (32 … 158 °F) | - EPDM ( допуском WRC (WRC = английский научно-исследовательский центр водного хозяйства)
| -10 … +95 °C (14 … 203 °F) | | Конструкция | | | Вес | см . габаритные чертежи | | Материал | | | | углеродистая сталь | | | AISI 304 (1.4301) | | | AISI 316 Ti (1.4571) | | Сертификаты и допуски | | | Допуск PED | DGRL – 97/23 EC | |
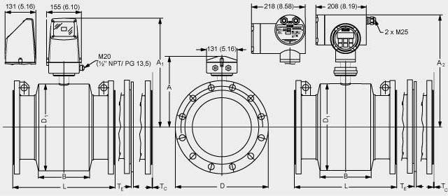
ЧертежИзмерительный датчик MAG 3100 W, компактный/раздельный | DN | A | A1 | B | D | L1) | AWWA C-207 класс D | TC2) | Вес3) | | | | | | | EN 1092-1-201 | BS 1560/ ANSI 16.5 | | | | | | | | | | | класс 150 | | | | | [мм] | [мм] | [мм] | [мм] | [мм] | [мм] | [мм] | [мм] | [мм] | [кг] | | 25 | 187 | 338 | 59 | 104 | 200 | 200 | - | 1.2 | 5 | | 40 | 197 | 348 | 82 | 124 | 200 | 200 | - | 1.2 | 8 | | 50 | 205 | 356 | 72 | 139 | 200 | 200 | - | 1.2 | 9 | | 65 | 212 | 363 | 72 | 154 | 200 | 200 | - | 1.2 | 11 | | 80 | 222 | 373 | 72 | 174 | 200 | 272 | - | 1.2 | 12 | | 100 | 242 | 393 | 85 | 214 | 250 | 250 | - | 1.2 | 16 | | 125 | 255 | 406 | 85 | 239 | 250 | 250 | - | 1.2 | 19 | | 150 | 276 | 427 | 85 | 282 | 300 | 300 | - | 1.2 | 27 | | 200 | 304 | 455 | 137 | 338 | 350 | 350 | - | 1.2 | 40 | | 250 | 332 | 483 | 137 | 393 | 450 | 450 | - | 1.2 | 60 | | 300 | 357 | 508 | 137 | 444 | 500 | 500 | - | 1.6 | 80 | | 350 | 362 | 513 | 270 | 451 | 550 | 550 | - | 1.6 | 110 | | 400 | 387 | 538 | 270 | 502 | 600 | 600 | - | 1.6 | 125 | | 450 | 418 | 569 | 310 | 563 | 600 | 600 | - | 1.6 | 175 | | 500 | 443 | 594 | 350 | 614 | 625 | 680 | - | 1.6 | 200 | | 600 | 494 | 645 | 430 | 715 | 750 | 820 | - | 1.6 | 300 | | 700 | 544 | 695 | 500 | 816 | 875 | - | 875 | 2.0 | 350 | | 750 | 571 | 722 | 556 | 869 | - | - | 937 | 2.0 | 380 | | 800 | 606 | 757 | 560 | 927 | 1000 | - | 1000 | 2.0 | 475 | | 900 | 653 | 804 | 630 | 1032 | 1125 | - | 1125 | 2.0 | 560 | | 1000 | 704 | 906 | 670 | 1136 | 1250 | - | 1250 | 2.0 | 700 | | 1100 | 755 | 906 | 770 | 1238 | 1375 | - | - | 2.0 | 1200 | | 1200 | 810 | 961 | 792 | 1348 | 1500 | - | 1500 | 2.0 | 1250 | 1) При использовании колец заземления необходимо прибавить толщину кольца к монтажной длине. 2) T C = кольцо заземления типа C 3) Вес является приблизительным и действителен для PN 16 без измерительного преобразователя D = наружный диаметр фланца , см . таблицы фланцев - недоступно Измерительный датчик MAG 3100 W, встроенный или раздельный | DN | A | A1 | B | D | L1) | AWWA C-207 класс D | TC2) | Вес3) | | | | | | | EN 1092-1-201 | BS 1560/ ANSI 16.5 | | | | | | | | | | | класс 150 | | | | | [дюймов] | [дюймов] | [дюймов] | [дюймов] | [дюймов] | [дюймов] | [дюймов] | [дюймов] | [дюймов] | [lbs] | | 1 | 7.36 | 13.31 | 2.32 | 4.09 | 7.87 | 7.87 | - | 0.05 | 13 | | 1½ | 7.76 | 13.70 | 3.23 | 4.88 | 7.87 | 7.87 | - | 0.05 | 17 | | 2 | 8.07 | 14.01 | 2.83 | 5.47 | 7.87 | 7.87 | - | 0.05 | 28 | | 2½ | 8.35 | 14.29 | 2.83 | 6.06 | 7.87 | 7.87 | - | 0.05 | 30 | | 3 | 8.74 | 14.69 | 2.83 | 6.85 | 7.87 | 10.71 | - | 0.05 | 33 | | 4 | 9.53 | 15.47 | 3.35 | 8.43 | 9.84 | 9.84 | - | 0.05 | 44 | | 5 | 10.04 | 15.98 | 3.35 | 9.41 | 9.84 | 9.84 | - | 0.05 | 55 | | 6 | 10.87 | 16.81 | 5.39 | 11.10 | 11.81 | 11.81 | - | 0.05 | 66 | | 8 | 11.97 | 17.91 | 5.39 | 13.31 | 13.78 | 13.78 | - | 0.05 | 110 | | 10 | 13.07 | 19.02 | 5.39 | 15.47 | 17.72 | 17.72 | - | 0.05 | 155 | | 12 | 14.05 | 20.00 | 5.39 | 17.48 | 19.69 | 19.69 | - | 0.06 | 176 | | 14 | 14.25 | 20.20 | 10.63 | 17.76 | 21.65 | 21.65 | - | 0.06 | 242 | | 16 | 15.24 | 21.18 | 10.63 | 19.76 | 23.62 | 23.62 | - | 0.06 | 275 | | 18 | 16.45 | 22.40 | 12.20 | 22.16 | 23.62 | 23.62 | - | 0.06 | 385 | | 20 | 17.44 | 23.39 | 13.78 | 24.17 | 24.61 | 26.77 | - | 0.06 | 440 | | 24 | 19.45 | 25.39 | 16.93 | 28.15 | 29.53 | 32.28 | - | 0.06 | 660 | | 28 | 21.42 | 27.36 | 19.69 | 32.13 | 34.45 | - | 34.5 | 0.08 | 770 | | 30 | 22.48 | 28.43 | 21.89 | 34.21 | - | - | 36.9 | 0.08 | 880 | | 32 | 23.86 | 29.80 | 22.05 | 36.50 | 39.37 | - | 39.4 | 0.08 | 1045 | | 36 | 25.71 | 31.65 | 24.80 | 40.63 | 44.29 | - | 44.3 | 0.08 | 1233 | | 40 | 27.72 | 35.67 | 26.38 | 44.72 | 49.21 | - | 49.2 | 0.08 | 1541 | | 42 | 27.72 | 35.67 | 26.38 | 44.72 | 49.21 | - | 49.2 | 0.08 | 1541 | | 44 | 29.72 | 35.67 | 30.31 | 48.74 | - | - | 59.1 | 0.08 | - | | 48 | 31.89 | 37.83 | 31.18 | 53.07 | 59.06 | - | 59.1 | 0.08 | 2751 | 1) При использовании колец заземления необходимо прибавить толщину кольца к монтажной длине. 2) T C = кольцо заземления типа C 3) Вес действителен для ANSI 150 без измерительного преобразователя D = наружный диаметр фланца, см . таблицы фланцев - недоступно |
Аксессуары | Заказной № | Описание | Вес (кг) | Доставка | Мин. зак. (шт) | | FDK:085U0220 | USM POTTING KIT IP68/NEMA 6P SUBMERSIBLE KIT | 1.565 | 4 - 6 недель (B) | 1 | |
|