0

Разделы

Скачать Заказные данные 
MAG 3100

Электромагнитный расходомер SITRANS F M MAG 3100 имеет ряд различных исполнений применимых в различных отраслях где необходимо измерение расхода.

 


Особенности

Скачать Заказные данные 
MAG 3100
  • Широкий диапазон диаметров: DN 15 to DN 2000 (½" to 78")
  • Широкий модельный ряд для многих применений : MAG 1100, MAG 1100 F, MAG 3100 P and MAG 5100 W
  • Широкий диапазон номиналов давлений: PN 6 to PN 100
  • ANSI Class 150/300, AS 2129/AS 4087, JIS K10 и K20.По запросу 690 bar (10 000 psi)
  • Большое колличество вариантов материалв футеровок и электродов
  • Полностью сварная конструкция стойкая к агрессивным установкам
  • Простое обслуживание, карта памяти SENSORPROM автоматически сохраняет настройки.
  • Запатентованная технология SITRANS F M беспроливной поверки с сохрением оттиска SENSORPROM .

 


Область применения

Скачать Заказные данные 
MAG 3100

Расходомеры SITRANS F M применимы для различных отраслей:

  • Непрерывные процессы
  • Химия
  • Металлургия
  • Добывающая отрасль
  • Энергетика
  • Нефть и Газ
  • Сточные воды

 


Дизайн

Скачать Заказные данные 
MAG 3100
  • Возможно как компактное так и разнесенное исполнения 
  • Простой запуск , взаимозаменяемость преобразователей
  • Ex ATEX и FM/CSA версии
  • Высокотемпратурная версия до 180 °C (356 °F)
  • Допуск PTB, OIML R 75 и OIML R 117
  • Удовлетворяет нормам: PED, 97/23/EC дерективы давления для фланцев EN 1092-1
  • Монтажная длина ISO 13359
  • Доводка на месте стандартной версии до IP68/NEMA 6P

 


Способ действия

Скачать Заказные данные 
MAG 3100

Принцип действия расходомера основан на законе электромагнитной индукции и законе Фарадея , по которым сенсор определяет скорость потока.

 


Интеграция

Скачать Заказные данные 
MAG 3100

Сам расходомер состоит из пернвичного сенсора и преобразователя сигналов MAG 5000, 6000 и 6000 I.

Гибкая коммуникация с помощью модулей USM II упрощает возможность работы с разным цифровыми протоколами

HART, FOUNDATION Fieldbus H1, DeviceNet, PROFIBUS DP and PA, Modbus RTU/RS485.

 

Pressure-temperature curve to EN (DIN) flanges, material A 105 carbon steel
Pressure-temperature curve to EN (DIN) flanges AISI 304
Pressure-temperature curve to EN (DIN) flanges AISI 316
Pressure-temperature curve to ANSI B16.5 flanges

Note: The pressure-temperature curves only assist in the selection of a system. No responsibility is taken for the correctness of the information. For exact data please refer to the PED requirements.

 


Технические данные

Скачать Заказные данные 
MAG 3100

Версии

MAG 3100

MAG 3100 HT (High Temperature)

Характеристики продукта

Гибкая линейка продуктов

Рабочий процесс выше 150 °C (300 °F)

Номинальный размер

DN 15 … DN 2000 (½" … 78")

DN 15 … DN 300 (½" … 12")

Принцип измерения

электромагнитная индукция

электромагнитная индукция

Частота возбуждения

(При частоте питающей сети:

50 Гц / 60 Гц)

  • DN 15 … 65 (½" … 2½"): 12.5 Hz/15 Гц
  • DN 15 … 65 (½" … 2½"): 12.5 Hz/15 Гц
  • DN 80 … 150 (3" … 6"): 6.25 Hz/7.5 Гц
  • DN 80 … 150 (3" … 6"): 6.25 Hz/7.5 Гц
  • DN 200 … 1200 (8" … 48"): 3.125 Hz/3.75 Гц
  • DN 200 … 300 (8" … 12"): 3.125 Hz/3.75 Гц
  • DN 1400 … 2000 (54" … 78"): 1.5625 Hz/1.875 Гц

 

Подключение к процессу

 

 

Фланцы

EN 1092-1. с выступающей поверхностью

(EN 1092-1, DIN 2501 и BS 4504 имеют одинаковые размеры ответных частей)

EN 1092-1, с выступающей поверхностью

(EN 1092-1, DIN 2501 и BS 4504 имеют одинаковое размеры ответных частей)

DN 65 … 2000 (2½" … 78"): PN 6 (87 psi)

DN 15 … 300 (½" … 12"): PN 40 (580 psi)

DN 200 … 2000 (8" … 78"): PN 10 (145 psi)

DN 65 … 300 (2½" … 12"): PN 16 (232 psi)

DN 65 … 2000 (2½" … 78"): PN 16 (232 psi)

DN 200 … 300 (8" … 12"): PN 10 (145 psi)

DN 200 … 600 (8" … 24"): PN 25 (362 psi)

DN 200 … 300 (8" … 12"): PN 25 (362 psi)

DN 15 … 600 (½" … 24”): PN 40 (580 psi)

DN 50 … 300 (2" … 12"): PN 63 (913 psi)

DN 25 … 300 (1" … 12"): PN 100 (1450 psi)

ANSI B16.5 (~BS 1560), с выступающей поверхностью:

ANSI B16.5 (~BS 1560), с выступающей поверхностью:

½" … 24": Класс 150 (20 бар (290 psi))

½" … 12": Класс 150 (20 бар (290 psi))

½" … 24": Класс 300 (50 бар (725 psi))

½" … 12": Класс 300 (50 бар (725 psi))

AWWA С-207, с плоской поверхностью, 28...78": Класс D (10 бар)

 

AS 2129, с выступающей поверхностью ½" … 48": Таблица E

AS 2129, выступающая поверхность ½" … 12": Таблица E

AS 4087, с выступающей поверхностью:

PN 16 (DN 50 … 1200, 16 бар (232 psi))

PN 21 (DN 50 … 600, 21 бар (304 psi))

PN 35 (DN 50 … 600, 35 бар (508 psi))

JIS B 2220:2004

K10 (1" … 24")

K20 (1" … 24")

Другие фланцы и классы по давлению предоставля­ются по запросу

Другие фланцы и классы по давлению предоставля­ются по запросу

Номинальные условия эксплуатации

 

 

Температура окружающей среды

(условия также зависят от материала вкладыша)

 

 

  • Стандартный датчик

-40 … +100 °C (-40 … +212 °F)

-40 … +100 °C (-40 … +212 °F)

  • Ex датчик

-20 … +60 °C (-4 … +140 °F)

для температуры вещества до 150 °С -20...+60 °С for up to 150 °C (302 °F) (-4 … +140 °F)

для температуры вещества 150... 180 ° (302 … 356 °F) С температура вещества: -20...+50 °С (-4 … +122 °F)

  • С компактно установленным измерительным преобразователем

 

 

  • MAG 5000/6000

-20 … +60 °C (-4 … +140 °F)

-20 … +60 °C (-4 … +140 °F)

  • MAG 6000 I

-20 … +60 °C (-4 … +140 °F)

-20 … +60 °C (-4 … +140 °F)

  • MAG 6000 I Ex de

-10 … +60 °C (14 … 140 °F)

-10 … +60 °C (14 … 140 °F)

Рабочее давление [фбс. бар] (максимальное рабочее давление уменьшается с ростом температуры и при применении фланцев из нержавеющей стали)

  • Неопрен 0.01 … 100 бар (0.15 … 1450 psi)

 

  • EPDM 0.01 … 40 бар (0.15 … 580 psi)

 

  • Резина Linatex 0.01 … 40 бар (0.15 ... 580 psi)

 

  • Эбонит 0.01 … 100 бар (0.15 … 1450 psi)

 

  • PTFE
  • PTFE Тефлон
  • DN ≤ 300 (≤ 12"): 0.3 … 50 бар (4 … 725 psi)
  • DN 15... 300 (1/2...12") (130/180 °С): 0,3/0,6...50 бар (модификация 180 °С PTFE поставляется с завода с установленными заземляющими шайбами типа Е и клеммной коробкой из нержавеющей стали)
  • 350 ≤ DN ≤ 600 (14"≤ DN ≤ 24"): 0.3 … 40 бар (4 … 580 psi)
  • PFA
  • PFA
  • DN 15 … 150 (½" … 6"): Вакуум 0.02 … 50 бар (0.29 … 725 psi)
  • DN 15 … 150 (½" … 6"): Вакуум 0.02 … 50 бар (0.29 … 725 psi)

Каркас корпуса

IP67 согласно EN 60529/NEMA 4X/6, 1 м H2O в течение 30 мин

P67 согласно EN 60529/NEMA 4X/6, 1 м H2O в течение 30 мин

 

Опция: IP68, согласно EN 60529/NEMA 6Р.10 м Н20, постоянно (не для Ех)

Опция: IP68, согласно EN 60529/NEMA 6Р.10 м Н20, постоянно (не для Ех)

Падение давления при 3 м/с

Как при прямой трубе

Тестовое давление

1.5 x PN (где применимо)

Механические нагрузки (вибрация)

18...1000 Гц в случайных направлениях по осям х, у, z, на протяжении 2 часов, согласно EN 60068-2-36

18...1000 Гц в случайных направлениях по осям х, у, z, на протяжении 2 часов, согласно EN 60068-2-36

Датчик: 3.17 г

Датчик: 3.17 г

Датчик с компактно установленным измерительным преобразователем MAG 5000/6000 с выступающим передатчиком: 3.17 г

Датчик с компактно установленным измерительным преобразователем MAG 5000/6000 с выступающим передатчиком: 3.17 г

Датчик с компактно установленным измерительным преобразователем MAG 6000 I/6000 I Ex с выступающим передатчиком: 1.14 г

Датчик с компактно установленным измерительным преобразователем MAG 6000 I/6000 I Ex с выступающим передатчиком: 1.14 г

Температура вещества

  • Мягкий каучук 0 … +70 °C (32 … 158 °F)
  • PTFE -20 … +130 °C (-4 … +266 °F)
  • EPDM -10 … +70 °C (14 … 158 °F)
  • PTFE -20 … +180 °C (-4 … +356 °F) Factory mounted grounding rings type E in SS and SS terminal box. Can only be used with remote transmitter.
  • Linatex (резина) -40 … +70 °C (-40 … +158 °F) (для температур ниже -20 °C (-4 °F) необходимо использовать фланцы AISI 304 или 316 )
  • PFA -20 … +150 °C (-4 … +300 °F)
  • Эбонит 0 … 95 °C (32 … 203 °F)

 

  • PTFE -20 … +100 °C (-4 … +212 °F)

 

  • PFA -20 … +100 °C (-4 … +212 °F)

 

Электромагнитная совместимость

2004/108/EC

2004/108/EC

Конструкция

 

 

Вес

См. чертежи с размерами

Материал фланцев и корпуса

Фланцы ASTM A 105, с антикоррозийным двухкомпонентным эпоксидным покрытием (мин. 150 μм)

Фланцы ASTM A 105, с антикоррозийным двухкомпонентным эпоксидным покрытием (мин. 150 μм)

или

или

Фланцы AISI 304 (1.4301), корпус из высокоуглеро­дистой стали, с антикоррозийным двухкомпонен­тным эпоксидным покрытием (мин. 150 μм)

Фланцы AISI 304 (1.4301), корпус из высокоуглеро­дистой стали, с антикоррозийным двухкомпонен­тным эпоксидным покрытием (мин. 150 μм)

или

или

Фланцы и корпус из стали AISI 316 L (1.4404) полированные

Фланцы и корпус из стали AISI 316 L (1.4404) полированные

Материал измерительной трубы

AISI 304 (1.4301)

AISI 304 (1.4301)

Материал электродов

  • AISI 316 Ti (1.4571)
  • AISI 316 Ti (1.4571)
  • PTFE: сплав Hastelloy C276
  • PTFE: сплав Hastelloy C276
  • PFA: сплав Hastelloy C22
  • PFA: сплав Hastelloy C22
  • Платина/Иридий
  • Платина/Иридий
  • Титан
  • Титан
  • Тантал
  • Тантал

Заземляющий электрод, материал

  • Модель с футеровкой из каучука: AISI 316Ti или сплав Hastelloy

 

  • PTFE: нет
  • PTFE: нет
  • PFA: возможны варианты из сплава Hastelloy,тантала или платины
  • PFA: возможны варианты из сплава Hastelloy, Тантала или Платины

Клеммная коробка (только удаленное исполнение)

  • Стандартная - армированный стекловолокном полиамид
  • Стандартная - армированный стекловолокном полиамид(макс. 150 °C (302 °F))
  • Дополнительно - нержавеющая сталь AISI 316 (1.4436)
  • Нержавеющая сталь AISI 316 (1.4436)
  • Ex Нержавеющая сталь AISI 316 (1.4436)
  • Ex Нержавеющая сталь AISI 316 (1.4436)

Кабельные вводы

  • Раздельная установка 2 x M20 or 2 x ½" NPT
  • Раздельная установка 2 x M20 or 2 x ½" NPT
  • Компактная установка

 

  • MAG 5000/MAG 6000: 4 x M20 или 4 x ½" NPT

 

  • MAG 6000 I: 2 x M25 или 2 x ½" NPT (для питания/выхода)

 

  • MAG 6000 I Ex de: 2 x M25 или 2 x ½" NPT (для питания/выхода)

 

Сертификаты и допуски

 

 

Калибровка

 

 

Стандартная калибровка продукции, отчет поставляется с датчиком

Установка точки отсчёта, 2 x 25 % и 2 x 90 %

Установка точки отсчета, 2 x 25 % и 2 x 90 %

Соответствие стандартам

PED (Все фланцы EN 1092-1 соответствуют PED) – 97/23 EC 1)

PED (Все фланцы EN 1092-1 соответствуют PED) – 97/23 EC 1)

CRN

CRN

Сертификат соответствия материала EN 10204 3.1

По запросу

По запросу

Допуски Ex

Датчики Ex

Датчики Ex

  • ATEX 2 GD DN 15 … 300: EEx d e ia IIC T4 - T6
  • ATEX 2 GD DN 15 … 300: EEx d e ia IIC T3 - T6
  • DN 350 … 2000 EEx e ia IIC T4 - T6

 

  • FM Класс 1, Сек 1 2)
  • FM Класс 1,Сек 1 2)
  • FM Класс 1, Зона 1
  • FM Класс 1, Зона 1
  • CSA Класс 1, Зона 1
  • CSA Класс 1, Зона 1
  • IEC Ex de ia IIC T3 - T6
  • IEC Ex de ia IIC T3 - T6

Стандартные датчики

Стандартные датчики

  • FM Класс 1, Сек 2
  • FM Класс 1, Сек 2
  • CSA Класс 1, Сек 2
  • CSA Класс 1, Сек 2

Допуски на использование питьевой воды

Футеровка из EPDM:

 

  • WRAS (WRc, BS6920 для холодной воды, Великобритания)

 

  • NSF/ANSI Standard 61 (для холодной воды, США)

 

  • ACS (Франция)

 

  • DVGW W270 (Германия)

 

  • Belgaqua (Бельгия)

 

  • MCERTS (Великобритания) (для вкладышей из каучука EPDM или из PTFE,с электродами AISI 316 или сплава Hastelloy)

 

Коммерческий учет (СТ) U DN2000) (только в комплекте с MAG 5000/6000 СТ), по специ­альному заказу

Допуск на использование образца с холодной водой

- DANAK TS 22.36.001, РТВ (Дания и Германия)

 

Допуск на использование образца в качестве теплосчетчика —

OIML R 75 (Дания)

Допуск на использование образца в качестве теплосчетчика —

OIML R 75 (Дания)

Допуск на использование образца с горячей водой

— РТВ (Германия)

Допуск на использование образца с горячей водой

— РТВ (Германия)

Разрешение на использование образца с вещест­вами, отличными от воды — OIML R 117 (Дания)

 

Техническую спецификацию измерительного преобразователя см. на соответствующих страницах.

1) Для размеров более 600 мм (24") в классе PN 16, сертификат соответствия PED предоставляется за дополнительную плату. Базовое устройство комплектуется LVD (директивой по низковольтным устройствам) и удостоверением электромагнитной совместимости. Вся продукция, продаваемая за пределами Евросоюза и европейской зоны свободной торговли, а также предназначенная для определенных секторов рынка, исключаются из директивы по оборудованию, работающему под давлением. В данную группу входят:

  • Измерители, используемые в сетях водоснабжения, водораспределения и водоотведения.
  • Измерители, используемые в трубопроводах, подающих жидкости из прибрежной зоны на сушу.
  • Измерители, используемые при добыче нефти и газа, в том числе в фонтанном и коллекторном оборудовании.
  • Любые измерители, монтируемые на судах или самоходных морских платформах. Только для датчиков размеров DN 15...300 (1/2...12") в компактном исполнении

2) Только для датчиков размеров DN 15...300 (1/2...12") в компактном исполнении

 


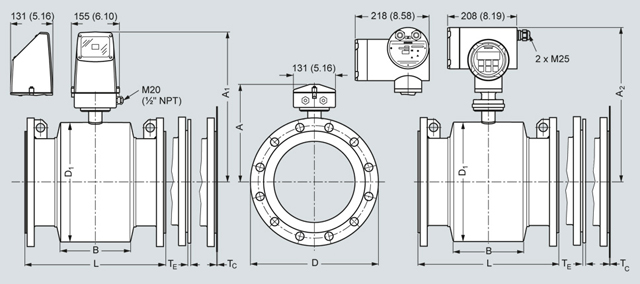
Чертеж

Скачать Заказные данные 
MAG 3100
MAG 3100 и MAG 3100 HT сенсор в компактном исполнении

Dimensions in mm (inch)

 

Metric

DN

A 1)

A1/A2 8)

B

D1

L2

EN 1092-1-201

ANSI 16.5

PN 6, 10

PN 16/PN 16 non PED

PN 25

PN 40

PN 63

PN 100

Class 150

Class 300

[mm]

[mm]

[mm]

[mm]

[mm]

[mm]

[mm]

[mm]

[mm]

[mm]

[mm]

[mm]

[mm]

15

187

338

59

104

-

-

-

200

-

-

200

200

25

187

338

59

104

-

-

-

200

-

260

200

200

40

197

348

82

124

-

-

-

200

-

280

200

200

50

205

356

72

139

-

-

-

200

276

300

200

200

65

212

363

72

154

200

200/-

-

200

320

350

200

272

80

222

373

72

174

200

200/-

-

272 1)

323

340

272 1)

272 1)

100

242

393

85

214

250

250/-

-

250

380

400

250

310

125

255

406

85

239

250

250/-

-

250

420

450

250

335

150

276

427

85

282

300

300/-

-

300

415

450

300

300

200

304

455

137

338

350

350/-

350

350

480

530

350

350

250

332

483

157

393

450

450/-

450

450

550

620

450

450

300

357

508

157

444

500

500/-

500

500

600

680

500

500

350

362

513

270

451

550

550/-

550

550

-

-

550

550

400

387

538

270

502

600

600/-

600

600

-

-

600

600

450

418

569

310

563

600

600/-

600

600

-

-

600

640

500

443

594

350

614

600

600/-

625

680

-

-

600

730

600

494

645

320

715

600

600/-

750

800

-

-

600

860

700

544

695

450

816

700

875/700

-

-

-

-

-

-

750

571

722

556

869

-

-/-

-

-

-

-

-

-

800

606

757

560

927

800

1000/800

-

-

-

-

-

-

900

653

804

630

1032

900

1125/900

-

-

-

-

-

-

1000

704

906

670

1136

1000

1250/1000

-

-

-

-

-

-

1050

704

906

670

1136

-

-/-

-

-

-

-

-

-

1100

755

906

770

1238

-

-/-

-

-

-

-

-

-

1200

810

961

792

1348

1200

1500/1200

-

-

-

-

-

-

1400

925

1076

1000

1675

1400

-/1400

-

-

-

-

-

-

1500

972

1123

1020

1672

1500

-/1500

-

-

-

-

-

-

1600

1025

1176

1130

1915

1600

-/1600

-

-

-

-

-

-

1800

1123

1274

1250

1974

1800

-/1800

-

-

-

-

-

-

2000

1223

1374

1375

2174

2000

-/2000

-

-

-

-

-

-

1) Not according to ISO 13359.

 

DN

L 2)

TC 3)

TE 3)

TF 3)

TT 3)

Wgt. 4)

AS 2129 EAS 4087PN 16, 21, 35

AWWA C-207 Class D

JIS K10

JIS K20

[mm]

[mm]

[mm]

[mm]

[mm]

[mm]

[mm]

[mm]

[mm]

[kg]

15

200

-

200

200

-

6

2

1

4

25

200

-

200

200

1.2

6

2

1

5

40

200

-

200

240

1.2

6

2

1

8

50

200

-

200

240

1.2

6

2

1

9

65

200

-

200

272

1.2

6

2

1

11

80

200 5)

-

200 10)

272 10)

1.2

6

2

1

12

100

250

-

250

310

1.2

6

2

1

16

125

250

-

250

335

1.2

6

2

-

19

150

300

-

300

300

1.2

6

2

-

27

200

350

-

350

350

1.2

8

2

-

40

250

450

-

450

450

1.2

8

2

-

60

300

500

-

500

500

1.6

8

2

-

80

350

550

-

550

550

1.6

8

-

-

110

400

600

-

600

600

1.6

10

-

-

125

450

600

-

600

640

1.6

10

-

-

175

500

600 6)

-

600

680

1.6

10

-

-

200

600

600 7)

-

600

800

1.6

10

-

-

287

700

700 9)

700

-

-

2.0

-

-

-

330

750

750 9)

750

-

-

2.0

-

-

-

360

800

800 9)

800

-

-

2.0

-

-

-

450

900

900 9)

900

-

-

2.0

-

-

-

530

1000

1000 9)

1000

-

-

2.0

-

-

-

660

1050

-

1050

-

-

2.0

-

-

-

660

1100

1100 9)

1100

-

-

2.0

-

-

-

1140

1200

1200 9)

1200

-

-

2.0

-

-

-

1180

1400

-

1400

-

-

2.0

-

-

-

1600

1500

-

1500

-

-

3.0

-

-

-

2460

1600

-

1600

-

-

3.0

-

-

-

2525

1800

-

1800

-

-

3.0

-

-

-

2930

2000

-

2000

-

-

3.0

-

-

-

3665

1) 14.5 mm shorter with AISI terminal box (Ex and high temperature version)

2) When earthing flanges are used, the thickness of the earthing flange must be added to the built-in length.

3) TC = Type C grounding ring, TE = Type E grounding ring (Included and factory mounted on high temperature 180 °C (356 °F) PTFE sensor), TF = Flat type grounding rings

4) Weights are approx. (for PN 16) without transmitter.

5) PN 35 DN 80 = 272 mm (not according to ISO 13359)

6) PN 35 DN 500 = 680 mm

7) PN 35 DN 600 = 750 mm

8) A2 is 3 mm shorter than A1.

9) Not AS 4087 PN 21 or PN 35

10) Size is out to ISO 13359.

- not available

D = Outside diameter of flange, see flange tables

 

MAG 3100 and MAG 3100 HT sensor with compact or remote transmitter

Imperial

DN

A 1)

A1/A2 8)

B

D1

L2

EN 1092-1-201

ANSI 16.5

PN 6, 10

PN 16/PN 16 non PED

PN 25

PN 40

PN 63

PN 100

Class 150

Class 300

[inch]

[inch]

[inch]

[inch]

[inch]

[inch]

[inch]

[inch]

[inch]

[inch]

[inch]

[inch]

[inch]

½

7.36

13.31

2.32

4.09

-

-

-

7.87

-

-

7.87

7.87

1

7.36

13.31

2.32

4.09

-

-

-

7.87

-

10.24

7.87

7.87

7.76

13.70

3.23

4.88

-

-

-

7.87

-

11.02

7.87

7.87

2

8.07

14.01

2.83

5.47

-

-

-

7.87

10.87

11.81

7.87

7.87

8.35

14.29

2.83

6.06

7.87

7.87/-

-

7.87

12.60

13.78

7.87

10.71

3

8.74

14.69

2.83

6.85

7.87

7.87/-

-

10.711)

12.72

13.39

10.711)

10.711)

4

9.53

15.47

3.35

8.43

9.84

9.84/-

-

9.84

14.96

-

9.84

12.20

5

10.04

15.98

3.35

9.41

9.84

9.84/-

-

9.84

16.54

-

9.84

13.10

6

10.87

16.81

5.39

11.10

11.81

11.81/-

-

11.81

16.34

-

11.81

11.81

8

11.97

17.91

5.39

13.31

13.78

13.78/-

13.78

13.78

18.90

-

13.78

13.78

10

13.07

19.02

6.18

15.47

17.72

17.72/-

17.72

17.72

-

-

17.72

17.72

12

14.05

20.00

6.18

17.48

19.69

19.69/-

19.69

19.69

-

-

19.69

19.69

14

14.25

20.20

10.63

17.76

21.65

21.65/-

21.65

21.65

-

-

21.65

21.65

16

15.24

21.18

10.63

19.76

23.62

23.62/-

23.62

23.62

-

-

23.62

23.62

18

16.45

22.40

12.20

22.16

23.62

23.62/-

23.62

23.62

-

-

23.62

23.62

20

17.44

23.39

13.78

24.17

23.62

23.62/-

24.61

26.77

-

-

23.62

28.70

24

19.45

25.39

12.59

28.15

23.62

23.62/-

29.53

31.50

-

-

23.62

33.80

28

21.42

27.36

17.72

32.13

27.56

34.45/27.56

-

-

-

-

-

-

30

22.48

28.43

21.89

34.21

-

-/-

-

-

-

-

-

-

32

23.86

29.80

22.05

36.50

31.50

39.37/31.50

-

-

-

-

-

-

36

25.71

31.65

24.80

40.63

35.43

44.29/35.43

-

-

-

-

-

-

40

27.72

35.67

26.38

44.72

39.37

49.21/39.37

-

-

-

-

-

-

42

27.72

35.67

26.38

44.72

-

-/-

-

-

-

-

-

-

44

29.72

35.67

30.31

48.74

-

-/-

-

-

-

-

-

-

48

31.89

37.83

31.18

53.07

47.24

59.06/47.24

-

-

-

-

-

-

54

36.42

42.36

39.37

65.94

55.12

-/55.12

-

-

-

-

-

-

60

38.27

44.21

40.15

65.83

59.06

59.06/59.06

-

-

-

-

-

-

66

40.35

46.30

44.49

75.39

62.99

-/62.99

-

-

-

-

-

-

72

44.21

50.16

49.21

77.72

70.87

-/70.87

-

-

-

-

-

-

78

48.15

54.09

54.13

85.59

78.74

-/78.74

-

-

-

-

-

-

 

 

 

 

 

 

 

 

 

 

 

 

 

1) Not according to ISO 13359

Size

L 2)

TC 3)

TE 3)

TF 3)

TT 3)

Wgt. 4)

AS 2129 EAS 4087PN 16, 21, 35

AWWA C-207 Class D

JIS K10

JIS K20

[inch]

[inch]

[inch]

[inch]

[inch]

[inch]

[inch]

[inch]

[inch]

[lbs]

½

7.87

-

7.87

7.87

-

0.24

0.08

0.04

9

1

7.87

-

7.87

7.87

0.05

0.24

0.08

0.04

11

7.87

-

7.87

9.44

0.05

0.24

0.08

0.04

17

2

7.87

-

7.87

9.44

0.05

0.24

0.08

0.04

20

7.87

-

7.87

10.70

0.05

0.24

0.08

0.04

24

3

7.87 5)

-

7.87

10.70

0.05

0.24

0.08

0.04

26

4

9.84

-

9.84

12.20

0.05

0.24

0.08

0.04

35

5

9.84

-

9.84

13.18

0.05

0.24

0.08

-

42

6

11.81

-

11.81

11.81

0.05

0.24

0.08

-

60

8

13.78

-

13.77

13.77

0.05

0.31

0.08

-

88

10

17.72

-

17.71

17.71

0.05

0.31

0.08

-

132

12

19.69

-

19.68

19.68

0.06

0.31

0.08

-

176

14

21.65

-

21.65

21.65

0.06

0.31

-

-

242

16

23.62

-

23.62

23.62

0.06

0.39

-

-

275

18

23.62

-

23.62

25.19

0.06

0.39

-

-

385

20

23.62 6)

-

23.62

26.77

0.06

0.39

-

-

440

24

23.62 7)

-

23.62

31.49

0.06

0.39

-

-

633

28

27.56

27.56

-

-

0.08

-

-

-

728

30

-

29.52

-

-

0.08

-

-

-

794

32

31.50

31.50

-

-

0.08

-

-

-

992

36

35.43

35.43

-

-

0.08

-

-

-

1168

40

39.37

39.37

-

-

0.08

-

-

-

1455

42

-

39.37

-

-

0.08

-

-

-

1455

44

43.31

43.31

-

-

0.08

-

-

-

2513

48

47.24

47.24

-

-

0.08

-

-

-

2601

54

-

55.12

-

-

0.12

-

-

-

3528

60

-

59.06

-

-

0.12

-

-

-

5423

66

-

63.00

-

-

0.12

-

-

-

5566

72

-

70.87

-

-

0.12

-

-

-

6460

78

-

78.74

-

-

0.12

-

-

-

8080

1) 0,571 inch shorter with AISI terminal box (Ex and high temperature version)

2) When earthing flanges are used, the thickness of the earthing flange must be added to the built-in length.

3) TC = Type C grounding ring, TE = Type E grounding ring (Included and factory mounted on high temperature 180 °C (356 °F) PTFE sensor), TF = Flat type grounding rings

4) Weights are for ANSI 150 without transmitter.

5) PN 35 DN 80 = 10.07 inch

6) PN 35 DN 500 = 26.77 inch

7) PN 35 DN 600 =2.53 inch

8) A2 is 0,6" shorter than A1.

- not available

D = Outside diameter of flange, see flange tables

 


Заказные данные

Скачать Заказные данные 

Цена на сайте указана розничная в ЕВРО без учета НДС.Для уточнения цены и размера предоставляемой скидки - звоните или присылайте заявки

Заказной номерPGОписание продуктаЦена
7ME631.-.....-....833Электромагнитный расходомер SITRANS F M MAGFLO MAG 3100 0.00
7ME632.-.....-....833Электромагнитный расходомер SITRANS F M MAGFLO MAG 3100 высокотемпературный 0.00

 


Аксессуары

Скачать Заказные данные 

Цена на сайте указана розничная в ЕВРО без учета НДС.Для уточнения цены и размера предоставляемой скидки - звоните или присылайте заявки

Заказной номерPGОписание продуктаЦена
A5E03005599835SITRANS F M MAG 3100 OP INSTR EN 24.38
A5E03086288835SITRANS F M MAG 3100 OP INSTR DE 24.38
A5E03086290835SITRANS F M MAG 3100 OP INSTR FR 24.38
A5E03086291835SITRANS F M MAG 3100 OP INSTR ES 24.38