0

Разделы

Поворотные приводы - Приводы с возвратной пружиной


grey line

M92x0-xxx-1

(Joventa DAFx.10 / DBF1.10 / DMF1.10)


10, 20 Нм

Электрические приводы М9210 и М9220 непосредственного монтажа с возвратной пружиной обеспечивают надёжное управление заслонками и клапанами систем вентиляции, кондиционирования воздуха и отопления.


Доступны приводы с двухпозиционным, трехпозиционным и пропорциональным управлением. Эти реверсивные приводы не требуют сопрягающих рычажных устройств — они просто устанавливаются на заслонку.







M92x0-xxx-1


• Двухпозиционное, трехпозиционное и пропорциональное управление
• Два или три привода, установленные тандемом, развивают двойной
  или тройной крутящий момент
• Возможна одновременная работа до 5 приводов, соединённых параллельно
• Дополнительные настраиваемые концевые ограничители. Концевые
  ограничители используются для сокращения диапазона вращения привода,
  что повышает срок службы привода путем отключения электродвигателя при
  обнаружении перегрузки
• Кабели, не содержащие галогенов
• Степень защиты оболочки IP 54 (NEMA2)
• Алюминиевый корпус
• Простое в использовании блокирование при ручном управлении
  с автоматическим разблокированием и место для хранения коленчатой
  рукоятки ручного управления
• Режим энергосбережения при остановке в крайних положениях
• Два встроенных вспомогательных выключателя
  с позолоченными контактами (модели ххС)

plan
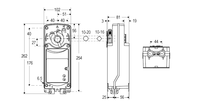
Размеры в мм